|
|
(21), (22) Заявка: 2009103654/09, 04.02.2009
(24) Дата начала отсчета срока действия патента:
04.02.2009
(46) Опубликовано: 27.01.2010
(56) Список документов, цитированных в отчете о поиске:
RU 2158955 C1, 10.11.2000. SU 1774354 A1, 07.11.1992. SU 1640716 A1, 07.04.1991. US 5535406 А, 09.07.1996.
Адрес для переписки:
109651, Москва, Батайский пр., 1, кв.139, А.А. Бурбе
|
(72) Автор(ы):
Бурба Александр Алексеевич (RU), Семенов Сергей Сергеевич (RU), Сатердинова Наталия Хасьяновна (RU)
(73) Патентообладатель(и):
Бурба Александр Алексеевич (RU), Семенов Сергей Сергеевич (RU), Сатердинова Наталия Хасьяновна (RU)
|
(54) УСТРОЙСТВО ДЛЯ ВЫБОРА ВАРИАНТА ИСПЫТАНИЙ ТЕХНИЧЕСКИХ УСТРОЙСТВ
(57) Реферат:
Изобретение относится к вычислительной технике и может быть использовано для выбора оптимального варианта испытаний технических устройств с целью минимизации затрат на их проведение с учетом рисков поставщика и заказчика. Эти риски и стоимость испытаний можно учесть с помощью обобщенного критерия эффективности процесса испытаний технических устройств. Поиск минимального значения обобщенного критерия позволяет определить оптимальный вариант проведения испытаний. Для этого устройство содержит группы входных регистров, входные регистры, группы блоков умножения, группу сумматоров, элементы ИЛИ, блок сравнения, группу элементов задержки, группу коммутаторов, элементы задержки, ключи, элемент НЕ, группу выходных регистров, группу блоков индикации, выходной регистр, блок индикации, генератор тактовых импульсов и распределитель импульсов. 3 ил., 1 табл.
Изобретение относится к вычислительной технике и может быть использовано для выбора оптимального варианта испытаний технических устройств с целью минимизации затрат на их проведение с учетом рисков поставщика и заказчика.
Заявителю неизвестно о том, чтобы такая техническая задача решалась. Это объясняется тем, что отсутствует при выборе вариантов испытаний технических устройств одновременный учет рисков поставщика и заказчика и стоимости их проведения.
Техническим результатом заявленного решения является оптимизация затрат на проведение испытаний технических устройств. При этом должны учитываться такие важные показатели, как риски поставщика и заказчика.
При слишком низких затратах на проведение испытаний можно принять на эксплуатацию техническое устройство низкого качества или, наоборот, забраковать качественное изделие. Слишком высокие затраты на испытания могут оказаться неприемлемыми из-за превышения общей сметы расходов. Эти риски и стоимость испытаний можно учесть с помощью обобщенного критерия эффективности процесса испытаний технических устройств.
Выбор оптимального варианта испытаний технических устройств можно осуществить с помощью обобщенного критерия Wi эффективности процесса испытаний:

где
n – число анализируемых вариантов испытаний;
Кi – показатель качества проведенных испытаний относительно i-го варианта;
Si – стоимость проведения i-го варианта испытаний.
Если в процессе испытаний решается задача прогнозирования технического состояния или надежности технического устройства, то необходимо использовать показатель качества, обладающий следующими особенностями:
– он непосредственно зависит от качества испытаний;
– он учитывает не только стоимость испытаний, но и те потери, которые имеют место при использовании технического устройства по его прямому назначению, потери за счет проведения некачественных испытаний;
– по данному показателю можно проводить оптимизацию и сравнение программ испытаний технических устройств.
Этим требованиям может удовлетворять показатель Кi, определяемый по следующей формуле:

где
b и с – весовые коэффициенты, причем b 0, с 0, b+с=1;
i и i – риски соответственно поставщика и заказчика.
Риск поставщика представляет собой вероятность того, что будет забраковано исправное техническое устройство. Риск заказчика определяется вероятностью того, что к эксплуатации будет допущено техническое устройство низкого качества.
Поскольку упомянутые риски и стоимость проведения испытаний целесообразно уменьшить, то необходимо искать вариант испытаний, который обеспечивает минимальное значение обобщенного критерия Wi min.
Это положение иллюстрируется при помощи таблицы.
| Численные значения параметров Кi, Si и Wi для решения задачи оптимизации затрат на проведение испытаний |
| Номер варианта испытаний |
1 |
2 |
3 |
4 |
5 |
6 |
7 |
8 |
9 |
10 |
| Ki |
0,02 |
0,04 |
0,06 |
0,08 |
0,10 |
0,12 |
0,14 |
0,16 |
0,18 |
0,20 |
| Si тыс.у.е. |
190 |
90 |
60 |
40 |
33 |
30 |
28 |
27 |
26 |
25 |
| Wi |
3,80 |
3,60 |
3,60 |
3,20 |
3,30 |
3,60 |
3,90 |
4,32 |
4,68 |
5,0 |
| Wi min |
 |
 |
 |
3,20 |
 |
 |
 |
 |
 |
 |
Из таблицы видно, что уменьшение рисков обеспечивается повышением стоимости испытаний. Кроме того, можно осуществить выбор оптимального варианта испытаний путем поиска Wi min и, следовательно, соответствующего ему варианта испытаний. В данной ситуации необходимо выбрать вариант 4.
Технический результат достигается тем, что устройство для выбора оптимального варианта испытаний технических устройств содержит первую, вторую и третью группы входных регистров, первый и второй входные регистры, первую, вторую и третью группы блоков умножения, группу сумматоров, первый, второй и третий элементы ИЛИ, блок сравнения, группу элементов задержки (ЭЗ), группу коммутаторов, первый и второй ЭЗ, первый и второй ключи, элемент НЕ, группу выходных регистров, группу блоков индикации, выходной регистр, блок индикации, генератор тактовых импульсов и распределитель импульсов (РИ), тактовый вход которого соединен с выходом генератора тактовых импульсов, первый выход РИ – с входами записи первой, второй и третьей групп входных регистров, второй выход – с входами записи первого и второго входных регистров, третий выход – с входами считывания первой и второй групп входных регистров, четвертый выход – с входами считывания первого и второго входных регистров, пятый выход – с входами считывания третьей группы входных регистров, шестой выход – с входами записи группы выходных регистров, седьмой выход – с входом записи выходного регистра, восьмой выход – с входами считывания группы выходных регистров и выходного регистра, информационные входы первой группы входных регистров, состоящей из n элементов, являются входом задания исходной информации, причем на информационные входы с первого по n-й входные регистры первой группы поступают значения i, характеризующие риск поставщика для i-го варианта испытаний, информационные входы второй группы входных регистров, состоящей из n элементов, являются входом задания исходной информации, причем на информационные входы с первого по n-й входные регистры второй группы поступают значения i, характеризующие риск заказчика для i-го варианта испытаний, информационные входы третьей группы входных регистров, состоящей из n элементов, являются входом задания исходной информации, причем на информационные входы с первого по n-й входные регистры третьей группы поступают значения Si, характеризующие стоимость проведения i-го варианта испытаний, информационные входы первого и второго входных регистров являются входом задания исходной информации, причем на их информационные входы поступают соответствующие значения b и с, характеризующие весовые коэффициенты при рисках соответственно поставщика и заказчика, выходы каждого элемента первой и второй групп входных регистров подключены к первым входам соответствующих элементов первой и второй групп блоков умножения, состоящих из n элементов соответственно, вторые входы каждой из которых соединены с выходом соответственно первого и второго входных регистров, а выходы – соответственно с первыми и вторыми входами соответствующих элементов группы сумматоров, состоящей из n элементов, выход каждого из которых подключен к первым входам соответствующих элементов третьей группы блоков умножения, состоящей из n элементов, вторые входы каждого из которых соединены с выходами соответствующих элементов третьей группы входных регистров, а выходы – с информационными входами соответствующих элементов группы выходных регистров, состоящей из n элементов, выходы каждого из которых подключены к входам соответствующих элементов группы блоков индикации, состоящей из n элементов, выходы первого и второго элементов третьей группы блоков умножения соединены с первыми входами соответственно первого и второго элементов ИЛИ, а выходы с третьего по n-й элементов – с входами соответственно с первого по (n-2)-й элементы группы ЭЗ, состоящей из (n-2) элементов, выходы каждого из которых подключены к информационным входам соответствующих элементов группы коммутаторов, состоящей из (n-2) элементов, управляющие входы каждого из которых соединены с выходом блока сравнения, первый и второй входы которого подключены к выходам соответственно первого и второго элементов ИЛИ, вторые входы которых соединены с выходами соответственно первого и второго ключей, а с третьего по n-й входы – соответственно с первыми и вторыми выходами соответствующих элементов группы коммутаторов, выходы первого и второго элементов ИЛИ подключены также соответственно через первый и второй ЭЗ к информационным входам соответственно первого и второго ключей, выходы которых соединены соответственно с первым и вторым входами третьего элемента ИЛИ, выход которого подключен к информационному входу выходного регистра, выход которого соединен с входом блока индикации, выход блока сравнения подключен также к управляющему входу первого ключа и через элемент НЕ к управляющему входу второго ключа.
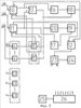
На фиг.1 и 2 представлена функциональная схема устройства для выбора оптимального варианта испытаний технических устройств (для ликвидации громоздкости связи между РИ и управляющими входами соответствующих блоков показаны не полностью, а обозначены путем нумерации входов и выходов).
На фиг.3 изображена циклограмма работы заявленного устройства (по оси ординат обозначены номера выходов РИ, а по оси абсцисс – число тактов, причем длительность различных вычислительных операций (сложение – один такт, умножение – восемь тактов) в верхней части фиг.3 (для возможности исполнения циклограммы принято n=10, хотя эта величина может принимать произвольное значение).
Устройство для выбора оптимального варианта испытаний технических устройств (фиг.1 и 2) содержит первую 1, вторую 2 и третью 3 группы входных регистров, состоящие из n элементов, первый 4 и второй 5 входные регистры, первую 6, вторую 7 и третью 8 группы блоков умножения, состоящие из n элементов, группу 9 сумматоров, состоящую из n элементов, первый 10, второй 11 и третий 12 элементы ИЛИ, блок 13 сравнения, группу 14 ЭЗ, состоящую из (n-2) элементов, группу 15 коммутаторов, состоящую из (n-2) элементов, первый 16 и второй 17 ЭЗ, первый 18 и второй 19 ключи, элемент НЕ 20, группу 21 выходных регистров, состоящую из n элементов, группу 22 блоков индикации, состоящую из n элементов, выходной регистр 23, блок 24 индикации, генератор 25 тактовых импульсов и РИ 26.
Устройство для выбора оптимального варианта испытаний технических устройств работает следующим образом. На информационные входы каждого из элементов группы 1 входных регистров засылаются величины рисков поставщика i. На информационные входы каждого из элементов группы 2 входных регистров подаются величины рисков заказчика i. На информационные входы каждого из элементов группы 3 входных регистров направляются значения стоимостей испытаний Si. При этом управляющий сигнал на входы записи групп 1, 2 и 3 подается с первого выхода РИ 26, темп работы которого задается генератором 25 тактовых импульсов.
На информационный вход первого входного регистра 4 засылается величина весового коэффициента b, а на информационный вход второго входного регистра 5 направляется величина весового коэффициента с. В данной ситуации управляющий сигнал на входы записи регистров 4 и 5 подается со второго выхода РИ 26.
По сигналу с третьего выхода РИ 26 на входы считывания каждого элемента группы 1 входных регистров величины i засылаются на первые входы соответствующих элементов первой группы 6 блоков умножения. По этому же сигналу от РИ 26 на входы считывания каждого элемента группы 2 входных регистров величины i подаются на первые входы соответствующих элементов второй группы 7 блоков умножения. По сигналу с четвертого выхода РИ 26 на входы считывания первого 4 и второго 5 входных регистров значения b и с направляются на вторые входы соответственно первой 6 и второй 7 групп блоков умножения. Следовательно, с выходов этих групп величины b· i и с· i засылаются соответственно на первый и второй входы группы 9 сумматоров. С выходов каждого элемента группы 9 величина показателя качества испытаний Кi определяется по формуле (2), подается на первые входы соответствующих элементов третьей группы 8 блоков умножения. На вторые входы каждого элемента этой группы по сигналу с пятого выхода РИ 26 на входы считывания каждого элемента третьей группы 3 входных регистров будут поступать значения Si. Таким образом, на выходе каждого элемента группы 8 будет формироваться величина обобщенного критерия Wi, определяемого по формуле (1).
С выхода каждого элемента третьей группы 8 блоков умножения величина Wi подается на информационные входы соответствующих элементов группы 21 выходных регистров. При этом управляющий сигнал на входы записи этой группы направляется с шестого выхода РИ 26.
Первые два значения Wi-W1 и W2 – засылаются на первые входы соответственно первого 10 и второго 11 элементов ИЛИ. Остальные значения Wi, начиная с W3, подаются на входы соответствующих элементов группы 14 ЭЗ для осуществления их последовательного сравнения с целью поиска Wi min. С выходов элементов 10 и 11 значения W1 и W2 поступают соответственно на первый и второй входы блока 13 сравнения, а также через первый ЭЗ 16 на информационный вход первого ключа 18 и через второй ЭЗ 17 на информационных вход второго ключа 19.
Блок 13 сравнения настроен следующим образом: если величина, поступающая на его первый вход, меньше или равна величине, поступающей на второй вход, то на выходе блока 13 появится 1. В случае когда значение, поступающее на его первый вход, больше значения, поступающего на второй вход, то на выходе блока 13 будет 0. Значит, если W1 W2, то на выходе блока 13 будет 1. Поэтому первый ключ 18 откроется и значение W1 будет подаваться на второй вход первого элемента ИЛИ 10 для проведения дальнейшего сравнения, а также через третий элемент ИЛИ 12 на информационный вход выходного регистра 23. Управляющий сигнал на вход записи этого регистра подается с седьмого выхода РИ 26.
Величина W3 с выхода первого элемента группы ЭЗ 14 направляется на информационный вход первого элемента группы 15 коммутаторов. Элементы этой группы настроены следующим образом: если на управляющий вход коммутатора поступает 1, то информация подается со второго выхода коммутатора. В случае когда на его управляющий вход поступает 0, то информация направляется с первого выхода коммутатора. Следовательно, в рассматриваемом варианте величина W3 со второго выхода первого элемента группы ЭЗ 14 будет подаваться на третий вход второго элемента ИЛИ 11 для дальнейшего сравнения.
В случае когда W1>W2, на выходе блока 13 сравнения будет 0. Поэтому второй ключ 19 откроется благодаря наличию элемента НЕ 20 и значение W2 будет подаваться на второй вход второго элемента ИЛИ 11 для проведения дальнейшего сравнения, а также через третий элемент ИЛИ 12 на информационный вход выходного регистра 23. Управляющий сигнал на вход записи этого регистра подается с седьмого выхода РИ 26. В данной ситуации величина W3 будет подаваться с первого выхода первого элемента группы ЭЗ 14 на третий вход первого элемента ИЛИ 10 для дальнейшего сравнения.
Таким образом, на информационный вход выходного регистра 23 будет после каждого сравнения поступать меньшее значение из сравниваемых. В дальнейшем работа устройства будет проходить в уже указанном порядке до окончания процедуры сравнения. Это произойдет после прохождения процедуры сравнения величины Wn (последней величины обобщенного показателя Wi).
После завершения процедуры сравнения по сигналу с восьмого выхода РИ 26 на входы считывания группы 21 входных регистров и выходного регистра 23 величины Wi поступают на соответствующие элементы группы 22 блоков индикации, а значение Wi min с выхода регистра 23 на вход блока 24 индикации. Далее визуально определяется то значение Wi, которое соответствует Wi min, путем просмотра показаний группы 22 блоков индикации. Номер того элемента группы 22, который фиксирует показания Wi=Wi min, будет соответствовать номеру оптимального варианта испытаний технического устройства.
Таким образом, технический результат заявляемого изобретения достигается не за счет математического аппарата, а за счет технических средств (блоков и элементов), упомянутых в описании работы устройства. Описанное устройство позволяет осуществлять выбор оптимального варианта испытаний технических устройств с целью минимизации затрат на их проведение с учетом рисков поставщика и заказчика.
Промышленная применимость изобретения обосновывается тем, что оно может быть использовано в разных областях (отраслях) производства при выборе оптимального варианта испытаний технических устройств.
Формула изобретения
Устройство для выбора оптимального варианта испытаний технических устройств, содержащее первую, вторую и третью группы входных регистров, первый и второй входные регистры, первую, вторую и третью группы блоков умножения, группу сумматоров, первый, второй и третий элементы ИЛИ, блок сравнения, группу элементов задержки (ЭЗ), группу коммутаторов, первый и второй ЭЗ, первый и второй ключи, элемент НЕ, группу выходных регистров, группу блоков индикации, выходной регистр, блок индикации, генератор тактовых импульсов и распределитель импульсов (РИ), тактовый вход которого соединен с выходом генератора тактовых импульсов, первый выход РИ – с входами записи первой, второй и третьей групп входных регистров, второй выход – с входами записи первого и второго входных регистров, третий выход – с входами считывания первой и второй групп входных регистров, четвертый выход – с входами считывания первого и второго входных регистров, пятый выход – с входами считывания третьей группы входных регистров, шестой выход – с входами записи группы выходных регистров, седьмой выход – с входом записи выходного регистра, восьмой выход – с входами считывания группы выходных регистров и выходного регистра, информационные входы первой группы входных регистров, состоящей из n элементов, являются входом задания исходной информации, причем на информационные входы с первого по n-й входных регистров первой группы поступают значения di, характеризующие риск поставщика для i-го варианта испытаний, информационные входы второй группы входных регистров, состоящей из n элементов, являются входом задания исходной информации, причем на информационные входы с первого по n-й входных регистров второй группы поступают значения i, характеризующие риск заказчика для i-го варианта испытаний, информационные входы третьей группы входных регистров, состоящей из n элементов, являются входом задания исходной информации, причем на информационные входы с первого по n-й входных регистров третьей группы поступают значения Si, характеризующие стоимость проведения i-го варианта испытаний, информационные входы первого и второго входных регистров являются входом задания исходной информации, причем на их информационные входы поступают соответствующие значения b и с, характеризующие весовые коэффициенты при рисках соответственно поставщика и заказчика, выходы каждого элемента первой и второй групп входных регистров подключены к первым входам соответствующих элементов первой и второй групп блоков умножения, состоящих из n элементов, соответственно, вторые входы каждой из которых соединены с выходом соответственно первого и второго входных регистров, а выходы – соответственно с первыми и вторыми входами соответствующих элементов группы сумматоров, состоящей из n элементов, выход каждого из которых подключен к первым входам соответствующих элементов третьей группы блоков умножения, состоящей из n элементов, вторые входы каждого из которых соединены с выходами соответствующих элементов третьей группы входных регистров, а выходы – с информационными входами соответствующих элементов группы выходных регистров, состоящей из n элементов, выходы каждого из которых подключены к входам соответствующих элементов группы блоков индикации, состоящей из n элементов, выходы первого и второго элементов третьей группы блоков умножения соединены с первыми входами соответственно первого и второго элементов ИЛИ, а выходы с третьего по n-й элементов – с входами соответственно с первого по (n-2)-й элементов группы ЭЗ, состоящей из n-2 элементов, выходы каждого из которых подключены к информационным входам соответствующих элементов группы коммутаторов, состоящей из n-2 элементов, управляющие входы каждого из которых соединены с выходом блока сравнения, первый и второй входы которого подключены к выходам соответственно первого и второго элементов ИЛИ, вторые входы которых соединены с выходами соответственно первого и второго ключей, а с третьего по n-й входы – соответственно с первыми и вторыми выходами соответствующих элементов группы коммутаторов, выходы первого и второго элементов ИЛИ подключены также соответственно через первый и второй ЭЗ к информационным входам соответственно первого и второго ключей, выходы которых соединены соответственно с первым и вторым входами третьего элемента ИЛИ, выход которого подключен к информационному входу выходного регистра, выход которого соединен с входом блока индикации, выход блока сравнения подключен также к управляющему входу первого ключа и через элемент НЕ к управляющему входу второго ключа.
РИСУНКИ
|
|