|
|
(21), (22) Заявка: 2008116066/09, 23.04.2008
(24) Дата начала отсчета срока действия патента:
23.04.2008
(46) Опубликовано: 20.01.2010
(56) Список документов, цитированных в отчете о поиске:
RU 2181528 С2, 20.04.2002. RU 2001533 C1, 15.10.1993. EP 0887945 A2, 30.12.1998. EP 1381163 A1, 14.01.2004. US 6510313 B1, 21.01.2003.
Адрес для переписки:
197082, Санкт-Петербург, П-082, ул. Красного курсанта, 16, ВКА им. А.Ф. Можайского
|
(72) Автор(ы):
Смирнов Дмитрий Федорович (RU), Макаров Сергей Борисович (RU), Крячко Александр Федотович (RU), Крячко Михаил Александрович (RU), Минаев Дмитрий Владимирович (RU)
(73) Патентообладатель(и):
Государственное образовательное учреждение высшего профессионального образования Военно-космическая академия имени А.Ф. Можайского (RU)
|
(54) СУПЕРГЕТЕРОДИННЫЙ ПРИЕМНИК
(57) Реферат:
Изобретение относится к радиотехнике и может использоваться в радиотехнических системах различного целевого назначения. Достигаемый технический результат – расширение функциональных возможностей и повышение помехоустойчивости приемника путем обеспечения приема полезной информации, содержащейся в сигналах двух поляризаций. Супергетеродинный приемник содержит две приемные антенны, две входные цепи, два усилителя радиочастоты, два смесителя, гетеродин, два усилителя промежуточной частоты, два детектора, два ключа, два измерителя отношения сигнал/шум, электронный коммутатор, блок сравнения, сумматор, усилитель частоты модуляции, оконечное устройство и схему АРУ. 2 ил.
Изобретение относится к радиотехнике и может использоваться в радиотехнических системах различного целевого назначения.
Известны супергетеродинные приемники: авт. свид.  1718695, 1758883, 1785410, 1799226, 1799227; патенты РФ  1838882, 2001533, 2007046; Радиоприемные устройства. Под ред. А.Г.Зюко. – М.: Связь. 1975, с.8, рис.1.2.
Из известных устройств наиболее близким к предлагаемому является «Супергетеродинный приемник», см. Радиоприемные устройства. Под ред. А.Г.Зюко. – М.: Связь. 1975, с.8, рис.1.2, который и выбран в качестве прототипа.
Указанные приемники, в том числе и прототип, обладают по сравнению с приемниками прямого усиления более высокими характеристиками по чувствительности и избирательности, что, безусловно, является их важнейшими достоинствами. Однако такого типа приемник позволяет принимать полезный сигнал только определенной поляризации, что снижает его помехоустойчивость.
В ряде случаев, особенно в условиях сложной электромагнитной обстановки и сильных по интенсивности помех, целесообразно повышать помехоустойчивость приема сигналов. Известны способы и устройства повышения помехоустойчивости приема, основанные на пространственном разносе. См., например, Сартасов Н.А. и др. Коротковолновые магистральные радиоприемные устройства. Связь, 1971, С.169-179. В этом случае за счет использования нескольких антенн, разнесенных на расстояние, превышающее длину волны, и отдельных самостоятельных приемников, обеспечивают прием полезных сигналов, а затем осуществляют сложение таких сигналов или их автоматический выбор. См., например, рис.5.2 в том же источнике. Недостатком таких устройств является наличие отдельных приемных трактов, а также устройств и блоков, обеспечивающих возможность комбинирования принятых сигналов. Частным случаем пространственного разнесения является поляризационный разнос, когда полезная информация передается на одной и той же частоте, но сигналами разной поляризации. Обеспечение независимости каналов наиболее просто реализуется при взаимно ортогональной поляризации, например вертикальной и горизонтальной.
Задачей изобретения является расширение функциональных возможностей и повышение помехоустойчивости супергетеродинного приемника за счет обеспечения приема полезной информации, заключенной в сигналах двух (например, вертикальной и горизонтальной) поляризаций.
Поставленная задача решается тем, что в супергетеродинный приемник, содержащий последовательно соединенные первую антенну, первую входную цепь, первые усилитель радиочастоты, смеситель, второй вход которого соединен с выходом гетеродина, усилитель промежуточной частоты и детектор, последовательно соединенные усилитель частоты модуляции и оконечное устройство, дополнительно введены последовательно соединенные вторые антенна, входная цепь, усилитель радиочастоты, смеситель, второй вход которого соединен с выходом гетеродина, усилитель промежуточной частоты и детектор, а также два измерителя отношения сигнал/шум, два ключа, электронный коммутатор, блок сравнения, сумматор, схема АРУ, выход которой соединен с вторыми входами обоих усилителей промежуточной частоты, причем выходы первого и второго усилителей радиочастоты подсоединены соответственно к входам первого и второго измерителей отношения сигнал/шум, выходы которых соединены соответственно с первым и вторым управляющими входами электронного коммутатора и с первым и вторым входами блока сравнения, выходы первого и второго детекторов соединены соответственно с первым и вторым сигнальными входами электронного коммутатора и сигнальными входами первого и второго ключей, к управляющим входам которых подсоединен выход блока сравнения, а выход ключей подсоединен к входам сумматора, выход которого соединен с входом усилителя частоты модуляции, с выходом электронного коммутатора и с входом схемы АРУ.
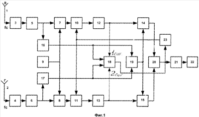
Структурная схема предлагаемого супергетеродинного приемника представлена на фиг.1. Принципиальная схема электронного коммутатора изображена на фиг.2.
Супергетеродинный приемник включает два канала, каждый из которых состоит соответственно из последовательно соединенных приемных антенн 1 и 2, входных цепей 3 и 4, усилителей радиочастоты 5 и 6, смесителей 7 и 8, вторые входы которых соединены с выходом гетеродина 9, усилителей промежуточной частоты 10 и 11, детекторов 12 и 13, и ключей 14 и 15, двух измерителей отношения сигнал/шум 16 и 17, входы которых соединены соответственно с выходами усилителей радиочастоты 5 и 6, а выходы подключены соответственно к первому и второму управляющим входам электронного коммутатора 18 и к первому и второму входам блока сравнения 19, выход которого соединен с управляющими входами ключей 14 и 15. К первому и второму сигнальным входам электронного коммутатора подключены соответственно выходы детекторов 12 и 13. Выходы ключей 14 и 15 соединены с входами сумматора 20, выход которого подключен к входу усилителя частоты модуляции 21, последовательно соединенного с оконечным устройством 22. Выход электронного коммутатора 18 подключен к выходу сумматора 20, входу схемы АРУ, выход которой соединен с вторыми входами усилителей промежуточной частоты 10 и 11.
Супергетеродинный приемник работает следующим образом. Для определенности будем считать, что приемная антенна 1 принимает сигнал вертикальной поляризации, а приемная антенна 2 – горизонтальной поляризации. Принятые сигналы с вертикальной и горизонтальной поляризацией на одной и той же несущей частоте fc проходят соответствующие входные цепи 3 и 4, усиливаются усилителями радиочастоты 5 и 6 и поступают на входы смесителей 7 и 8, на вторые входы которых подается частота fг с гетеродина 9, общего для каналов обеих поляризаций. На выходе смесителей 7 и 8 выделяется промежуточная частота fпp с сохранением закона модуляции принятого сигнала. Сигналы на промежуточной частоте усиливаются соответственно усилителями промежуточной частоты 10 и 11 и подаются на детекторы 12 и 13, на нагрузках которых выделяются сигналы, соответствующие законам модуляции. Продетектированные сигналы с выхода детектора 12 подаются на первый сигнальный вход электронного коммутатора 18 и на сигнальный вход ключа 14, аналогично с выхода детектора 13 сигнал подается на второй сигнальный вход электронного коммутатора 18 и на сигнальный вход ключа 15. Избирательные и усилительные характеристики элементов в каналах вертикальной и горизонтальной поляризаций должны быть одинаковы. С выходов усилителей радиочастоты 5 и 6 сигналы вертикальной и горизонтальной поляризаций на частоте fc поступают соответственно на входы измерителей 16 и 17. На выходе этих измерителей отношений сигнал/шум вырабатываются управляющие напряжения, пропорциональные отношениям сигнал/шум в канале вертикальной и горизонтальной поляризаций, которые подаются соответственно на первый и второй управляющие входы электронного коммутатора 18, а также на два входа блока 19 сравнения. Электронный коммутатор 18 в соответствии с управляющими напряжениями, поступающими на его первый и второй управляющие входы, обеспечивает прохождение на его выход сигналов, поступающих на сигнальные входы с выходов детекторов 12 и 13 с большим отношением сигнал/шум. В зависимости от электромагнитной обстановки это может быть сигнал или по каналу вертикальной, или по каналу горизонтальной поляризации.
Если отношения сигнал/шум на выходе измерителей 16 и 17 будут одинаковы, то электронный коммутатор 18 в этой ситуации не работает и, следовательно, сигнал на его выходе отсутствует. В этом случае управляющие напряжения с выходов измерителей 16 и 17 отношения сигнал/шум подаются на входы блока сравнения 19. При равенстве напряжений, поступающих на входы блока сравнения 19, на его выходе формируется напряжение, которое подается на управляющие входы ключей 14 и 15, открывая их. Сигналы вертикальной и горизонтальной поляризаций с выхода ключей 14 и 15 подаются на вход сумматора 20, с выхода которого суммарный сигнал подается на вход усилителя частоты модуляции 21, обеспечивая бесперебойную работу приемника. Одновременно сигнал, который подается на вход усилителя частоты модуляции, подается на схему 23 АРУ, на выходе которой вырабатывается управляющее напряжение Uупp, которое подается на вторые входы усилителей промежуточной частоты 10 и 11, обеспечивая необходимую регулировку их коэффициентов усиления.
Электронный коммутатор 18 имеет два сигнальных входа 1сиг. и 2сиг., на которые поступают соответственно сигналы с выходов детекторов 12 и 13, и два сигнальных выхода, которые объединяются на один выход и подключаются к входу усилителя частоты модуляции 21, а также два управляющих входа 1упр и 2упр, на которые подаются управляющие напряжения соответственно с выходов измерителей 16 и 17 отношения сигнал/шум. Конденсаторы 34-37 являются разделительными. Резисторы 28-31 уменьшают влияние разброса параметров диодов 24-27 при их замене. Резисторы 32 и 33 образуют делитель для получения напряжения, прикладываемого к диодам. В исходном состоянии диоды 24-27 подзаперты положительным напряжением, которое снимается с резистора 32 и прикладывается к катодам диодов. Управляющее напряжение, поступающее на управляющие входы электронного коммутатора 18, должно быть положительной полярности.
Электронный коммутатор 18 работает следующим образом. Если отношение сигнал/шум в измерителе 16 канала вертикальной поляризации больше отношения сигнал/шум в измерителе 17, то управляющее напряжение Uупp.1 на входе 1упр по величине превосходит управляющее напряжение Uупp.2 на входе 2упр. В этом случае диоды 24 и 25 открываются, а диоды 26 и 27 дополнительно подзапираются. Открытые диоды 24 и 25 пропускают сигнал вертикальной поляризации на вход усилителя 21. И, наоборот, если отношение сигнал/шум в измерителе 17 канала горизонтальной поляризации больше отношения сигнал/шум в измерителе 16, то диоды 26 и 27 открываются, а диоды 24 и 25 подзапираются. Следовательно, на вход усилителя 21 будет поступать сигнал канала горизонтальной поляризации.
Если отношения сигнал/шум в измерителях 16 и 17 каналов вертикальной и горизонтальной поляризации одинаковы, то диоды 24-27 остаются в закрытом состоянии. В этом случае блоком сравнения 19 формируется управляющее напряжение, которое открывает ключи 14 и 15, в результате чего сигналы вертикальной и горизонтальной поляризаций подаются на сумматор, а с его выхода сигнал поступает на вход усилителя частоты модуляции 21.
Таким образом, предлагаемый супергетеродинный приемник по сравнению с прототипом имеет более широкие функциональные возможности и более высокую помехоустойчивость, что особенно важно в условиях сложной электромагнитной обстановки и постановки помех. Это достигается за счет обеспечения приема полезной информации, содержащейся в независимых сигналах вертикальной и горизонтальной поляризаций. Анализ отношения сигнал/шум в двух независимых каналах и автоматический выбор наибольшего из них позволяет автоматически подключать к оконечному устройству тот канал, в котором в данный момент времени будет максимальное отношение сигнал/шум. В случае равенства отношений сигнал/шум в каналах, к оконечному устройству подается суммарный сигнал. Полагая, что сложение полезных сигналов происходит арифметически, а шумов геометрически, получается выигрыш в отношении сигнал/шум примерно в 1.41 раза. Кроме того, использование в этом супергетеродинном приемнике таких общих для каналов вертикальной и горизонтальной поляризаций элементов, как гетеродин и схема АРУ, позволяет все представленные на схеме элементы приемника конструктивно разместить в одном корпусе и облегчить условия эксплуатации по сравнению с двумя приемниками, каждый из которых предназначен для приема сигналов только одной поляризации.
Формула изобретения
Супергетеродинный приемник, содержащий последовательно соединенные антенну, входную цепь, усилитель радиочастоты, смеситель, второй вход которого соединен с выходом гетеродина, усилитель промежуточной частоты и детектор, последовательно соединенные усилитель частоты модуляции и оконечное устройство, отличающийся тем, что в него дополнительно введены последовательно соединенные вторые антенна, входная цепь, усилитель радиочастоты, смеситель, второй вход которого соединен с выходом гетеродина, усилитель промежуточной частоты и детектор, а также два измерителя отношения сигнал/шум, два ключа, электронный коммутатор, блок сравнения, сумматор, схема АРУ, выход которой соединен с вторыми входами обоих усилителей промежуточной частоты, причем выходы первого и второго усилителей радиочастоты подсоединены соответственно к входам первого и второго измерителей отношения сигнал/шум, выходы которых соединены соответственно с первым и вторым управляющими входами электронного коммутатора и с первым и вторым входами блока сравнения, выходы первого и второго детекторов соединены соответственно с первым и вторым сигнальными входами электронного коммутатора и сигнальными входами первого и второго ключей, к управляющим входам которых подсоединен выход блока сравнения, а выход ключей подсоединен к входам сумматора, выход которого соединен с входом усилителя частоты модуляции, с выходом электронного коммутатора и с входом схемы АРУ.
РИСУНКИ
|
|