|
|
(21), (22) Заявка: 2008107783/09, 28.02.2008
(24) Дата начала отсчета срока действия патента:
28.02.2008
(43) Дата публикации заявки: 10.09.2009
(46) Опубликовано: 20.01.2010
(56) Список документов, цитированных в отчете о поиске:
RU 2005124408 А, 10.02.2007. RU 2005117242 А, 20.11.2006. US 3582782, 01.06.1971. US 5125100 А, 23.06.1992. WO 01/86810 A1, 15.11.2001. АЛЕКСЕНКО А.Г., ШАГУРИН И.И. Микросхемотехника. – М.: Радио и связь, 1982, с.386-389.
Адрес для переписки:
355029, г.Ставрополь, пр-кт Кулакова, 2, СевКавГТУ
|
(72) Автор(ы):
Мамаев Виктор Александрович (RU)
(73) Патентообладатель(и):
Государственное образовательное учреждение высшего профессионального образования “Северо-Кавказский государственный технический университет” (RU)
|
(54) СПОСОБ ИДЕНТИФИКАЦИИ АПЕРИОДИЧЕСКОЙ ИЛИ ПОСТОЯННОЙ СОСТАВЛЯЮЩЕЙ В ЭЛЕКТРИЧЕСКОМ СИГНАЛЕ
(57) Реферат:
Изобретение относится к области электротехники и может использоваться для обработки электрического сигнала в устройствах различного назначения. Достигаемый технический результат – повышение точности идентификации наличия в электрическом сигнале апериодической составляющей при быстропротекающем процессе или постоянной составляющей. Способ идентификации апериодической или постоянной составляющей в первом электрическом сигнале, содержащем составляющую, равную сумме гармоник с частотами, связанными с частотой первой по номеру гармоники и входящей в сумму гармоник первого электрического сигнала, состоит в получении второго электрического сигнала, содержащего в своей структуре компоненты первого электрического сигнала и дополнительный гармонический электрический сигнал с частотой, намного большей входящей в состав суммы гармоник первой по номеру гармоники, возведении второго электрического сигнала во вторую степень, выделении из возведенного во вторую положительную степень второго электрического сигнала гармоники с частотой дополнительного сигнала, идентифицирующей в первом электрическом сигнале апериодическую или постоянную составляющую, при этом второй электрический сигнал получают суммированием первого электрического сигнала, из которого исключена первая по номеру гармоника, и дополнительного гармонического сигнала или исключением из суммарного электрического сигнала первой по номеру гармоники, входящей в состав первого электрического сигнала. 2 ил.
Изобретение относится к области электротехники, например к способам обработки переменного электрического сигнала, например напряжения и тока промышленной частоты fпр системы электроснабжения, и в общем случае содержащего две составляющие, одна из которых является или апериодической составляющей быстро протекающего переходного процесса, обусловленного коммутацией в электрической цепи переменного тока, или постоянной составляющей, обусловленной соответствующим преобразованием переменного электрического сигнала, например его выпрямлением, при этом конечной задачей обработки электрического сигнала является получение, например, в форме электрического сигнала информации, однозначно идентифицирующего в обрабатываемом, электрическом сигнале как наличие, так и закономерность изменения либо апериодической составляющей, либо или постоянной составляющей.
В качестве ближайшего прототипа можно указать заявку 2005124408/09 (027463) «Способ Мамаева В.А. обработки электрического сигнала с апериодической или постоянной составляющей», опубл. 10.02.07 г., согласно которой в процессе обработки некоторый электрический сигнал x(t) из сформированного по определенным правилам электрического сигнала z(t) выделяют гармонику zвыд(t) с частотой fдоп дополнительного гармонического сигнала xдоп(t), при этом у синусоидального электрического сигнала zвыд(t) огибающая амплитуд hогиб(t) идентифицирует либо апериодическую составляющую xапер{t) переходного процесса в элементе электрической цепи переменного тока, либо огибающая амплитуд hогиб(t) идентифицирует величину постоянной составляющей Хпост в электрическом сигнале, получаемом в результате преобразования, например выпрямлении электрического сигнала переменного тока, при этом электрический сигнал z(t) получают возведением во вторую положительную степень электрического сигнала y(t), который состоит из суммы двух электрических сигналов, а именно обрабатываемого согласно патенту электрического сигнала x(t) и второго дополнительного гармонического электрического сигнала xдоп(t), причем обрабатываемый согласно способу по заявке 2005124408 электрический сигнал x{t) или является электрическим сигналом переходного процесса в элементе электрической цепи переменного тока, например линии электропередачи или в трансформаторе и, в общем случае, содержит апериодическую составляющую xапер(t) и составляющую xгарм(t), определяемую суммой гармоник, или является получаемым в результате преобразования, например выпрямления электрического сигнала x(t), состоящего из постоянной составляющей
Хпост и составляющей xгарм(t), определяемой суммой гармоник, а частота fдоп дополнительного сигнала xдоп{t) намного больше частоты fпер.гарм первой гармоники с наименьшим порядковым номером и входящей в состав суммы гармоник xгарм(t) первого электрического сигнала x(t), причем, например, частоты гармоник связаны с промышленной частотой fпр системы электроснабжения.
Недостатком способа по прототипу является то, что однозначную идентификацию в электрическом сигнале x(t) (первый электрический сигнал) апериодической составляющей xапер(t) переходного процесса или постоянной составляющей Хпост через выделение гармоники zвыд(t) с частотой fдоп можно получить полосопропускающим фильтром с только узкой полосой пропускания f, сводящей к допустимому минимуму влияние электрических сигналов с боковыми частотами f1бок и f2бок, определяемыми как f1бок=fдоп-fпер.гарм и f2бок=fдоп+fпер.гарм [Гоноровский И.С. Радиотехнические цепи и сигналы, Москва, «Советское радио». 1977 г. С.289], т.е. близость боковых частот f1бок и f2бок к частоте fдоп предъявляет повышенные требования к полосопропускающему фильтру. Это ограничивает выбор максимального значения частоты fдоп дополнительного электрического сигнала xдоп(t), однако чем выше частота fдоп, тем точнее идентифицируется апериодическая составляющая xапер(t) при быстропротекающем переходном процессе или постоянная составляющая Хпост, входящие в структуру соответствующего первого электрического сигнала x(t).
В предлагаемом изобретении исключают влияние на точность идентификации, например, через огибающую амплитуд hогиб(t) выделенной гармоники zвыд(t) с частотой fдоп либо апериодической составляющей xапер(t) переходного процесса в элементах системы электроснабжения промышленной частоты, либо постоянной составляющей Хпост в преобразованном электрическом сигнале за счет исключения влияния входящей в состав суммы гармоник xгарм{t) первого электрического сигнала x(t) гармоники с частотой fпep.гарм и связанных с ней появляющихся в процессе обработки электрического сигнала по прототипу гармоник с боковыми частотами f1бок=fдоп-fпер.гарм и f2бок=fдоп+fпер.гарм, что в конечном итоге, при синтезе устройства с использованием предлагаемого изобретения, повышает точность идентификации в первом электрическом сигнале x(t) либо апериодической составляющей через выделяемый электрический сигнал xапер(t), либо точность идентификации постоянной составляющей Хпост и этим повышают технический уровень устройства идентификации апериодической или постоянной составляющей в обрабатываемом электрическом сигнале x(t).
Указанный технический результат достигается тем, что в возводимом во вторую положительную степень электрическом сигнале y(t) отсутствует гармоника с частотой fпер.гар, но которая входит в состав спектра гармоник хгарм(t) обрабатываемого электрического сигнала x(t), причем отсутствие гармоники с частотой fпер.гар обеспечивается путем применения к соответствующему электрическому сигналу заграждающей (полосоисключающей) для частоты fпер.гар электрической фильтрации.
Согласно предлагаемому изобретению возводимый во вторую положительную степень электрический сигнала y(t) получают путем использования одного из двух алгоритмов, а именно либо когда из структуры первого электрического сигнала x(t) исключают гармонику с наименьшим порядковым номером fпер.гарм, либо по второму алгоритму эту гармонику предварительно исключают из структуры суммарного сигнала y(t).
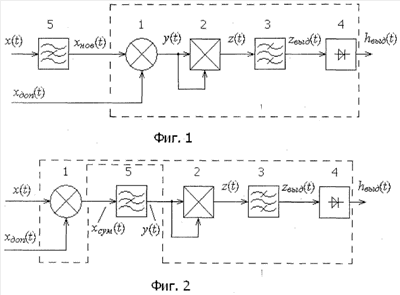
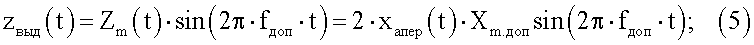
Первый алгоритм реализации способа иллюстрируется фиг.1, а второй – фиг.2. На фигурах приняты следующие обозначения: 1 – сумматор; 2 – перемножитель двух электрических сигналов (квадратор); 3 – полоснопропускающий фильтр, настроенный на пропускание гармоники с частотой fдоп; 4 – диодный детектор; 5 – заграждающий фильтр, блокирующий попадание на его выход гармоники с частотой fпер.гарм. Согласно предлагаемому изобретению заграждающий фильтр 5 исключает появление в электрическом сигнале zвыд(t) гармоник, функционально связанных гармониками с боковыми частотами f1бок и f2бок, влияние которых из-за конечного значения полосы пропускания f полосопропускающего фильтра 3 проявляется при обработке электрического сигнала по ближайшему прототипу. На фиг.1 и 2 выделенные пунктиром элементы 1, 2, 3, 4 используются при реализации способа по прототипу. Заграждающий фильтр 5 решает поставленную в предлагаемом изобретении задачу по исключению влияния гармоник с боковыми частотами f1бок и f2бок.
Согласно первому алгоритму обработки электрического сигнала (фиг.1) из первого электрического сигнала x(t) либо со структурой:

в общем случае отражающей структуру электрического сигнала переходного процесса и состоящий из двух составляющих, одна из которых является апериодической составляющей xапер(t), а вторая составляющая является принужденной составляющей xпр(t) и определяется суммой гармоник xгарм(t); либо со структурой

в общем случае отражающей структуру полученного в результате, например выпрямления, переменного электрического сигнала и состоящего из постоянной составляющей Хпост и суммы гармоник xгарм(t), исключают, например, с помощью заграждающего фильтра 5, входящую в структуру суммы гармоник хгарм(t) гармонику с частотой fпер.гарм, причем эта частота является наименьшей для гармоник, входящих в суммы гармоник xгарм(t), и в результате получают новый электрический сигнал xнов(t) либо со структурой

либо со структурой

т.е. в структуре сигнала xнов(t) будет отсутствовать гармоника с частотой fпер.гарм. вследствие ее отсутствия в спектре гармоник хнов.гарм(t).
Последующее получение суммарного сигнала y(t) (фиг.1), например, суммированием с помощью сумматора 1 сигнала xнов(t) и дополнительного гармонического сигнала xдоп(t)=Хm.доп·sin(2· ·fдоп·t) с частотой fдоп, возведение сигнала y(t) с помощью перемножителя 2 двух сигналов во вторую положительную степень и получение на его выходе электрического сигнала z(t), являющегося квадратом суммарного сигнала y(t), т.е. z(t)=y2(t), выделение с помощью полоснопропускающего фильтра 3 из электрического сигнала z(t) гармоники zвыд(t) с частотой fдоп, обеспечивает получение:
– либо затухающего синусоидального электрического сигнала zвыд(t), изменяющаяся во времени амплитуда Zm(t)=2·xапер(t)·Хm.доп которого однозначно связанного с апериодической составляющей xапер(t) электрического сигнала (1) переходного процесса:

– либо получение гармонического сигнала zвыд(t), у которого амплитуда Zm=2·Xпост·Хдоп однозначно связана с величиной постоянной составляющей Хпост электрического сигнала (2):

при этом заграждающий фильтр 5 исключает влияние гармоник с боковыми частотами f1бок и f2бок на изменение мгновенного значения выделенного полоснопропуcкающим фильтром 3 сигнала zвыд(t).
Согласно второму алгоритму обработки электрического сигнала (фиг.2) после суммирования первого электрического сигнала x(t), либо со структурой (1) или (2) с дополнительным гармоническим сигналом xдоп(t)=Хm.доп·sin(2· ·fдоп·t) с частотой fдоп, из полученного суммарного сигнала xсум(t) с помощью заграждающего фильтра 5 исключают гармонику с частотой fпер.гарм с наименьшим порядковым номером, которая входит в структуру xгарм(t), и в результате получают электрический сигнал y(t) со структурой, аналогичной структуре этого сигнала по первому варианту (фиг.1), и после его возведения перемножителем 2 во вторую положительную степень и получения на его выходе сигнала z(t)=y2(t), с помощью полоснопропускающего фильтра 3 выделяют электрический сигнал zвыд(t), который обладает теми же особенностями, что и выделенный сигнал zвыд(t), полученный по первому алгоритму (фиг.1), т.е. со структурой или (5) или (6).
При необходимости полоса запрета заграждающего фильтра 5 может быть расширена на ближайшие к частоте fпер.гарм частоты гармоник, входящих в спектр гармоник xгарм(t).
Электрический сигнал, связанный с огибающей hогиб(t) амплитуд сигнала zвыд(t), формируют, например, диодным детектором 4.
Способ может быть реализован с использованием известных из аналоговой техники схемотехнических решений, связанных с обработкой аналогового электрического сигнала, например, таких как схем сложения и умножения двух электрических величин, заграждающего и полоснопропускающего фильтров, диодного детектора.
Формула изобретения
Способ идентификации апериодической или постоянной составляющей в электрическом сигнале – первом электрическом сигнале, содержащем составляющую, равную сумме гармоник с частотами, связанными с частотой первой по номеру гармоники и входящей в сумму гармоник первого электрического сигнала, который состоит в получении второго электрического сигнала, содержащего в своей структуре компоненты первого электрического сигнала и дополнительный гармонический электрический сигнал с частотой, намного большей входящей в состав суммы гармоник первой по номеру гармоники, возведении второго электрического сигнала во вторую положительную степень, выделении из возведенного во вторую положительную степень второго электрического сигнала гармоники с частотой дополнительного сигнала и идентифицирующей в первом электрическом сигнале апериодическую или постоянную составляющую, отличающийся тем, что или второй электрический сигнал получен суммированием электрического сигнала, определяемого компонентами первого электрического сигнала, но из суммы гармоник которого исключена первая по номеру гармоника, и дополнительного гармонического сигнала, или второй электрический сигнала получен в результате исключения из суммарного электрического сигнала, состоящего из первого электрического сигнала и дополнительного электрического сигнала, первой по номеру гармоники, входящей в состав первого электрического сигнала.
РИСУНКИ
|
|