|
(21), (22) Заявка: 2008142469/09, 28.10.2008
(24) Дата начала отсчета срока действия патента:
28.10.2008
(46) Опубликовано: 20.01.2010
(56) Список документов, цитированных в отчете о поиске:
RU 2030830 С1, 10.03.1995. RU 2097906 С1, 27.11.1997. ЕР 0556819 A3, 25.08.1993. US 6522210 B1, 18.02.2003.
Адрес для переписки:
410012, г.Саратов, ул. Московская, 155, СГУ, ПЛО, Н.В. Романовой
|
(72) Автор(ы):
Анищенко Вадим Семенович (RU), Хохлов Артур Вениаминович (RU)
(73) Патентообладатель(и):
Государственное образовательное учреждение высшего профессионального образования “Саратовский государственный университет им. Н.Г. Чернышевского” (RU)
|
(54) ГЕНЕРАТОР ХАОТИЧЕСКИХ КОЛЕБАНИЙ С ИНЕРЦИОННОЙ НЕЛИНЕЙНОСТЬЮ
(57) Реферат:
Предлагаемое изобретение относится к радиоэлектронике и может быть использовано в качестве источника хаотических электромагнитных колебаний. Достигаемый технический результат – повышение точности генерирования хаотических автоколебаний с заданной структурой, упрощение конструкции и обеспечения энергопотребления генератора. Генератор хаотических колебаний с инерционной нелинейностью содержит операционный усилитель, цепь отрицательной обратной связи которого содержит переменный резистор и первый полевой транзистор, вход которого соединен с выходом операционного усилителя с помощью RC-цепи Вина и с входом второго операционного усилителя, выход которого соединен с входом нелинейного инерционного преобразователя, а выход нелинейного инерционного преобразователя соединен с входом полевого транзистора. 2 з.п. ф-лы, 1 ил.
Предлагаемое изобретение относится к радиоэлектронике и может быть использовано в качестве источника хаотических электромагнитных колебаний.
Известен генератор хаотических колебаний, содержащий устройство с отрицательным сопротивлением, первый вывод которого соединен с первыми входами конденсатора и резистора, второй вход устройства с отрицательным сопротивлением соединен с первым выводом первой катушки индуктивности, второй вывод которой соединен со вторым входом резистора (Т.Мацумото, Хаос в электронных схемах. ТИИЭР, 1987. Т.75. Т.8, с.67-68).
Недостатком этого генератора хаотических колебаний является то, что в нем используется нелинейный резистор с отрицательным сопротивлением, совмещающий разнородные функции резистивного элемента с заданным нелинейным номиналом сопротивления и нелинейного преобразователя сигналов с заданной нелинейностью, что ограничивает возможность изменения параметров нелинейности, сужая тем самым пределы регулирования характеристик генерируемых колебаний.
Известен генератор хаотических колебаний, содержащий устройство с отрицательным сопротивлением, первый вывод которого соединен с первым выводом первой катушки индуктивности, второй вывод которой соединен с первыми выводами нелинейного элемента и второй катушки индуктивности, второй вывод которой соединен с первым выводом конденсатора, второй вывод которого соединен со вторыми выводами нелинейного элемента и устройства с отрицательным сопротивлением (см. патент РФ 2207710, МПК Н03В 29/00).
Однако и этот генератор хаотических колебаний не допускает изменения параметров нелинейности и тем самым не позволяет изменять характеристики генерируемых хаотических сигналов.
Наиболее близким по технической сущности к заявляемому устройству является генератор хаотических колебаний, содержащий неинвертирующий усилитель с регулируемым с помощью резистора Ry коэффициентом усиления, в котором входной каскад, собранный на пентоде, имеет два входа, первый из которых является сигнальным, а второй – управляющим, и позволяет изменять коэффициент усиления усилителя пропорционально амплитуде поступающего на этот вход переменного напряжения. Выход усилителя подключен к входу RC-цепи Вина, состоящей из последовательного соединения конденсатора С, резистора R и параллельного соединения еще одного конденсатора С и еще одного резистора R, а выход RC-цепи Вина соединен с первым входом усилителя. С выхода усилителя сигнал дополнительно подается на вход инерционной нелинейной цепи, состоящей из последовательного соединения нелинейного элемента с квадратичной характеристикой и фильтра нижних частот, состоящего из параллельного соединения резистора Rф и конденсатора Сф, выход которой соединен со вторым входом усилителя. Изменение величин резистора
Rу и конденсатора Сф позволяет независимо друг от друга регулировать два параметра генерируемых хаотических колебаний (В.В.Астахов, Механизмы перехода к стохастичности в генераторе с инерционной нелинейностью: Канд. дис. Саратов, 1983).
Недостатком генераторов хаотических колебаний с инерционной нелинейностью, в том числе и рассматриваемого генератора хаотических колебаний, является то, что он собран на электронных лампах. При этом из-за приближенной реализации линейности динамической характеристики усилителя и квадратичного закона в инерционном преобразователе точность генерирования хаотических колебаний недостаточна. Кроме этого генератор имеет крупные габариты и высокое энергопотребление, так как содержит 4 источника постоянного напряжения, в том числе один высоковольтный, и источник переменного напряжения для питания цепей накала электронных ламп.
Перевод генератора хаотических колебаний с инерционной нелинейностью на современные полупроводниковые элементы затруднен отсутствием полупроводниковых приборов, аналогичных многосеточным электронным лампам.
Задачей настоящего изобретения является создание генератора хаотических колебаний с инерционной нелинейностью с использованием современных полупроводниковых приборов.
Технический результат заключается в повышении точности генерирования хаотических автоколебаний с заданной структурой, упрощении конструкции и энергопотребления генератора. При этом генератор хаотических колебаний становится компактным и использует единственный стандартный источник с напряжениями +15 и -15 В.
Поставленная задача достигается тем, что генератор хаотических колебаний с инерционной нелинейностью, содержит операционный усилитель, цепь отрицательной обратной связи которого содержит переменный резистор и первый полевой транзистор, вход которого соединен с выходом операционного усилителя с помощью RC-цепи Вина и с входом второго операционного усилителя, выход которого соединен с входом нелинейного преобразователя, а выход нелинейного преобразователя соединен с входом полевого транзистора.
Нелинейный инерционный преобразователь выполнен в виде второго полевого транзистора с фильтром нижних частот в качестве нагрузки.
Для питания генератора выбран единственный стандартный источник напряжения.
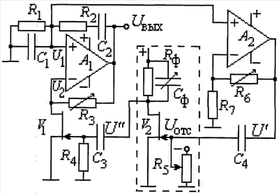
Изобретение поясняется чертежом, на котором изображена принципиальная схема предлагаемого генератора хаотических колебаний, где
A1 – первый операционный усилитель;
А2 – второй операционный усилитель;
V1 – первый полевой транзистор;
V2 – второй полевой транзистор;
RС-цепь Вина, содержащая резистор R1 и R2 и конденсаторы C1 и С2;
R3, R5, R6 – переменные резисторы;
С3 и С4 – переходные емкости;
R4, R7 – постоянные резисторы;
Rф – резистор;
Сф – конденсатор;
Uотс – напряжение отсечки тока транзистора;
U1 – входное напряжение первого операционного усилителя;
Uвых – выходное напряжение первого операционного усилителя и генератора хаотических колебаний в целом;
U’ – выходное напряжение второго операционного усилителя;
U” – выходное напряжение нелинейного инерционного преобразователя.
Генератор хаотических колебаний с инерционной нелинейностью содержит первый операционный усилитель А1, цепь отрицательной обратной связи которого содержит переменный резистор R3 и первый полевой транзистор V1, вход которого соединен с выходом первого операционного усилителя А1 с помощью RC-цепи Вина и с входом второго операционного усилителя А2, выход которого соединен с входом инерционной цепи, содержащей второй полевой транзистор V2 и фильтр нижних частот, содержащий резистор Rф и конденсатор Сф, а выход инерционной цепи соединен с входом первого полевого транзистора V1.
Генератор хаотических колебаний с инерционной нелинейностью функционирует следующим образом. При подключении RC-цепи Вина ко входу и выходу первого операционного усилителя А1 и установке коэффициента усиления, равного 3, в первом операционном усилителе возникают гармонические колебания. Напряжение U1, усиленное вторым операционным усилителем А2, поступает на вход второго полевого транзистора V2, у которого с помощью переменного резистора R5 напряжение смещения затвора устанавливается равным напряжению отсечки Uотс тока транзистора. При этом ток второго полевого транзистора V2 отличен от нуля только при положительных значениях напряжения U’ и строго пропорционален U’2, т.е. ICm2=
S0U’2 (U’)/2, где S0 – удельная крутизна полевого транзистора, . Проходя через RфСф – звено, ток ICm2 создает на нем напряжение U“, причем ток ICm2 равен сумме токов, протекающих через Rф и Сф. Поэтому
или 
Принимая во внимание, что U’ пропорционально U1, и вводя безразмерные переменные z и = 0t, получим дифференциальное уравнение инерционного преобразователя

где , ,
ф=Rф·Сф – постоянная времени фильтра. При S0Rф/2U1max=1 имеем g’=g и уравнение становится каноническим.
Напряжение U” с выхода инерционного преобразователя поступает на затвор первого полевого транзистора V1, сопротивление которого между истоком и стоком при отрицательном (запирающем) напряжении на затворе удовлетворяет формуле
,
где Rmin – минимальное сопротивление канала при UЗИ=0 (Rmin=200÷1000 Ом), UЗИ – модуль отрицательного напряжения затвора относительно истока, Uотc – напряжение отсечки тока транзистора. Если на затворе V1 задано напряжение UЗИ=Uотс/2+U” и U”<отс, то сопротивление RV1 транзистора V1 имеет вид
,
а коэффициент усиления К усилителя А1

изменяется пропорционально управляющему сигналу U”. Необходимая величина U” устанавливается вторым операционным усилителем А2 с помощью переменного резистора R6 и при определенных значениях переменных резисторов R3, R6 и конденсатора Сф в генераторе устанавливаются хаотические колебания, параметры которых можно регулировать, изменяя независимо друг от друга R3, R6 и Сф. Таким образом, в предлагаемом устройстве создаются условия для более точной реализации линейности динамической характеристики усилителя и квадратичного закона в инерционном преобразователе, а изменение величин резисторов R3, R6 и конденсатора Сф позволяет независимо друг от друга регулировать параметры генерируемых хаотических колебаний.
Пример конкретного исполнения генератора хаотических колебаний с инерционной нелинейностью. В генераторе использовалась микросхема сдвоенного операционного усилителя К140УД20А и два полевых транзистора типа 2П302Б. Резисторы R1 и R2 имели величину 1 кОм, конденсаторы С1 и С2 – емкость 10 нФ. Переменные резисторы R3 R5 и R6 типа СП5-14, R3=R6=100 кОм, R5=10 кОм. Резистор Rф=1 кОм, конденсатор Сф представляет магазин емкостей 5 до 50 нФ.
Формула изобретения
1. Генератор хаотических колебаний с инерционной нелинейностью, характеризующийся тем, что он содержит операционный усилитель, цепь отрицательной обратной связи которого содержит переменный резистор и первый полевой транзистор, вход которого соединен с выходом операционного усилителя с помощью RC-цепи Вина и с входом второго операционного усилителя, выход которого соединен с входом нелинейного инерционного преобразователя, а выход нелинейного инерционного преобразователя соединен с входом полевого транзистора.
2. Генератор по п.1, характеризующийся тем, что нелинейный инерционный преобразователь выполнен в виде второго полевого транзистора с фильтром нижних частот в качестве нагрузки.
3. Генератор по п.1, характеризующийся тем, что для питания генератора выбран единственный стандартный источник напряжения.
РИСУНКИ
|