|
|
(21), (22) Заявка: 2008129059/09, 15.07.2008
(24) Дата начала отсчета срока действия патента:
15.07.2008
(46) Опубликовано: 20.01.2010
(56) Список документов, цитированных в отчете о поиске:
SU 860238 A1, 02.08.1979. RU 2239271 C1, 27.10.2004. SU 1778897 A1, 30.11.1992. US 5430639 A, 04.07.1995.
Адрес для переписки:
357703, Ставропольский край, г. Кисловодск, ул. Велинградская, 1, кв.22, А.Г. Аслан-заде
|
(72) Автор(ы):
Аслан-заде Ариф Гасан оглы (RU)
(73) Патентообладатель(и):
Аслан-заде Ариф Гасан оглы (RU)
|
(54) УСТРОЙСТВО ДЛЯ МЕЖФАЗНОГО РАСПРЕДЕЛЕНИЯ ТОКА
(57) Реферат:
Использование: в области электротехники для межфазного распределения тока в магнитно-неуравновешенных трехфазных устройствах. Технический результат заключается в возможности использования трех однофазных трансформаторов с магнитопроводами различной конфигурации вместо одного трехфазного и отсутствии необходимости дополнительной обмотки, соединенной в треугольник, при том же качестве нейтрализации вредного воздействия на сеть высших гармоник тока в нулевом проводе и снижении расчетной мощности обмоток такой трансформаторной группы. Устройство для межфазного распределения тока содержит нулевой входной вывод, трансформатор с тремя фазными обмотками, подключеными каждая одним выводом к соответствующему фазному входному выводу, при этом трансформатор выполнен на трех магнитопроводах с последовательно соединенными фазными обмотками, каждая из которых содержит промежуточный вывод, делящий ее число витков на равные части и подключенный к нулевому входному выводу. 1 ил.
Изобретение относится к электротехнике и может быть использовано для межфазного распределения тока в магнитно-неуравновешенных трехфазных устройствах, например, для нейтрализации вредного воздействия на питающую сеть тока нулевой последовательности в преобразователях трехфазного переменного напряжения в постоянное или/и переменное.
Широко известны преобразователи трехфазного переменного напряжения в постоянное (см. А.А.Булгаков. Новая теория управляемых выпрямителей. М., 1970, стр.50, 51, рис.33, рис.36), выполненные на магнитно-неуравновешенном (в случае соединения первичной обмотки в звезду с изолированной нейтралью) трехфазном трансформаторе с лучевой схемой соединения его вторичных обмоток и вентилей. Также известны преобразователи трехфазного переменного напряжения в постоянное (см. А.А.Абдулаев, А.Г.Аслан-заде. Анализ многопульсного выпрямления – «Электричество», 1977, 8), выполненные на магнитно-неуравновешенном (в случае соединения первичной обмотки в звезду с изолированной нейтралью) трехфазном трансформаторе с соединением отводов вторичных обмоток через вентили на зигзаг по однополупериодной (рис.2), двухполупериодной (рис.3-II) схеме или последовательном подключении их по мостовой схеме (рис.3-I), обеспечивающие в упомянутом двухполупериодном случае, в частности, преобразование переменного напряжения в постоянное.
Особенностью этих преобразователей является магнитно-неуравновешенный режим работы трехфазного трансформатора при соединении первичной обмотки в звезду без выведенного нуля и отсутствии на нем короткозамкнутой дополнительной обмотки, соединенной в треугольник. Первичная обмотка такого трансформатора, при отсутствии упомянутой дополнительной обмотки, может быть соединена только в треугольник или в звезду с выведенным нулем. Соединение первичной обмотки трансформатора в звезду без выведенного нуля приводит к возникновению в его магнитопроводе пульсирующего с тройной частотой магнитного потока, нарушающего работу преобразователя (см. И.Л.Каганов. Электронные и ионные преобразователи. М.-Л., ч.3, 1956, стр.99). Соединение первичной обмотки трансформатора в треугольник, в связи, например, с повышенными требованиями к ее изоляции, не всегда приемлемо. Соединение первичной обмотки трансформатора в звезду с выведенным нулем приводит к загрязнению питающей сети током нулевой последовательности, содержащим высшие гармоники, частота которых кратна трем.
Острота проблемы возрастает в преобразователях, управляемых с первичной стороны трансформатора, в которых наличие нулевого провода является необходимым условием их работоспособности.
Известен, например, преобразователь трехфазного переменного напряжения в постоянное, содержащий трехфазный трансформатор, первичные обмотки которого совместно с последовательно соединенными с ними парами встречно-параллельно включенных управляемых вентилей образуют звезду, связанную с фазными входными выводами, а вторичные обмотки соединены в звезду и подключены к выпрямительному мосту, при этом дополнительно введен комплект вторичных обмоток, выпрямительный мост и управляемые вентили, причем первичные обмотки через дополнительные встречно-параллельно включенные вентили соединены с нулевым входным выводом, а дополнительный комплект вторичных обмоток и дополнительный выпрямительный мост вместе с основными вторичными обмотками и основным выпрямительным мостом соединены по схеме двенадцатипульсного выпрямителя (авт. св. 752681, кл. Н02М 7/06, от 04.02.76 г.)
Недостатком этого преобразователя является то, что протекающий по нулевому проводу ток загрязняет питающую сеть высшими гармониками, частота которых кратна трем.
Совокупность причин, препятствующих получению требуемого технического результата, заключается в том, что обрыв цепи этого тока делает преобразователь неработоспособным.
По дополнительному авт. св. 860238, кл. Н02М 7.12 от 02.08.79 г. к основному авт. св. 752681, кл. Н02М 7/06, от 04.02.76 г. известно единственное близкое к предлагаемому техническому решению устройство для межфазного распределения тока, содержащее дополнительно введенный трехфазный трансформатор, первичные обмотки которого соединены в звезду, общая точка которой соединена с нулевым входным выводом, а группа дополнительных обмоток соединена в треугольник.
Недостатком этого устройства является сложность, заключающаяся в том, что для достижения полной нейтрализации вредного воздействия на сеть тока нулевой последовательности при близких к нулю углах отпирания тиристоров необходимо наличие на трансформаторе дополнительной обмотки, соединенной в треугольник. Кроме того, невозможность использования в рамках известной схемы раздельных магнитопроводов ограничивает эксплуатационные возможности устройства.
Совокупность причин, препятствующих получению требуемого технического результата, заключается в том, что устройство выполнено на одном общем магнитопроводе дополнительно введенного трехфазного трансформатора.
Задача, на решение которой направлено предлагаемое техническое решение, заключается в упрощении и расширении эксплуатационных возможностей.
Эта задача решается тем, что в предлагаемом устройстве для межфазного распределения тока, содержащем трансформатор, фазные обмотки которого соединены в трехфазную группу и подключены каждая одним выводом к нулевому входному выводу, а другим – к соответствующему фазному входному выводу, трансформатор выполнен на трех магнитопроводах с последовательно соединенными фазными обмотками и промежуточным выводом в каждой, подключенными промежуточными выводами к нулевому входному выводу, при этом промежуточный вывод делит число витков каждой фазной обмотки на равные части.
Технический результат, достигаемый в предлагаемом, заключается в возможности использования трех однофазных трансформаторов с магнитопроводами различной конфигурации, в том числе витыми ленточными кольцевидной формы, вместо одного трехфазного и отсутствии необходимости дополнительной обмотки, соединенной в треугольник, при том же качестве нейтрализации вредного воздействия на сеть высших гармоник тока в нулевом проводе. Кроме того, расчетная мощность обмоток такой трансформаторной группы оказывается на 15% меньше, чем в прототипе.
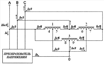
На чертеже приведена принципиальная схема устройства для межфазного распределения тока нулевой последовательности преобразователя трехфазного переменного напряжения, трансформатор которого магнитно уравновешен соединением его первичной обмотки в звезду с выведенным нулем, где стрелками показаны направления протекания долей тока нулевой последовательности I0 в его положительный полупериод тройной частоты.
Устройство содержит три однофазных трансформатора 1, 2 и 3 с обмотками соответственно 4, 5, 6, 7 и 8, 9. Указанные обмотки соединены последовательно, а их числа витков равны. Конец (начало) обмотки 4 (8) трансформатора 1 (3) подключен к входному выводу фазы А. Конец (начало) обмотки 6 (5) трансформатора 2 (1) подключен к входному выводу фазы В. Конец (начало) обмотки 9 (7) трансформатора 3 (2) подключен к входному выводу фазы С. Общие точки разноименных выводов пар обмоток 4, 5; 6, 7 и 8, 9, составляющих каждая пара соответствующую фазную обмотку, соединены с нулевым входным выводом 0, с которым соединен провод для протекания тока нулевой последовательности вышеуказанного трансформаторного преобразователя трехфазного переменного напряжения.
Соединение между собой первичных фазных обмоток разных трансформаторов началами или концами, в связи с отсутствием вторичных фазных обмоток, принципиального значения не имеет. Сумма чисел витков фазных обмоток каждого трансформатора является номинальным расчетным числом витков для подключения этих обмоток к напряжению сети Uл.
Допустим, что к входным выводам А, В, С и 0 подключена первичная обмотка трансформатора трехфазного преобразователя напряжения, соединенная в звезду с выведенным нулем, при этом преобразователь работает таким образом, что по нулевому проводу протекает переменный ток тройной частоты, причем в положительный полупериод этого тока он протекает в направлении от входного вывода 0 к входным выводам А, В, С, а в отрицательный полупериод – в обратном направлении.
В положительный полупериод этого тока он разветвляется на три равные части, каждая из которых протекает к промежуточному выводу фазной обмотки соответствующего из трансформаторов 1, 2 и 3. Далее, каждая из трех составляющих тока разветвляется еще на две равные части и по фазным обмоткам трансформаторов 1, 2 и 3 протекает 1/6 часть общего тока. Разветвление тока на части, пропорциональные равным числам витков участков фазной обмотки каждого трансформатора, имеющих общий промежуточный вывод, связано с наличием автотрансформаторной связи между этими участками, обеспечивающей необходимый баланс ампер-витков. С другой стороны, трансформаторы 1, 2 и 3 не несут самостоятельной нагрузки и относительно тока нулевой последовательности функционируют как делители тока, самодостаточно обеспечивающие идеальное распределение токов. Таким образом, доля тока в рассматриваемый полупериод тройной частоты в каждой узловой точке соединения фазных обмоток разных трансформаторов составляет одну треть от общего тока, т.е. общий ток, протекающий через входной вывод 0, делится на три равные части, протекающие каждая через один из фазных входных выводов в направлении питающей сети.
Так как характерной особенностью работы рассматриваемого преобразователя является поочередная единовременность нагрузки током нулевой последовательности только одной из фаз питающей сети, то этот ток в каждом интервале дискретности распределяется между фазами сети в соотношении 2/3, 1/3, 1/3, вместо соотношения 1, 0, 0, которое справедливо при отсутствии межфазного распределителя тока.
В отрицательном полупериоде протекания тока нулевой последовательности происходит аналогичный описанному обратный процесс суммирования долей тока в общем нулевом проводе.
В итоге, в течение каждого периода напряжения питающей сети в линейных проводах формируются токи, в составе которых отсутствуют высшие гармоники, кратные трем.
Число витков фазной обмотки каждого трансформатора предлагаемого в раз больше числа витков фазной обмотки прототипа, т.к. к первой прикладывается линейное питающее напряжение, а ко второй – фазное. С другой стороны, сечение фазной обмотки каждого трансформатора предлагаемого в 2 раза меньше сечения фазной обмотки прототипа, т.к. ток в фазной обмотке первого равен 1/6 от общего тока, а ток в фазной обмотке второго – 1/3 от общего тока. Поэтому расчетная мощность фазных обмоток трансформаторов предлагаемого в раз меньше расчетной мощности фазных обмоток трансформатора прототипа.
Формула изобретения
Устройство для межфазного распределения тока, содержащее нулевой входной вывод, трансформатор с тремя фазными обмотками, подключеными каждая одним выводом к соответствующему фазному входному выводу, отличающееся тем, что трансформатор выполнен на трех магнитопроводах с последовательно соединенными фазными обмотками, каждая из которых содержит промежуточный вывод, делящий ее число витков на равные части и подключенный к нулевому входному выводу.
РИСУНКИ
|
|