|
|
(21), (22) Заявка: 2008118685/09, 12.05.2008
(24) Дата начала отсчета срока действия патента:
12.05.2008
(46) Опубликовано: 20.01.2010
(56) Список документов, цитированных в отчете о поиске:
RU 2216094 C2, 10.11.1997. RU 2215357 C2, 27.10.2003. ЕР 0552389 А, 28.07.1993.
Адрес для переписки:
620017, г.Екатеринбург, ул. Фронтовых Бригад, 22, ЗАО “Энергомаш(Холдинг)”
|
(72) Автор(ы):
Катунин Владимир Михайлович (RU), Подкорытов Дмитрий Сергеевич (RU), Чернышов Владимир Анатольевич (RU)
(73) Патентообладатель(и):
Закрытое акционерное общество “Энергомаш(Холдинг)” (RU)
|
(54) ДИОДНО-ТРАНЗИСТОРНЫЙ МОСТ
(57) Реферат:
Диодно-транзисторный мост относится к электротехнике, в частности к электрическим машинам, и может быть использован в конструктивных сопряжениях с магнитными подшипниками. Предложенное изобретение направлено на повышение надежности диодно-транзисторного моста и снижение зависимости массо-объемных характеристик источника питания от потребляемой мощности. Технический результат достигается тем, что диодно-транзисторный мост, содержащий диагональ питания и диагональ нагрузки, в которую включена по меньшей мере одна катушка индуктивности (8). Кроме того, в диагональ нагрузки дополнительно подключен дроссель (7), параллельно которому включена RC- цепочка (9). В диагональ питания включены конденсатор (12) и, через разделительный диод (13), источник питания. Транзисторы (5, 6), включенные в плечи моста, не имеют общей точки соединения. Введение в диодно-транзисторный мост накопительного конденсатора (12), дросселя (7) с RC-цепью (9), разделительного диода (13) по предложенной схеме, позволяет существенно снизить потребляемую мощность диодно-транзисторного моста, уменьшить диаметр проводников, подключаемых к источнику питания, и габариты самого источника питания. 1 ил.
Изобретение относится к электротехнике, в частности к электрическим машинам и может быть использовано в конструктивных сопряжениях с магнитными подшипниками.
Известен диодно-транзисторный мост, содержащий диагональ питания и диагональ нагрузки (патент RU 2215357, Н02К 7/09). При этом к каждому диоду подключен транзистор коллектором к катоду диода, а эмиттером к аноду диода.
Недостатком диодно-транзисторного моста является зависимость массо-объемных характеристик источника питания от потребляемой им мощности.
Техническим результатом является повышение надежности силового преобразователя и снижение зависимости массо-обьемных характеристик от потребляемой мощности.
Технический результат достигается тем, что диодно-транзисторный мост, содержащий диагональ питания и диагональ нагрузки, в которую включена по меньшей мере одна катушка индуктивности. Кроме того, в диагональ нагрузки дополнительно подключен дроссель, параллельно которому включена RC- цепочка. В диагональ питания включены конденсатор и, через диод, источник питания. Транзисторы, включенные в плечи моста, не имеют общей точки соединения.
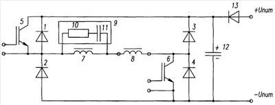
На чертеже приведена электрическая схема диодно-транзисторного моста.
Диодно-транзисторный мост содержит четыре диода 1, 2, 3, 4 и два транзистора 5, 6. В диагональ нагрузки последовательно включены дроссель 7, катушка 8 электромагнита. Параллельно дросселю 7 включена RC-цепочка 9 из резистора 10 и конденсатора И. В диагональ питания включен конденсатор 12 и, через разделительный диод 13, источник питания (не показан). При этом катод разделительного диода 13 соединен с катодами диодов 1 и 3. Анод разделительного диода 13 подключен к положительному выводу источника питания.
Диодно-транзисторный мост работает следующим образом.
Импульсы управления с широтно-импульсного модулятора (далее ШИМ, не показан) поступают на затворы транзисторов 5 и 6. При включении источника питания и отсутствии управляющих импульсов происходит заряд конденсатора 12 через разделительный диод 13 до напряжения источника питания. При поступлении положительного импульса с заданной длительностью на транзисторы 5 и 6, которые одновременно открываются и диагональ нагрузки моста оказывается подключенной к конденсатору 12. Конденсатор 12 разряжается через транзистор 5, дроссель 7, катушку электромагнита 8, и транзистор 6. В начальный момент времени в дросселе 7 и катушке электромагнита 8 возникает ЭДС самоиндукции, противодействующая нарастанию тока в катушке электромагнита 8. Соответствующий ток самоиндукции протекает по цепи: дроссель 7, диод 1, конденсатор 12, диод 4, катушка электромагнита 8, поддерживающий напряжение на конденсаторе 12. При установившемся токе ЭДС самоиндукции отсутствует. По окончанию управляющих импульсов с ШИМ транзисторы 5 6 закрываются. При этом происходит уменьшения тока, протекающего через дроссель 7 и катушку электромагнита 8. Это приводит к возникновению ЭДС самоиндукции в дросселе 7 и катушке электромагнита 8, стремящееся поддержать уменьшающийся ток. Ток самоиндукции протекает по цепи: дроссель 7, катушка электромагнита 8, диод 3, конденсатор 12, диод 2. Ток ЭДС самоиндукции стремится также восстановить напряжение на конденсаторе 12 уменьшившееся при подаче управляющих импульсов. При последующем появлении положительного импульса с ШИМ вновь открываются транзисторы 5 и 6 и процесс повторяется. Если в процессе работы то напряжение на конденсаторе уменьшится до значения ниже напряжения источника питания, открывается разделительный диод 13 и конденсатор 12 дополнительно заряжается от источника питания. Разделительный диод 13 препятствует протеканию тока ЭДС самоиндукции через источник питания. RC-цепь 9 ограничивает выбросы напряжения на дросселе 7. Индуктивность дросселя 7 и величина емкости конденсатора 12 выбирается из условия индуктивности катушки электромагнита 8 (нагрузки) для обеспечения резонанса на частоте ШИМ при их параллельном включении. Таким образом, в процессе работы дроссель 7 катушка электромагнита 8 и конденсатор 12 образуют колебательный контур, в котором энергия электрического поля накопленная конденсатором 12 преобразуется в энергию магнитного поля дросселя 7 и катушки электромагнита 8 и наоборот. При этом направление тока в нагрузке не меняется, а наличие диода 13 обеспечивает минимальное направление энергии от источника питания. Кроме того, разделительный диод 13 предотвращает выход из строя транзисторов 5 и 6 при непреднамеренной смене полярности источника питания.
Введение в диодно-транзисторный мост накопительного конденсатора 12, дросселя 7 с RC-цепью 9, разделительного диода 13 по предложенной схеме, позволяет существенно снизить потребляемую мощность диодно-транзисторного моста, уменьшить диаметр проводников, подключаемых к источнику питания, а также масса и габариты самого источника питания.
Испытания турбогенератора мощностью 8МВт с электромагнитным подвесом ротора, содержащим восемь катушек электромагнитов при среднем токе 18А на каждую (всего 144А) показали, что ток потребляемый от источника питания не превысил 7А при неизменном значении напряжения питания.
Формула изобретения
Диодно-транзисторный мост, в диагональ нагрузки которого включена, по меньшей мере, одна катушка индуктивности, отличающийся тем, что в диагональ нагрузки дополнительно подключен дроссель, параллельно которому включена RC-цепочка, а в диагональ питания включены конденсатор и через диод – источник питания, при этом транзисторы в плечах моста не имеют общей точки соединения.
РИСУНКИ
|
|