|
|
(21), (22) Заявка: 2008123046/09, 09.06.2008
(24) Дата начала отсчета срока действия патента:
09.06.2008
(46) Опубликовано: 20.01.2010
(56) Список документов, цитированных в отчете о поиске:
RU 2206155 C1, 10.06.2003. RU 2237324 C1, 27.09.2004. RU 2298267 C1, 27.04.2007. US 5940031 A, 17.08.1999.
Адрес для переписки:
123557, Москва, Электрический пер, 1, ОАО “Корпорация “Фазотрон-НИИР”, начальнику отдела интеллектуальной собственности В.И. Фаленко
|
(72) Автор(ы):
Гуськов Юрий Николаевич (RU), Коржуев Михаил Вадимович (RU), Корнев Геннадий Иванович (RU)
(73) Патентообладатель(и):
Открытое акционерное общество “Корпорация “Фазотрон – Научно-исследовательский институт радиостроения” (RU)
|
(54) БЛОК ПРИЕМОПЕРЕДАЮЩИХ МОДУЛЕЙ АКТИВНОЙ ФАЗИРОВАННОЙ АНТЕННОЙ РЕШЕТКИ
(57) Реферат:
Изобретение относится к приемопередающим устройствам СВЧ колебаний, предназначенным для работы в составе активной фазированной антенной решетки (АФАР) бортовой радиолокационной станции (БРЛС), устанавливаемой на самолете-истребителе. Задача изобретения – уменьшение времени замены отказавшего блока ППМ в процессе эксплуатации АФАР самолета-истребителя. Решение поставленной задачи достигается уменьшением выделяемой мощности блоком путем размещения в нем от двух до шести ППМ, применением схемы их импульсного питания, что позволяет выполнить теплоотводящее основание в виде плоской пластины, установленной плотной посадкой в корпусе АФАР. Такое построение блока обеспечивает эффективный отвод тепловой энергии от ППМ к корпусу АФАР, имеющему жидкостное охлаждение. Применение разъемов типа «выступ-впадина» в сочетании с предложенной схемой построения блока позволяет полностью отказаться от демонтажа и монтажа резьбовых соединений, чем сократить время замены отказавшего блока. 1 з.п. ф-лы, 3 ил.
Изобретение относится к приемопередающим устройствам СВЧ колебаний, предназначенным для работы в составе активной фазированной антенной решетки (АФАР) бортовой радиолокационной станции (БРЛС), устанавливаемой на самолете-истребителе.
Известен блок приемопередающих модулей (ППМ), содержащий теплоотводящее основание, на котором размещены шестнадцать ППМ. Каждый ППМ содержит излучатель, соединенный со вторым контактом первого переключателя, третий и первый контакты которого соответственно соединены со входом приемного и с выходом передающего канала, выход приемного канала и вход передающего канала соединены с третьим и первым контактами второго переключателя, управляющие входы переключателей соединены с выходом синхронизатора, второй контакт второго переключателя каждого ППМ соединен с разъемом для подключения приемопередающего блока АФАР.
Приемный канал каждого ППМ включает последовательно соединенные малошумящий усилитель-ограничитель, управляемые фазовращатель, аттенюатор и усилитель, а передающий канал содержит последовательно соединенные усилитель мощности, предварительный усилитель и управляемые фазовращатель и аттенюатор.
Для охлаждения шестнадцати ППМ теплоотводящее основание блока выполнено в виде полого металлического корпуса, заполненного теплоотводящей жидкостью, и снабжено входом и выходом жидкостной системы охлаждения, соединенными с ее подающей магистралью и магистралью слива. Теплоотводящее основание закреплено на корпусе АФАР посредством резьбового соединения (Под ред. Д.И.Воскресенского и А.И.Канащенкова «Активные фазированные антенные решетки, «Радиотехника». М., 2004, стр.78, рис.4.6, стр.29, рис.1.10, стр.24).
В этом устройстве для замены вышедшего из строя одного или нескольких из шестнадцати ППМ, входящих в блок, вследствие невозможности его ремонта в полевых условиях необходимо снятие блока из корпуса АФАР. Для этого требуется демонтировать двадцать два резьбовых соединения – развернуть четыре винта, крепящих теплоотводящее основание к корпусу АФАР, развернуть и отстыковать входы и выходы системы жидкостного охлаждения теплоотводящего основания блока, развернуть шестнадцать разъемов ППМ и снять блок с корпуса АФАР. После чего заменить блок ППМ на исправный и произвести монтаж в обратном порядке. Демонтаж и монтаж двадцати двух разъемных соединений приводит к большому времени замены блока, недопустимому для истребительного комплекса, для которого время готовности к полету является определяющим параметром.
Таким образом, наиболее затратными по времени операциями при замене блока при отказе ППM в приведенном аналоге является отстыковка системы жидкостного охлаждения и отсоединение блока ППМ от АФАР.
Недостаток известного устройства – большое время, затрачиваемое на замену блока при выходе из строя ППМ.
Задача изобретения – уменьшение времени замены блока при отказе ППМ в процессе эксплуатации АФАР самолета-истребителя.
Решение поставленной задачи достигается исключением из схемы блока резьбовых соединений и креплением его в корпусе АФАР плотной посадкой. Для этого в блоке устанавливают не шестнадцать, а от двух до шести ППМ и применяют схему импульсного питания, что позволяет уменьшить величину выделяемой мощности, выполнить теплоотводящее основание в виде плоской пластины и установить ее плотной посадкой в корпусе АФАР. А для соединения блока ППМ с приемопередающим блоком АФАР и удобства его замены предлагается ввести разъемы типа «выступ-впадина» и циркуляторы, которые уменьшают вдвое количество разъемов.
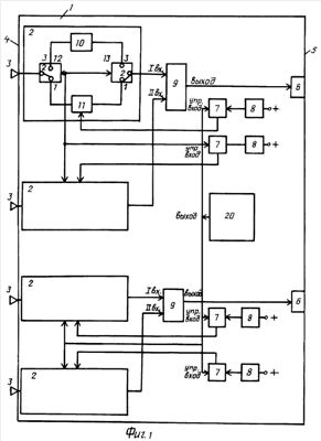
На фиг.1 представлена схема блока, в котором установлены, например, четыре ППМ, на фиг.2 – схема приемного и передающего каналов ППМ, на фиг.3 – общий вид блока ППМ, размещенного в корпусе АФАР. На фиг.3 корпус АФАР с ответными частями разъемов обозначен штриховыми линиями.
В состав блока ППМ (фиг.1) входят теплоотводящее основание 1 в виде металлической пластины, на котором размещены четыре ППМ 2 с излучателями 3, боковые стенки 4 и 5 теплоотводящего основания 1, разъемы 6, модуляторы 7, фильтры 8 и циркуляторы 9. ППМ 2 содержит приемный канал 10, передающий канал 11, первый 12 и второй 13 переключатели. Приемный канал (фиг.2) содержит последовательно соединенные малошумящий усилитель-ограничитель 14, управляемый аттенюатор 15, управляемый фазовращатель 16 и усилитель 17. Передающий канал (фиг.2) содержит последовательно соединенные управляемые фазовращатель 16 и аттенюатор 15, предварительный усилитель 18 и усилитель мощности 19, а также синхронизатор 20.
Излучатель 3 каждого ППМ соединен со вторым контактом первого переключателя 12, третий и первый контакты которого соответственно соединены со входом приемного 10 и с выходом передающего 11 канала, выход приемного 10 канала и вход передающего 11 канала соединены с третьим и первым контактами второго переключателя 13, управляющие входы переключателей соединены с выходом синхронизатора 20.
Первый и второй входы циркуляторов 9 соединены со вторыми контактами вторых переключателей 13 двух ППМ 2, управляющие входы модуляторов 7 соединены с выходом синхронизатора 20, выходы циркуляторов 9 – с соответствующими разъемами 6 блока, а выходы модуляторов 7 – с управляющими входами усилителей мощности 19 передающих каналов 11 ППМ 2.
Теплоотводящее основание 1 (фиг.3) выполнено в виде прямоугольной металлической пластины, на которой размещены четыре ППМ 2 симметрично относительно продольной оси пластины, что позволяет равномерно распределить выделяемую мощность по ее площади. Излучатели 3 и разъемы 6 расположены соответственно на стенках 4 и 5. А допуски на изготовление стороны корпуса АФАР и прилегающего к нему теплоотводящего основания 1 соответствуют плотной посадке (фиг.3), чем обеспечивается эффективный отвод тепловой энергии от ППМ блока к корпусу АФАР.
Для извлечения блока из корпуса АФАР необходимо к теплоотводящему основанию 1 приложить усилие, превышающее силу трения между корпусом АФАР и теплоотводящим основанием 1 и силу трения в разъемах 6. Поэтому для уменьшения прилагаемого усилия, требующегося для извлечения блока, в блок введены циркуляторы 9, позволяющие в два раза сократить количество разъемов 6. А применение разъемов типа «выступ-впадина» позволяет сократить время замены блока.
Опыт разработки блоков ППМ для самолетных АФАР показал, что наилучшим с точки зрения выделяемой мощности в условиях допустимого теплоотвода корпуса самолетной АФАР и уменьшения количества разъемов является размещение в блоке четного количества ППМ, число которых лежит в пределах от двух до шести.
Устройство работает следующим образом. При наличии на выходе синхронизатора 20 сигнала уровня логического нуля все ППМ 2 блока работают на передачу, при этом переключатели 12 и 13 находятся в исходном положении, при котором их первый и второй контакты замкнуты между собой, а к разъемам 6 подключается генератор СВЧ колебаний (на чертеже не показан). При поступлении сигнала уровня логического нуля на управляющие входы модуляторов 7 они срабатывают, подключая источник постоянного напряжения через фильтр 8 ко входу усилителя мощности 19 каждого ППМ 2 только на время его работы на передачу. При наличии на управляющем входе модулятора 7 сигнала уровня логической единицы (при работе ППМ на прием) он запирается, отключая источник напряжения от входа усилителя мощности 19. Такая схема питания наиболее мощного элемента ППМ 2 позволяет до 40% снизить энергопотребление блока, а наличие фильтров 8 позволяет произвести развязку ППМ 2 по питанию. Благодаря плотной посадке теплоотводящего основания 1 к корпусу АФАР (фиг.3) тепловая мощность, выделяемая всеми ППМ 2, равномерно распределяясь по его площади, передается на неподвижное основание АФАР, где и производится ее отвод.
При наличии управляющего сигнала уровня логического нуля сигнал с выхода генератора СВЧ колебаний через циркуляторы 9 и последовательно соединенные переключатель 13, передающий канал 11, переключатель 12 поступает на излучатели 3 и излучается в пространство.
При наличии на выходе синхронизатора 20 сигнала уровня логической единицы все ППМ 2 работают на прием, при котором происходит срабатывание переключателей 12 и 13, их первый и второй контакты размыкаются, а замыкаются второй и третий контакты, при этом к ним через последовательно соединенные малошумящий усилитель-ограничитель 14, управляемые аттенюатор 15 и фазовращатель 16, а также усилитель 17 и соответствующий разъем 6 (фиг.1) подключается приемное устройство (не показано).
Отраженный сигнал, поступающий на вход излучателей 3, в каждом ППМ 2 через последовательно соединенные замкнутые второй и третий контакты переключателя 12, приемный канал 10 и второй и третий контакты переключателя 13, циркулятор 9 и разъемы 6 поступает на вход премного устройства. Такая схема подключения ППМ к разъемам блока позволяет вдвое сократить их количество.
При выходе из строя одного или нескольких ППМ 2, входящих в блок, оперативный ремонт и ввод в строй АФАР осуществляют следующим образом. Открывают обтекатель самолета и посредством штатной диагностики определяют блок с отказавшим ППМ. После чего при помощи съемника (на фиг.3 не показан) к теплоотводящему основанию 1 прикладывают усилие (показано стрелкой Р на фиг.3), превышающее усилие его плотной посадки в корпусе АФАР, и силу трения в разъемах 6, в результате чего разъемы 6 конструкции «выступ-впадина» отстыковываются от его ответных частей на основании АФАР (фиг.3) и блок вместе с теплоотводящим основанием 1 извлекается из состава АФАР. После чего производится замена отказавшего блока ППМ на исправный.
Размещение в составе блока четного количества ППМ, лежащего в пределах от двух до шести, применение схемы импульсного питания усилителей мощности, выполнение теплоотводящего основания в виде прямоугольной пластины и установка ее плотной посадкой в корпусе АФАР позволяют отказаться от демонтажа и монтажа резьбовых соединений, чем сократить время замены блока при отказе ППМ.
Вновь введенные циркуляторы, фильтры и модуляторы являются типовыми элементами радиоэлектронной аппаратуры, что позволяет без проблем воспроизвести предложенную схему блока ППМ в полном объеме.
Формула изобретения
1. Блок приемопередающих модулей (ППМ), содержащий теплоотводящее основание, на котором размещены ППМ, каждый из которых содержит излучатель, соединенный со вторым контактом первого переключателя, третий и первый контакты которого соответственно соединены со входом приемного и с выходом передающего канала, выход приемного канала и вход передающего канала соединены с третьим и первым контактами второго переключателя, управляющие входы переключателей соединены с выходом синхронизатора, приемный канал каждого ППМ включает последовательно соединенные малошумящий усилитель-ограничитель, управляемый аттенюатор, управляемый фазовращатель, и усилитель, а передающий канал содержит последовательно соединенные управляемые фазовращатель, управляемый аттенюатор, предварительный усилитель и усилитель мощности, блок также содержит разьемы, соединенные с приемопередающим блоком активной фазированной антенной решетки (АФАР), отличающийся тем, что блок содержит четное количество ППМ, лежащее в пределах от двух до шести, и в него введены циркуляторы, число которых вдвое меньше числа ППМ и последовательно соединенные фильтры и модуляторы, число которых равно количеству ППМ, при этом первые и вторые входы циркуляторов соединены со вторыми контактами вторых переключателей двух ППМ, выходы циркуляторов, соединены с соответствующими разъемами блока, входы всех фильтров подключены к источнику постоянного напряжения, выходы модуляторов – к управляющим входам усилителей мощности передающих каналов ППМ, а управляющие входы модуляторов соединены с выходом синхронизатора.
2. Устройство по п.1, отличающееся тем, что теплоотводящее основание блока выполнено в виде прямоугольной металлической пластины, на которой размещены ППМ симметрично относительно ее продольной оси, при этом допуски на изготовление стороны блока АФАР и прилегающего к нему теплоотводящего основания соответствуют плотной посадке.
РИСУНКИ
|
|