|
|
(21), (22) Заявка: 2007109314/09, 14.03.2007
(24) Дата начала отсчета срока действия патента:
14.03.2007
(43) Дата публикации заявки: 27.11.2008
(46) Опубликовано: 20.01.2010
(56) Список документов, цитированных в отчете о поиске:
SU 1299353, 27.12.1999. RU 2126173 C1, 10.02.1999. RU 2012925 C1, 15.05.1994. US 4742338 A, 03.05.1988.
Адрес для переписки:
115682, Москва, Ореховый б-р, 59, к.3, кв.69, В.И. Яцкову
|
(72) Автор(ы):
Яцков Владимир Иванович (RU)
(73) Патентообладатель(и):
Яцков Владимир Иванович (RU)
|
(54) СПОСОБ ФОРМИРОВАНИЯ СИГНАЛОВ ТРЕВОЖНОГО ИЗВЕЩЕНИЯ И УСТРОЙСТВО ДЛЯ ЕГО ОСУЩЕСТВЛЕНИЯ (ВАРИАНТЫ)
(57) Реферат:
Изобретение относится к техническим средствам охраны и может использоваться для охраны различных предметов и периметров протяженных участков местности. Технический результат – расширение функциональных возможностей, повышение надежности и достоверности. Достигается применением одного из двух предложенных способов формирования сигналов тревожного извещения, реализованного новым устройством по выбранному варианту. Каждый способ заключается в формировании генератором частотной последовательности с частотой, зависимой от параметров емкости чувствительного элемента частотозадающей цепи генератора, реагирующего на нарушителя. Отличаются способы последовательностью проводимых операций, приемами измерения, сравнения и контроля частоты импульсной последовательности цифровой обработкой всех операций, что позволяет повысить степень защищенности от воздействия внешних помех и устойчивость в работе приборов при изменении климатических условий. Одним устройством выбранного варианта способа и устройства можно контролировать более одного чувствительного элемента. 4 н. и 6 з.п. ф-лы, 5 ил.
Изобретение относится к техническим средствам охраны и может использоваться для охраны периметров объектов, протяженных участков местности, проемов (окон, дверей) зданий, с использованием в качестве чувствительного элемента емкостного датчика и для извещателей пожарной охраны, у которых чувствительными элементами могут быть термоэлементы, и дымовые преобразователи, влияющие на частоту генератора при изменении параметров.
Известна группа устройств охранной сигнализации с емкостным чувствительным элементом, в которых чувствительными узлами являются дифференциальные трансформаторы, например, устройства для тревожной сигнализации емкостного типа а.с. 372571, МКИ G08B 13/26, патент РФ 2010337, МПК G08B 13/26, патент РФ 2277263, МПК G08B 13/26, 2006 г., отечественной прибор «Радиан-14» и т.д.
Известна другая группа устройств, в которых чувствительным узлом является генератор частоты с включенным в его частотозадающую цепь емкостным чувствительным элементом, влияющим на частоту генератора. Например, патенты RU 2025781, МПК G08B 13/26, RU 2126173, МПК G08B 13/26, RU 2012925, МПК G08B 13/26 и др.
Обе группы таких устройств имеют аналоговую обработку сигнала, сформированного чувствительными узлами, что является их общим недостатком по следующим причинам. Авторы изобретений добиваются повышения чувствительности, надежности работы и достоверности формируемого сигнала о нарушителе путем усовершенствования усиления сигнала, формируемого чувствительным узлом или узлами устройства и его преобразованием в сигнал тревожного извещения. Так как в чувствительных узлах индуктируются промышленные и атмосферные помехи, то они усиливаются вместе с полезным сигналом и авторам приходится бороться с помехами при помощи введения различных фильтров и сложных аналоговых преобразователей. Нормальная работа усилителя, с заданным коэффициентом усиления обеспечивается при определенных пределах чувствительности к входному сигналу, величина которого зависит от параметров чувствительного элемента и от погодных условий, что требует усилитель с очень надежной автоматической регулировкой усиления сигнала, вырабатываемого чувствительным узлом. При производстве требуется настройка усилителя. Большинство этих недостатков указывается и самими авторами изобретений в разделе критики их аналогов (например, патент RU 2012925, G08В 13/26). Заявленные ими предложения не решают коренным образом поставленную задачу. В устройствах с двумя чувствительными элементами существуют требования по расположению чувствительных элементов по флангам рубежа охраны. Разница величин емкостей чувствительных элементов приводит к тому, что в узле сравнения формируется сигнал, который усиливается и при изменении погодных условий, становится запредельным для усилителя, что приводит к его насыщению, тракта его обработки и формированию тревожного сигнала при отсутствии нарушителя. Достоверность и надежность устройства не выполняются.
Наиболее близким по технической сущности и более надежным является устройство тревожной сигнализации по авторскому свидетельству SU 1299353, МПК G08B 13/26, которое обработку сигнала емкостного чувствительного элемента осуществляет цифровым методом и лишено вышеуказанных недостатков. Это устройство принято за прототип, но и оно имеет недостатки.
Прототипом изобретения реализуется способ формирования тревожного сигнала, заключающийся в том, что при помощи генератора, с включенным в частотозадающую цепь емкостным чувствительным элементом, создают непрерывную частотную последовательность, которую затем делят на части по заданному интервалу времени измерения. Полученные последовательности сравнивают при помощи суммирующего и вычитающего счетчиков импульсов. Суммирующий счетчик снабжен элементами памяти, в который заранее записывают число, удовлетворяющее условиям границ чувствительности устройства. Это число суммируют с числом импульсов, поступающих на его счетный вход в первой разделенной импульсной последовательности генератора. Вторую часть разделенной последовательности подают в вычитающий счетчик импульсов и при помощи него из числа суммирующего счетчика вычитают импульсы текущих значений частоты генератора, т.е. сравнивают следующие друг за другом импульсные последовательности. Полученный результат декодируют, нормируют дешифратором и по полученным сигналам на его выходе определяют превышение разности порога установленной чувствительности. Если величина разности меньше величины порога обнаружения и близка к заданному числу в элементе памяти суммирующего счетчика, то данные не заносят в элемент памяти, подключенной к выходу дешифратора. Если величина разности на каждом интервале измерения превышает величину порога обнаружения, что должно соответствовать появлению нарушителя вблизи чувствительного элемента, на выходе дешифратора формируют сигнал в виде логической единицы, который записывают в элемент памяти, к выходу которого подключен интегратор. В случае непрерывного поступления сигналов на вход интегратора их суммируют и подают на вход формирователя тревожного сигнала. В случае непостоянного поступления логической единицы с выхода дешифратора, элементом памяти формируют сигнал низкого уровня, интегратор сбрасывается, тревожный сигнал не формируется.
Первый недостаток прототипа. Точность измерения зависит от чувствительности устройств измерения и от количества измеряемых импульсов последовательностей в периоде их измерения. С увеличением емкости чувствительного элемента снижается его чувствительность, частота генератора и точность измерения всего прибора, так как уменьшается количество измеряемых импульсов в периоде их измерения. Это ограничивает использование прибора для охраны периметров с увеличенной емкостью. Заранее введенные данные в элемент памяти счетчика сложения могут стать избыточными, что не позволит сформировать сигнал тревожного извещения при нарушении в охране. Увеличение частоты генератора, с целью повышения чувствительности при большой емкости чувствительного элемента, невозможно, так как частота генератора задается этой емкостью, что ограничивает применение устройства. Большая частота генератора создает помехи. Например, для емкостного средства охраны «Радиан-14» существует требование по размещению чувствительных элементов с включением генераторов с разными частотами.
Недостаток устраняется первым предложенным способом, позволяющим измерять низкую частоту генератора с желаемой точностью, путем преобразования длительности периода следования импульсов частотной последовательности в числовой код. Вторым предложенным способом недостаток устраняется введением умножителя частоты, включенного на выходе генератора. Это расширяет функциональные возможности устройств.
Второй недостаток. В прототипе период измерения всегда постоянное число и не зависит от частоты генератора и параметров чувствительного элемента, которые не являются постоянной величиной. При малой емкости чувствительного элемента частота генератора будет повышенной и количество измеряемых импульсов будет большим, а при большой емкости – малым, что влияет на чувствительность и точность измерения, следовательно, для постоянной чувствительности и точности измерения, необходимо чтобы период измерения импульсов находился в обратной пропорциональной зависимости от частоты. Если точность измерения изменяется, то и границы установленного порога чувствительности (обнаружения) должны меняться. При завышенном пороге чувствительности, прибор, с чувствительным элементом большой емкости, не будет фиксировать нарушение, с заниженным порогом и малой емкостью чувствительного элемента, будут наблюдаться ложные срабатывания прибора при незначительных изменениях емкости.
Этот недостаток устраняется первым предложенным способом, в котором измерение частоты производится не подсчетом числа импульсов частотной последовательности в заданном интервале времени, а периодом следования импульсов частотной последовательности, путем преобразования его в числовой код, который находится в обратной пропорциональной зависимости от частоты. Чем выше частота импульсов, тем меньше период измерения, тем меньше числовой код, следовательно, чувствительность устройства и границы порога чувствительности (обнаружения) – величина постоянная и нет необходимости подстраиваться под чувствительный элемент и порог чувствительности можно устанавливать заранее. Вторым предложенным способом недостаток устраняется обратно пропорциональным временем считывания частотных последовательностей. Чем выше частота импульсных последовательностей, тем меньше период считывания и измерения. Улучшаются тактические и технические характеристики устройств.
Третий недостаток. В прототипе импульсные последовательности формируются и считываются в периодах текущего времени и, например, при грозовых разрядах, возможны случаи заполнения суммирующего счетчика в периоде измерения частотной последовательности импульсами грозовых разрядов. Тогда, при сравнении числа импульсов последующих частотных последовательностей в периоде обнаружения нарушения будет всегда существовать разность чисел, выходящая за предел порога чувствительности и появится ложная тревога. Кроме этого, последовательное сравнение импульсных последовательностей увеличивает период обнаружения нарушения минимум в два раза в сравнении со вторым предложенным способом и в несколько раз в сравнении с первым способом формирования сигнала тревожного извещения.
Этот недостаток устраняется в первом предложенном способе многократным выборочным измерением периодов следования импульсов одной частотной последовательности и вероятность, что все периоды следования импульсов, полученные при грозовом разряде, будут в импульсной последовательности одинаковой длительности, невозможна и сигнал тревожного извещения не сформируется. Вторым предложенным способом этот недостаток устраняется одновременным считыванием двух параллельных последовательностей, формируемых при помощи чувствительных элементов, находящихся в одинаковой среде, и индуктируемые в них помехи взаимно уничтожаются в блоке сравнения чисел.
Четвертый недостаток. Устройство прототипа не может выдавать информацию о нарушителе, пересекающем рубеж охраны, а только фиксирует факт нарушения. Этот недостаток устраняется обоими способами, путем одновременного контроля за двумя емкостными чувствительными элементами, расположенными параллельно на рубеже охраны в плоскости последовательного пересечения их нарушителем.
Целью изобретения является устранение указанных недостатков и расширение
функциональных возможностей.
Технический результат достигается применением любого предложенного способа формирования сигналов тревожного извещения, реализованного новым устройством.
На фиг.1 изображена функциональная схема устройства тревожной сигнализации, реализующего первый способ формирования сигнала тревожного извещения.
Устройство тревожной сигнализации содержит чувствительный элемент 1, генератор 2 частотной последовательности, первый и второй распределители 3, 4 импульсов частотной последовательности, задатчик чисел 5, суммирующий счетчик 6 импульсов, первый и второй элементы И 7, 8, генератор 9 стабильной частоты, вычитающий счетчик 10 импульсов, дешифратор 11, определитель 12 сигналов, счетчик 13 формирования периода (цикла) частотной последовательности и исполнительное устройство 14. Определитель 12 сигналов содержит элемент И 15, первый, второй и третий счетчики 16 17, 18 импульсов. Выход элемента И 15 связан через первый элемент ИЛИ 19 с входом сброса первого распределителя 3, соединенного выходом исходного состояния через второй элемент ИЛИ 20, со входом сброса второго распределителя.
Для охраны нескольких рубежей (объектов), с установленными на них чувствительными элементами, устройство снабжено переключателями 21, 22. Вход генератора 2 частотной последовательности соединен с чувствительным элементом через входное устройство 23 с емкостной развязкой, с защитой от грозовых и иных разрядов и их помех.
Устройство тревожной сигнализации работает следующим образом.
Генератор 2 формирует частотную последовательность с частотой, зависимой от величины емкости чувствительного элемента 1, включенного в частотозадаюшую цепь генератора. С выхода генератора 2 импульсы частотной последовательности поступают через переключатель 21 на счетные входы распределителей 3, 4 импульсов. Второй распределитель 4 переключается только с разрешения первого распределителя 3. При переключении на их выходах формируются импульсы, длительность которых соизмерима с периодом следования импульса частотной последовательности генератора и соответствует измеряемому параметру чувствительного элемента. Первым счетным импульсом первый распределитель 3 переключается в первое положение. С его первого выхода сигнал поступает на вход V разрешения записи числа суммирующего счетчика 6. Происходит перезапись числа установленного порога чувствительности в задатчике 5, сопряженного с информационными входами, в триггеры суммирующего счетчика, и эта информация сохраняется до начала счета. Вторым счетным импульсом распределитель 3 переключается и с его второго выхода сформированный импульс поступает на первый вход элемента И 7, к второму входу которого выходом подключен генератор 9 стабильной частоты. С выхода элемента И 7 импульсы генератора 9 начинают поступать на счетный вход С суммирующего счетчика 6, до момента поступления на счетный вход распределителя 3 очередного импульса частотной последовательности. Происходит измерение периода следования импульса в частотной последовательности, эквивалентного измеряемому параметру чувствительного элемента, с преобразованием его длительности в числовой код. В ходе счета происходит сложение числа импульсов, поступивших на счетный вход, с числом, записанным по информационным входам установки числа порога чувствительности. Третьим импульсом распределитель 3 переключается в третье положение. С его второго выхода снимается импульс сигнала и в суммирующем счетчике фиксируется число, которое принимается за эталон при сравнении с последующими результатами измерений, текущих значений измеряемых и сравниваемых периодов следования импульсов частотной последовательности. С третьего выхода первого распределителя 3 сигнал логической единицы поступает на вход разрешения счета V импульсов второго распределителя 4 и на вход запрета С своего счета, которым блокируется. С этого момента импульсы частотной последовательности при переключении считывает и распределяет только второй распределитель 4, при помощи которого осуществляется контроль частоты генератора путем сравнения чисел суммирующего и вычитающего счетчиков. Сформированный при переключении на первом выходе второго распределителя 4 сигнал поступает на вход разрешения V записи чисел вычитающего счетчика 10, сопряженного информационными входами параллельной записи с выходами суммирующего счетчика 6, и переписывает его данные. При следующем переключении, со второго выхода распределителя 4 сигнал поступает на первый вход второго элемента И 8. С генератора 9 стабильной частоты, выход которого соединен с вторым входом элемента И 8, импульсы поступают на счетный вход вычитающего счетчика 10. Происходит измерение длительности периода следования импульса частотной последовательности, эквивалентного измеряемому параметру чувствительного элемента, путем преобразования его в числовой код, с одновременным вычитанием этого числа из числа импульсов, переписанных из суммирующего счетчика, которое заканчивается при переключении распределителя в третье положение и с фиксированием полученной разности, являющейся результатом сравнения чисел. Сформированный на третьем выходе импульс, служащий в качестве контрольного, поступает на управляющий вход дешифратора 11, соединенного выходом с первым входом определителя 12 сигналов, на счетный вход счетчика 13, формирующего цикл частотной последовательности, и на второй вход определителя 12 сигналов, к которому подключены счетные входы V счетчиков 17, 18. При сравнении чисел суммирующего и вычитающего счетчиков возможен случай, когда в вычитающем счетчике остается число, равное заданному числу порога чувствительности в задатчике 5. Такое состояние соответствует записи соизмеримых периодов следования импульсов частотной последовательности и их сравнение осуществлено без помех. Если это число окажется с разницей в пределах заданного числа порога чувствительности, тогда такое состояние будет соответствовать незначительному воздействию на чувствительный элемент, например при изменении погодных условий. Во всех этих случаях, с поступлением на управляющий вход дешифратора контрольного сигнала, на его выходе предупредительный сигнал о нарушении не формируется и он не поступает на соединенный с выходом дешифратора первый вход определителя сигналов, с которым объединены счетный вход счетчика 16, вход R сброса счетчика 17 и первый вход элемента И 15. Счетчик 16 не переключается. На первом и втором входах элемента И 15, соединенного вторым входом с первым выходом счетчика 16, и на выходе элемента И 15 присутствует уровень логического нуля, и устройство продолжает работать. При следующем переключении распределителя 4, с его четвертого выхода сигнал поступает через элемент ИЛИ 20 на его вход R сброса, и распределитель возвращается в исходное состояние. С выхода его исходного состояния сигнал поступает на вход R сброса вычитающего счетчика 10 и возвращает его в исходное состояние. С этого момента алгоритм измерения и сравнения периодов импульсов частотной последовательности повторяется до заполнения заданного значения импульсами счетчика 13 и сигнал с его выхода поступает на первый вход элемента ИЛИ 19, на вход R сброса счетчика 18 и на управляющие входы переключателей 21, 22. Сигналом на выходе элемента ИЛИ 19 сбрасывается в исходное состояние распределитель 3. С выхода его исходного состояния сигнал поступает на входы сброса R счетчиков 6, 13 и через элемент ИЛИ 20 на вход сброса распределителя 4, который сигналом на выходе исходного состояния сбрасывает вычитающий счетчик 10. Переключатели 21 и 22 информационными входами и выходами подключаются к следующему генератору и исполнительному устройству. С этого момента контролируется охрана со следующим чувствительным элементом, с повторением всего цикла работы. Увеличение количества чувствительных элементов и исполнительных устройств ограничивается временем, при котором нарушитель не должен успеть проникнуть на охраняемый объект. При охране с одним чувствительным элементом, переключатели не устанавливают. Такая последовательность работы устройства осуществляется при отсутствии помех и нарушения охраны.
Если разность чисел суммирующего и вычитающего счетчиков выходит за пределы числа установленного порога чувствительности, тогда на выходе дешифратора 11 сформируется предупредительный сигнал о нарушении. Это может быть в случаях приближения нарушителя к емкостному чувствительному элементу, при записи сигнала помехи, или при обрыве чувствительного элемента. В зависимости от последовательности поступления предупредительного сигнала о нарушении и контрольного сигнала на входы определителя 12 сигналов, им выполняются следующие функции. Если при первом сравнении чисел, на выходе дешифратора 11 появится предупредительный сигнал о нарушении, то это соответствует неравенству двух периодов следования импульсов, и необходимо распознать, в каком периоде присутствует помеха. Если помеха присутствовала при формировании эталонного числа, тогда при первом сравнении на выходе дешифратора должна быть логическая единица, так как сигнал случайной помехи не может быть величиной с одинаковыми параметрами в разных промежутках времени. В этом случае, при поступлении контрольного сигнала на управляющий вход дешифратора, с его выхода сигнал поступает на вход V счета счетчика 16, на первый вход элемента И 15 и на вход R сброса счетчика 17. Счетчик 17 сбрасывается в исходное состояние, а счетчик 16 переключается в первое положение, фиксируя поступление предупредительного сигнала о нарушении. С его первого выхода сигнал логической единицы поступает на второй вход элемента И 15. Одновременно контрольный сигнал поступает на второй вход определителя 12 сигналов, которым являются объединенные счетные V входы счетчиков 17, 18. Счетчик 17 не переключается, так как на его входе R сброса присутствует сигнал логической единицы. Счетчик 18 переключается в первое положение и с его первого выхода сигнал логической единицы поступает на третий вход элемента И 15. Наличие логических единиц на входах элемента И 15 формирует на его выходе сигнал логической единицы, который поступает через второй вход элемента ИЛИ 19 на вход R сброса первого распределителя 3 и возвращает его в исходное состояние. С выхода его исходного состояния сигнал поступает на входы R сброса счетчиков 6, 13 и через элемент ИЛИ 20 на вход сброса распределителя 4, возвращая их в исходное состояние. Сигналом с выхода исходного состояния распределителя 4 сбрасывается вычитающий счетчик 10 импульсов. На выходе дешифратора, на первом входе и на выходе элемента И 15 формируется сигнал логического нуля. Счетчики 16 и 18 не сбрасываются и остаются в первом положении до выяснения, в каком качестве поступил предупредительный сигнал о нарушении. Для этого начинается повторное формирование эталонного числа и сравнение периодов следования импульсов частотной последовательности, при этом, если после формирования эталонного числа на выходе дешифратора не сформируется предупредительный сигнал о нарушении, тогда счетчики 17 и 18 переключатся контрольным импульсом. Счетчик 16 будет возвращен в исходное состояние сигналом с выхода счетчика 17, а счетчик 18, сигналом с его второго выхода, блокируется и не принимает участие в работе при формировании этой частотной последовательности. На его первом выходе, на входах и на выходе элемента И 15 будет присутствовать сигнал логического нуля, что позволяет в дальнейшем контролировать всю частотную последовательность без сброса устройства в исходное состояние и это будет свидетельствовать о том, что ложный сигнал присутствовал при первом формировании эталонного числа. Если после повторной проверки эталонного числа, на выходе дешифратора 11 будет непрерывно формироваться предупредительный сигнал о нарушении, тогда первый счетчик 16 будет переключаться, до появления сигнала на заданном выходе, которым устанавливается на самоблокировку и выдает сигнал тревожного извещения на вход исполнительного устройства 14. При равенстве в импульсной последовательности хотя бы оного периода следования импульса, с периодом импульса, фиксированным эталонным числом, с дешифратора на первый вход определителя 12, предупредительного сигнала о нарушении не поступит, счетчик 17 не сбрасывается, а поступивший на его счетный вход контрольный импульс с третьего выхода распределителя 4 переключает его. С его выхода сигнал поступает на вход R сброса первого счетчика 16 и возвращает его в исходное состояние. Сигнал тревожного извещения не формируется. Такое состояние будет соответствовать тому, что в частотной последовательности определились помехи. Сигнал тревожного извещения формируется только при условии непрерывного поступления в определитель предупредительных сигналов о нарушении до заданного числа, определяющего период обнаружения нарушителя или с появлением обрыва чувствительного элемента.
Счетчиком 17 могут быть некоторые счетные триггеры, с условием, что при каждом переключении с их выхода сигнал поступает на вход сброса счетчика 16.
Если в устройстве тревожной сигнализации (фиг.1) выход генератора 9 стабильной частоты (с генерацией от единиц до десятых долей Гц) и выход генератора 2 частотной последовательности поменять местами (на чертеже ввиду ясности возможной замены не показано), тогда устройство будет потреблять меньше электрической энергии из-за значительного сокращения частоты генератора стабильной частоты, но при этом будут присутствовать два первых недостатка прототипа. Такое устройство можно использовать с чувствительным элементом емкостью до 10000 пФ потому, что указанные недостатки при малых емкостях оказывают незначительное влияние на его работоспособность.
Емкостные чувствительные элементы могут быть выполнены в виде антенн из провода, проволочного полотна или проволочной сетки с изоляцией от земли и располагаются на объекте по флангам охраняемого рубежа, либо параллельно в одном направлении рубежа в плоскости последовательного его пересечения нарушителем, для определения направления его пересечения. Переключатель 21 последовательно подключает выход каждого генератора частотной последовательности к счетным входам счетных элементов, а переключатель 22, в соответствии с этим, последовательно переключает входы исполнительных устройств 14 к выходу определителя импульсов. Переключение генераторов, а не емкостных чувствительных элементов обосновывается повышенной надежностью. Неисправность одного генератора не исключает работу всего устройства. При необходимости возможно подключение двух емкостных чувствительных элемента к одному генератору.
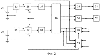
На фиг.2 – блок-схема второго варианта устройства тревожной сигнализации, реализующего второй способ формирования сигнала тревожного извещения; на фиг.3 – функциональная схема его блока сравнения чисел; на фиг.4 – функциональная схема его устройства АПЧ; на фиг.5 – его интегратор предупредительных сигналов.
Устройство тревожной сигнализации (фиг.2) содержит первый и второй емкостные чувствительные элементы 24, 25, первый и второй генераторы 26, 27, настроенные на одинаковую частоту, блок сравнения 28 чисел, первый и второй интеграторы 29, 30 предупредительных сигналов, соединенные выходами с соответствующими исполнительными устройствами 31, 32. Емкостные чувствительные элементы выполняются и располагаются на объекте так же, как и в описанном первом варианте. Входы а частотозадающих цепей генераторов предназначены для подключения к ним емкостных чувствительных элементов непосредственно, если они расположены внутри помещений, или через устройства грозовой защиты 33, 34, если они размещены на периметре охраняемого объекта. Для синхронизации и формирования частотных последовательностей генераторы снабжены управляющими в входами, а для настройки и подстройки частоты, хотя бы один из генераторов снабжен вторым частотозадающим входом с. Для настройки генераторов на одинаковую частоту, устройство снабжено устройством 35 автоматической подстройки частоты (АПЧ), а для контроля настройки и срабатывания исполнительных устройств – блоком 36 световой индикации, позволяющим контролировать работу всего устройства без приборов. Блок сравнения 28 чисел соединен входами с выходами генераторов непосредственно или, для повышения чувствительности устройства, в случае большой емкости чувствительных элементов, через введенные умножители частоты 37, 38. Блок сравнения чисел соединен первым и вторым выходами с соответствующими первыми входами интеграторов 29, 30 предупредительных сигналов, третьим выходом – с вторыми их входами, с управляющими входами в генераторов 26, 27 и с первым входом устройства АПЧ, четвертым и пятым выходами соответственно – с вторым и третьим входами устройства 35 АПЧ и с первым и вторым входами блока 36 световой индикации, соединенного третьим и четвертым входами с соответствующими выходами интеграторов 29, 30 предупредительных сигналов и пятым – со вторым выходом устройства 35 АПЧ, первый выход которого соединен с входом с резисторной частотозадающей цепью генератора 27.
Блок сравнения 28 чисел (фиг.3) содержит первый и второй считыватели 39, 40 импульсов частотных последовательностей, их входы счета С соответственно являются первым и вторым входами блока сравнения чисел. Каждый считыватель импульсов состоит из двоичного 41 и десятичного 42 счетчиков импульсов и элемента И 43, соединенного выходом с входом С сета десятичного счетчика, первым входом – с входом счета С двоичного счетчика, являющегося первым входом блока сравнения чисел, и вторым входом – с выходом старшего разряда двоичного счетчика и с его входом V запрета счета, при этом, выходы десятичного счетчика 1, 2 7, 8, 9 являются числами старшего разряда считывателя. Блок сравнения чисел также содержит первый и второй задатчики 44 и 45 чисел, выполненные на элементах коммутации К1, К7 и развязки Д1 Д7, Д8, Д9, первый и второй инверторы 46, 47, элемент ИЛИ 48, элемент задержки 49 импульса, первый и второй элементы И 50, 51, при этом, выход первого элемента И 50 является первым выходом блока сравнения чисел, его первый вход соединен с выходом первого инвертора 46, второй – со вторым входом элемента ИЛИ 48 и с выходом старшего числа старшего разряда второго считывателя 40, являющегося пятым выходом блока сравнения чисел, соединенного через элемент развязки Д9 с входом второго инвертора 47, соединенного входом через последовательно соединенные элементы развязки и коммутации второго задатчика 45 чисел с выходами младших чисел старшего разряда считывателя 40. Выход второго элемента И 51 является вторым выходом блока сравнения чисел, его первый вход соединен с выходом второго инвертора 47, второй – с первым входом элемента ИЛИ 48, выход которого является третьим выходом блока сравнения чисел, и с выходом старшего числа старшего разряда первого считывателя 39, являющегося четвертым выходом блока сравнения чисел и соединенного через элемент развязки Д9 с входом первого инвертора 46, соединенного через последовательно соединенные элементы развязки и коммутации первого задатчика 44 чисел с выходами младших чисел старшего разряда считывателя 39. Выход элемента ИЛИ 48 соединен с входом запрета счета V счетчиков 42, а через элемент задержки 49 с входами сброса R счетчиков 41 и 42 импульсов в исходное состояние считывателей 39 и 40.
Устройство 35 автоматической подстройки частоты генератора (фиг.4) содержит реверсивный двоичный счетчик 52, память 53 чисел, формирователь 54 импульса, схему 55 дискретного управления резисторной сборкой, счетчик 56 считывания циклов импульсных последовательностей, первый и второй RS-триггеры 57, 58, элемент И 59 и элемент ИЛИ 60. Счетный С вход счетчика 56 считывания циклов импульсных последовательностей является первым входом устройства АПЧ и предназначен для соединения с третьим выходом блока 28 сравнения чисел, его выход соединен со счетным С входом реверсивного счетчика 52 и является вторым выходом устройства АПЧ, и предназначен для соединения с пятым входом блока индикации 36. Входы первого RS-триггера 57 и входы элемента И 59 сопряжены и являются вторым и третьим входами устройства АПЧ и предназначены для соответствующего подключения к четвертому и пятому выходам блока сравнения чисел. Реверсивный счетчик 52 сопряжен входами предварительной записи чисел с выходами памяти 53 чисел и выходами – с входами схемы 55 дискретного управления резисторной сборкой, выход которой является первым выходом устройства АПЧ и предназначен для соединения с резисторной частью задающей цепи генератора. Входом W направления счета реверсивный счетчик 52 соединен с выходом первого RS-триггера 57, входом V разрешения параллельной записи – с выходом второго RS-триггера 58, соединенного первым входом с выходом формирователя 54 импульса, вторым входом – со входом R установки счетчика 56 в исходное состояние и с выходом элемента И 59, а вход Ро запрещения счета соединен с выходом элемента ИЛИ 60, его первый и второй входы являются четвертым и пятым входами устройства АПЧ и предназначены для подключения к соответствующим выходам интеграторов 29, 30 предупредительных сигналов.
Каждый интегратор 29, 30 предупредительных сигналов (фиг.5) выполнен по одинаковой схеме и содержит три счетчика 61, 62, 63 с элементом ИЛИ 64 (интегратор можно построить и на другой элементной базе). Совокупность сигналов, формируемых блоком 28 сравнения чисел на первом, втором и третьем выходах, позволяет формировать сигналы тревожного извещения простыми цифровыми средствами с расширенными возможностями. Счетный вход первого счетчика 61 является первым входом интегратора, его первый выход соединен с входом разрешения счета второго счетчика 62, второй выход – с входом самоблокировки, с входом сброса второго счетчика, с входом разрешения счета третьего счетчика 63 и является выходом интегратора. Счетные входы С второго и третьего счетчиков 62 и 63 объединены и являются вторым входом интегратора, их выходы соединены со входами элемента ИЛИ, соединенного выходом с входом R сброса первого счетчика.
Устройство тревожной сигнализации работает следующим образом.
Емкостные чувствительные элементы 24, 25 являются одной из их обкладок конденсатора и изолированы от земли, другой их общей обкладкой является поверхность земли, или расположенный между ними заземленный проволочный барьер, например из колючего провода, в виде инженерного заграждения. При включении источника питания (на чертежах не показан) с формирователя 54 импульса, устройства 35 АПЧ, импульс поступает на первый вход второго RS-триггера 58, с его выхода сигнал поступает на вход V суммирующего счетчика 52, разрешающий запись чисел с элемента памяти 53. Данные чисел памяти установлены такими, что на выходе схемы 55 дискретного управления резисторной сборкой их общее сопротивление приобретает среднее значение и устанавливает генератор 27 на заданную частоту. За равенством частот генераторов осуществляют контроль по индикаторам блока 36, подключенным к четвертому и пятому выходам блока 28 сравнения чисел. Подстройка частоты генераторов осуществляется автоматически. Поступающие от генераторов импульсы частотных последовательностей на счетный С вход двоичного 41 счетчика считывателей 39, 40, непосредственно или через умножители частоты 37, 38 считываются до появления импульса на выходе старшего разряда двоичного счетчика, который подается на свой вход V запрета дальнейшего считывания и на второй вход элемента И 43, дающий разрешение на продолжение счета каждого импульса последовательности десятичным счетчиком 42. Аналогичное считывание происходит и во втором считывателе 40. Считывание происходит до тех пор, пока не появится импульс на выходе старшего числа (девять) десятичного счетчика одного из считывателей. Так как частота импульсных последовательностей одинакова, то считывание заканчивается одновременно с появлением импульсов на выходах этих чисел, которые одновременно поступают на входы элемента ИЛИ 48. С его выхода сигнал подается на вход элемента задержки 49 и на входы V, прекращение счета десятичных счетчиков считывателей 39, 40 и через третий выход блока 28 сравнения чисел к управляющим в входам генераторов 26, 27 и на первый вход устройства АПЧ. Формирование частотных последовательностей прекращается и происходит их синхронизация. На выходах инверторов 46, 47, на выходах элементов И 50, 51 формируются сигналы логического 0. Сигнал тревожного извещения не формируется, а счетчик 56, формирующий период частотной последовательности, переключается в первое положение. Первый цикл сравнения частотных последовательностей завершен. Полученные с четвертого и пятого выходов блока 28 сравнения чисел сигналы логической единицы одновременно поступают на входы элемента ИЛИ 60, устройства 35 АПЧ и на вход Ро запрета счета реверсивному счетчику 52. Устройство охранной сигнализации устанавливается в дежурный режим охраны. Если вблизи чувствительных элементов нет нарушителя, то генераторы 26, 27 выдают частотные последовательности одинаковой частоты и дежурный режим охраны сохраняется.
Если вблизи одного из чувствительных элементов, например емкостного элемента 24, появится нарушитель, его емкость увеличится, частота генератора 26 уменьшится, в результате чего второй считыватель 40 заполнится импульсами частотной последовательности быстрее. Появившийся на выходе его старшего числа сигнал пройдет через элемент ИЛИ 48 на третий выход блока сравнения чисел и на управляющие входы генераторов и остановит формирование частотных последовательностей. Первый считыватель 39, в зависимости от количества импульсов отставания, зафиксирует последний импульс, отстающей по частоте последовательности на младших числах десятичного счетчика 42, либо на выходах двоичного счетчика 41. Отставание импульсной последовательности на один импульс допускается для корректировки частот генераторов и сигнал тревожного извещения о нарушении не формируется, так как присутствие логической единицы на элементах развязки Д8 и Д9 на выходе инверторов формирует логический нулевой сигнал. При отставании импульсной последовательности более двух импульсов, при разомкнутых элементах коммутации К1, К2 К7, на выходе инвертора 46 сформируется сигнал логической 1. Две логические единицы на входах элемента И 50 формируют на его выходе сигнал логической 1, который как предупредительный сигнал о нарушении подается на счетный вход счетчика 61 интегратора 29 предупредительных сигналов и передним фронтом импульса переключает его. С его первого выхода сигнал поступает на вход V разрешения счета счетчику 62. После сравнения частотных последовательностей, счетчики в считывателях обнуляются элементом задержки 49, с их выходов сигналы снимаются и по спаду сигнала, поступающего с третьего выхода блока сравнения чисел на счетный вход счетчика 62, счетчик переключается в первое положение. С его первого выхода поступает сигнал на вход возврата третьего счетчика 63 в исходное положение.
Если в цикле сравнения следующих частотных последовательностей будут вновь приняты последовательности одинаковой частоты, то на счетный вход первого счетчика 61 сигнал не поступит. После сравнения, когда обнулятся счетчики в считывателях и снимется сигнал с третьего выхода блока сравнения чисел, счетчик 62 переключится во второе положение, с его выхода поступит сигнал через элемент ИЛИ 64 на вход возврата первого счетчика 61 в исходное состояние. В этом случае сформированный предупредительный сигнал о нарушении воспринимается как возможное рассогласование частот генераторов от воздействия окружающей среды, или как сигнал возможной помехи. Интегратор предупредительных сигналов не формирует тревожного извещения, но принятые разного логического уровня сигналы на входе элемента И 59 формируют на его выходе сигнал логического 0, дающего разрешение счетчику 56 считывать импульсы последовательности.
Если это рассогласование частот генераторов, то при отсутствии сигнала тревожного извещения, после заданного числа импульсных последовательностей, на выходе счетчика 56 появится сигнал, фиксируемый счетным входом С реверсивного 52 счетчика и переключит его на единицу в направлении, в котором необходимо подстроить частоту генератора. Схема дискретного управления изменит состояние резисторной сборки и подстроит частоту генератора. Устройство возвратится в дежурный режим охраны. Направление изменения частоты в сторону уменьшения или увеличения определяется состоянием выхода RS-триггера 57, в зависимости от сигналов, поступающих на его входы.
Если это действительно нарушитель, то с каждым последующим циклом с первого выхода и с пятого выхода блока сравнения чисел будут поступать импульсы в счетчик 61 интегратора 29 и на вход элемента ИЛИ 60 (четвертый вход устройства 35 АПЧ). Тогда при второй импульсной последовательности счетчик 61 установится во второе положение и заблокируется по входу С. С его второго выхода сигнал поступает на исполнительное устройство 31, которое выдает сигнал тревожного извещения, на вход R возврата счетчика 62 в исходное положение и на вход V разрешения счета счетчика 63. С выхода элемента ИЛИ 60 поступит сигнал логической 1 на вход Ро реверсивного двоичного счетчика 52 и запретит ему корректировать частоту генератора, так как существует сигнал тревоги. Сигнал тревоги будет повторяться через заданное количество циклов частотной последовательности, принимаемых счетчиком 63 (в данном случае каждые восемь циклов), пока нарушитель будет находиться в зоне чувствительности чувствительного элемента. На каждом восьмом импульсе счета с выхода счетчика 63 подается сигнал через элемент ИЛИ 64 на вход R возврата счетчика 61 в исходное состояние. Если нарушитель отойдет от чувствительного элемента, то тревожный сигнал прекратится.
Если нарушитель начнет пересекать чувствительные элементы, то он будет находиться в зоне взаимодействия с двумя чувствительными элементами. Как только нарушитель перейдет в зону большего взаимодействия с другим чувствительным элементом, так на выходе интегратора 30 сформируется сигнал тревожного извещения, который поступит на исполнительное устройство 32, фиксируя переход рубежа нарушителем. После пересечения второго чувствительного элемента и выхода нарушителя из зоны взаимодействия с ним, восьмым счетным импульсом счетчики интегратора 30 возвращаются в исходное положение. Сигналы с выходов интеграторов поступают на световые индикаторы блока 36, что дает возможность осуществлять контроль работоспособности всего устройства.
Для устранения влияния на чувствительные элементы птиц и мелких животных, после установки всего устройства на объекте охраны, при помощи элементов коммутации К1, К2 К7, устанавливается порог чувствительности, путем практической проверки приближения человека к чувствительному элементу. Следует иметь в виду, что каждое последовательное включение элементов коммутации от старшего числа к младшему, т.е. от К7 к К1 будет последовательно снижать чувствительность на один импульс. Разница частотных последовательностей в семь импульсов достаточна, чтобы обеспечить установку порога чувствительности от птиц и мелких животных. Установленная чувствительность остается неизменной для чувствительных элементов с различной емкостью, что отличает устройства от аналогов.
Источники информации
1. Авторские свидетельства СССР 372571, МКИ G08B 13/26, 1969; 1299353 А1, G08B 13/26, 07.01.85 (прототип).
2. Патенты RU 2281558 С2, МПК G08B 13/26, 12.07. 2004. RU 2277263 С1, МПК G08B 13/26, 19.10.2004. RU 2025781 С1, G08B 13/26, RU 2126173, МПК G08B 13/26, RU 2012925, МПК G08B 13/26, 10. 06.1991.
3. Статьи журнала РАДИО: Емкостное реле. Радио 1, 1988 г. Устройство сравнения частоты. Радио 9, 1988 г. Удвоитель частоты. Радио 8, 1976 г. Радио 3 1984 г.
4. Тутевич В.Н. Телемеханика. М.: Высшая школа, 1985, с.314-319.
Формула изобретения
1. Способ формирования сигналов тревожного извещения, заключающийся в формировании генератором частотной последовательности с частотой, зависимой от параметров чувствительного элемента частотозадающей цепи генератора, и в проведении операций по формированию периода частотной последовательности и по контролю за частотой генератора путем сравнения числа импульсов, зафиксированных вычитающим счетчиком в периоде измерения частоты, с числом, полученным сложением в суммирующем счетчике зафиксированных им импульсов, поступивших в него в периоде измерения частоты, с числом заданного порога чувствительности, установленного на его информационных входах, и формировании сигнала тревожного извещения в случае, если разность этих чисел импульсов при каждом сравнении в заданном периоде обнаружения нарушения превышает пределы заданного значения порога чувствительности, отличающийся тем, что последовательность операций выполняют при помощи двух распределителей импульсов, переключаемых импульсами частотной последовательности, и при переключении первого распределителя импульсом на его первом выходе осуществляют перезапись числа, установленного на информационных входах суммирующего счетчика, формируют период измерения частоты по интервалу импульса на втором выходе первого распределителя и измеряют его путем преобразования в числовой код с использованием при преобразовании суммирующего счетчика, полученную сумму чисел фиксируют при переключении первого распределителя и сохраняют в качестве эталонного числа в течение текущего периода частотной последовательности, импульсом на третьем выходе первого распределителя его блокируют и дают разрешение на переключение и последующее распределение импульсов частотной последовательности второму распределителю и импульсом на его первом выходе осуществляют перезапись эталонного числа из суммирующего счетчика в вычитающий счетчик, формируют период измерения частоты по интервалу импульса на втором выходе второго распределителя и измеряют его путем его преобразования в числовой код с использованием при преобразовании вычитающего счетчика импульсов, импульсом на третьем выходе второго распределителя, при помощи дешифратора, контролируют результат вычитания чисел на выходах вычитающего счетчика и, в случае разности чисел, выходящей за пределы заданного числа порога чувствительности, на выходе дешифратора формируют предупредительный сигнал о нарушении, импульсом на четвертом выходе второго распределителя, возвращают второй распределитель импульсов и вычитающий счетчик в исходное состояние, осуществляют дальнейший контроль частоты генератора, при этом, в случае непрерывного формирования предупредительных сигналов о нарушении в заданном периоде обнаружения нарушения, формируют сигнал тревожного извещения.
2. Способ по п.1, отличающийся тем, что формирование сигнала тревожного извещения осуществляют двумя счетчиками импульсов, первым – подсчитывают число предупредительных сигналов о нарушении до заданного значения, при котором с его выхода выдают сигнал тревожного извещения, вторым – контролируют непрерывность поступающих в первый счетчик предупредительных сигналов о нарушении путем возврата его в исходное состояние сигналом с выхода второго счетчика, который при отсутствии предупредительного сигнала о нарушении переключают импульсом с третьего выхода второго распределителя, а при наличии предупредительного сигнала о нарушении подают его на вход сброса второго счетчика.
3. Способ по п.1, отличающийся тем, что период частотной последовательности формируют при помощи счетчика импульсов путем подсчета количества циклов второго распределителя до заданного значения и возвратом устройства в исходное состояние сигналом с его выхода по заполнению.
4. Устройство тревожной сигнализации, содержащее чувствительный элемент, соединенный с частотозадающей цепью генератора частотной последовательности, суммирующий счетчик импульсов, сопряженный информационными входами с выходами задатчика числа заданного порога чувствительности, вычитающий счетчик, сопряженный информационными входами с выходами суммирующего счетчика импульсов и выходами – с соответствующими информационными входами дешифратора, первый и второй элементы И, выходы которых соединены со счетными входами соответственно суммирующего и вычитающего счетчиков импульсов и исполнительное устройство, отличающееся тем, что в него введены генератор стабильной частоты, соединенный выходом с первыми входами элементов И, определитель сигналов нарушения, первый и второй распределители импульсов, соединенные счетными входами с выходом генератора частотной последовательности, элемент ИЛИ и счетчик формирования периода частотной последовательности, соединенный выходом с первым входом элемента ИЛИ, соединенного выходом с входом возврата в исходное состояние первого распределителя, соединенного выходом исходного состояния с входами установки в исходное состояние суммирующего счетчика импульсов и счетчика формирования периода частотной последовательности, первым выходом – с входом параллельной записи суммирующего счетчика, вторым выходом – с вторым входом первого элемента И, третьим выходом – с входом собственного запрета счета и с входом разрешения счета второго распределителя, соединенного выходом исходного состояния с входом возврата в исходное состояние вычитающего счетчика, первым выходом – с входом параллельной записи вычитающего счетчика, вторым выходом – с вторым входом второго элемента И, третьим выходом – со счетным входом счетчика формирования периода частотной последовательности и с управляющим входом дешифратора, четвертым выходом – с входом самовозврата в исходное состояние, при этом, определитель сигналов нарушения соединен первым входом с выходом дешифратора, вторым входом – с третьим выходом второго распределителя, третьим входом – с выходом счетчика формирования периода частотной последовательности, первым выходом – с входом исполнительного устройства и вторым выходом – со вторым входом элемента ИЛИ.
5. Устройство по п.4, отличающееся тем, что определитель сигналов нарушения содержит первый, второй и третий счетчики импульсов и элемент И, соединенный вторым и третьим входами соответственно с первыми выходами первого и третьего счетчиков импульсов, при этом, первый выход второго счетчика соединен с входом сброса первого счетчика, второй выход третьего счетчика соединен с входом самоблокировки, объединенные первый вход элемента И, счетный вход первого счетчика и вход сброса второго счетчика являются первым входом определителя, объединенные счетные входы второго и третьего счетчиков являются вторым входом определителя, вход сброса третьего счетчика является третьим входом определителя, выход заданного числа подсчета сигналов нарушения первого счетчика соединен с входом самоблокировки и является первым выходом определителя, выход элемента И является вторым выходом определителя.
6. Способ формирования сигналов тревожного извещения, заключающийся в формировании частотной последовательности генератором с частотой, зависимой от величины емкости чувствительного элемента частотозадающей цепи генератора, и в проведении операций по формированию периода частотной последовательности, по измерению частоты генератора путем подсчета количества импульсов частотной последовательности в периоде измерения частоты, по контролю за частотой генератора путем сравнения числа импульсов частотной последовательности и в выдаче сигналов тревожного извещения в случае разности числа импульсов частотной последовательности, выходящей за пределы заданного числа порога чувствительности при сравнении, отличающийся тем, что одновременно формируют другую частотную последовательность другим генератором, настроенным на ту же частоту, контроль частот генераторов и их сравнение осуществляют параллельным считыванием импульсов частотных последовательностей считывателями импульсов блока сравнения чисел, период измерения частот осуществляют продолжительностью считывания путем одновременного пуска и остановки работы генераторов подачей в их управляющие входы сигнала, формируемого при считывании первым на выходе старшего числа старшего разряда считывателя, и в период остановки генераторов осуществляют их синхронизацию, полученные в результате считывания числа сравнивают с учетом внесенного в считыватели числа, определяющего порог чувствительности, и считыватели полученным от сравнения сигналом обнуляют, с управляющих входов генераторов сигнал снимают и цикл сравнения частотных последовательностей повторяют, при этом, при неравенстве чисел частотных последовательностей, превышающем порог чувствительности, формируют предупредительный сигнал о нарушении и фиксируют его, в случае равенства чисел частотных последовательностей в следующем цикле сравнения формируют сигнал, которым отменяют фиксированный сигнал о нарушении, при наличии неравенства частотных последовательностей в каждом цикле сравнения в заданном периоде обнаружения нарушения суммируют предупредительные сигналы о нарушении и формируют сигнал тревожного извещения.
7. Устройство тревожной сигнализации, содержащее первый генератор с включенным в частотозадающую цепь чувствительным элементом, блок сравнения чисел, первый интегратор предупредительных сигналов и первое исполнительное устройство, отличающееся тем, что в него введены, второй генератор с включенным в частотозадающую цепь чувствительным элементом, устройство автоматической подстройки частоты (АПЧ), блок индикации, второй интегратор предупредительных сигналов и второе исполнительное устройство, при этом, генераторы снабжены управляющими и хотя бы один из них вторым частотозадающим входом, блок сравнения чисел соответственно соединен первым и вторым входами с выходами генераторов, первым и вторым выходами – с первыми входами первого и второго интегратора предупредительных сигналов, соединенных последовательно с соответствующими исполнительными устройствами, третьим выходом – с вторыми входами интеграторов предупредительных сигналов, с управляющими входами генераторов и с первым входом устройства АПЧ, четвертым и пятым выходами – с вторым и третьим входами устройства АПЧ и с первым и вторым входами блока индикации, соединенного третьим и четвертым входами соответственно с выходом первого и второго интегратора предупредительных сигналов и пятым входом – со вторым выходом устройства АПЧ, первый выход которого соединен со вторым частотозадающим входом генератора.
8. Устройство по п.7, отличающееся тем, что блок сравнения чисел содержит первый и второй считыватели импульсов частотных последовательностей, первый и второй задатчики чисел, выполненные на элементах коммутации и развязки, первый и второй инверторы, элемент ИЛИ, элемент задержки, первый и второй элементы И, при этом, входы счета импульсов первого и второго считывателей импульсов частотных последовательностей являются соответственно первым и вторым входами блока сравнения чисел, выход первого элемента И является первым выходом блока сравнения чисел, его первый вход соединен с выходом первого инвертора, второй – с выходом старшего числа старшего разряда второго считывателя, являющимся пятым выходом блока сравнения, соединенного через элемент развязки с входом второго инвертора, соединенного с выходами младших чисел второго считывателя импульсов, через последовательно соединенные элементы развязки и коммутации второго задатчика чисел, и с вторым входом элемента ИЛИ, выход второго элемента И является вторым выходом блока сравнения чисел, его первый вход соединен с выходом второго инвертора, второй вход – с выходом старшего числа старшего разряда первого считывателя, являющегося четвертым выходом блока сравнения чисел, соединенного через элемент развязки с входом первого инвертора, соединенного с выходами младших чисел старшего разряда первого считывателя импульсов через последовательно соединенные элементы развязки и коммутации первого задатчика чисел, и с первым входом элемента ИЛИ, выход которого является третьим выходом блока сравнения чисел и соединен через элемент задержки с входами обнуления считывателей.
9. Устройство по п.7, отличающееся тем, что устройство автоматической подстройки частоты (АПЧ) генератора содержит реверсивный двоичный счетчик, память чисел, формирователь импульса, схему дискретного управления резисторной сборкой, счетчик считывания циклов импульсных последовательностей, первый и второй RS-триггер, элемент И и элемент ИЛИ, при этом счетный вход счетчика считывания циклов импульсных последовательностей является первым входом устройства АПЧ и предназначен для соединения с третьим выходом блока сравнения чисел, его выход соединен со счетным входом реверсивного счетчика и является вторым выходом устройства АПЧ для соединения с третьим входом блока индикации, входы первого триггера и входы элемента И сопряжены и являются вторым и третьим входами устройства АПЧ и предназначены для соответствующего подключения к четвертому и пятому выходам блока сравнения чисел, информационные входы реверсивного счетчика сопряжены с выходами памяти чисел и выходами с входами схемы дискретного управления резисторной сборкой, выход которой является первым выходом устройства АПЧ, вход запрещения счета реверсивного счетчика соединен с выходом элемента ИЛИ, первый и второй входы которого являются четвертым и пятым входами устройства АПЧ, предназначенными для подключения к соответствующим выходам интеграторов предупредительных сигналов, вход направления счета реверсивного счетчика соединен с выходом первого RS-триггера, а вход разрешения параллельной записи – с выходом второго RS-триггера, соединенного первым входом с выходом формирователя импульсов, вторым входом – со входом установки счетчика считывания циклов импульсных последовательностей в исходное состояние и с выходом элемента И.
10. Устройство по п.7, отличающееся тем, что каждый интегратор предупредительных сигналов содержит три счетчика и элемент ИЛИ, при этом, счетные входы второго и третьего счетчиков объединены и являются вторым входом интегратора, их выходы соединены с входами элемента ИЛИ, соединенного выходом с входом сброса первого счетчика, счетный вход которого является первым входом интегратора, при этом первый выход первого счетчика соединен с входом разрешения счета второго счетчика, второй выход первого счетчика является входом самоблокировки и соединен с входом сброса второго счетчика, с входом разрешения счета третьего счетчика и является выходом интегратора.
РИСУНКИ
|
|