|
|
(21), (22) Заявка: 2008151368/09, 25.12.2008
(24) Дата начала отсчета срока действия патента:
25.12.2008
(46) Опубликовано: 20.01.2010
(56) Список документов, цитированных в отчете о поиске:
SU 1361524 A1, 23.12.1987. RU 2054194 C1, 10.02.1996. GB 1187312 A, 08.04.1970.
Адрес для переписки:
111250, Москва, ул. Красноказарменная, 14, ГОУВПО “МЭИ (ТУ)”, НИЧ, патентный отдел
|
(72) Автор(ы):
Геворкян Владимир Мушегович (RU), Яшин Илья Александрович (RU)
(73) Патентообладатель(и):
Государственное образовательное учреждение высшего профессионального образования “Московский энергетический институт (технический университет)” (ГОУВПО “МЭИ (ТУ)”) (RU)
|
(54) ВТОРИЧНЫЙ ИСТОЧНИК БЕСПЕРЕБОЙНОГО ПИТАНИЯ
(57) Реферат:
Изобретение относится к области электротехники, в частности к вторичным источникам питания, и обеспечивает технический результат – устойчивый режим питания автономных автоматических измерительных устройств высокого напряжения. Источник питания содержит трансформатор тока (1) с вторичной обмоткой (2), первичная обмотка которого включена в цепь фазного провода (3), трансформатор напряжения (4), первичная обмотка (5) которого подключена к вторичной обмотке (2) трансформатора тока (1), а вторичная обмотка (6) трансформатора напряжения (4) подключена к входу (7) выпрямительного диодного моста (8) с сглаживающей емкостью, выходные зажимы (9) выпрямительного диодного моста (8) подключены к входным зажимам (10) стабилизатора напряжения (11), выполненного по схеме DC-DC конвертора, а выходные зажимы (12) стабилизатора напряжения (11) подключены к включенным параллельно нагрузке (13) источника питания и аккумуляторной батарее (14), шунтирующие ветви (15), включенные параллельно входным зажимам стабилизатора напряжения (11), образованные последовательно соединенными транзистором (16) и резистором (17), включенным в цепь коллектора транзистора (16), а база транзистора (16) соединена с выходом делителя напряжения (18) шунтирующей ветви (15), выполненного в виде последовательно соединенных резисторов (19) и (20), включенных параллельно входным зажимам (10) стабилизатора напряжения (11). Ток, протекающий в фазном проводе (3), наводит на вторичной обмотке (2) трансформатора тока (1) вторичный ток, протекающий по первичной обмотке трансформатора напряжения (4). Трансформатор напряжения (4) в рабочем динамическом диапазоне токов фазного провода (3) (составляющем около 20 дБ) работает в нелинейном режиме. Это позволяет снизить динамический диапазон выходных напряжений на вторичной обмотке (6) трансформатора напряжения (4). Выпрямительный диодный мост (8) преобразует переменное напряжение вторичной обмотки (6) трансформатора (4) в постоянное напряжение, поступающее на вход стабилизатора (11). 1 ил.
Изобретение относится к области электротехники, в частности к вторичным источникам питания.
Известен вторичный источник питания, выполненный по схеме непрерывного параллельного стабилизатора напряжения, содержащий регулирующий элемент, например транзистор, включенный параллельно источнику напряжения первичной сети и нагрузке, и блок управления, включенный параллельно нагрузке, осуществляющий регулировку тока транзистора регулирующего элемента в зависимости от напряжения на нагрузке (Справочник. Источники питания РЭА / под редакцией Г.С.Найвельта. – М.: Радио и связь. 1985, 576 с. С.30, рис 1.5).
Недостатком данного вторичного источника питания является то, что он имеет ограниченные функциональные возможности, так как он обеспечивает стабилизацию напряжения первичной сети, представляющей источник напряжения с выходным напряжением, превышающим требуемое для работы нагрузки напряжение, и не обеспечивает отбор мощности от источника тока.
Наиболее близким по технической сущности к изобретению является вторичный источник бесперебойного питания, обеспечивающий отбор мощности от тока фазного провода, содержащий трансформатор тока, первичная обмотка которого включена в цепь фазного провода, трансформатор напряжения, первичная обмотка которого подключена к вторичной обмотке трансформатора тока, а вторичная обмотка подключена к входу выпрямительного диодного моста с сглаживающей емкостью. Выходные зажимы выпрямительного диодного моста подключены к входным зажимам стабилизатора напряжения, выполненного по схеме DC-DC конвертора. Выходные зажимы DC-DC конвертора подключены к включенным параллельно нагрузке источника питания и аккумуляторной батарее (см. Бунин А.В., Вишняков С.В., Геворкян В.М., Казанцев Ю.А. и др. Проблема создания источника питания автономного комплексного измерительного устройства высокого напряжения. Тезисы доклада. Труды. XXII Международная конференция «Электромеханика, электротехнологии, электротехнические материалы и компоненты» МКЭЭЭ-2008, Крым, Алушта, 24 сентября – 4 октября 2008 г. Секция 2 – Электромеханика, с.297-298.
DC-DC конвертор обеспечивает стабилизацию напряжения на нагрузке лишь в малом диапазоне значений тока фазного провода. Дальнейшее увеличение тока в фазном проводе ведет к повышению входного напряжения на входе конвертора, на которое он реагирует повышением своего входного сопротивления. Это, в свою очередь, ведет к росту напряжения на его входных зажимах. В результате входное напряжение DC-DC конвертора быстро выходит из диапазона допустимых значений, что и обуславливает его аварийное отключение.
Недостаток известного технического решения заключается в неустойчивой работе источника в широком динамическом диапазоне изменения тока в фазном проводе.
Технической задачей изобретения является обеспечение устойчивого режима питания автономных автоматических измерительных устройств высокого напряжения.
Решение этой задачи достигается тем, что известный вторичный источник питания, содержащий трансформатор тока, первичная обмотка которого включена в цепь фазного провода, трансформатор напряжения, первичная обмотка которого подключена к вторичной обмотке трансформатора тока, а вторичная обмотка соединена с входом выпрямительного диодного моста с сглаживающей емкостью, выходные зажимы выпрямительного диодного моста подключены к входным зажимам стабилизатора напряжения, выполненного по схеме DC-DC конвертора, а выходные зажимы DC-DC конвертора подключены к включенным параллельно нагрузке источника питания и аккумуляторной батарее, снабжен шунтирующими ветвями с делителями напряжения, при этом шунтирующие ветви включены параллельно входным зажимам стабилизатора напряжения и образованы последовательно соединенными транзистором и резистором, включенным в цепь коллектора транзистора, база которого подключена к выходу делителя напряжения, выполненного в виде последовательно соединенных резисторов, включенных параллельно входным зажимам стабилизатора напряжения.
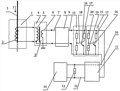
Сущность технического решения поясняется чертежом, на котором показана эквивалентная схема вторичного источника бесперебойного питания.
Вторичный источник бесперебойного питания содержит трансформатор тока 1 с вторичной обмоткой 2, первичная обмотка которого включена в цепь фазного провода 3, трансформатор напряжения 4, первичная обмотка 5 которого подключена к вторичной обмотке 2 трансформатора тока 1, а вторичная обмотка 6 трансформатора напряжения 4 подключена к входу 7 выпрямительного диодного моста 8 с сглаживающей емкостью, выходные зажимы 9 выпрямительного диодного моста 8 подключены к входным зажимам 10 стабилизатора напряжения 11, выполненного по схеме DC-DC конвертора, а выходные зажимы 12 стабилизатора напряжения 11 подключены к включенным параллельно нагрузке 13 источника питания и аккумуляторной батарее 14, шунтирующие ветви 15, включенные параллельно входным зажимам стабилизатора напряжения 11, образованные последовательно соединенными транзистором 16 и резистором 17, включенным в цепь коллектора транзистора 16, а база транзистора 16 соединена с выходом делителя напряжения 18 шунтирующей ветви 15, выполненного в виде последовательно соединенных резисторов 19 и 20, включенных параллельно входным зажимам 10 стабилизатора напряжения 11.
Вторичный источник бесперебойного питания работает следующим образом.
Ток, протекающий в фазном проводе 3, наводит на вторичной обмотке 2 трансформатора тока 1 вторичный ток, протекающий по первичной обмотке трансформатора напряжения 4. Трансформатор напряжения 4 в рабочем динамическом диапазоне токов фазного провода 3 (составляющем около 20 дБ) работает в нелинейном режиме. Это позволяет снизить динамический диапазон выходных напряжений на вторичной обмотке 6 трансформатора напряжения 4. Выпрямительный диодный мост 8 с сглаживающей емкостью преобразует переменное напряжение вторичной обмотки 6 трансформатора напряжения 4 в постоянное напряжение, поступающее на вход стабилизатора напряжения 11. Стабилизатор напряжения 11, выполненный по схеме DC-DC конвертора обеспечивает на нагрузке 13 и на зажимах аккумуляторной батареи 14 постоянное напряжение заданного номинала (например, 13,6 В), необходимое для питания цепей нагрузки 13 источника питания, для зарядки аккумуляторной батареи 14 (в режиме больших токов в фазном проводе 3).
Уменьшение входного напряжения конвертора 11 при больших значениях фазных токов обеспечивается введением шунтирующих ветвей 15, замыкающих излишний ток на выходе выпрямительного диодного моста 8 помимо стабилизатора напряжения 11 и рассеивающих избыточную мощность в резисторе 17, который включен в цепь коллектора транзистора 16.
При достижении определенного напряжения на выходе выпрямительного диодного моста 8 начинается действие шунтирующих ветвей 15. Момент открытия транзисторов 16 задается соотношением сопротивлений делителя напряжения 18, выполненного в виде последовательно соединенных резисторов 19 и 20, включенных параллельно входным зажимам стабилизатора напряжения 11.
Использование вторичного источника бесперебойного питания с отбором мощности тока фазного провода 3 с диапазоном изменения тока от 100 А до 3000 А с тремя шунтирующими ветвями при задаваемом соотношением резисторов 17 и 18 напряжении 15 В включения шунтирующих ветвей, суммарном сопротивлении (сумма сопротивлений резисторов 19 и 20) делителя напряжения 2860 Ом и величине сопротивления резистора 17, равной 1 Ом, и с использованием транзисторов КТ897 позволило ограничить напряжение на входе стабилизатора напряжения 11 значением 18,5 В, а напряжение на нагрузке обеспечить равным 13,6 В. Это позволяет применять DC-DC конвертор 11 с диапазоном входных напряжений 9-36 В и обеспечить устойчивый режим работы вторичного источника бесперебойного питания в диапазоне токов фазного провода от 0 до 3000 А.
Применение вторичного источника бесперебойного питания позволяет обеспечить устойчивый режим питания автономных автоматических измерительных устройств высокого напряжения (свыше 10 кВ).
Формула изобретения
Вторичный источник бесперебойного питания, содержащий трансформатор тока, первичная обмотка которого включена в цепь фазного провода, трансформатор напряжения, первичная обмотка которого подключена к вторичной обмотке трансформатора тока, а вторичная обмотка соединена с входом выпрямительного диодного моста с сглаживающим конденсатором, выходные зажимы выпрямительного диодного моста подключены к входным зажимам стабилизатора напряжения, выполненного по схеме DC-DC конвертора, а выходные зажимы DC-DC конвертора подключены к включенным параллельно нагрузке источника питания и аккумуляторной батарее, отличающийся тем, что он снабжен шунтирующими ветвями с делителями напряжения, включенными параллельно входным зажимам стабилизатора напряжения и образованными последовательно соединенными транзистором и резистором, включенным в цепь коллектора транзистора, база которого подключена к выходу делителя напряжения, выполненного в виде последовательно соединенных резисторов, включенных параллельно входным зажимам стабилизатора напряжения.
РИСУНКИ
|
|