|
|
(21), (22) Заявка: 2008123501/28, 09.06.2008
(24) Дата начала отсчета срока действия патента:
09.06.2008
(46) Опубликовано: 20.01.2010
(56) Список документов, цитированных в отчете о поиске:
SU 200662 A1, 15.08.1967. SU 158627 A, 12.11.1963. SU 413430 A, 30.01.1974. SU 945805 A1, 23.07.1982. SU 1150557 A1, 15.04.1985. RU 2284530 C1, 27.09.2006. SU 1157467 A, 23.05.1985. RU 2105316 C1, 20.02.1998. DE 10216344 A1, 23.10.2003. DE 2419233 A1, 12.12.1974. EP 0076392 A1, 13.04.1983.
Адрес для переписки:
305040, г.Курск, ул. 50 Лет Октября, 94, Курский государственный технический университет (КурскГТУ), ОИС
|
(72) Автор(ы):
Передельский Геннадий Иванович (RU), Овчинников Андрей Леонидович (RU)
(73) Патентообладатель(и):
Государственное образовательное учреждение высшего профессионального образования “Курский государственный технический университет” (КурскГТУ) (RU)
|
(54) МОСТОВОЙ ИЗМЕРИТЕЛЬ ПАРАМЕТРОВ ДВУХПОЛЮСНИКОВ
(57) Реферат:
Изобретение относится к контрольно-измерительной технике, автоматике и промышленной электронике и может быть использовано для определения параметров трехэлементных двухполюсников или параметров датчиков с трехэлементной схемой замещения. Согласно изобретению мостовой измеритель параметров двухполюсников содержит последовательно соединенные генератор питающего сложного электрического сигнала, мостовую цепь и нуль-индикатор. Особенностью мостового измерителя параметров двухполюсников является введение в двухполюсник с уравновешивающими элементами, входящий в состав мостовой цепи, дополнительных второго резистора и второго конденсатора, которые между собой включены параллельно, а также параллельно соединены с имеющейся цепью из последовательно соединенных первого конденсатора и первого резистора. Функциональные элементы двухполюсника с уравновешивающими элементами являются регулируемыми, а функциональные элементы двухполюсника объекта измерения выступают в качестве искомых трех параметров – первого и второго резисторов и первой емкости. Изобретение обеспечивает раздельное уравновешивание мостовой цепи при однократной регулировке каждого из трех параметров, что упрощает проведение измерений. 1 ил.
Изобретение относится к контрольно-измерительной технике, автоматике и промэлектронике. В частности, оно позволяет определять параметры трехэлементных двухполюсников или параметры датчиков с трехэлементной схемой замещения.
Известен способ измерения комплексных сопротивлений [1]. Схема измерителя содержит генератор качающейся частоты, мостовую цепь для определения трех параметров и осциллограф.
Такой измеритель требует проведения многократной продолжительной регулировки трех параметров.
Известен способ уравновешивания моста для измерения параметров комплексного сопротивления [2]. Мостовой измеритель содержит генератор качающейся частоты, мостовую цепь для определения трех параметров и нуль-индикатор.
Недостатком такого мостового измерителя является то, что для уравновешивания мостовой цепи требуется многократная регулировка трех параметров.
Наиболее близким по технической сущности и достигаемому результату к заявленному устройству является выбранный в качестве прототипа способ измерения сложных комплексных сопротивлений [3], содержащий генератор питающего сложного электрического сигнала, а именно синусоидального напряжения и напряжения постоянного тока, мостовую цепь и нуль-индикатор.
Недостатком его является многократная последовательная регулировка значений уравновешивающих параметров, что затягивает и усложняет измерение.
Задача, на решение которой направлено изобретение, состоит в упрощении и ускорении измерения за счет обеспечения лучшего варианта уравновешивания мостовой цепи – раздельного уравновешивания, т.е. однократной регулировки значений параметров каждого уравновешивающего элемента.
Это достигается тем, что в мостовой измеритель параметров двухполюсников, содержащий генератор питающего сложного электрического сигнала, формирующий последовательности прямоугольных, линейно изменяющихся и квадратичных импульсов и имеющий два выхода, образованных тремя выводами, один из которых заземлен, первый выход относительно земли является выходом питающих сигналов и подключен к генераторной диагонали четырехплечей мостовой цепи, второй выход относительно земли является выходом синхронизации, в первой ветви четырехплечей мостовой цепи последовательно включены двухполюсник объекта измерения, состоящий из параллельно соединенных первого резистора и первого конденсатора, последовательно с которыми соединен второй резистор, и одиночный резистор первого плеча отношения, во второй ветви мостовой цепи последовательно включены двухполюсник с уравновешивающими элементами, состоящий из последовательно соединенных первого конденсатора и первого резистора, и одиночный резистор второго плеча отношения, общий вывод двухполюсника объекта измерения и двухполюсника с уравновешивающими элементами образует первый вывод генераторной диагонали мостовой цепи, общий вывод одиночных резисторов двух плеч отношения заземлен и образует второй вывод генераторной диагонали мостовой цепи, в первой ветви мостовой цепи общий вывод двухполюсника объекта измерения и одиночного резистора плеча отношения образует первый вывод измерительной диагонали мостовой цепи, во второй ветви мостовой цепи общий вывод двухполюсника с уравновешивающими элементами и одиночного резистора плеча отношения образует второй вывод измерительной диагонали мостовой цепи, первый и второй выводы измерительной диагонали образуют относительно земли дифференциальный выход четырехплечей мостовой цепи, который соединен с дифференциальным входом нуль-индикатора, общая шина которого заземлена, а второй вход нуль-индикатора – вход синхронизации соединен с выходом синхронизации генератора, введены в двухполюсник с уравновешивающими элементами дополнительные второй резистор и второй конденсатор, которые между собой включены параллельно, а также параллельно соединены с имеющейся цепью из последовательно соединенных первого конденсатора и первого резистора.
Сущность изобретения поясняется чертежом.
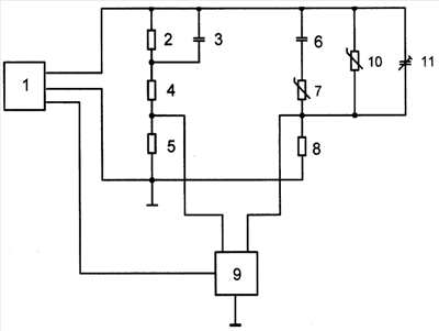
Мостовой измеритель параметров двухполюсников содержит генератор сложного электрического сигнала 1, который может формировать последовательности прямоугольных, линейно изменяющихся и квадратичных импульсов, и имеет два выхода, образованных тремя выводами, один из которых заземлен, первый выход относительно земли является выходом питающих сигналов и подключен к генераторной диагонали четырехплечей мостовой цепи, второй выход относительно земли является выходом синхронизации. В первой ветви мостовой цепи последовательно включены двухполюсник объекта измерения, состоящий из параллельно соединенных первого резистора 2 (R2) и первого конденсатора 3 (С3), последовательно с которыми включен второй резистор 4 (R4), а также одиночный резистор первого плеча отношения 5 (R5). Во второй ветви мостовой цепи последовательно включены двухполюсник с уравновешивающими элементами, состоящий из последовательно соединенных первого конденсатора 6 (С6) и первого резистора 7 (R7), а также второго резистора 10 (R10) и второго конденсатора 11 (С11), которые между собой включены параллельно, а также параллельно соединены с цепью из последовательно соединенных первого конденсатора 6 (С6) и первого резистора 7 (R7), и одиночный резистор 8 (R8) второго плеча отношения. Общий вывод двухполюсника объекта измерения и двухполюсника с уравновешивающими элементами образует первый вывод генераторной диагонали мостовой цепи, общий вывод одиночных резисторов 5 (R5) и 8 (R8) двух плеч отношения заземлен и образует второй вывод генераторной диагонали мостовой цепи, в первой ветви мостовой цепи общий вывод одиночного резистора плеча отношения 5 (R5) и второго резистора 4 (R4) двухполюсника объекта измерения образует первый вывод измерительной диагонали мостовой цепи, во второй ветви мостовой цепи общий вывод одиночного резистора плеча отношения 8 (R8) и первого резистора 7 (R7) двухполюсника с уравновешивающими элементами образует второй вывод измерительной диагонали, первый и второй выводы измерительной диагонали образуют относительно земли дифференциальный выход четырехплечей мостовой цепи, который соединен с дифференциальным входом нуль-индикатора 9, общая шина которого заземлена, а второй вход нуль-индикатора 9 – вход синхронизации соединен с выходом синхронизации генератора 1.
Мостовой измеритель параметров двухполюсников работает следующим образом. В исходном состоянии напряжения на входе и выходе четырехплечей мостовой цепи равны нулю. Подадим на мост с генератора 1 последовательность импульсов прямоугольной формы. При воздействии очередного импульса в установившемся режиме в ветвях мостовой цепи устанавливаются неизменяющиеся напряжения. Напряжение неравновесия зависит здесь только от значений сопротивлений, исключая 7 (R7). Первое условие равновесия моста:

Однократной регулировкой значения сопротивления регулируемого резистора 10 (R10) плоская вершина импульсного сигнала неравновесия приводится к нулю, тем самым выполняется первое условие равновесия моста (1). Равновесие моста здесь и в дальнейшем отмечается по нуль-индикатору 9 (осциллографу), при этом подача сигнала синхронизации со второго выхода генератора 1 на второй вход нуль-индикатора 9 обеспечивает устойчивость его показаний. Далее подаем на мост с генератора 1 последовательность импульсов линейно изменяющегося напряжения. При воздействии очередного такого импульса на выходе моста, после окончания переходного процесса устанавливается импульсный сигнал равновесия с плоской вершиной. Второе условие равновесия моста:

Выполнить его можно регулировкой значения емкости конденсатора 11 (С11). Однократной регулировкой этого конденсатора приводим плоскую вершину импульсного сигнала неравновесия к нулю, т.е. выполняем второе условие равновесия (2), при этом первое условие (1) не нарушается, т.к. регулируемый здесь параметр 11 (С11) в него не входит. После этого подаем на мост с генератора 1 последовательность квадратичных импульсов. При воздействии очередного импульса, после окончания переходного процесса на выходе моста устанавливается импульсный сигнал неравновесия с плоской вершиной. Третье условие равновесия моста:

Однократной регулировкой резистора 7 (R7) приводим плоскую вершину импульсного напряжения неравновесия к нулю и выполняем третье условие равновесия (3), при этом первые два условия равновесия (1), (2) не нарушаются, т.к. регулируемый здесь параметр 7 (R7) в них не входит.
Из приведенного вытекает, что мостовая цепь обладает свойством раздельного зависимого уравновешивания и уравновешивание следует проводить в приведенной выше последовательности 10(R10), 11 (C11), 7 (R7). Из трех уравнений [трех условий равновесия (1)-(3)] берется отсчет искомых трех параметров: 2(R2), 3(С3), 4(R4). Значения параметров элементов 5 (R5), 6 (С6), 8 (R8) являются постоянными.
Таким образом, данный мостовой измеритель параметров двухполюсников позволяет реализовать раздельное уравновешивание мостовой цепи при выполнении однократных регулировок значений уравновешивающих параметров, что упрощает и ускоряет проведение измерений.
Источники информации
1. А.с. 158627 СССР. МПК G01r. Способ измерения комплексных сопротивлений. – Опубл. 12.11.1963. Бюлл. 22.
2. А.с. 413430 СССР. М.Кл. G01r 17/10. Способ уравновешивания моста для измерения параметров комплексного сопротивления. – Опубл. 30.01.1974. Бюлл. 4.
3. А.с. 200662 СССР. МПК G01r. Способ измерения сложных комплексных сопротивлений. – Опубл. 15.08.1967. Бюлл. 17 (прототип).
Формула изобретения
Мостовой измеритель параметров двухполюсников, содержащий генератор питающего сложного электрического сигнала, формирующий последовательности прямоугольных, линейно изменяющихся и квадратичных импульсов, который имеет два выхода, образованных тремя выводами, один из которых заземлен, первый вывод относительно земли является выходом питающих сигналов и подключен к генераторной диагонали четырехплечей мостовой цепи, второй вывод относительно земли является выходом синхронизации, в первой ветви четырехплечей мостовой цепи последовательно включены двухполюсник объекта измерения, состоящий из параллельно соединенных первого резистора и первого конденсатора, последовательно с которыми соединен второй резистор, и одиночный резистор первого плеча отношения, во второй ветви мостовой цепи последовательно включены двухполюсник с уравновешивающими элементами, состоящий из последовательно соединенных первого конденсатора и первого резистора, и одиночный резистор второго плеча отношения, общий вывод двухполюсника объекта измерения и двухполюсника с уравновешивающими элементами образует первый вывод генераторной диагонали мостовой цепи, общий вывод одиночных резисторов двух плеч отношения заземлен и образует второй вывод генераторной диагонали мостовой цепи, в первой ветви мостовой цепи общий вывод двухполюсника объекта измерения и одиночного резистора плеча отношения образует первый вывод измерительной диагонали мостовой цепи, во второй ветви мостовой цепи общий вывод двухполюсника с уравновешивающими элементами и одиночного резистора плеча отношения образует второй вывод измерительной диагонали мостовой цепи, первый и второй выводы измерительной диагонали образуют относительно земли дифференциальный выход четырехплечей мостовой цепи, который соединен с дифференциальным входом нуль-индикатора, общая шина которого заземлена, а второй вход нуль-индикатора – вход синхронизации соединен с выходом синхронизации генератора, отличающийся тем, что в него введены в двухполюсник с уравновешивающими элементами дополнительные второй резистор и второй конденсатор, которые между собой включены параллельно, а также параллельно соединены с имеющейся цепью из последовательно соединенных первого конденсатора и первого резистора.
РИСУНКИ
|
|