|
|
(21), (22) Заявка: 2008140232/28, 09.10.2008
(24) Дата начала отсчета срока действия патента:
09.10.2008
(46) Опубликовано: 20.01.2010
(56) Список документов, цитированных в отчете о поиске:
RU 2140067 С1, 20.10.1999. RU 2290622 С1, 27.12.2006. SU 1783368 А1, 23.12.1992. SU 1640605 А1, 07.04.1991.
Адрес для переписки:
153582, г.Иваново, ул. Лежневская, 183, ОАО “Точприбор” (СКБ)
|
(72) Автор(ы):
Смушкович Бер Лейзерович (RU)
(73) Патентообладатель(и):
Открытое акционерное общество “Точприбор” (RU)
|
(54) МАШИНА ДЛЯ ИСПЫТАНИЯ МАТЕРИАЛОВ НА ТРЕНИЕ И ИЗНОС
(57) Реферат:
Изобретение относится к испытательной технике, а именно к машинам для испытания материалов на трение и износ. Техническим результатом является расширение области применения и повышение достоверности и надежности результатов испытаний за счет создания новых технических возможностей. Машина содержит станину, на которой установлен электродвигатель, связанный с нижним образцом, расположенным на валу, через вращающийся датчик момента, и с верхним образцом, закрепленным на выходном валу откидной каретки. Приложение нагрузки к образцам осуществляется с помощью нагружающего устройства, например, пружинного. Каретка установлена на поворотной платформе, шарнирно соединенной с подвижным суппортом, с возможностью ее поворота относительно вертикальной оси, проходящей через центры симметрии образцов, с помощью шарнира. Ось шарнира проходит через центр симметрии верхнего образца перпендикулярно его оси вращения. Для компенсации угла поворота платформы относительно каретки привод каретки осуществляется через компенсирующую, например, карданную передачу. Для поворота платформы вокруг оси шарнира на суппорте дополнительно установлен привод. 1 з.п. ф-лы, 3 ил.
Изобретение относится к испытательной технике, а именно к машинам для испытания на трение и износ (машины трения).
Известны машины трения, обеспечивающие испытания различных пар трения (см. Основы трибологии. Под редакцией академика А.В.Чичинадзе. Машиностроение. М, 2001, с.664, стр.580-583).
Недостатком указанных машин являются ограниченные возможности в части моделирования технически важных случаев трения.
4, с.18. Машина для испытания материалов на трение и износ ИИ 5018. Проспект ОАО «Точприбор», г.Иванове, 2001).
Машина позволяет моделировать трение и износ, а также явления контактной усталости различных узлов, встречающихся в технике.
Недостатком прототипа является возможность проведения испытаний только при параллельном расположении осей образцов, что значительно сужает область применения машины и не позволяет экстраполировать полученные на ней данные на многие технически важные случаи.
Задачей настоящего изобретения является расширение области применения и повышение надежности и достоверности результатов за счет создания новых технических возможностей.
Указанная цель достигается тем, что машина для испытания материалов на трение и износ, содержащая станину, на которой установлен электродвигатель, посредством механических передач связанный с нижним образцом через вращающийся датчик момента, и с верхним образцом, закрепленным на валу откидной каретки, суппорт, подвижный в направлении оси вращения нижнего образца, механизм нагружения образцов и системы измерения параметров испытания, при этом каретка с верхним образцом установлена на поворотной платформе, шарнирно соединенной с подвижным суппортом, с возможностью ее поворота относительно вертикальной оси, проходящей через центры симметрии образцов, с помощью шарнира, ось которого проходит через центр симметрии верхнего образца перпендикулярно его оси вращения, а привод каретки осуществляется через компенсирующую угол поворота платформы передачу, например карданную или гибкий валик, машина также дополнительно снабжена приводом, обеспечивающим возможность поворота платформы вокруг оси шарнира.
Сопоставительный анализ с прототипом показывает, что заявляемая машина отличается тем, что каретка с верхним образцом установлена на поворотной платформе, шарнирно соединенной с подвижным суппортом, с возможностью ее поворота относительно вертикальной оси, проходящей через центры симметрии образцов, с помощью шарнира, ось которого проходит через центр симметрии верхнего образца перпендикулярно его оси вращения, а привод каретки осуществляется через компенсирующую угол поворота платформы передачу, например карданную или гибкий валик, дополнительно машина снабжена приводом, обеспечивающим возможность поворота платформы вокруг оси шарнира.
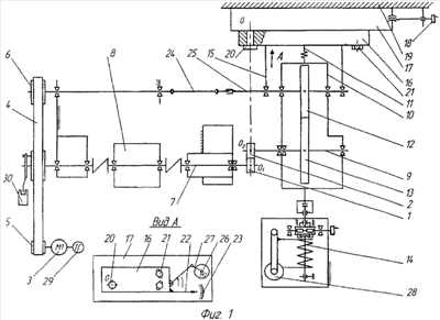
На фиг.1 изображена принципиальная схема предлагаемой машины, на фиг.2 – узел каретки, на фиг.3 – узел трения.
Машина выполнена по схеме с замкнутым кинематическим контуром, силовое замыкание которого осуществляется посредством нагружения испытываемых образцов 1 и 2 при их относительном перемещении.
От электродвигателя 3 через плоскозубчатую ременную передачу 4 вращение передается одновременно на два цилиндрических образца: через шкив 5 на нижний образец 1 и через шкив 6 на верхний образец 2.
Образцы 1 и 2 образуют испытываемую пару трения типа «диск-диск» с линейным контактом на цилиндрической поверхности (при параллельных осях).
Шкивы 5 и 6 сменные, с их помощью изменяют относительную скорость образцов, т.е. величину проскальзывания.
Движение валу 7, на котором установлен образец 1, передается через вращающийся датчик 8 момента трения с бесконтактным токосъемом, сигнал которого, пропорциональный величине измеряемого момента, поступает на вторичный измерительный прибор (на чертеже не показан).
Образец 2 установлен на выходном валу 9 откидной каретки 10, уравновешенной пружинным механизмом 11, и получает вращение через зубчатую передачу 12-13, размещенную в каретке. Приложение нагрузки к образцам осуществляется с помощью нагружающего устройства, например, пружинного 14 или другого типа (пневматическое, гидравлическое, грузовое) путем поворота каретки 10 вокруг шарниров стойки 15, закрепленной на поворотной платформе 16. Каретка 10 с платформой 16 установлена на подвижном суппорте 17, который с помощью винтовой передачи 18 может перемещаться вдоль станины 19, на которой закреплены все узлы машины, в направлении, параллельном оси вала 7. Платформа 16 соединена с суппортом 17 с помощью шарнира 20, ось которого O-O2 проходит через центр симметрии O2 образца 2, и может фиксироваться на суппорте 17 болтами 21.
В рабочем положении, когда образцы 1 и 2 введены в зацепление, ось шарнира 20 проходит через центры симметрии O1 и O2 обоих образцов (центры симметрии однородных образцов совпадают с их центрами тяжести).
Для измерения угла поворота платформы 16 служит связанная с ней стрелка 22 и шкала 23 на суппорте 17.
Для компенсации угла поворота платформы относительно каретки привод каретки, а именно соединение шкива 6 с кареткой 10, осуществляется через компенсирующую, например, карданную передачу 24, один конец которой выполнен с возможностью перемещения по шлицам вдоль входного вала 25 каретки или через гибкий валик (на чертеже не показан). При постоянном угле поворота возможно использование винтовой передачи.
Для поворота платформы 16 вокруг шарнира 20 во время работы на суппорте 17 устанавливается привод, состоящий из электродвигателя 26 с редуктором (на чертеже не показан) и передаточного механизма, например, кривошипного 27 или другого типа.
Кроме измерения момента трения и усилия прижима, которое с помощью датчика 28 также может передаваться на вторичный измерительный прибор, машина обеспечивает измерение частоты вращения с помощью тахогенератора 29 на валу электродвигателя 3, пути трения, пропорционального частоте вращения образца 1, с помощью бесконтактного датчика 30 и температуры в зоне трения с помощью скользящей термопары (на чертеже не показано) или другими известными методами.
Износ образцов измеряется путем периодического их взвешивания или другими известными методами.
Работа машины происходит следующим образом.
На валы 7 и 9 устанавливают испытываемые образцы, соответственно 1 и 2. После включения электродвигателя образцы получают встречное направление вращения (показано стрелками, фиг.2) с частотой n1 и n2 в зависимости от выбранных передаточных чисел ременной и зубчатых передач. Окружные скорости образцов подбираются так, чтобы V1>V2, т.е. образец 1 всегда ведущий (сила трения F1 направлена противоположно скорости V1).
При этом обеспечивается проскальзывание в испытуемой паре и соответственно возникновение силы трения и износа образцов после приложения силы Р.
Если оси вращения образцов параллельны, то коэффициент проскальзывания:

При одинаковых диаметрах образцов d1=d2=d имеем:

Численную величину i2-1 можно менять от 0 (технически чистое качение при V1=V2) до 1 (100% скольжение при V2=0, т.е. верхний образец заторможен).
При необходимости исследовать контактную усталость, трение и износ в кинематической паре со скрещивающимися осями, например в соответствующих зубчатых передачах, при моделировании работы пары колесо-рельс на криволинейном участке пути и в других аналогичных случаях требуется проводить испытания при угле между осями вращения образцов  0 (фиг.3).
Настройку на такой режим осуществляют следующим образом (фиг.1 и 2). С помощью винтовой передачи 18 образец 2 подводят к образцу 1 таким образом, чтобы их линия центров симметрии O1 и О2 в вертикальной плоскости проходила через шарнир 20. Затем платформу 16 с кареткой 10 поворачивают вокруг оси шарнира 20 на необходимый угол , измеряемый с помощью стрелки 22, и фиксируют на суппорте 17 болтами 21.
При этом характер контакта в зоне трения меняется, но проекция точки О пересечения осей образцов независимо от угла поворота всегда совпадает с осью шарнира (фиг.3).
Для общего случая  0 коэффициент проскальзывания:

При =0 формула 3 переходит в формулу 1 или 2.
Для моделирования работы узла трения с переменным коэффициентом проскальзывания требуется изменять по соответствующему закону угол во времени. Для этого болты 21 (фиг.1 и 2) убирают, платформу соединяют с передаточным механизмом 27 и включают электродвигатель 26, платформа 16 с кареткой 10 и образцом 2 начинают совершать движение вокруг оси шарнира 20. Этот привод можно использовать также для одноразовой настройки угла .
Предлагаемая конструкция позволяет моделировать и исследовать трение и износ, явления контактной усталости в широком диапазоне изменения геометрических, кинематических и силовых параметров, получая при этом надежные и достоверные данные в режимах, максимально приближенных к реальным условиям работы, в частности в зубчатых и фрикционных передачах, в т.ч. со скрещивающимися осями вращения, в узлах типа «кольцо-рельс», включая имитацию криволинейных участков.
Формула изобретения
1. Машина трения, содержащая станину, на которой установлен электродвигатель, посредством механических передач связанный с нижним образцом через вращающийся датчик момента и с верхним образцом, закрепленным на валу откидной каретки, суппорт, подвижный в направлении оси вращения нижнего образца, механизм нагружения образцов и системы измерения параметров испытания, отличающаяся тем, что каретка с верхним образцом установлена на поворотной платформе, шарнирно соединенной с подвижным суппортом, с возможностью ее поворота относительно вертикальной оси, проходящей через центры симметрии образцов, с помощью шарнира, ось которого проходит через центр симметрии верхнего образца перпендикулярно его оси вращения, а привод каретки осуществляется через компенсирующую угол поворота платформы передачу, например, карданную или гибкий валик.
2. Машина по п.1, отличающаяся тем, что она дополнительно снабжена приводом, обеспечивающим возможность поворота платформы вокруг оси шарнира.
РИСУНКИ
|
|