|
|
(21), (22) Заявка: 2008146286/28, 24.11.2008
(24) Дата начала отсчета срока действия патента:
24.11.2008
(46) Опубликовано: 20.01.2010
(56) Список документов, цитированных в отчете о поиске:
RU 2047147 C1, 27.10.1995. SU 1796965 A1, 23.02.1993. RU 2047144 C1, 27.10.1995.
Адрес для переписки:
199106, Санкт-Петербург, В.О., 21 линия, 2, СПГГИ(ТУ), патентный отдел
|
(72) Автор(ы):
Лодус Евгений Васильевич (RU)
(73) Патентообладатель(и):
Государственное образовательное учреждение высшего профессионального образования “Санкт-Петербургский государственный горный институт имени Г.В. Плеханова (технический университет)” (RU)
|
(54) УСТАНОВКА ДЛЯ МЕХАНИЧЕСКИХ ИСПЫТАНИЙ ОБРАЗЦОВ ПРИ ЦИКЛИЧЕСКОМ НАГРУЖЕНИИ
(57) Реферат:
Изобретение относится к испытательной технике, к испытаниям на прочность. Установка для механических испытаний образцов при циклическом нагружении содержит основание, установленные на нем захваты образца, колесо с приводом вращения, ползун с прорезью, ролик для электромагнитной связи ползуна с колесом, размещенный в прорези ползуна, толкатель, соединенный с ползуном, и упругий элемент, связывающий толкатель с одним из захватов. Причем в ползуне выполнены дополнительные прорези и в них установлены дополнительные ролики для электромагнитной связи ползуна с колесом. Техническим результатом является повышение объема получаемой информации путем обеспечения испытаний при мгновенных изменениях уровней и направления развития циклической нагрузки в течение полуцикла. 1 ил.
Изобретение относится к испытательной технике, к испытаниям на прочность.
Известна установка для механических испытаний образцов при циклическом нагружении (патент РФ 1504564, кл. G01N 3/32, 1990), содержащая основание, установленные на нем захваты образца, колесо с приводом вращения, ползун с прорезью, ролик, размещенный в прорези и предназначенный для связи ползуна с колесом, толкатель, соединенный с ползуном, и упругий элемент, связывающий толкатель с одним из захватов.
Недостаток установки состоит в отсутствии возможности проводить механические циклические испытания при изменениях уровней циклической нагрузки в течение полуцикла.
Известна установка для механических испытаний образцов при циклическом нагружении (патент РФ 1590956, кл. G01N 3/34, 1990), содержащая основание, установленные на нем захваты образца, колесо с приводом вращения, ползун с прорезью, ролик, размещенный в прорези и предназначенный для связи ползуна с колесом, толкатель, соединенный с ползуном, и упругий элемент, связывающий толкатель с одним из захватов.
Недостаток установки также состоит в отсутствии возможности проводить механические циклические испытания при изменениях уровней циклической нагрузки в течение полуцикла.
Известна установка для механических испытаний образцов при циклическом нагружении (патент РФ 2047147, кл. G01N 3/34, 1993), принимаемая за прототип. Установка содержит основание, установленные на нем захваты образца, колесо с приводом вращения, ползун с прорезью, ролик, размещенный в прорези и предназначенный для связи ползуна с колесом, толкатель, соединенный с ползуном, и упругий элемент, связывающий толкатель с одним из захватов.
Недостаток установки также состоит в отсутствии возможности проводить механические циклические испытания при изменениях уровней циклической нагрузки в течение полуцикла.
Техническим результатом изобретения является повышение объема получаемой информации путем обеспечения испытаний при мгновенных изменениях уровней и направления развития циклической нагрузки в течение полуцикла.
Технический результат достигается тем, что в установке для механических испытаний образцов при циклическом нагружении, содержащей основание, установленные на нем захваты образца, колесо с приводом вращения, ползун с прорезью, ролик, размещенный в прорези и предназначенный для связи ползуна с колесом, толкатель, соединенный с ползуном, и упругий элемент, связывающий толкатель с одним из захватов, согласно изобретению в ползуне выполнены дополнительные прорези и в них установлены дополнительные ролики, при этом ролики имеют с колесом электромагнитную связь.
Предлагаемая установка способна в ходе перемещения ползуна менять место его перемещений в процессе движения к захватам или от захватов, т.е. в течение полуцикла. Изменение места перемещений ползуна меняет степень деформации упругого элемента и соответственно уровень нагрузки на образце. Этим создается новый технический результат.
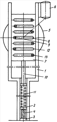
На чертеже представлена схема установки.
Установка для механических испытаний образцов при циклическом нагружении содержит основание 1, установленные на нем захваты 2, 3 образца 4, колесо 5 с приводом вращения 6, ползун 7 с прорезью 8, ролик 9, размещенный в прорези и предназначенный для связи ползуна 7 с колесом 5, толкатель 10, соединенный с ползуном, и упругий элемент 11, связывающий толкатель с одним из захватов 2.
В ползуне 7 выполнены дополнительные прорези 12 и в них установлены дополнительные ролики 13. Ролики 9, 13 имеют с колесом 5 электромагнитную связь.
Установка работает следующим образом.
Соединяют один из роликов, например ролик 9, с колесом 5 и включают привод 6. Колесо 5 приходит во вращение, ролик 9 перемещает возвратно-поступательно ползун 7, который через толкатель 10, упругий элемент 11 и захват 2 циклически нагружает образец 4. Для изменения уровня нагрузки в течение полуцикла производят переключение роликов 9, 13. Так, для повышения уровня нагрузки переключение ролика производят в момент, когда ползун находится в нижнем (по чертежу) для этого ролика положении, причем вместо ролика 9 включают один из роликов, расположенных выше ролика 9. Для снижения нагрузки переключение ролика 9 проводят в верхнем положении ползуна и включают один из роликов, расположенных ниже ролика 9. Степень изменения нагрузки определяется расстоянием между прорезями, в которых находятся переключаемые ролики: чем больше это расстояние, тем на большую величину изменяется нагрузка.
Установка обеспечивает испытания в новых условиях – при изменениях уровней циклической нагрузки в течение полуцикла.
Формула изобретения
Установка для механических испытаний образцов при циклическом нагружении, содержащая основание, установленные на нем захваты образца, колесо с приводом вращения, ползун с прорезью, ролик для электромагнитной связи ползуна с колесом, размещенный в прорези ползуна, толкатель, соединенный с ползуном, и упругий элемент, связывающий толкатель с одним из захватов, отличающаяся тем, что в ползуне выполнены дополнительные прорези и в них установлены дополнительные ролики для электромагнитной связи ползуна с колесом.
РИСУНКИ
|
|