|
|
(21), (22) Заявка: 2008137848/28, 22.09.2008
(24) Дата начала отсчета срока действия патента:
22.09.2008
(46) Опубликовано: 20.01.2010
(56) Список документов, цитированных в отчете о поиске:
КАЛАШНИК В. Автоматическая водокачка. Радио. – 1991, 6, стр.32, 33. SU 909580 A1, 28.02.1982. RU 2299406 C1, 20.05.2007. RU 2262668 C2, 20.10.2005. US 3797311 A, 19.03.1974.
Адрес для переписки:
248600, г.Калуга, ул. Гоголя, 2, С.В. Карпенко
|
(72) Автор(ы):
Карпенко Сергей Владимирович (RU)
(73) Патентообладатель(и):
Карпенко Сергей Владимирович (RU)
|
(54) УСТРОЙСТВО КОНТРОЛЯ И РЕГУЛИРОВАНИЯ УРОВНЯ ЖИДКОСТИ
(57) Реферат:
Изобретение относится к области автоматизации производственных процессов в машиностроении и предназначено для автоматизации технологических процессов, связанных с контролем и регулированием жидких сред. Сущность: устройство конструктивно выполнено в виде двух функциональных узлов и имеет два вывода программирования функциональных возможностей и четыре выхода. При замкнутых выводах программирования устройство трансформируется в систему контроля и регулирования уровня жидкости с использованием первого и второго выходов устройства, обеспечивающую режим контроля и поддержания уровня жидкости на фиксированной высоте и режим наполнения и опорожнения резервуара с жидкостью. При разомкнутых выводах программирования устройство трансформируется в комплект сигнализаторов уровня верхнего и нижнего уровней контролируемой жидкости кондуктивного типа, выходами которых являются соответственно третий и четвертый выходы устройства. Устройство обеспечивает вертикальный, горизонтальный и комбинированный (вертикальный монтаж одного и горизонтальный монтаж другого функционального узла) способы монтажа. Устройство позволяет устанавливать точность контроля уровня жидкости в режиме контроля и поддержания уровня жидкости на его фиксированной высоте. Изобретение обеспечивает управление нагрузками в виде электромагнитного реле, двух обмоток электромагнитных пускателей и входов логических элементов. Технический результат – расширение функциональных возможностей устройства путем обеспечения регулирования уровня жидких сред на фиксированной высоте с возможностью программирования его функциональных возможностей и увеличения номенклатуры управляемых нагрузок и способов его монтажа. 5 ил.
Изобретение относится к области автоматизации производственных процессов в машиностроении и предназначено для автоматизации технологических процессов, связанных с контролем и регулированием жидких сред.
Известно устройство контроля, содержащее датчик уровня жидкости, генератор электрических колебаний, индикатор, детектор (см. авторское свидетельство SU 243872, MПK G01F, кл. 42е, 34, “Компенсационный оптический уровнемер”, 14.05.1969).
Такое устройство обладает ограниченными функциональными возможностями из-за отсутствия возможности:
1) работать в режиме наполнения и опорожнения резервуаров жидкостью, а также поддерживать ее уровень на фиксированной высоте, так как такое устройство позволяет осуществлять только контроль уровня жидкости;
2) управления различными видами нагрузок, например такими, как обмотка электромагнитного реле и (или) две обмотки управления электромагнитных пускателей насосных установок;
3) производить горизонтальный или комбинированный (вертикальный монтаж одного и горизонтальный монтаж другого датчика) способы монтажа датчиков уровня жидкости на объекте эксплуатации;
4) производить программирование его функциональных возможностей. Кроме того, такое устройство отличается сложностью конструкции датчика уровня жидкости.
Известно также устройство контроля, содержащее первый и второй датчики уровня жидкости, первый и второй пороговые элементы, регулятор чувствительности (см. Каталог продукции 2004, ПО “Овен”. “Контрольно-измерительные приборы и средства автоматизации промышленных предприятий”, прибор для управления погружным насосом ОВЕН САУ-М2, с.110; сайт ПО “Овен” www.owen.ru, “Каталог продукции 2007”, версия 7, прибор для управления погружным насосом ОВЕН САУ-М2, с.137). Но такое устройство имеет ограниченные функциональные возможности, так как:
1) не позволяет работать в режиме контроля и поддержания уровня контролируемой жидкости на заданной фиксированной его высоте в связи с тем, что конструкция такого устройства обеспечивает его работу только в режиме заполнения и опорожнения резервуара с жидкостью;
2) не обеспечивает горизонтальный и комбинированный (вертикальный монтаж одного и горизонтальный монтаж другого датчика) способы монтажа датчиков уровня жидкости на объекте их эксплуатации, потому что конструкция этого устройства позволяет производить только вертикальный способ монтажа его датчиков уровня жидкости;
3) не позволяет осуществлять управление различными видами нагрузок, например таких, как обмотка электромагнитного реле и (или) две обмотки управления электромагнитных пускателей насосных установок.
Наиболее близким по технической сущности к предлагаемому решению является устройство контроля, содержащее мультивибратор, датчик уровня жидкости, первый и второй триггеры, первый и второй повторители, детектор, первый и второй пороговые элементы, первый и второй регуляторы чувствительности, первый и второй конденсаторы (см. журнал “Радио”, 6, 1991, с.32).
Однако такое устройство обладает ограниченными функциональными возможностями, так как:
1) конструкция его обеспечивает работу только в режиме наполнения и опорожнения резервуара с контролируемой жидкостью и не позволяет работу этого устройства в режиме контроля и поддержания уровня контролируемой жидкости на заданной фиксированной его высоте;
2) не обеспечивает горизонтальный и комбинированный способы монтажа датчиков уровня жидкости, потому что конструкция устройства позволяет производить только вертикальный способ их монтажа на объекте эксплуатации;
3) не позволяет производить программирование его функциональных возможностей;
4) позволяет работу только на один вид нагрузки в виде электромагнитного реле и не позволяет, например, работу его на две обмотки управления электромагнитных пускателей насосных установок.
Решаемая изобретением задача – расширение функциональных возможностей устройства путем обеспечения регулирования уровня жидких сред на фиксированной высоте с возможностью программирования его функциональных возможностей и увеличения номенклатуры управляемых нагрузок и способов его монтажа.
Поставленная задача достигается тем, что в устройство контроля и регулирования уровня жидкости, содержащее первый мультивибратор, первый датчик уровня жидкости, первый и второй триггеры, первый детектор, первый и второй пороговые элементы, первый и второй повторители, первый и второй регуляторы чувствительности, первый и второй конденсаторы, в него введены второй датчик уровня жидкости, второй детектор, выход которого подключен ко входу второго порогового элемента, первый и второй дифференциаторы, входы которых соединены с прямым и инверсным выходами соответствующих пороговых элементов и со входами соответствующих повторителей, блок установки в исходное состояние, выход которого соединен с выходом второго дифференциатора, R-входом первого триггера, выход которого является первым выходом устройства, S-входом второго триггера, R-вход которого соединен с S-входом первого триггера, а его выход является вторым выходом устройства, первый и второй блоки индикации, входы которых подключены к выходам соответствующих триггеров, второй мультивибратор, при этом датчики уровня жидкости выполнены кондуктивными, каждый из которых содержит два токопроводящих электрода, один из которых является сигнальным электродом, другой – общим электродом, выполненным длиннее сигнального электрода и подключенным к общей “земле” устройства, а выходы первого и второго мультивибраторов соединены с первыми выводами соответствующих конденсаторов, вторые выводы которых подключены к первым выводам соответствующих регуляторов чувствительности, вторые выводы которых соединены со входами соответствующих детекторов, к входам которых подключены сигнальные электроды соответствующих датчиков уровня жидкости, причем выходы первого и второго повторителей являются соответственно третьим и четвертым выходами устройства, которое конструктивно выполнено в виде двух функциональных узлов, первый из которых включает в себя соединенные последовательно первые мультивибратор, конденсатор, регулятор чувствительности, детектор, пороговый элемент, повторитель, а также первые датчик уровня жидкости и дифференциатор с соответствующими их связями, второй узел – остальную часть схемы устройства, а выход первого дифференциатора и точка соединения S-входа и R-входа соответственно первого и второго триггеров являются выводами программирования функциональных возможностей устройства, при замыкании которых устройство трансформируется в систему контроля и регулирования уровня жидкости с использованием его первого и второго выходов, а при размыкании – в комплект сигнализаторов контроля верхнего и нижнего уровней жидкости, которыми являются соответственно первый и второй функциональные узлы устройства, с использованием третьего и четвертого выходов устройства.
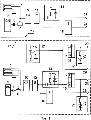
На фиг.1 представлена функциональная схема датчика; на фиг.2 – вертикальный и горизонтальный способы монтажа в режиме заполнения и опорожнения резервуара; на фиг.3 – вертикальный и горизонтальный способы монтажа устройства в режиме поддержания уровня жидкости не его фиксированной высоте при неограниченном пространстве монтажной зоны; на фиг.4 – вертикальный и горизонтальный способы монтажа устройства в режиме поддержания уровня жидкости на его фиксированной высоте при ограниченном пространстве монтажной зоны; на фиг.5 – диаграммы напряжений, поясняющие работу устройства.
Устройство содержит первый и второй датчики 1, 2 уровня жидкости, первый и второй мультивибраторы 3, 4, первый и второй конденсаторы 5, 6, первые выводы которых подключены к выходам соответственно первого и второго мультивибраторов 3, 4, первый и второй регуляторы 7, 8 чувствительности, первые выводы которых соединены со вторыми выводами соответственно первого и второго конденсаторов 5, 6, первый и второй детекторы 9, 10, входы которых подключены ко вторым выводам соответственно первого и второго регуляторов 7, 8 чувствительности, первый и второй пороговые элементы 11, 12, каждый из которых выполнен, например, по схеме триггера Шмитта, входы которых соединены с выходами соответственно первого и второго детекторов 9, 10, первый и второй дифференциаторы 13, 14, входы которых подключены к прямому и инверсному выходам соответственно первого и второго пороговых элементов 11 и 12, первый RS-триггер 15, второй RS-триггер 16, блок 17 установки в исходное состояние схемы устройства, выход которого соединен с выходом второго дифференциатора 14, R-входом первого триггера 15, S-входом второго триггера 16, R-вход которого соединен с S-входом первого триггера 15, первый и второй повторители 18, 19, выполненные, например, на основе транзистора n-p-n типа, включенного по схеме эмиттерного повторителя, входы которых подключены к прямому и инверсному входам соответственно первого и второго пороговых элементов 11 и 12, первый и второй, блоки 20, 21 индикации, входы которых соединены с выходами соответственно первого и второго RS-триггеров 15 и 16, первую и вторую выходные клеммы 22 и 23, подключенные к выходам соответственно первого и второго триггеров и являющиеся соответственно первым и вторым выходами устройства, третью и четвертую выходные клеммы 24 и 25, соединенные с выходами соответственно первого и второго повторителей 18 и19 и являющиеся соответственно третьим и четвертым выходом устройства.
Каждый датчик 1, 2 уровня жидкости выполнен, например, кондуктивным в виде двух токопроводящих электродов, один из которых является сигнальным электродом, а другой – общим электродом. Сигнальные электроды первого и второго датчиков 1, 2 уровня подключены к входам соответственно первого и второго детекторов 9, 10. Общие электроды обоих датчиков 1, 2 соединены с общей “землей” схемы устройства. Конструктивно общие электроды датчиков 1, 2 выполнены длиннее сигнальных электродов для их идентификации и ориентации устройства при различных способах его монтажа на объекте эксплуатации. Кроме того, такое соотношение длины сигнальных и общих электродов датчиков обеспечивает во всех режимах работы и способах монтажа устройства смывание или осушение общего электрода датчика уровня жидкости всегда первым или одновременно с сигнальным электродом. Это, в свою очередь, всегда обеспечивает в любые моменты контроля уровня жидкости и его регулирования нахождение контролируемой жидкости под потенциалом общей “земли” устройства или вне контакта с электродами датчиков 1, 2.
Сигналом для возбуждения электродов датчиков 1, 2 является переменное напряжение низкой частоты, подаваемое с выходов соответствующих мультивибраторов 3, 4. Это позволяет исключить поляризацию электродов датчиков 1, 2 и протекания процессов электролиза и, как следствие, потери их чувствительности вследствие осаждения солей и значительно продлить срок их службы. Сигнальные и общие электроды датчиков 1, 2 выполнены из материала, устойчивого к воздействию контролируемых жидкостей, вызывающих коррозию и разрушение электродов, например из нержавеющей стали или из низкоуглеродистых сталей с хромовым или никелевым покрытиями в зависимости вида контролируемой жидкости.
Мультивибраторы 3, 4 выполнены, например, по схеме симметричного автогенератора прямоугольных импульсов на основе операционного усилителя (см. книгу Шило В.Л. Линейные схемы в радиоэлектронной аппаратуре. – М.: Сов. Радио, 1974, с.175, рис.4.42, а).
Регуляторы 7, 8 чувствительности выполнены, например, на основе резистора с переменным значением сопротивления в виде переменного резистора, включенного по схеме реостата и обеспечивающего плавную настройку чувствительности датчиков 1, 2, или подборного резистора с постоянным значением сопротивления, обеспечивающего ступенчатую настройку чувствительности датчиков 1, 2. Наличие в составе устройства регуляторов 7, 8 чувствительности позволяет адаптировать его к работе с широким диапазоном электропроводности контролируемых жидкостей: водопроводной, загрязненной воды, пищевых растворителей, молока и молочных напитков, слабокислотных и щелочных растворов и пр., путем начальной установки значения сопротивления регуляторов 7, 8.
Детекторы 9, 10, выполнены, например, по схеме диодного пассивного преобразователя амплитудных значений переменного напряжения в постоянное с последовательным включением выпрямительного диода с выходной нагрузкой в виде параллельной RC-цепи (см. книгу Волгин Л.И. Измерительные преобразователи переменного напряжения в постоянное. М.: Сов. радио, 1977, с.174, рис.4.9, б).
Дифференциаторы 13, 14 предназначены для формирования импульсов отрицательной полярности по отрицательным перепадам выходных напряжений U2 и U3 соответственно первого и второго пороговых элементов 11, 12 для управления триггерами 15 и 16 соответственно. Каждый дифференциатор 13, 14 выполнен, например, на основе дифференцирующей RC-цепи, состоящей из последовательно включенных конденсатора и резистора, параллельно которому включен диод, анод которого подключен к точке соединения первых выводов резистора и конденсатора, являющейся выходом соответствующего дифференциатора. Входом дифференциатора является второй вывод конденсатора RC-цепи, при этом катод диода и второй вывод резистора RC-цепи подключены к источнику напряжения питания (см. фиг.1).
Блок 17 установки в исходное состояние схемы устройства выполнен, например, на основе транзистора n-p-n типа и RC-цепи (см. фиг.1), состоящей из последовательно включенных конденсатора и резистора, точка соединения первых выводов которых подключена к базе транзистора блока 17, а второй вывод резистора и эмиттер транзистора блока 17 соединены с общей “землей” схемы устройства. При этом второй вывод конденсатора подключен к источнику напряжения питания, а коллектор транзистора, являющийся выходом блока 17, соединен с выходом дифференциатора 14, R-входом триггера 15 и S-входом триггера 16. Блок 17 предназначен для установки схемы устройства в исходное состояние в момент подачи на него напряжения питания.
Каждый блок индикации 20, 21 выполнен, например, на основе (см. фиг.1) последовательно соединенных резистора, подключенного первым выводом к выходу соответствующего триггера 15, 16, и светодиода, катод которого подключен к общей “земле” схемы устройства. Блоки 20, 21 индикации предназначены для визуального контроля подачи на нагрузки сигналов управления с выходов первого и второго триггеров 15 и 16 соответственно и контроля исправного состояния устройства.
Выходы триггеров 15, 16 и повторителей 18, 19 выполнены с уровнями нагрузочной способности, обеспечивающими коммутацию управляющих обмоток электромагнитных пускателей и слаботочных электромагнитных реле. Кроме того, их нагрузкой могут быть входы логических элементов цифровых микросхем.
Повторители 18, 19 предназначены для согласования выходных сопротивлений пороговых элементов 11, 12 и сопротивлений нагрузок, подключаемых к их выходам через выходные клеммы 24 и 25.
Конструктивно устройство выполнено в виде двух функциональных узлов 26 и 27 (см. фиг.1). Первый узел 26 включает в себя мультивибратор 3, конденсатор 5, регулятор 7 чувствительности, детектор 9, пороговый элемент 11, повторитель 18, соединенные последовательно, а также датчик 1 уровня жидкости и дифференциатор 13 с соответствующими своими электрические связями. Второй узел 27 включает в себя всю остальную часть схемы устройства, не вошедшую в состав функционального узла 26. При этом выход первого дифференциатора 13 и точка соединения S-входа первого триггера 15, R-входа второго триггера 16 являются соответственно выводами 28 и 29 программирования функциональных возможностей устройства. Когда вывод 28, входящий в состав узла 26 и вывод 29, входящий в состав узла 27, замкнуты, устройство трансформируется в систему контроля и регулирования уровня жидкости. При этом для работы устройства используются его первый и второй выходы, которыми являются соответственно первая и вторая выходные клеммы 22 и 23, принадлежащие функциональному узлу 27. В случае разомкнутых выводов 28, 29 устройство трансформируется в комплект сигнализаторов контроля уровня жидкости, состоящий из двух сигнализаторов, один из которых является сигнализатором верхнего уровня жидкости в виде функционального узла 26 устройства, второй – сигнализатором нижнего уровня жидкости в виде функционального узла 27 устройства. В этом случае используется третий и четвертый выходы устройства, которыми являются выходные клеммы 24 и 25 соответственно, принадлежащие первому и второму узлам 26 и 27 устройства соответственно. Причем программирование функциональных возможностей устройства осуществляется простым способом без изменения его конструкции путем замыкания или размыкания выводов 28 и 29 при электромонтаже на объекте эксплуатации.
Для лучшего представления конструкции устройства и особенностей его конструктивного исполнения и применения на объекте эксплуатации, обеспечивающие расширенные функциональные возможности устройства, ниже приводятся некоторые пояснения.
Выше было отмечено, что конструктивно предлагаемое устройство выполнено в виде двух функциональных узлов 26 и 27. При этом каждый из них выполнен, например, в цилиндрическом корпусе. На одном торце корпуса, являющемся рабочим торцом соответствующего функционального узла, установлены сигнальный и общий электроды кондуктивного датчика уровня жидкости 1 или 2. На другом торце корпуса заделан первый конец соединительного кабеля определенной длины, на другом конце которого произведен монтаж кабельного соединителя, например, со штыревыми контактами. Монтаж соединителей устройства, состоящего их двух функциональных узлов 26, 27, производится с помощью двух ответных соединителей (на фиг.2, фиг.3, фиг.4 не показаны) с контактами типа “гнездо”, установленных на объекте эксплуатации. С помощью этих соединителей производится сочленение функциональных узлов 26, 27 устройства. На их задних сторонах производится монтаж электрических цепей напряжения питания, монтаж проводов для подключения к выходам устройства нагрузок и выводов 28, 29 программирования функциональных возможностей устройства. На фиг.1 выводы программирования 28, 29 показаны в разомкнутом виде.
В случае соединения выводов 28, 29, например методом пайки на ответных частях соединителей устройства, оно функционирует как система контроля и регулирования уровня жидкости в двух различных режимах: в режиме контроля уровня, наполнения и опорожнения жидкости или в режиме контроля уровня жидкости и поддержания его на фиксированной высоте. При этом используется первый и второй выходы устройства, а третий и четвертый его выходы не задействуются и используются как контрольные выводы для тестирования работы кондуктивных датчиков 1, 2 уровня жидкости, функциональных узлов 26 и 27 или для размножения сигналов с выходов повторителей 18, 19 для нужд других потребителей этих сигналов на объекте эксплуатации.
Когда необходимо управлять промышленными насосными установками через электромагнитный пускатель с двумя обмотками управления на его выключение или включение, задействуются соответственно первый и второй выходы устройства. В случае управления насосной установкой с помощью электромагнитного реле с одной обмоткой управления, используется для ее управления только второй выход устройства, который включает или выключает электромагнитное реле.
При разомкнутых выводах 28, 29 устройство трансформируется в комплект самостоятельных функциональных узлов 26, 27 с функциональными возможностями сигнализаторов соответственно верхнего и нижнего уровней жидкости. При необходимости для контроля уровня жидких сред могут использоваться одновременно оба сигнализатора верхнего и нижнего уровней или один из них. При этом могут использоваться только третий и (или) четвертый выходы устройства, а первый и второй выходы устройства не задействуются.
Рассмотрим работу устройства в трех различных режимах: в режиме заполнения и опорожнения резервуара, в режиме поддержания уровня жидкости на его фиксированной высоте и в режиме сигнализаторов уровня жидкости.
Работа устройства в режиме заполнения и опорожнения резервуара.
В этом режиме используется вертикальный или горизонтальный способы монтажа устройства в открытых и закрытых резервуарах (см. фиг.2) со стенками, выполненными из проводящего или из диэлектрического материала. При этом узлы 26 и 27 устанавливаются на объекте эксплуатации в вертикальном положении. Причем узел 26 устанавливается вверху, а узел 27 – внизу резервуара 30. Выводы 28, 29 при этом замкнуты между собой.
При подаче в момент времени t0 на устройство напряжения питания в блоке 17 происходит заряд конденсатора через переход эмиттер-база транзистора n-p-n типа (см. фиг 1). При этом транзистор блока 17 открывается, и через его переход коллектор-эмиттер подается на R-вход триггера 15 и на S-вход триггера 16 импульс напряжения U1 с уровнем логического “0” (см. фиг.5). В результате на выходах триггеров 15 и 16 и соответственно на первой и второй выходных клеммах 22 и 23 устанавливаются напряжения U7 и U8 с уровнями логического “0” и логической “1” соответственно. После окончания заряда конденсатора блока 17 его транзистор закрывается и в дальнейшем на работу схемы устройства влияния не оказывает. После чего на коллекторе транзистора блока 17, на R-входе триггера 15, S-входе триггера 16 и на выходе дифференциатора 14 через его резистор устанавливается напряжение U1 с уровнем логической “1”. Одновременно через резистор дифференциатора 13 на S-входе и R-входе соответственно триггеров 15, 16 устанавливается напряжение U4 с уровнем логической “1”. Вместе с тем мультивибраторы 3, 4 переходят в режим генерации электрических колебаний, так как в исходном состоянии в резервуаре 30 контролируемая жидкость 31 отсутствует, и электроды датчиков 1, 2 находятся в осушенном состоянии. Выходные импульсные напряжения мультивибраторов 3 и 4 подаются через конденсаторы 5 и 6, регуляторы 7 и 8 на входы детекторов 9 и 10 соответственно. Амплитудные значения импульсных напряжений с выходов мультивибраторов 3 и 4 преобразуются детекторами 9 и 10 в постоянные напряжения с уровнями логической “1” и с их выходов подаются на входы соответственно пороговых элементов 11 и 12. Под действием этих напряжений последние переключаются в такие устойчивые состояния, при которых на их прямом и инверсном выходах устанавливаются напряжения U2 и U3 соответственно с уровнями логической “1” и логического “0”. Наряду с этим после подачи на устройство напряжения питания светодиод блока 20 индикации не светится, а светодиод блока 21 индикации засвечивается. При этом с выхода триггера 16 через выходную клемму 23 подается напряжение U8 с уровнем логической “1” на управляющую обмотку включения (на фиг.1 она не показана) электромагнитного пускателя насосной установки. После чего начинается заполнение резервуара 30 жидкостью 31, и контролируемый уровень жидкости поднимается в резервуаре вверх.
В момент времени t1 происходит смывание жидкостью 31 электродов датчика 2. В результате через электроды датчика 2 и контролируемую жидкость 31 вход детектора 10 замыкается на общую “землю” схемы устройства. После чего на выходе детектора 10 устанавливается напряжение с уровнем логического “0”, под действием которого пороговый элемент 12 переключается в такое устойчивое состояние, при котором на его выходе, входе и выходе повторителя 19 устанавливаются напряжения соответственно U3 и U6 с уровнем логической “1”. Но в момент положительного перепада напряжения U3, подаваемого на вход дифференциатора 14, на выходе последнего формирования импульса напряжения U1 с уровнем логического “0” не происходит, так как дифференциатор 14 формирует этот импульс только в момент появления на его входе отрицательного перепада напряжения U3 с выхода порогового элемента 12. Поэтому переключения триггеров 15, 16 в момент времени t1 не происходит, и продолжается процесс наполнения резервуара жидкостью.
В момент времени t2 электроды датчика 1 омываются жидкостью 31. В результате через его электроды и контролируемую жидкость вход детектора 9 замыкается на общую “землю” схемы устройства. После чего на выходе детектора 9 устанавливается напряжение с уровнем логического “0”, под действием которого пороговый элемент 11 переключается в такое устойчивое состояние, при котором на его выходе, входе и выходе повторителя 18 устанавливаются напряжения соответственно U2 и U5 с уровнями логического “0”. При этом в момент отрицательного перепада напряжения U2 на выходе порогового элемента 11 (см. фиг.5), подаваемого на вход дифференциатора 13, на выходе последнего происходит формирование импульса напряжения U4 с уровнем логического “0”. В результате по S-входу и по R-входу происходит переключение триггеров 15 и 16 соответственно. После чего на их выходах устанавливаются напряжения U7 и U8 с уровнями логической “1” и логического “0” соответственно. При этом светодиод индикатора 21 гаснет, а светодиод индикатора 20 засвечивается. В этот момент с выхода триггера 15 через выходную клемму 22 подается напряжение U7 с уровнем логической “1” на управляющую обмотку (на фиг.1 она не показана) выключения электромагнитного пускателя насосной установки. В результате насосная установка отключается, и наполнение резервуара 30 в момент времени t2 прекращается. После чего схема устройства и положение уровня контролируемой жидкости 31 могут находиться в таком состоянии до тех пор, пока не начнется ее расход.
После момента времени t2, например, начинается расход контролируемой жидкости 31. Через некоторый промежуток времени в момент t3 происходит осушение сигнального электрода датчика 1. При этом происходит отключение входа детектора 9 от общей “земли” устройства, и с выхода мультивибратора 3 подается на вход порогового элемента 11 импульсное напряжение, под действием которого на выходе детектора 9 и входе порогового элемента 11 устанавливается напряжение с уровнем логической “1”. Пороговый элемент 11 переключается в исходное состояние, при котором на его выходе устанавливается напряжение U2 с уровнем логической “1”. Но под действием положительного перепада напряжения U2, подаваемого с выхода порогового элемента 11 на вход дифференциатора 13, формирования на его выходе импульса напряжения U4 с уровнем логического “0” не происходит, так как дифференциатор 13 формирует этот импульс только по отрицательному перепаду входного напряжения U2. Поэтому переключения триггеров 15, 16 также не происходит, и процесс расхода жидкости 31 продолжается.
Через некоторый промежуток времени в момент t4 происходит осушение сигнального электрода датчика 2. В результате происходит отключение входа детектора 10 от общей “земли” схемы устройства, и на вход детектора подается с выхода мультивибратора 4 импульсное напряжение, под действием которого на выходе детектора 10 и на входе порогового элемента 12 устанавливается напряжение с уровнем логической “1”. Пороговый элемент 12 переключается в другое устойчивое состояние, при котором на его выходе устанавливается напряжение U3 с уровнем логического “0”. В момент отрицательного напряжения U3 на выходе дифференциатора 14 формируется импульс напряжения U1 с уровнем логического “0”, под действием которого триггеры 15, 16 переключаются в исходное состояние, при котором на их выходах устанавливаются напряжения U7 и U8 с уровнями логического “0” и логической “1” соответственно. При этом светодиод индикатора 20 гаснет, а светодиод индикатора 21 засвечивается. В этот момент с триггера 16 чрез выходную клемму 23 подается напряжение U8 с уровнем логической “1” на управляющую обмотку (на фиг.1 она не показана) включения электромагнитного пускателя насосной установки. На этом первый цикл контроля и регулирования уровня жидкости заканчивается, и начинается второй цикл работы устройства с момента времени t4 по алгоритму, описанному выше в первом цикле работы устройства. Второй цикл работы устройства показан на фиг.5, начиная с момента t4 и до момента времени t8.
Работа устройства в режиме поддержания уровня жидкости на его фиксированной высоте.
В этом режиме могут использоваться вертикальный или горизонтальный способы монтажа устройства в открытых и закрытых резервуарах (см. фиг.3, фиг.4), стенки, которых могут быть выполнены из токопроводящего или диэлектрического материала. При этом выводы 28, 29 находятся в замкнутом состоянии.
Устройство может применяться в этом режиме в условиях неограниченного пространства монтажной зоны (см. фиг.3), когда объектом эксплуатации устройства являются резервуары больших габаритов и монтаж узлов 26 и 27 устройства осуществляется на противоположных стенках резервуара при горизонтальном способе монтажа устройства или вблизи противоположных стенок резервуара при вертикальном способе его монтажа.
При применении устройства в этом режиме при ограниченном пространстве монтажной зоны (см. фиг.4), когда объектом эксплуатации могут быть резервуары как больших, так и малых габаритов, монтаж узлов 26 и 27 производится на одной стенке резервуара вплотную друг к другу горизонтальным или вертикальным способами их монтажа.
Работа устройства в этом режиме идентична работе его в режиме заполнения и опорожнения резервуара и описывается диаграммами, приведенными на фиг.5. Отличие этого режима от описанного выше состоит в том, что в этом случае используется более узкий диапазон регулирования уровня контролируемой жидкости, который обеспечивается величиной смещения в вертикальной плоскости осей симметрии сигнальных электродов датчиков 1 и 2 соответственно узлов 26 и 27 при горизонтальном способе их монтажа или концов сигнальных электродов датчиков 1 и 2 узлов 26 и 27 при вертикальном способе их монтажа (см. фиг.3, фиг.4).
Причем величина такого смещения во много раз меньше фиксированной высоты уровня контролируемой жидкости, принимаемой за номинальное ее значение, т.е. номинальное значение высоты контролируемого уровня жидкости, на которой осуществляется поддержание ее с заданной точностью. В свою очередь величиной указанного смещения определяется точность поддержания уровня контролируемой жидкости. Чем меньше это смещение, тем с большей точностью осуществляется поддержание уровня жидкости на его фиксированной высоте.
Если величину указанного смещения принять равной L, то точность регулирования уровня жидкости на его фиксированной высоте составит ± L/2 при задании номинального значения уровня жидкости на его фиксированной высоте L в середине смещения L. Так, например, при номинальном заданном значении высоты уровня контролируемой жидкости L=2 м и при смещении L=5 см точность регулирования (поддержания) уровня жидкости на этой высоте составляет 2,5%. Выбирая в этом режиме величину указанного смещения, можно устанавливать требуемое значение точности регулирования уровня жидкости на выбранной фиксированной его высоте регулирования.
Работа устройства в режиме сигнализаторов уровня жидкости.
В этом режиме выводы 28, 29 находятся в разомкнутом состоянии. Узлы 26 и 27 устройства функционируют как сигнализаторы верхнего и нижнего уровней жидкости соответственно. В этом случае они допускают вертикальный и горизонтальный способы монтажа на объекте эксплуатации. При этом используются третий и четвертый выходы устройства. Причем первый и второй выходы устройства в этом случае не задействуются.
Работа узла 26 устройства с функциональными возможностями сигнализатора уровня верхнего уровня жидкости описывается диаграммами U2 и U5, приведенными на фиг.5. Работа узла 27 устройства с функциональными возможностями сигнализатора уровня нижнего уровня жидкости описывается диаграммами U3 и U6, приведенными на фиг.5.
Во всех описанных выше режимах работы устройства в случае неограниченного пространства монтажной зоны устройство обеспечивает также комбинированный способ монтажа на объекте эксплуатации, когда монтаж узла 26 (27) производится вертикальным способом, а монтаж узла 27 (26) – горизонтальным способом.
Таким образом, предлагаемое устройство по сравнению с аналогами имеет ряд преимуществ: выполнение системы контроля и регулирования уровня жидкости в виде двух компактных сигнализаторов верхнего и нижнего уровней жидкости, горизонтальный и комбинированный способы монтажа, возможность контроля и поддержания уровня жидкости на заданной фиксированной его высоте и с заданной точностью регулирования, простой способ программирования его функциональных возможностей, расширенная номенклатура управляемых нагрузок, возможность применения на объектах эксплуатации с ограниченным пространством монтажной зоны.
Кроме того, выполнение схемы устройства с применением полупроводниковых и (или) гибридных технологий изготовления микросхем позволяет существенно уменьшить его габаритные размеры, материалоемкость и улучшить эксплуатационные характеристики.
Такой набор функциональных возможностей обеспечивает в сравнении с аналогами гибкость применения предлагаемого устройства на объектах эксплуатации с минимальными стоимостными показателями.
Формула изобретения
Устройство контроля и регулирования уровня жидкости, содержащее первый мультивибратор, первый датчик уровня жидкости, первый и второй триггеры, первый детектор, первый и второй пороговые элементы, первый и второй повторители, первый и второй регуляторы чувствительности, первый и второй конденсаторы, отличающееся тем, что в него введены второй датчик уровня жидкости, второй детектор, первый и второй дифференциаторы, входы которых соединены с прямым и инверсным выходами соответствующих пороговых элементов, входы которых подключены к выходам соответствующих детекторов и со входами соответствующих повторителей, блок установки в исходное состояние, выход которого соединен с выходом второго дифференциатора, R-входом первого триггера, выход которого является первым выходом устройства, S-входом второго триггера, R-вход которого соединен с S-входом первого триггера, а его выход является вторым выходом устройства, первый и второй блоки индикации, входы которых подключены к выходам соответствующих триггеров, второй мультивибратор, при этом первый и второй датчики уровня жидкости выполнены кондуктивными, каждый из которых содержит два токопроводящих электрода, один из которых является сигнальным электродом, другой – общим электродом, выполненным длиннее сигнального электрода и подключенным к общей “земле” устройства, а выходы первого и второго мультивибраторов соединены с первыми выводами соответствующих конденсаторов, вторые выводы которых подключены к первым выводам соответствующих регуляторов чувствительности, вторые выводы которых соединены со входами соответствующих детекторов, к входам которых подключены сигнальные электроды соответствующих датчиков уровня жидкости, причем выходы первого и второго повторителей являются соответственно третьим и четвертым выходами устройства, которое конструктивно выполнено в виде двух функциональных узлов, первый из которых включает в себя соединенные последовательно первые мультивибратор, конденсатор, регулятор чувствительности, детектор, пороговый элемент, повторитель, а также первые датчик уровня жидкости и дифференциатор с соответствующими их связями, второй узел – остальную часть схемы устройства, а выход первого дифференциатора и точка соединения S-входа и R-входа соответственно первого и второго триггеров являются выводами программирования функциональных возможностей устройства, при замыкании которых устройство трансформируется в систему контроля и регулирования уровня жидкости с использованием его первого и второго выходов, а при размыкании – в комплект сигнализаторов контроля верхнего и нижнего уровней жидкости, которыми являются соответственно первый и второй функциональные узлы устройства, с использованием третьего и четвертого выходов устройства.
РИСУНКИ
|
|