|
|
(21), (22) Заявка: 2008105072/09, 13.07.2006
(24) Дата начала отсчета срока действия патента:
13.07.2006
(30) Конвенционный приоритет:
14.07.2005 EP 05015346.9
(43) Дата публикации заявки: 20.08.2009
(46) Опубликовано: 10.01.2010
(56) Список документов, цитированных в отчете о поиске:
RU 2195791 С2, 27.12.2002. RU 2239865 С2, 10.11.2004. RU 2220076 С1, 27.12.2003. RU 46195 U1, 27.06.2005. SU 1255172 А1, 07.09.1986. SU 1725419 А1, 07.04.1992. US 2005108996 А1, 26.05.2005. DE 19833247 А1, 03.02.2000. WO 9522882 А1, 24.08.1995.
(85) Дата перевода заявки PCT на национальную фазу:
14.02.2008
(86) Заявка PCT:
EP 2006/006880 20060713
(87) Публикация PCT:
WO 2007/006580 20070118
Адрес для переписки:
101000, Москва, М.Златоустинский пер., 10, кв.15, “ЕВРОМАРКПАТ”, пат.пов. И.А.Веселицкой, рег. 11
|
(72) Автор(ы):
ШВАРЦ Роберт (DE), РУДОЛЬФ Кристиана (DE), МУЛЛЕР Джейсон У. (US), ПУН Вай Синг (US)
(73) Патентообладатель(и):
У.Л. ГОУР ЭНД АССОШИЕЙТС ГМБХ (DE)
|
(54) ВЕНТИЛЯТОРНОЕ ОХЛАЖДАЮЩЕЕ УСТРОЙСТВО ДЛЯ ОХЛАЖДЕНИЯ ЭЛЕКТРОННЫХ КОМПОНЕНТОВ
(57) Реферат:
В заявке описано вентиляторное охлаждающее устройство (100) для охлаждения электронных компонентов, такое как используемое в случае телекоммуникационных базовых станций с воздушным охлаждением, которое содержит защитный закрывающий элемент для по меньшей мере отверстия (11) впуска воздуха в корпусе (8), в который помещаются электронные компоненты. Защитный закрывающий элемент (1) содержит рамку (2), в которую помещается составной фильтрующий материал (3), чтобы создать воздухонепроницаемое соединение. Составной фильтрующий материал (3) содержит мембранный фильтрующий слой (20) с пористой полимерной мембраной, такой как пенополитетрафторэтилен (ПТФЭ), а также по меньшей мере один слой (18) объемного фильтрующего материала, размещенный на стороне впуска мембранного фильтрующего слоя (20). Слой объемного фильтрующего материала содержит волокна с электростатическим зарядом. Мембрана из ПТФЭ предпочтительно изготавливается из смеси ПТФЭ-гомополимера и модифицированного ПТФЭ-полимера. Техническим результатом изобретения является улучшение способности по защите от воды, влажности и любых иных элементов, которые содержатся в воздушном потоке и которые могут привести к повреждению или разрушению электронных компонентов. 2 н.п. и 21 з.п. ф-лы, 11 ил., 2 табл.
Предпосылки создания изобретения
Настоящее изобретение относится к охлаждающему устройству с вентилятором, служащем для охлаждения электронных компонентов, в частности используемому в местах открытых для воздействия различных погодных условий, таких как в телекоммуникационных базовых станциях с воздушной системой охлаждения.
Вентиляторное охлаждающее устройство для телекоммуникационных базовых станций, соответствующее известному уровню техники, описано в публикации WO 00/04980. Оно содержит корпус, служащий для помещения электронных телекоммуникационных компонентов, по меньшей мере одно входное отверстие в корпусе, служащее для проникновения воздуха, и по меньшей мере одно отверстие в корпусе, служащее для выхода воздуха, по меньшей мере один вентилятор, служащий для создания воздушного потока движущегося от входного отверстия через корпус к выходному отверстию для воздуха, и по меньшей мере один защитный закрывающий элемент для полного закрытия по меньшей мере входного вентиляционного отверстия, а также для удаления частиц из воздушной струи, попадающей внутрь корпуса. Защитный закрывающий элемент включает составной (композитный) фильтрующий материал, а также рамку (каркас), в которой данный составной фильтрующий материал помещается таким образом, чтобы создать воздухонепроницаемое соединение между фильтрующим материалом и рамкой. Фильтрующий материал содержит мембранный фильтрующий слой, включающий пористую полимерную мембрану, а также поддерживающий материал, расположенный по обе стороны, как с лицевой, так и с тыльной поверхности мембранного фильтрующего слоя, такой как нетканый сетчатый материал, текстильная ткань, трикотажное полотно, сетка или перфорированный лист. Поддерживающий материал и мембранный фильтрующий слой могут примыкать друг к другу, не будучи скрепленными, а также могут представлять собой части многослойного припрессованного материала (ламинат). Мембранный фильтрующий слой может состоять из синтетического полимера, выбираемого из группы, содержащей полиэтилен, полипропилен и фторополимеры, включая тетрафторэтилен/этиловой сополимер (перфторалкил)винила (ПФА), тетрафторэтилен/сополимер гексафторпропилена (ФЭП) и политетрафтороэтилен (ПТФЭ). Снаружи перед защитным закрывающим элементом может быть установлен щиток с прорезями для защиты конструкции от вандализма и возможности механического повреждения, но он также может препятствовать прямому попаданию брызг воды на составной фильтрующий материал.
Известное из уровня техники вентиляторное охлаждающее устройство является особенно полезным в случаях, когда корпус с электронными компонентами располагается на открытом воздухе и не имеет, или почти не имеет, защиты, будучи полностью открытым воздействию погодных условий. Мембранный фильтрующий материал стоит на пути сильного воздушного потока и позволяет при помощи вентиляторного охлаждающего устройства достигать разницы температур менее 10 K даже при повышенной температуре окружающего воздуха, а также гарантирует защиту от воды и проникновения влаги согласно высоким требованиям Европейских Телекоммуникационных Стандартов.
В основу настоящего изобретения положена задача создания вентиляторного охлаждающего устройства с улучшенными способностями по защите от воды, влажности и любых иных элементов, которые содержатся в воздушном потоке и которые могут привести к повреждению или разрушению электронных компонентов.
Краткое изложение сущности изобретения
Указанная цель согласно настоящему изобретению достигается в вентиляторном охлаждающем устройстве согласно вышеупомянутому уровню техники, но имеющему иной составной фильтрующий материал защитного закрывающего элемента. В настоящем изобретении составной фильтрующий материал содержит, помимо мембранного фильтрующего слоя, по меньшей мере один слой объемного (пористого) фильтрующего материала (фильтрующего материала с извилистыми порами), расположенный на стороне впуска мембранного фильтрующего слоя, определяемой относительно направления перемещения потока газа (воздуха), проходящего через фильтр.
Слой объемного фильтрующего материала предпочтительно содержит волокна с электростатическим зарядом, при этом заряд не является большим, чтобы негативно повлиять на работу электронных компонентов, расположенных в корпусе. В то время как электрически заряженный фильтрующий материал может быть изготовлен при помощи различных известных технических приемов, один из подходящих способов добавления электростатического заряда холодным способом волокнистой ткани описан в патенте US 5401446. Заряженные волокна улучшают работу фильтра, притягивая маленькие частицы к волокнам и удерживая их. Было обнаружено, что благодаря этому перепад давления в фильтрующем материале возрастает медленнее, чем это происходило бы без наличия электронного заряда слоя объемного фильтрующего материала.
Удаление маленьких частиц при помощи объемного фильтрующего материала (предварительного фильтра) предотвращает засорение мембранного фильтрующего слоя благодаря нарастанию осадка на фильтре на поверхности мембраны (которая является “поверхностным” фильтрующим материалом по сравнению с “объемным” фильтрующим материалом). Благодаря этому воздухопроницаемость осадка на фильтре поддерживается в течение долгого периода времени. Предполагается, что фильтр согласно настоящему изобретению может быть сконструирован для постоянного использования в сильно загрязненных зонах и что срок его использования будет равен сроку службы электронных компонентов, и его не надо будет заменять.
Поддерживающий слой, отличный от объемного фильтрующего материала, предпочтительно располагается на стороне впуска или на стороне выпуска мембраны и служит для оказания поддержки функционирования мембраны по противодействию воздушному потоку, который приводит к понижению давления. Необходимо отметить, однако, что поддерживающий слой окажет значительное негативное влияние на общую суммарную воздухопроницаемость фильтрующего материала. В частности, это особенно проявляется, когда поддерживающий слой представляет собой составную часть многослойного припрессованного (ламинированного) материала мембраны. Конечным образом, воздухопроницаемость фильтра может быть уменьшена в 5 раз благодаря прикреплению поддерживающего слоя слоистым образом к мембране (ламинированию).
В то время как слой объемного фильтрующего материала или слои предпочтительно содержат нетканый волокнистый сетчатый материал, в частности сетчатый материал, полученный аэродинамическим способом из расплава, мембранный фильтрующий слой предпочтительно изготавливается из пористого политетрафтороэтилена (ПТФЭ). ПТФЭ представляет собой гидрофобную и тонкую микропористую структуру, поверхность которой хорошо противодействует проникновению воды, а также является сильной эффективной при улавливании мелких частиц, благодаря чему она также эффективно противодействует проникновению частиц соли. Как было показано в патенте US 5814405, использование мембран из ПТФЭ оказалось весьма эффективным для подобных целей. Мембраны, описанные в данной публикации, обладают высокой эффективностью при фильтрации, пропускании воздушного потока и обладают высокой прочностью на продавливание. Методы изготовления соответствующих мембран из ПТФЭ полностью описаны в данной публикации и включены в данное описание в качестве ссылки. Эти мембраны из ПТФЭ могут быть приобретены в компании W.L.Gore & Associates, Inc., Ньюарк, шт. Делавэр, США. Однако могут быть использованы также и другие мембраны из ПТФЭ, обладающие аналогичной структурой.
Было обнаружено, что данный вид мембран из ПТФЭ способствует достижению хорошего компромисса между такими релевантными факторами, как пропускание воздуха, задержание воды и соли, эффективность фильтрации частиц и обслуживание. В частности, точечные отверстия, которые обычно образуются при сгибании фильтрующего материала с целью образования гофрированного (складчатого) картриджа или панельного фильтра, больше не являются проблемой при использовании таких мембран из ПТФЭ.
Эти преимущественные свойства таких мембран могут быть приписаны их микроструктуре. Говоря более точно, мембраны из ПТФЭ, описанные в патенте US 5814405, обладают внутренней микроструктурой, состоящей в основном из серий утолщений, связанных друг с другом при помощи фибрилл (тонких волоконец), при этом утолщения в основном располагаются параллельно друг другу и являются сильно вытянутыми в длину, а соотношение их длины к толщине составляет 25:1 или более, а предпочтительно 150:1 или еще более. Подобное может быть достигнуто, когда мембраны из ПТФЭ изготавливаются из смеси гомополимера ПТФЭ и модифицированного полимера ПТФЭ.
В то время как средний размер пор мембраны, описанной в патенте US 5814405, находится в пределах величины, меньшей или равной 1,5 мкм, для целей настоящего изобретения является предпочтительным, чтобы средний размер пор мембраны превышал бы величину 1,5 мкм, а в частности, находился бы в пределах от 1,5 до 15 мкм, а в случае предпочтительного варианта осуществления изобретения он составляет 3 мкм. Подобное может быть легко достигнуто благодаря дальнейшему расширению мембраны в продольном и/или поперечном направлении во время ее изготовления вплоть до момента, как будет достигнуто желаемое строение пористой структуры мембраны.
Таким образом, становится возможным обеспечить наличие защитного покрытия, содержащего составной фильтрующий материал с гофрированным ламинированным слоем, состоящим из мембраны из ПТФЭ, и поддерживающего слоя, а также из по меньшей мере одного электростатически заряженного фильтрующего материала, полученного аэродинамическим способом из расплава, где ламинированный слой обладает воздухопроницаемостью величиной от 3 до примерно 15 единиц по методу Фрейзера, а также уровень эффективности фильтрации частиц, по меньшей мере, равным 90% в случае частиц величиной 0,3 мкм при скорости потока фильтруемого воздуха 10 см/с, где фильтрующий материал, полученный аэродинамическим способом из расплава, обладает воздухопроницаемостью величиной от 30 до примерно 130 единиц по методу Фрейзера, а уровнем эффективности фильтрации частиц этого материала составляет по меньшей мере 50% в случае частиц величиной 0,3 мкм. Эффективность фильтрации 99% и выше для частиц величиной 0,3 мкм может быть достигнута благодаря использованию такого составного фильтра, как изделие марки (H12-13), применение которого в случае телекоммуникационных базовых станций с воздушной системой охлаждения является крайне желательным.
В случае настоящего изобретения не требуется наличия отдельного туманоуловителя. Также фильтрующий материал настоящего изобретения может быть использован при температуре окружающей среды, находящейся в интервале от -40°С до +70°С. В конечном счете, также не требуется наличия и отдельного фильтра для соли, поскольку фильтрующий материал является водостойким (IP X5), а также он обеспечивает высокий уровень задержания соли фильтром. Благодаря этому обеспечивается высокоэффективная защита против коррозии электронных компонентов. Одноступенчатый фильтрующий материал настоящего изобретения является легким, ожидается, что он будет иметь долгий срок службы при самых суровых условиях окружающей среды.
Благодаря многослойной структуре составного фильтрующего материала лишь некоторые из самых маленьких частиц, содержащихся в воздухе, проникнут сквозь предварительный фильтр слоя объемного фильтрующего материала и достигнут поверхности мембраны с определенной задержкой. Предварительный фильтр, полученный аэродинамическим способом из расплава, имеющий эффективность фильтрации примерно 90%, отфильтрует, таким образом, большую часть частиц. С течением времени на стороне впуска предварительного фильтра образуется осадок. Такой осадок на фильтре способствует получению дополнительного фильтрующего эффекта. Фильтрационная эффективность осадка на фильтре увеличивается со временем, способствуя превращению его в вид предварительного фильтра. Когда такой фильтр, загруженный ранее указанным образом, попадает во влажный климат, где, например, относительная влажность воздуха составляет более 90%, осадок на фильтре начинает выполнять важную роль для всего фильтрующего материала. Выражаясь более точно, если осадок на фильтре образовался прямо на поверхности материала мембраны, то набухание частиц осадка на фильтре во влажном климате приведет к увеличению уровня падения давления вдоль всего фильтрующего материала. Однако такое увеличение уровня падения давления будет меньше, если осадок на фильтре отделен от поверхности мембраны, к примеру, при помощи предварительного фильтра.
Краткое описание чертежей
Ниже изобретение более подробно рассмотрено со ссылкой на прилагаемые чертежи, на которых:
фиг.1 представляет собой вентиляторное охлаждающее устройство согласно данному изобретению,
фиг.2 представляет собой вид в перспективе защитного закрывающего элемента, используемого в охлаждающем устройстве,
фиг.3 представляет собой кольцеобразный защитный закрывающий элемент,
фиг.4 представляет собой вид в перспективе защитного закрывающего элемента аналогичному тому, что изображен на фиг.2, но имеющего панель с прорезями на стороне впуска,
фиг.5 представляет собой поперечный разрез сквозь часть защитного закрывающего элемента фиг.2,
фиг.6 представляет собой вид поперечного сечения составного (композитного) фильтрующего материала охлаждающего устройства по настоящему изобретению,
фиг.7 представляет собой вид поперечного сечения другого составного фильтрующего материала с отдельным поддерживающим слоем, расположенным на стороне выпуска фильтрующего материала,
фиг.8 представляет собой вид поперечного сечения еще одного составного фильтрующего материала с отдельным поддерживающим слоем, расположенным по центру,
фиг.9 представляет собой вид поперечного сечения последующего фильтрующего материала с дополнительным стабилизирующим слоем, расположенным на стороне впуска фильтрующего материала,
фиг.10 изображает, в качестве примера, увеличенный вид поперечного сечения структуры слоя, предпочтительного мембранного фильтрующего слоя, представляющего собой часть составного фильтрующего материала, и
фиг.11 представляет собой график, изображающий улучшенные показатели работы составного фильтрующего материала по сравнению с мембранными фильтрами.
Детальное описание вариантов осуществления
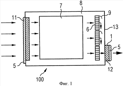
Фиг.1 схематично изображает вентиляторное охлаждающее устройство 100, в котором располагаются электронные компоненты, такие как, к примеру, электронные схемы, усилители, полупроводники и т.п., которые обозначаются как единый комплекс под номером 7. Благодаря одному или большему количеству вентиляторов 6, установленных на задней стенке 13 корпуса 8, образуется поток воздуха, направление перемещения которого обозначается при помощи стрелок. Количество вентиляторов зависит от величины корпуса 8 и компонентов 7, которые подлежат охлаждению. Пригодные для использования вентиляторы 6 являются осевыми и радиальными вентиляторами. Воздушный поток проходит через впускное отверстие 11 для воздуха (отверстие впуска воздуха), попадая внутрь корпуса 8, и выходит из корпуса 8 на противоположной стороне через выпускное отверстие 12 для воздуха (отверстие выпуска воздуха). Впускные и выпускные отверстия 11, 12 плотно закрыты защитным закрывающим элементом 1, который представляет собой водонепроницаемый пористый материал, так что воздух, подаваемый вентилятором 6, может попадать внутрь корпуса лишь исключительно через защитный закрывающий элемент 1 и, таким образом, он будет фильтроваться, проходя через фильтрующий материал 3. Защитный закрывающий элемент 1 может быть опционально расположен как внутри, так и снаружи корпуса 8, как схематично изображено на фиг.1. Пластина 5 в виде панели с прорезями располагается снаружи перед защитным закрывающим элементом 1 и служит для защиты его от механического повреждения, вандализма и от брызг воды. Воздух, предпочтительно, нагнетается внутрь через всю переднюю поверхность корпуса 8, проходит между электронными компонентами 7 и направляется за вентиляторы 6 при помощи отклоняющих пластин 9 к выпускному отверстию 12. Отклоняющие пластины 9 помогают соединить поток воздуха, направив его в углы корпуса, а затем направляют горячий воздух к выпускному отверстию 12. Типичный размер корпуса 8 базовой станции или распределительного щита телекоммуникационных устройств, воздвигаемых снаружи помещений, равен 1500×1000×1000 мм3 (В×Ш×Г), в то время как размер защитного закрывающего элемента 1, к примеру, равен 1000×450×1000 мм3 (В×Ш×Г). Размеры зависят от размера корпуса 8 и количества воздуха, подлежащего перемещению.
Фиг.2-5 изображают частные варианты выполнения защитного закрывающего элемента 1. Фиг.5 изображает рамку 2, которая может быть изготовлена из пластика или металла, а в целях устойчивости конструкции и по соображениям веса предпочтительно использовать алюминий. В рамке 2 располагается фильтрующий материал 3, сложенный гофрированным (складчатым) образом. Складки располагаются вертикально, чтобы позволить влаге, оседающей на передней части фильтрующего материала, стекать вниз. Как изображено на фиг.2, глубина рамки 2 выбирается таким образом, чтобы длинные боковые кромки сложенного фильтрующего материала 3 не выходили бы за стенку 2с рамки 2, благодаря чему создается воздухонепроницаемое соединение между фильтрующим материалом 3 и рамкой 2, что в свою очередь препятствует пропуску воздуха в обход фильтрующего материала 3.
Фильтрующий материал 3 предпочтительно сгибается, образуя гофрированную форму, изображенную на фиг.2, что способствует улучшению прочности конструкции и значительно увеличивает площадь поверхности, открытой для фильтрации воздуха. Складки могут иметь высоту, предпочтительно не превышающую 250 мм, а более предпочтительно находящуюся в интервале от 30 до 90 мм. В то время как фильтрующий материал 3 изображен на фиг.2, будучи сложенным, чтобы образовать гофрированную панель, может быть желательным соединить два края этой панели, чтобы образовать цилиндрический фильтрующий материал, как это изображено на фиг.3. В этом случае фильтрующий материал 3 располагается по кругу, а его боковые края закрываются соответствующими закрывающими наконечниками (крышками) 2а, 2b. Конструкция такого закрывающего элемента, где рамка 2 формируется двумя закрывающими наконечниками 2а, 2b, по существу соответствует кольцевому фильтру, имеющему форму картриджа. Закрывающий наконечник 2а имеет отверстие 15, которое служит для вывода воздуха в направлении, указанном стрелками. Закрывающий наконечник 2b с отверстием 15 присоединен к корпусу 8.
Складки гофрированого фильтрующего материала 3 предпочтительно закрепляются (стабилизируются) при помощи распорок со стороны впуска и со стороны выпуска, что позволяет осуществлять процесс фильтрации при высокой скорости воздушного потока, достигающей и превышающей 5 см/сек.
Предпочтительно, если фильтрующий материал 3 будет закреплен на рамке 2 при помощи заливочного материала 4 (фиг.5), такого как полиуретан, эпоксидная смола, силикон, термоклей или поливинилхлоридная паста (пластизоль). Для того чтобы обеспечить герметичное соединение, заливочный материал 4 должен выбираться или подвергаться соответствующему воздействию, чтобы пропитать фильтрующий материал 3, что позволит добиться образования герметичного непрерывного соединения. В случае одного примера фильтрующий материал 3 может быть изготовлен таким образом, чтобы иметь пропускную способность до 1500 м3/ч, предпочтительно же находящуюся в интервале от 200 до 500 м3/ч.
Фиг.4 изображает защитный закрывающий элемент 1, аналогичный тому, что изображен на фиг.2, однако этот закрывающий элемент имеет панель 5 с прорезями, встроенную в конструкцию закрывающего элемента на его впускной части. Панель с прорезями 5 может быть впаянной (встроенной) в конструкцию закрывающего элемента вместе с фильтрующим материалом 3 при помощи заливочного материала 4.
Составной фильтрующий материал 3, использованный в защитном закрывающем элементе 1 охлаждающего устройства 100 по настоящему изобретению, имеет по меньшей мере два фильтрующих слоя: мембранный фильтрующий слой и объемный фильтрующий слой. Мембранный фильтрующий слой содержит пористую полимерную мембрану. По меньшей мере один объемный фильтрующий слой располагается на стороне впуска мембранного фильтрующего слоя, определяемой относительно направления перемещения потока газа (воздуха), проходящего через фильтр. В случае необходимости составной фильтрующий материал может содержать поддерживающий слой. Поддерживающий слой может располагаться как на стороне впуска, так и на стороне выпуска мембранного фильтрующего слоя относительно направления перемещения потока газа (воздуха), проходящего через фильтр. Также в случае необходимости поддерживающий слой может быть припрессован (заламинирован) к мембране.
Фиг.6-8 изображают поперечное сечение нескольких вариантов составного фильтрующего материала 3. Объемный фильтрующий слой 18 располагается на впускной стороне мембранного фильтрующего слоя 20, направление перемещения потока воздуха отображается при помощи стрелки (фиг.6). На фиг.7 изображен фильтрующий материал 3, содержащий поддерживающий слой 22, расположенный на выпускной стороне мембранного фильтрующего слоя 20. На фиг.8 поддерживающий слой 22 размещен на впускной стороне мембранного фильтрующего слоя 20 между объемным фильтрующим слоем 18 фильтрующего материала и мембранным фильтрующим слоем 20. В то время как поддерживающий слой 22 предпочтительно припрепрессован (заламинирован) к мембранному фильтрующему слою 20, слой 18 объемного фильтрующего материала может находиться в неплотном контакте с мембранным фильтрующим слоем 20, также соответственно и с поддерживающим слоем 22.
В добавление к этому, как изображено на фиг.9, стабилизирующий слой 23, выполненный в форме, к примеру, волоконной сети, может быть размещен как самый верхний слой конструкции на поверхности слоя 18 объемного фильтрующего материала, что необходимо для предотвращения нарушения порядка расположения волокон в слое 18 объемного фильтрующего материала во время манипулирования и обработки фильтрующего материала 10. Стабилизирующий слой 23 предпочтительно изготавливается из нетканого материала, плотность которого составляет от 2 до 10, а предпочтительно от 3 до 5 г/м2, а сам он может быть прикреплен к слою 18 объемного фильтрующего материала термическим способом, механическим образом или при помощи клея.
Слой 18 объемного фильтрующего материала составного фильтрующего материала 3 предпочтительно является нетканой волокнистой полимерной сеткой, такой как материал спанбонд (нетканый термоскрепленный материал) или, предпочтительно, материалом, полученным аэродинамическим способом из расплава, состоящим из полипропилена и полиэтилена, нетканой полиэфирной тканью, стекловолокном, микростекловолокном, целлюлозой и политетрафторэтиленом.
Сетчатые материалы, полученные аэродинамическим способом из расплава, изготавливаются посредством вытягивания волокон, спряденных из расплава, сходящимися в одной точке потоками горячего воздуха, в результате чего производятся сильно тонкие волокна. Использование технологии производства материала аэродинамическим способом из расплава приводит к образованию непрерывных волокон толщиной менее одного денье, которые обладают относительно небольшим диаметром, не превышающим обычно 10 микрон.
Слой(и) сетчатого материала из полимерного волокна, полученного аэродинамическим способом из расплава, может изготавливаться из множества полимерных материалов, включая полипропилен, сложный полиэфир, полиамид, поливинилхлорид, полиметилметакрилат и полиэтилен. Полипропилен является одним из наиболее предпочтительных для применения полимерных материалов. Обычно полимерные волокна, которые образуют сетчатый материал, имеют диаметр, находящийся в интервале от приблизительно 0,5 мкм до приблизительно 10 мкм. Является предпочтительным, чтобы размер волокна находился бы в интервале от приблизительно 1 мкм до приблизительно 5 мкм.
Толщина слоев 18 объемного фильтрующего материала не является критическим параметром. Если глубоко лежащий фильтрующий материал является сетчатым материалом, изготовленным аэродинамическим способом из расплава, то, к примеру, его толщина может находиться в интервале от приблизительно 0,25 мм до приблизительно 3 мм. Большая толщина ведет к большей пылеулавливающей способности фильтра. Однако сильно толстые слои объемного фильтрующего материала могут ограничить общее количество слоев такого материала, которые могут быть использованы в случае составного фильтрующего материала.
Выбор базового веса объемного фильтрующего материала также находится в пределах компетенции специалистов в данной области техники. Вес сетчатого материала из полимерного волокна, изготавливаемого аэродинамическим способом из расплава, может находиться, к примеру, в интервале от приблизительно 1 до приблизительно 100 г/м2, а предпочтительно базовый вес сетчатого материала из волокна, изготавливаемого аэродинамическим способом из расплава, находится в пределах от приблизительно 10 до приблизительно 50 г/м2.
По меньшей мере один слой объемного фильтрующего материала формируется как электретный фильтрующий материал, содержащий высокоэффективный слой с электростатическим зарядом. Электрический заряд добавляется к сетчатым материалам из волокон, полученных аэродинамическим способом из расплава, чтобы улучшить их фильтрующие качества, что осуществляется путем применения множества известных технических приемов.
Например, подходящий сетчатый материал без труда заряжается холодным образом посредством последовательного воздействия на него серии электрических полей, так чтобы прилегающие электрические поля обладали бы по существу противоположной полярностью по отношению друг к другу, как это описано в патенте US 5401446 (Tsai и др.). Как было описано в данной публикации, одна сторона сетчатого материала первоначально подвергается воздействию положительного заряда, в то время как другая сторона сетчатого материала первоначально подвергается воздействию отрицательного заряда. После этого первая сторона сетчатого материала подвергается воздействию отрицательного заряда, а другая сторона сетчатого материала подвергается воздействию положительного заряда. Вместе с тем электретные фильтрующие материалы могут также изготавливаться и путем применения иных известных технических приемов.
Слой 18 объемного фильтрующего материала может также содержать добавки, которые улучшают его фильтрующие свойства и также может содержать слои из экстрагируемых углеводородов, что также служит улучшению его фильтрующих свойств. Волокна могут содержать определенные перерабатываемые в расплаве углеводороды, например фторсодержащие оксазолидиноны и пиперазины, а также соединения олигомеров, которые содержат перфорированные соединения. Использование подобных добавок может быть особенно полезным для фильтрующих возможностей электрически заряженного сетчатого фильтра. Помимо этого предварительный фильтр может быть поверхностно обработан при помощи соответствующих химикатов, содержащих фторированные полимеры, что позволяет добиться определенного уровня его гидрофобности.
На стороне выпуска слоя 18 объемного фильтрующего материала размещается микропорный полимерный мембранный фильтрующий слой 20. Микропорная полимерная мембрана 20 служит для улавливания частиц, которые проходят через объемные фильтрующие слои. Микропорные полимерные мембраны продемонстрировали свою общую надежность и безотказность в удалении частиц и организмов из потоков жидкости и газа. Эти мембраны обычно характеризуются своим полимерным составом (структурой), воздухопроницаемостью, величиной давления проникновения воды и степенью эффективности фильтрации.
Множество микропорных полимерных мембран может быть использовано в качестве мембранного фильтрующего слоя в зависимости от требований их применения. Мембранный фильтрующий слой может быть изготовлен из следующих материалов, таких как, к примеру: нитроцеллюлоза, триацетил целлюлозы, полимид, поликарбонат, полиэтилен, полипропилен, политетрафторэтилен, полисульфон, поливинилхлорид, поливинилиденфторид, сополимер акрилата.
Мембранный фильтрующий слой предпочтительно состоит из гидрофобных материалов, которые обладают способностью предотвращать проникновение жидкостей. Мембранный фильтрующий слой должен обладать способностью противостоять приложенному по отношению к фильтрующему материалу дифференциальному давлению и при этом не допускать просачивание жидкости через него. Предпочтительная мембрана обладает способностью сопротивляться давлению воды величиной по меньшей мере 0,2 бар, а предпочтительно давлению величиной более чем 0,5 бар, а также обладать средней воздухопроницаемость, находящейся в интервале от приблизительно от 7 единиц по методу Фрейзера до приблизительно 100 единиц, а более предпочтительно она должна обладать средней воздухопроницаемостью, равной по меньшей мере 30 единицам, а наиболее предпочтительно, равной по меньшей мере 60 единицам.
Является предпочтительным, чтобы мембранный фильтрующий слой представлял бы собой микропорный фторполимер, такой как ПТФЭ, фторсодержащий этиленпропилен (ФЭП), перфторалкокси полимер (ПФА), полипропилен (ПП), полиэтилен (ПЭ) или полиэтилен с сильно высокой молекулярной массой.
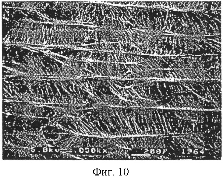
Является наиболее предпочтительным, если мембранный фильтрующий слой будет включать ПТФЭ. Подходящие мембраны из ПТФЭ описаны в патенте US 5814405. Мембраны, описанные в данной публикации, обладают хорошей фильтрационной эффективностью, высоким уровнем пропускаемости воздушного потока, а также имеют хороший показатель прочности на разрыв. Фиг.10 показывает изображение, полученное сканирующим электронным микроскопом, взятое из упомянутого патента и использованное в данной публикации, чтобы показать пример микроструктуры, описываемой в данном случае мембраны из ПТФЭ. Как может быть видно, микроструктура мембраны состоит из серии утолщений, соединенных друг с другом при помощи фибрилл (тонких волоконец), где утолщения главным образом располагаются параллельно друг другу, являются сильно вытянутыми, а отношение их длины к диаметру составляет 25:1 или более. Считается, что такие длинные утолщения микроструктуры помогают предотвращать любые расщепления мембраны во время процесса складывания фильтра, что предотвращает опасность образования точечных отверстий в мембране.
Мембранный фильтрующий слой 20 может, если это необходимо, содержать заполняющий материал, позволяющий улучшить определенные характеристики фильтра. Подходящие к применению заполнители включают такие материалы, как газовая сажа или иные проводящие заполнители, каталитические макрочастицы, порошок оксида кремния тонкого измельчения, коллоидальную двуокись кремния или абсорбирующие материалы, такие как активированный уголь или керамические заполнители, такие как активированный оксид алюминия и TiO2, а сами методы изготовления заполненных мембран, пригодных для использования в случае настоящего изобретения, полностью описаны в патенте US 5814405.
Поддерживающий слой 22 используется для стабилизации фильтрующего слоя 20. Предпочтительный поддерживающий материал должен, таким образом, быть достаточно жестким, чтобы поддерживать мембранные и объемные фильтрующие слои, но при этом также быть и достаточно мягким и гибким, чтобы не допустить повреждения мембраны. Поддерживающий слой 22 может содержать нетканую и текстильную ткань. Другие примеры подходящих к использованию материалов поддерживающего слоя могут включать, но при этом не ограничиваться, такие примеры материалов, как плетеное, и нетканое, и полиэфирное волокно, полипропилен, полиэтилен, стекловолокно, микростекловолокно, а также политетрафторэтилен. Толщина волокон поддерживающего слоя 22 предпочтительно находится в интервале от 10 мкм до 30 мкм, а более предпочтительно не является меньше, чем 15 мкм. В сложенном (гофрированном) состоянии данный материал должен допускать наличие каналов для прохода воздуха в складках, одновременно удерживая складки от соприкосновения друг с другом (т.е. предотвращая сплющивание складок). Для этой цели особенно подходят такие материалы, как нетканые материалы из спанбонда (нетканого термоскрепленного материала).
Поддерживающий слой 22 может располагаться как на стороне впуска, так и на стороне выпуска мембранного фильтрующего слоя 20. Поддерживающий материал 22 может быть припрессован (заламинирован) к мембранному фильтрующему слою, чтобы образовать базовый несущий слой. С этой точки зрения базовый несущий слой с одной стороны преимущественно поддерживает накладной слой из материала, полученного аэродинамическим способом из расплава, а с другой стороны он является окончательной фильтрующей поверхностью.
Методы тестирования
Воздухопроницаемость
Уровень воздухопроницаемости может быть определен согласно методу Фрейзера – номерного теста, используемого фирмой “Фрейзер” (Frazier Precision Instrument Company). Согласно этому методу воздухопроницаемость измеряется посредством фиксации тестируемого образца в герметическом ребристом приспособлении, в котором имеется круглое сечение диаметром 2,75 дюйма (6,985 см) и площадью 6 квадратных дюймов (15,24 см2), используемое для проведения измерения воздушного потока. Сторона впуска закрепленного образца соединена по одной линии с расходомером (счетчиком объема) и с источником сухого сжатого воздуха. Сторона выпуска закрепленного образца является открытой. Тестирование производится посредством подачи воздуха давлением величиной 0,5 дюймов (1,27 см) водяного столба, направленного на сторону впуска образца, и фиксации показателей скорости потока воздуха, проходящего через расположенный на линии этого потока расходомер (счетчик объема) (шаровой поплавковый ротаметр/расходомер). Перед тестированием в течение по меньшей мере 4 часов образец выдерживается в помещение при температуре 21°С и относительной влажности воздуха, равной 65%. Полученные результаты теста предоставляются в виде так называемого номера (единицы), рассчитываемого по методу Фрейзера, который измеряется в единицах значения показателя кубический фут (0,02831685 м3)/минуту/квадратный фут (0,09290304 м3) образца при давлении подаваемого воздуха, равном величине 0,5 дюймов (1,27 см) водяного столба.
Пылеемкость
Уровень пылеемкости может быть определен согласно следующему методу. 3% водяной раствор хлорида натрия распыляется при помощи пульверизатора постоянной мощности (модель 3096 компании TSI Incorporated, Шорвью, шт. Миннесота, США). Частицы высушиваются путем нагревания при температуре 80°С, а затем разбавляются чистым сухим воздухом. Гранулометрический состав воздуха измеряется аэродинамическим измерителем частиц (например, при помощи модели 3320 компании TSI Incorporated, Шорвью, шт. Миннесота, США). Определяется геометрический диаметр средней частицы и стандартное отклонение.
Тестируемый образец фильтра, 44,4 мм в диаметре, взвешивается до теста и помещается внутрь держателя фильтра. Скорость потока воздуха в лобовом, габаритном сечении устанавливается равной 5,3 см/с. Измерение величины падения давления вдоль фильтра осуществляется постоянно при помощи датчика давления (например, модели РМ10 марки Haise компании Ashcroft Inc., Стрэтфорд, шт. Коннектикут, США). На фильтр воздействует аэрозоль, состоящая из хлорида натрия, до тех пор, пока окончательное падение давления вдоль фильтрующего материала не достигнет величины 750 Па. После этого тестируемый образец вновь взвешивается, чтобы определить уровень его пылеемкости. Величина пылеемкости рассчитывается как разница между массой образца после и перед тестом.
Эффективность фильтрации
Эффективность задержки частиц измеряется посредством автоматического тестера (например, модели 8160 компании TSI Incorporated, Сан Паул, шт. Миннесота, США). Тест производится при стандартной температуре окружающей среды в помещении (70F°/21°С) и стандартной величине относительной влажности в помещении (40%). Раствор диоктилфталата распыляется с целью образования аэрозоли, содержащей частицы размером от 0,03 до 0,5 микрон в диаметре. Образец фильтра подвергается воздействию аэрозоли, скорость воздушного потока которой составляет 5,3 см/с. Два счетчика ядер конденсации одновременно измеряют концентрацию частиц на стороне впуска и стороне выпуска фильтра. Эффективность фильтрации частиц определяется как процент частиц, попавших на сторону впуска и задержанных фильтром.
Сравнение материалов, полученных аэродинамическим способом из расплава, с зарядом и без
Различная эффективность материалов, полученных аэродинамическим способом из расплава, при наличии у них заряда и при отсутствии такого заряда отображается в таблице 1 ниже, в которой сравниваются три образца А, Б и В.
| Таблица 1 |
| Фильтр |
Воздухопроницаемость в единицах по методу Фрейзера |
Емкость засорения фильтра, мг |
Пылеемкость, г/м2 |
Улучшение |
| Пример А ПТФЭ |
7,6 |
8,8 |
6,4 |
– |
| Пример Б ПТФЭ+MB заряд |
4,9 |
12,6 |
9,1 |
43% |
| Пример Б ПТФЭ+MB нейтральный |
5,1 |
4,4 |
3,2 |
-50% |
Пример А представляет собой ламинат мембраны из ПТФЭ, содержащий мембрану из ПТФЭ с подложкой из спанбонда (нетканого термоскрепленного материала) с плотностью 203 г/м3, используемого в качестве поддерживающего слоя. Такая мембрана имела воздухопроницаемость, равную приблизительно 7,6 единицам по методу Фрейзера, а также показала результат теста параметра пылеемкости, при определенных условиях проведения такого теста, равный 6,4 г/м2.
Пример Б относится к предлагаемому в изобретении составному (композитному) фильтрующему материалу из полипропилена, полученному аэродинамическим способом из расплава, плотностью 30 г/м3, присоединенному при помощи ультразвука к ламинату мембраны из ПТФЭ примера А. Такой материал, получаемый аэродинамическим способом из расплава, может быть приобретен у компании Hollingsworth and Vose Company, базирующейся в Восточном Волполе, шт. Массачусетс, США, как изделие TR1462A из каталога продуктов компании. Для всей поверхности фильтра было использовано соединение с использованием альфа-излучения с небольшими сварными точками размером приблизительно 0,8 мм, а всего было задействовано приблизительно 55500 таких точек на квадратный метр. Воздухопроницаемость такого составного фильтрующего материала составляла приблизительно 4,9 единиц по методу Фрейзера, а при аналогичных условиях теста данный фильтрующий материал показал результат теста параметра пылеемкости, равный 9,1 г/м3, что означало улучшение данного результата на 43%.
В то время как составной фильтрующий материал в примере Б обладал электростатическим зарядом, согласно настоящему изобретению, пример В имеет отношение к аналогичному составному (композитному) фильтрующему материалу который, однако, был разряжен путем опускания его в изопропиловый спирт или изопропанол для нейтрализации электростатического заряда и последующей сушки. В то время как значение воздухопроницаемости материала не претерпело значительного изменения, как это могло бы ожидаться, образец В продемонстрировал более низкий показатель значения параметра пылеемкости, чем образец Б, т.е. значение параметра пылеемкости составило всего 3,2 г/м3. Удивительно, но значение параметра пылеемкости незаряженного составного фильтрующего материала оказалось даже меньше, чем в случае лишь с ламинатом из ПТФЭ.
Сравнительный пример
Микропористый мембранный ламинат из ПТФЭ, который можно приобрести у компании W.L.Gore & Associates, Inc. (Ньюарк, шт. Делавэр, США), иллюстрирует возможности мембранного фильтра в отношении значения параметра емкости засорения. Мембрана из ПТФЭ обладает воздухопроницаемостью, находящейся в пределах от 18 до 29 единиц по методу Фрейзера, шаровой прочностью на разрыв, превышающей уровень 0,2 бар, весом приблизительно 5 г/м2. Мембрана из ПТФЭ прикреплена к поддерживающему материалу из спанбонда (нетканого термоскрепленного материала) (который можно приобрести у компании Toray, Япония), имеющего базовый вес, равный 270 г/м2, воздухонепроницаемость от 28 до 32 единиц по методу Фрейзера, а также значение показателя разрыва согласно прибору Муллена для испытания на сопротивление продавливанию, превышающее 14 бар. Мембрана прикрепляется к поддерживающему материалу при температуре от 180°С до 350°С и давлении, находящемся в интервале от 0,1 до 7 бар. Получающийся в результате этого ламинат из ПТФЭ обладает воздухопроницаемостью, находящейся в интервале от 5 до 8 единиц по методу Фрейзера. Фильтр подвергается воздействию аэрозоли из хлорида натрия согласно процедуре теста, описанной ранее, до того момента, как падение давления достигнет значения 750 Па. Кривая показателя емкости засорения ламината изображена на фиг.6. Общая пылеемкость фильтра составляет 14 мг.
Пример 1
Слой материала плотностью 10 г/м2, полученного аэродинамическим способом из расплава (марка DepPore 6001-10Р, который можно приобрести у компании DelStar, Inc., Миддлтаун, шт. Делавэр, США), помещается на сторону впуска мембранного ламината из ПТФЭ сравнительного образца 1 для того, чтобы образовать составной материал. Материал, полученный аэродинамическим способом из расплава, изготавливается из полипропиленового слоя плотностью 10 г/м2, полученного аэродинамическим способом из расплава, и холста плотностью 10 г/м2, изготовленного из нетканого термоскрепленного материала из сложного полиэфира. Полипропиленовые волокна имеют диаметр, находящийся в пределах от 1 до 5 мкм. Средний размер пор приблизительно равен 15 мкм, а толщина материала составляет примерно 0,2 мм. Воздухопроницаемость слоя объемного фильтрующего материала составляет приблизительно 130 единиц по методу Фрейзера. Материал является электрически заряженным, чтобы увеличить его эффективность при улавливании частиц. Фильтр подвергается воздействию аэрозоли из хлорида натрия согласно процедуре теста, описанной ранее, до того момента, как падение давления достигнет показателя 750 Па. Кривая показателя емкости засорения ламината изображена на фиг.6.
Пример 2
Слой объемного фильтрующего материала плотностью 30 г/м2, полученного аэродинамическим способом из расплава (марка DepPore 6001-30P, который можно приобрести у компании DelStar, Inc., Миддлтаун, шт. Делавэр, США), помещается на сторону впуска микропористого ламината из ПТФЭ сравнительного образца 1 для того, чтобы образовать составной материал. Материал, полученный аэродинамическим способом из расплава, изготавливается из слоя из полипропиленовых волокон, обладающего плотностью 30 г/м2, и холста плотностью 10 г/м2, изготовленного из нетканого термоскрепленного материала из сложного полиэфира. Полипропиленовые волокна имеют диаметр, находящийся в интервале от 1 до 5 мкм. Средний размер пор приблизительно равен 15 мкм, а толщина материала составляет примерно 0,56 мм. Воздухопроницаемость материала, полученного аэродинамическим способом из расплава, составляет приблизительно 37 единиц по методу Фрейзера. Материал является электрически заряженным, чтобы увеличить его эффективность при улавливании частиц. Два слоя этого материала, полученного аэродинамическим способом из расплава, располагаются на стороне впуска микропористого ламината из ПТФЭ. Фильтр подвергается воздействию аэрозоли из хлорида натрия согласно процедуре теста, описанной ранее, до того момента, как падение давления достигнет показателя 750 Па. Результаты отражены на фиг.6.
Пример 3
Слой объемного фильтрующего материала из полипропилена плотностью 30 г/м2, полученного аэродинамическим способом из расплава (марка DepPore 6001-30P, который можно приобрести у компании DelStar, Inc., Миддлтаун, шт. Делавэр, США), помещается на сторону впуска микропористого ламината из ПТФЭ сравнительного образца для того, чтобы получить составной материал. Материал, полученный аэродинамическим способом из расплава, изготавливается из слоя из полипропиленовых волокон, обладающего плотностью 30 г/м2, и холста плотностью 10 г/м2, изготовленного из нетканого термоскрепленного материала из сложного полиэфира. Холст поддерживает мягкий материал, полученный аэродинамическим способом из расплава. Полипропиленовые волокна имеют диаметр, находящийся в интервале от 1 до 5 мкм. Средний размер пор приблизительно равен 15 мкм, а толщина материала составляет примерно 0,56 мм. Воздухопроницаемость материала, полученного аэродинамическим способом из расплава, составляет приблизительно 37 единиц по методу Фрейзера. Материал является электрически заряженным, чтобы увеличить его эффективность при улавливании частиц. Один слой этого материала, полученного аэродинамическим способом из расплава, располагается на стороне впуска микропористого ламината из ПТФЭ и соединен с нею, чтобы образовать составной фильтрующий материал, в то время как холст образует внешнюю часть стороны впуска. Фильтр подвергается воздействию аэрозоли из хлорида натрия, как было описано ранее, до того момента, как падение давления достигнет показателя 750 Па.
Составной материал используется для образования патронного (кассетного) фильтра, как это изображено на фиг.3. Патронный фильтр содержит сложенный (гофрированный) составной материал, который располагается кругами, так что по меньшей мере одна из его боковых граней закрывается соответствующими закрывающими наконечниками. Патронный фильтр имеет высоту 70 см и диаметр 35 см. Площадь фильтрации сложенного составного материала одного фильтра равна 12,6 м2. В случае нового фильтра через него в течение часа проходит до 1000 м3 воздуха, а падение давление приблизительно составляет 180 Па. Во внутренней части 15 круга этого фильтрующего материала расположена металлическая сетка.
Эффективность фильтрации такого фильтра показана в таблице 2, приведенной ниже. В таблице 2 сравнивается эффективность фильтрации в случае применения мембраны из ПТФЭ (как было описано в случае примера 1), применения слоя плотностью 30 г/м2, полученного аэродинамическим способом из расплава, а также в случае применения составного фильтра согласно примеру 3.
Тестировались все три образца, на которые воздействовал поток воздуха со скоростью сближения 1 см/с и 5,3 см/с. Составной материал из примера 3 показал наилучший результат с точки зрения эффективности фильтрации.
| Таблица 2 |
| Эффективность при 1 см/с |
Эффективность при 5,3 см/с |
| Размер частиц, мкм |
ПТФЭ |
30 г/м2, полученный аэродинамическим способом из расплава |
Составной материал |
ПТФЭ |
30 г/м2, полученный аэродинамическим способом из расплава |
Составной материал |
| 0,03 |
99,786 |
99,218 |
99,977 |
97,141 |
83,185 |
99,226 |
| 0,05 |
99,652 |
95,120 |
99,961 |
95,997 |
81,523 |
98,898 |
| 0,07 |
99,490 |
94,809 |
99.946 |
95,082 |
80,417 |
98,703 |
| 0,1 |
99,274 |
95,721 |
99,939 |
94,868 |
81,093 |
98,867 |
| 0,15 |
99,189 |
96,847 |
99,954 |
95,551 |
81,643 |
99,145 |
| 0,2 |
99,265 |
97,655 |
99,974 |
96,659 |
82,349 |
99,440 |
| 0,3 |
99,570 |
98,587 |
99,993 |
98,360 |
85,424 |
99,7769 |
Формула изобретения
1. Вентиляторное охлаждающее устройство (100) для охлаждения электронных компонентов (7), включающее корпус (8) для размещения электронных компонентов (7), по меньшей мере одно отверстие (11) впуска воздуха и по меньшей мере одно отверстие (12) выпуска воздуха, выполненные в корпусе (8), по меньшей мере один вентилятор (6) для создания потока воздуха от отверстия (11) впуска воздуха к отверстию (12) выпуска воздуха и по меньшей мере один защитный закрывающий элемент (1), который полностью закрывает по меньшей мере отверстие (11) впуска воздуха, предназначенный для удаления частиц из воздушной струи, входящей внутрь корпуса (8), и содержащий составной фильтрующий материал (3) и рамку (2), в которой составной фильтрующий материал (3) установлен с созданием воздухонепроницаемого соединения между фильтрующим материалом (3) и рамкой (2), причем фильтрующий материал (3) содержит мембранный фильтрующий слой (20), включающий пористую полимерную мембрану, и по меньшей мере один слой (18) объемного фильтрующего материала, включающий волокна и расположенный на впускной стороне мембранного фильтрующего слоя (20) по отношению к направлению движения потока газа через фильтр, причем волокна предпочтительно обладают электростатическим зарядом.
2. Устройство по п.1, в котором мембранный фильтрующий слой (20) содержит пористый политетрафторэтилен (ПТФЭ).
3. Устройство по п.1, в котором имеется поддерживающий слой (22), расположенный на впускной или выпускной стороне мембранного фильтрующего слоя (20), прилегая к нему.
4. Устройство по п.3, в котором поддерживающий слой (22) заламинирован к мембранному фильтрующему слою (20).
5. Устройство по одному из пп.1-4, в котором по меньшей мере один слой (18) объемного фильтрующего материала содержит нетканый волокнистый полимерный сетчатый материал.
6. Устройство по п.5, в котором нетканый волокнистый полимерный сетчатый материал представляет собой сетчатый материал, полученный аэродинамическим способом из расплава.
7. Устройство по одному из пп.1-4, в котором мембранный фильтрующий слой обладает воздухопроницаемостью по меньшей мере 7 единиц по методу Фрейзера, а более предпочтительно по меньшей мере 30 единиц, а наиболее предпочтительно 60 единиц или более.
8. Устройство по одному из пп.1-4, в котором каждый из по меньшей мере одного слоя (18) объемного фильтрующего материала обладает воздухопроницаемостью по меньшей мере 30 единиц по методу Фрейзера, а более предпочтительно по меньшей мере 100 единиц.
9. Устройство по одному из пп.1-4, содержащее стабилизирующий слой (23), примыкающий к впускной стороне по меньшей мере одного слоя (18) объемного фильтрующего материала и предназначенный для предотвращения нарушения порядка расположения волокон в по меньшей мере одном слое (18) объемного фильтрующего материала.
10. Устройство по одному из пп.1-4, в котором составной фильтрующий материал (3) обладает эффективностью фильтрации частиц равной по меньшей мере 90% для частиц величиной 0,3 мкм при скорости набегающего потока воздуха 10 см/с или менее.
11. Устройство по одному из пп.1-4, в котором мембранный фильтрующий слой (20) и по меньшей мере один слой (18) фильтрующего материала выполнены гофрированными.
12. Устройство по п.11, в котором фильтрующий материал (3) имеет форму гофрированной панели.
13. Устройство по п.12, в котором два края указанной панели соединены друг с другом с образованием цилиндрического фильтрующего материала.
14. Устройство по одному из пп.1-4, в котором мембранный фильтрующий слой (20) представляет собой микропористую мембрану из политетрафторэтилена (ПТФЭ), внутренняя микроструктура которой состоит в основном из серий утолщений соединенных друг с другом посредством тонких волоконец, причем утолщения в основном располагаются параллельно друг другу и вытянуты, так что отношение их длины к диаметру составляет 25:1 или более.
15. Устройство по п.14, в котором отношение длины указанных утолщений к их диаметру составляет 150:1 или более.
16. Устройство по п.14, в котором политетрафторэтилен (ПТФЭ) представляет собой смесь ПТФЭ-гомополимера и модифицированного ПТФЭ-полимера.
17. Устройство по п.14, в котором средний размер пор для прохода воздуха мембранного фильтрующего слоя превышает 1,5 мкм.
18. Устройство по п.17, в котором средний размер пор для прохода воздуха мембранного фильтрующего слоя равен около 3 мкм.
19. Устройство по одному из пп.1-4, в котором защитный закрывающий элемент (1) установлен в отверстие (11) впуска воздуха.
20. Устройство по одному из пп.1-4, в котором вентилятор (6) установлен в корпусе (8) на его стенке (13), расположенной напротив отверстия (11) впуска воздуха.
21. Устройство по одному из пп.1-4, в котором корпус (8) выполнен всепогодного типа и предназначен для использования в местах, открытых для воздействия любых погодных условий.
22. Устройство по одному из пп.1-4, в котором снаружи перед защитным закрывающим элементом (1) установлена панель (5) с прорезями.
23. Применение устройства по одному из пп.1-22 для охлаждения электронных компонентов телекоммуникационных базовых станций с воздушным охлаждением.
РИСУНКИ
|
|