|
|
(21), (22) Заявка: 2008126582/09, 30.06.2008
(24) Дата начала отсчета срока действия патента:
30.06.2008
(46) Опубликовано: 10.01.2010
(56) Список документов, цитированных в отчете о поиске:
RU 2313919 C1, 27.12.2007. RU 2004105202 A, 20.01.2006. EP 1492347 A1, 29.12.2004. CN 1949169 A, 18.04.2007.
Адрес для переписки:
215116, Смоленская обл., г. Вязьма, ул. Пушкина, 22, кв.38, Б.И. Волкову
|
(72) Автор(ы):
Волков Борис Иванович (RU)
(73) Патентообладатель(и):
Волков Борис Иванович (RU)
|
(54) ЦИФРОВОЙ ТЕЛЕВИЗОР
(57) Реферат:
Изобретение относится к цветным телевизионным приемникам и может использоваться в аналоговых и цифровых системах телевидения. Техническим результатом является поканальный учет времени приема телепередач. Результат достигается тем, что в цифровой телевизор, содержащий блок радиоканала, блоки строчной и кадровой разверток, блок цветности, три канала формирования кодов и плоскопанельный экран, вводится блок учета времени приема телевизионных каналов, который через USB-порт подключен к входу съемного модуля флэш-памяти для хранения данных учета времени приема телевизионных каналов. 2 ил.
Изобретение относится к цветным телевизионным приемникам и может использоваться в аналоговых и пиковых системах телевидения. Аналогами являются существующие телевизионные приемники, оснащенные пультами дистанционного управления /ПДУ/. Прототипом принят “Цифровой телевизор” [1], содержащий блок радиоканала, блоки строчной и кадровой разверток, блок цветности, генератор импульсов и ключ, три идентичных канала формирования кодов видеосигналов R, G, В, плоскопанельный экран и канал звукового сопровождения. Выбор канала для просмотра передач в телевизорах выполняется пультом дистанционного управления. Недостатком существующих телевизионных приемников и прототипа является отсутствие поканального учета времени приема передач телевизионных каналов.
Цель изобретения – осуществить поканальный учет времени приема передач телевизионных каналов. Техническим результатом является поканальный учет времени приема телепередач.
Сущность изобретения в том, что в пиковой телевизор, содержаний блок радиоканала, блоки строчной и кадровой разверток, блок цветности, три канала формирования кодов и плоскопанельный экран, вводится блок учета времени приема телевизионных каналов.
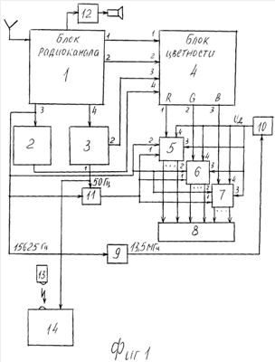
Цифровой телевизор на фиг.1, блок учета времени приема телевизионных каналов на фиг.2.
Цифровой телевизор содержит /Фиг.1/ блок 1 радиоканала, блок 2 строчной развертки, блок 3 кадровой развертки, блок 4 цветности, первый 5, второй 6, третий 7 каналы формирования кодов, плоскопанельный экран 8, генератор 9 импульсов и ключ 10, блок 11 выделения синхроимпульсов нечетного поля кадра, канал 12 звукового сопровождения, пульт 13 дистанционного управления /ПДУ/ и блок 14 учета времени приема телевизионных каналов /блок учета ВПТК/, который содержит /фиг.2/ делитель 15 частоты /50:1/, вход которого является информационным входом блока 14, счетчик 16 секунд и первый дешифратор 17, фотоприемник 18 и второй дешифратор 19, содержит каналы по числу принимаемых телевизионных каналов, каждый из которых включает последовательно соединенные ключ 20, счетчик 21 минут, третий дешифратор 22 и счетчик 23 часов, сигнальные входы ключей каналов объединены и подключены к выходу первого дешифратора 17, управляющие входы ключей 20 подключены к соответствующим выходам второго дешифратора 19, выход каждого дешифратора 22 подключен к первому управляющему входу счетчика 21 минут своего канала. Блок 14 включает постоянное запоминающее устройство 24 /ПЗУ/, в которое при изготовлении телевизора вводится код телевизора, самоходный распределитель 25 импульсов /СРИ/, первый выход его подключен к управляющему входу ПЗУ 24, остальные его выходы подключены последовательно к первым управляющим входам счетчиков 23 часов, выходы которых и выход ПЗУ 24 объединены и через USВ-порт 26 подключены к входу модуля 27 флэш-памяти. Блок 14 включает включатель 28, формирователь 29 импульса и генератор 30 тактовых импульсов, обеспечивающий соответствующими тактовыми импульсами счетчики 16, 21, 23. Вход фотоприемника 18 является управляющим входом блока 14. Вход СРИ 25 подключен к выходу формирователя 29 импульса, на вход которого при нажатии кнопки включателя 28 поступает импульс 1 Гц.
Работа блока 14, фиг.2.
Для удобства пользования кнопкой 28 она выводится на лицевую сторону корпуса телевизора. Счетчики 16 и 21 шестиразрядные. На вход делителя 15 частоты с первого выхода блока 3 кадровой развертки поступают импульсы 50 Гц. Блок 15 выполняет деление 50:1, и на вход счетчика 16 секунд поступают импульсы 1 Гц. При подсчете 60 секунд /111100/ с дешифратора 17 выдается импульс минуты, поступающий счетным импульсом параллельно на сигнальные входы всех ключей 20, этот же импульс обнуляет счетчик 16. Для просмотра передачи в ПДУ 13 нажимается кнопка нужного канала, код которого через фотоприемник 18 поступает в дешифратор 19, сигнал с соответствующего выхода которого открывает ключ 20 в соответствующем канале. Сигнал Uот держит ключ 20 в открытом состоянии до переключения на другой канал. Ключ 20 пропускает импульсы минут в счетчик 21 часов своего канала, ведущий счет 60 минут. При счете 60 дешифратор 22 выдает импульс часа в свой счетчик 23 часов и обнуляет счетчик 21 своего канала. Счетчики 23 часов являются 16-разрядными постоянными запоминающими устройствами, число разрядов 16 в них принято для накопления счетчиком 23 часов наработки в 65520 часов, которая при работе телевизора по 12 часов в сутки обеспечивает учет работы телевизора в каждом канале в течение 16 лет. Перед выдачей наработки каналов телевизора в разъем USB-порта 26 в корпусе телевизора вставляется энергонезависимый модуль 27 флэш-памяти [2, с.86, 3, с.4 цветной вставки]. Для выдачи наработки нажимается кнопка включателя 28, формирователь 29 импульса выдает импульс Uп для запуска в работу СРИ 25. СРИ 25 имеет разрядов по числу счетчиков 23 плюс блок 24, выходы разрядов подключены к управляющим входам блока 24 и счетчиков 23 часов.
Частота выдачи кодов из блока 24 и счетчиков 23 1000 Гц. По окончании выдачи модуль 27 вынимается из разъема USB-порта 26 и представляется пользователем в организацию по приему оплаты за прием телеканалов. Работник этой организации при помощи служебного компьютера снимает данные с модуля 27 и представляет пользователю телевизора распечатанную квитанцию для оплаты, в которой представлена наработка в часах по каналам, тариф оплаты каждого канала и подведена общая сумма за все каналы. Поканальная оплата за просмотр передач каналов покажет достоверную потребность в телевизионных каналах.
Работа цифрового телевизора.
Высокочастотный сигнал поступает на вход блока 1 радиоканала, с первого выхода которого сигнал ТВЦ поступает на первый вход блока 4 цветности, на второй вход которого поступают стробирующие импульсы со второго выхода блока 1. Выделенные из полного сигнала ЦТВ в блоке 1 строчные синхроимпульсы с выхода 3 поступают на вход блока 2 строчной развертки, на вход блока 11 и на вход генератора 9 импульсов, выделенные кадровые синхроимпульсы с выхода 4 блока 1 поступают на вход блока 3 кадровой развертки, с первого выхода которого импульсы 50 Гц поступают на информационные входы блока 11 и 14. С первого-третьего выходов блока 4 цветности цветовые сигналы R, G, В поступают на информационные входы каналов соответственно 5, 6, 7 формирования кодов, с выходов которых соответствующие сигналы запитывают светодиоды в экране 8 и формируют цветное изображение кадра. Одноименные с первого по четвертый управляющие входы каналов объединены и подключены: первые – к выходу блока 11, вторые – к выходу 3 блока 1 радиоканала, третьи и четвертые к выходу ключа 10. При включении для просмотра передал в ПДУ 13 нужного канала открывается ключ 20 этого канала и соответствующий счетчик 23 ведет счет часов приема канала. При переходе на другой канал учет времени приема ведет счетчик 23 часов этого канала. В конце месяца пользователь снимает на модуль 27 флэш-памяти показания счетчиков 23 часов и код телевизора с блока 24, и оплачивает работу тех каналов, которые он включал. Блок 14 может быть включен и в выпускаемые сейчас телевизоры, что позволит просматриваемым телеканалам заслуженно получать оплату.
Источники информации
1. Патент 2313919 C1, кл. H04N 9/12, бюл.36, от 27.12.07 г., прототип.
2. Сандлер К. Ноутбуки для “чайников”. Справочник. М., 2008, с.86.
3. М.В.Юдин, А.В.Куприянова. Самоучитель работы на ноутбуке. 3-е изд-е, СПб, 2007, с.4 цветной вставки.
Формула изобретения
Цифровой телевизор, включающий блок радиоканала, блок цветности, первый и второй входы которого подключены соответственно к первому и второму выходам блока радиоканала, блок строчной развертки, вход которого подключен к третьему выходу блока радиоканала, блок кадровой развертки, вход которого подключен к четвертому выходу блока радиоканала, а соответствующий выход блока кадровой развертки подключен к третьему входу блока цветности, четвертый вход которого подключен к выходу блока строчной развертки, с первого по третий каналы формирования кодов, информационные входы которых подключены соответственно к первому-третьему выходам блока цветности, а выходы каналов формирования кодов подключены к соответствующим входам плоскопанельного экрана, последовательно соединенные генератор импульсов, вход которого подключен к третьему выходу блока радиоканала, и ключ, выход которого подключен к объединенным третьим и четвертым управляющим входам первого-третьего каналов формирования кодов, и блок выделения синхроимпульсов нечетного поля кадра, вход которого подключен к третьему выходу блока радиоканала, а выход подключен к объединенным первый управляющим входам первого-третьего каналов формирования кодов, объединенные вторые управляющие которых подключены к третьему выходу блока радиоканала, отличающийся тем, что в цифровой телевизор введены пульт дистанционного управления (ПДУ) и блок учета времени приема телевизионных каналов (блок учета ВПТК), включающий последовательно соединенные делитель частоты (50:1), вход которого является информационным входом блока учета ВПТК, счетчик секунд и первый дешифратор, выход которого подключен к первому управляющему входу счетчика секунд, последовательно соединенные фотоприемник, вход которого является управляющим входом блока учета ВПТК и оптически соединен с излучающей стороной ПДУ, и второй дешифратор, включает каналы по числу принимаемых телевизионных каналов, каждый из которых включает последовательно соединенные ключ, счетчик минут, третий дешифратор и счетчик часов, сигнальные входы ключей всех каналов объединены и подключены к выходу первого дешифратора, управляющие входы ключей подключены к соответствующим выходам второго дешифратора, выход каждого третьего дешифратора подключен к первому управляющему входу счетчика минут своего канала, блок учета ВПТК содержит постоянное запоминающее устройство (ПЗУ), содержащее код телевизора, самоходный распределитель импульсов (СРИ), содержащий соответствующее число разрядов, USB-порт, модуль Флэш-памяти, последовательно соединенные включатель, вход которого подключен к выходу делителя частоты, и формирователь импульса, выход которого подключен к входу СРИ, выгод первого разряда которого подключен к управляющему входу ПЗУ, выходы остальных разрядов последовательно подключены к первым управляющим входам счетчиков часов, выходы которых и выход ПЗУ объединены и через USB-порт подключены к входу модуля флэш-памяти, блок учета ВПТК включает генератор тактовых импульсов первый-третий выгоды которого подключены: первый – к второму управляющему входу счетчика секунд, второй – к вторым управляющим входам счетчиков минут, третий – параллельно к вторым управляющим входам счетчиков часов и к входу ПЗУ.
РИСУНКИ
|
|