|
|
(21), (22) Заявка: 2008144211/09, 06.11.2008
(24) Дата начала отсчета срока действия патента:
06.11.2008
(46) Опубликовано: 10.01.2010
(56) Список документов, цитированных в отчете о поиске:
US 4943955 A, 24.07.1990. RU 2148881 C1, 10.05.2000. RU 2177194 C2, 20.12.2001. EP 0248276 A2, 09.12.1987. US 5387881 A, 07.02.1995.
Адрес для переписки:
191124, Санкт-Петербург, пл. Растрелли, 2, ОАО “РИРВ”, первому заместителю генерального директора Б.В. Шебшаевичу
|
(72) Автор(ы):
Жолнеров Вадим Степанович (RU), Харчев Олег Прокопьевич (RU)
(73) Патентообладатель(и):
Открытое акционерное общество “Российский институт радионавигации и времени” (RU)
|
(54) АТОМНО-ЛУЧЕВОЙ СТАНДАРТ ЧАСТОТЫ
(57) Реферат:
Изобретение относится к технике стабилизации частоты и может быть использовано в атомно-лучевых стандартах частоты. Технический результат заключается в расширении функциональных возможностей и повышении стабильности. Устройство содержит атомно-лучевую трубку с источником атомного пучка, СВЧ-резонатором, фотодетектором оптической накачки и выходным фотодетектирующим устройством, а также подстраиваемый кварцевый генератор, лазерный модуль детектирования и лазерный модуль накачки, охваченные соответствующими кольцами автоматической подстройки частоты, использующими в качестве эталонных частот определенные частоты атомных переходов рабочего вещества атомно-лучевой трубки. Кольца автоматической подстройки частоты дополнены соответствующими устройствами автоматического поиска частоты, осуществляющими в определенной последовательности начальную («грубую») настойку лазерного модуля детектирования, лазерного модуля накачки и подстраиваемого кварцевого генератора в соответствии с частотами используемых атомных переходов с последующим переходом к стандартному режиму слежения за этими частотами. 3 ил.
Заявляемое изобретение относится к технике стабилизации частоты и может быть использовано в квантовых стандартах частоты пассивного типа с квантовыми дискриминаторами на основе атомно-лучевых трубок с лазерной накачкой и лазерным детектированием пучка рабочих атомов.
Обобщенная структурная схема атомно-лучевого стандарта частоты содержит последовательно соединенные в замкнутое кольцо автоматической подстройки частоты подстраиваемый кварцевый генератор, блок формирования сигнала радиочастотного возбуждения, квантовый дискриминатор (в рассматриваемом случае квантовый дискриминатор на основе атомно-лучевой трубки) и блок автоматической подстройки частоты, служащий для формирования управляющего напряжения для подстраиваемого кварцевого генератора, а также блок формирования опорных сигналов, связанный своими выходами с соответствующими входами блока формирования сигнала радиочастотного возбуждения и блока автоматической подстройки частоты, а входом – с выходом подстраиваемого кварцевого генератора, см., например, патент РФ [2] – RU 2220499 С2, H03L 7/16, Н01S 3/10, 27.12 2003. Блок формирования сигнала радиочастотного возбуждения формирует на основе выходного сигнала подстраиваемого кварцевого генератора (гармонического сигнала с частотой f1) и модулирующего выходного сигнала блока формирования опорных частот модулированный по фазе (частоте) СВЧ-сигнал радиочастотного возбуждения, номинальное значение несущей частоты f2 которого соответствует вершине контура спектральной линии атомно-лучевой трубки (контур линии Рамзея или Раби), определяемой резонансной частотой f0 контура спектральной линии взаимодействия рабочего вещества атомного пучка с сигналом радиочастотного возбуждения. Частота f0 стабильна и поэтому используется в качестве эталона для подстройки частоты подстраиваемого кварцевого генератора. На выходе атомно-лучевой трубки (на выходе квантового дискриминатора) формируется сигнал, несущий информацию об отклонении текущего значения частоты f2 от частоты f0. Блок автоматической подстройки частоты на основе выходного сигнала атомно-лучевой трубки и выходного сигнала блока формирования опорных сигналов формирует, например, путем синхронного детектирования сигнал ошибки, а затем путем интегрирования сигнала ошибки формирует управляющее напряжение для подстраиваемого кварцевого генератора. Под действием управляющего напряжения частота f1 выходного сигнала подстраиваемого кварцевого генератора и связанная с ней несущая частота f2 сигнала радиочастотного возбуждения изменяются в сторону уменьшения сигнала ошибки, осуществляя тем самым стабилизацию частоты выходного сигнала подстраиваемого кварцевого генератора относительно частоты f0.
Среди атомно-лучевых стандартов частоты традиционной конструкции известен атомно-лучевой стандарт частоты, представленный в патенте США [3] – US 4943955, H03L 7/26, 24.07.1990. Структурная схема этого атомно-лучевого стандарта частоты содержит последовательно соединенные в замкнутое кольцо автоматической подстройки частоты подстраиваемый кварцевый генератор, блок формирования сигнала радиочастотного возбуждения, атомно-лучевую трубку и устройство автоматической подстройки частоты, служащее для формирования управляющего напряжения для подстраиваемого кварцевого генератора.
Блок формирования сигнала радиочастотного возбуждения содержит преобразователь частоты и связанный с ним программируемый синтезатор частоты. Сигнальный вход преобразователя частоты, образующий сигнальный вход блока формирования сигнала радиочасточного возбуждения, соединен с выходом подстраиваемого кварцевого генератора. Сигнальный выход преобразователя частоты, образующий сигнальный выход блока формирования сигнала радиочастотного возбуждения, соединен с радиочастотным входом атомно-лучевой трубки. Высокочастотный выход программируемого синтезатора частоты (выход фазомодулированного высокочастотного сигнала) соединен с опорным входом преобразователя частоты. Низкочастотный выход программируемого синтезатора частоты (выход низкочастотного сигнала, частота F1 которого соответствует частоте модуляции) образует опорный выход блока формирования сигнала радиочастотного возбуждения, соединенный с опорным входом устройства автоматической подстройки частоты.
В качестве атомно-лучевой трубки используется цезиевая трубка традиционной конструкции с отклоняющей магнитной системой, примеры выполнения которой представлены в патентах США: [4] – US 4425653, H01S 3/091, 10.01.1984; [5] – US 4354108, Н01S 1/00, 12.10.1982; [6] – US 3967115, H01S 1/00, 29.06.1976; [7] – US 3397310, U.S.Cl.250-41 3, 13.08.1968; [8] – US 3323008, U.S.C1.315-111, 30.05.1967. Такая атомно-лучевая трубка содержит размещенные на одной оси источник атомного пучка, первый отклоняющий магнит, СВЧ-резонатор, второй отклоняющий магнит и фотоэлектронный умножитель, при этом радиочастотный вход СВЧ-резонатора образует радиочастотный вход атомно-лучевой трубки, а выход фотоэлектронного умножителя – выход атомно-лучевой трубки.
Устройство автоматической подстройки частоты содержит входной блок, выполняющий функции усиления и аналого-цифрового преобразования сигнала, центральный блок, выполняющий функцию цифрового синхронного детектирования, и выходной блок, выполняющий функции цифроаналогового преобразования сигнала и интегрирования преобразованного сигнала. Сигнальный вход входного блока является сигнальным входом устройства автоматической подстройки частоты, соединенным с выходом атомно-лучевой трубки. Выход выходного блока является выходом устройства автоматической подстройки частоты, соединенным с управляющим входом подстраиваемого кварцевого генератора.
Работа атомно-лучевого стандарта частоты, представленного в [3], происходит следующим образом. Блок формирования сигнала радиочастотного возбуждения формирует из выходного сигнала подстраиваемого кварцевого генератора (гармонического сигнала с частотой f1) модулированный по фазе с частотой низкочастотной модуляции F1 СВЧ-сигнал радиочастотного возбуждения, номинальное значение несущей частоты f2 которого соответствует резонансной частоте f0 контура спектральной линии атомно-лучевой трубки, определяемой взаимодействием рабочего вещества атомного пучка с сигналом радиочастотного возбуждения, а значение частоты низкочастотной модуляции F1 соответствует полуширине этого контура.
Сигнал радиочастотного возбуждения поступает на радиочастотный вход атомно-лучевой трубки, т.е. на радиочастотный вход СВЧ-резонатора. Процессы, происходящие при этом в атомно-лучевой трубке, описываются на основе двухуровневой энергетической модели атомов рабочего вещества с частотой радиочастотного атомного перехода, равной f0. Суть этих процессов заключается в следующем. Энергетическое распределение атомов пучка на выходе источника атомного пучка подчиняется распределению Больцмана и в первом приближении равновероятно. Далее в области размещения первого отклоняющего магнита производится энергетическая сортировка атомов за счет различий в дипольных магнитных моментах. В результате такой сортировки в СВЧ-резонатор влетают атомы, находящиеся, например, в нижнем (первом) энергетическом состоянии. Взаимодействие этих атомов с сигналом радиочастотного возбуждения атомно-лучевой трубки является резонансным и описывается контуром спектральной линии Рамзея с центральной частотой радиочастотного атомного перехода, равной f0. В результате этого взаимодействия атомы пучка на выходе СВЧ-резонатора преимущественно оказываются в верхнем (во втором) энергетическом состоянии, т.е. происходит инвертирование населенности в энергетической структуре атомов. Количество атомов пучка, перешедших во второе энергетическое состояние, характеризует эффективность данного взаимодействия и, в конечном итоге, определяет величину сигнала, получаемого на выходе атомно-лучевой трубки (т.е. величину, пропорциональную количеству атомов пучка, поступающему на вход фотоэлектронного умножителя). Для максимизации выходного сигнала атомно-лучевой трубки атомы пучка с помощью второго отклоняющего магнита фокусируют на вход фотоэлектронного умножителя, выход которого является выходом атомно-лучевой трубки.
Получаемый таким образом выходной сигнал атомно-лучевой трубки содержит постоянную составляющую и гармоники с частотами, кратными частоте модуляции F1. Эти гармоники несут в своих амплитудах и фазах информацию об отклонении текущего значения частоты f2 от частоты f0. Первая из этих гармоник используется в качестве полезной составляющей выходного сигнала атомно-лучевой трубки для получения информации об отклонении текущего значения частоты f2 от частоты f0, т.е. для получения сигнала ошибки.
Сигнал ошибки получают в устройстве автоматической подстройки частоты в результате синхронного детектирования выходного сигнала атомно-лучевой трубки относительно опорной частоты F1, поступающей на опорный вход устройства автоматической подстройки частоты с опорного выхода блока формирования сигнала радиочастотного возбуждения. Полученный сигнал ошибки далее интегрируется с получением управляющего напряжения для подстраиваемого кварцевого генератора, которое является выходным сигналом устройства автоматической подстройки частоты.
Под действием управляющего напряжения, поступающего на управляющий вход подстраиваемого кварцевого генератора с выхода устройства автоматической подстройки частоты, частота f1 выходного сигнала подстраиваемого кварцевого генератора и связанная с ней несущая частота f2 сигнала радиочастотного возбуждения изменяются в сторону уменьшения сигнала ошибки, осуществляя тем самым стабилизацию частоты выходного сигнала подстраиваемого кварцевого генератора относительно частоты f0.
Достоинством рассмотренного атомно-лучевого стандарта частоты является простота реализации, а недостатком – существенная нестабильность частоты выходного сигнала, обусловленная низким отношением сигнала к шуму на выходе атомно-лучевой трубки, что связано с низкой эффективностью сортировки атомов и фокусировки атомного пучка с помощью отклоняющих магнитов.
Решение задачи улучшения отношения сигнала к шуму на выходе атомно-лучевой трубки и, соответственно, повышения стабильности частоты атомно-лучевого стандарта частоты обеспечивается в более сложных по реализации схемах атомно-лучевых стандартах частоты, использующих лазерную оптическую накачку и лазерное оптическое детектирование атомного пучка вместо магнитной сортировки и фокусировки.
Среди атомно-лучевых стандартов частоты, использующих лазерную оптическую накачку и лазерное оптическое детектирование атомного пучка, известны решения, в которых лазерная оптическая накачка и лазерное оптическое детектирование осуществляются на разных частотах, см., например, статью [9] – С.Sallot, М. Baldy, D. Gin, R. Petit 3·10-l2· -1/2th European Frequency and Time Forum. 2003, pp.100-104, а также патент США [10] – US 4684900, H03L 7/26, 04.08.1987. Сущность такой схемы лазерной оптической накачки и лазерного оптического детектирования атомного пучка заключается в следующем.
Лазерная оптическая накачка атомного пучка производится одномодовым лазерным облучением с первой частотой 1 на участке траектории до влета атомов пучка в СВЧ-резонатор, при этом используется соответствующий этой частоте поглощающий оптический переход между энергетическими уровнями атомов. Лазерное оптическое детектирование атомного пучка, прошедшего через СВЧ-резонатор, производится одномодовым лазерным облучением со второй частотой 2 на участке траектории после вылета атомов пучка из СВЧ-резонатора, при этом используется соответствующий этой частоте циркулярный оптический переход между энергетическими уровнями атомов. Например, как указано в [9], в пучке атомов Cs133 в качестве первого (поглощающего) оптического перехода, соответствующего частоте 1, может использоваться переход между подуровнями 6S1/2 F=4 и 6Р3/2 F=4, а в качестве второго (циркулярного) оптического перехода, соответствующего частоте 2, может использоваться переход между подуровнями 6S1/2 F=4 и 6Р3/2 F=5, в этом случае 1– 2= =251,4 МГц. Могут использоваться и другие оптические переходы, при этом следует отметить, что общее количество возможных для использования оптических переходов ограничено и определяется однозначным числом. Так, в цезии Cs133 количество оптических переходов, пригодных для использования в рассматриваемых целях, ограничено количеством подуровней в состоянии 6Р3/2 и равно пяти, а в рубидии Rb87 – ограничено количеством подуровней в состоянии 5Р3/2 и равно четырем.
Детектирование резонанса взаимодействия рабочего вещества атомного пучка с сигналом радиочастотного возбуждения СВЧ-резонатора осуществляется фотодетектором по флуоресцентному излучению атомов пучка, облученного указанным выше лазерным излучением детектирования. Указанный сигнал радиочастотного возбуждения представляет собой модулированный по фазе (частоте) СВЧ сигнал, несущая частота f2 которого соответствует резонансной частоте f0 используемого радиочастотного атомного перехода, возбуждаемого сигналом радиочастотного возбуждения Низкочастотная составляющая сигнала, снимаемого с выхода фотодетектора, соответствующая частоте модуляции сигнала радиочастотного возбуждения, несет в себе информацию об отклонении текущего значения несущей частоты f2 от резонансной частоты f0. Этот сигнал далее используется стандартным образом для подстройки частоты выходного сигнала подстраиваемого кварцевого генератора.
Применение лазерной оптической накачки и лазерного оптического детектирования обеспечивает увеличение уровня полезного сигнала и увеличение отношения сигнала к шуму на выходе атомно-лучевой трубки, что позволяет в итоге достичь уменьшения нестабильности частоты выходного сигнала атомно-лучевого стандарта частоты. При этом требуется обеспечение стабильности частот 1 и 2 лазерного облучения.
В качестве прототипа принят рубидиевый атомно-лучевой стандарт частоты, описанный в работе [11] – A.Besedina, A.Gevorkyan, V.Zholnerov. Two-frequency Pumping in 87
Атомно-лучевой стандарт частоты, принятый в качестве прототипа, содержит последовательно соединенные в замкнутое кольцо автоматической подстройки частоты подстраиваемый кварцевый генератор, выход которого является выходом атомно-лучевого стандарта частоты, блок формирования сигнала радиочастотного возбуждения, атомно-лучевую трубку, первое фотоприемное устройство и первый блок автоматической подстройки частоты, формирующий управляющее напряжение для подстраиваемого кварцевого генератора, а также первый низкочастотный генератор, выход которого соединен с опорным входом блока формирования сигнала радиочастотного возбуждения и опорным входом первого блока автоматической подстройки частоты.
Атомно-лучевая трубка содержит расположенные на одной оси источник атомного пучка (Rb87) и СВЧ-резонатор, радиочастотный вход которого образует радиочастотный вход атомно-лучевой трубки, соединенный с выходом блока формирования сигнала радиочастотного возбуждения. Атомно-лучевая трубка имеет окно оптической накачки с лазерным модулем накачки и окно оптического детектирования с лазерным модулем детектирования. Лазерные модули накачки и детектирования выполнены на основе полупроводниковых лазерных диодов с близкими длинами волн лазерного излучения в области =780, нм, соответствующими D2 линии поглощения в рубидии Rb87. Окно оптического детектирования расположено в области выхода атомного пучка из СВЧ-резонатора, в этой же области также располагается выходное фотодетектирующее устройство, выход которого образует первый выход атомно-лучевой трубки, соединенный с входом первого фотоприемного устройства. Окно оптической накачки расположено в области прохода атомного пучка от источника пучка до СВЧ-резонатора, в этой же области также располагается фотодетектор оптической накачки, выход которого образует второй выход атомно-лучевой трубки.
Первый выход атомно-лучевой трубки, помимо соединения с входом первого фотоприемного устройства (а через него – с сигнальным входом первого блока автоматической подстройки частоты), соединен также через последовательно соединенные второе фотоприемное устройство, второй блок автоматической подстройки частоты и первый управляемый стабилизатор тока с управляющим входом лазерного модуля детектирования, при этом опорный вход второго блока автоматической подстройки частоты и опорный вход первого управляемого стабилизатора тока соединены с выходом второго низкочастотного генератора.
Второй выход атомно-лучевой трубки через последовательно соединенные третье фотоприемное устройство, третий блок автоматической подстройки частоты и второй управляемый стабилизатор тока соединен с управляющим входом лазерного модуля накачки, при этом опорный вход третьего блока автоматической подстройки частоты и опорный вход второго управляемого стабилизатора тока соединены с выходом третьего низкочастотного генератора.
Все три блока автоматической подстройки частоты выполнены по традиционной схеме, обычно используемой в квантовых стандартах частоты для частотной автоподстройки. В состав этой схемы входят входной усилитель, синхронный детектор и выходной интегратор, при этом опорный вход синхронного детектора образует опорный вход блока автоматической подстройки частоты, а вход усилителя и выход интегратора образуют соответственно сигнальный вход и выход блока автоматической подстройки частоты.
Блок формирования сигнала радиочастотного возбуждения представляет собой повышающий модулирующий преобразователь частоты, формирующий из выходного сигнала подстраиваемого кварцевого генератора (гармонического сигнала с частотой f1) и выходного сигнала первого низкочастотного генератора (с частотой F1) модулированный по фазе с частотой низкочастотной модуляции F1 СВЧ-сигнал радиочастотного возбуждения, номинальное значение несущей частоты f2 которого соответствует резонансной частоте f0 контура спектральной линии атомно-лучевой трубки, определяемой взаимодействием рабочего вещества атомного пучка с сигналом радиочастотного возбуждения и характеризуемой контуром линии Рамзея, при этом значение частоты низкочастотной модуляции F1 соответствует полуширине этого контура.
Сигнал радиочастотного возбуждения, снимаемый с выхода блока формирования сигнала радиочастотного возбуждения, поступает на радиочастотный вход атомно-лучевой трубки (на радиочастотный вход СВЧ-резонатора), через который проходит пучок атомов от источника атомного пучка, подвергнутый лазерной оптической накачке.
Лазерная оптическая накачка атомного пучка производится частотно-модулированным излучением лазерного модуля накачки, вводимым в атомно-лучевую трубку через окно оптической накачки на участке прохода атомного пучка от источника атомного пучка до СВЧ-резонатора. Средняя частота излучения лазерного модуля накачки соответствует резонансной частоте 1 поглощающего оптического перехода атомов пучка, а частота модуляции F3, определяемая частотой выходного сигнала третьего низкочастотного генератора, соответствует полуширине спектральной линии этого перехода. Схематически переход между энергетическими уровнями, соответствующий резонансной частоте 1, представлен на энергетической диаграмме атомов пучка рабочего вещества атомно-лучевой трубки переходом между энергетическими уровнями «2» и «3» (фиг.1). В реальном рубидиевом атомно-лучевом стандарте частоты этот оптический переход может соответствовать, например, переходу между подуровнями 5S1/2 F=2 и 5Р3/2 F=2. Контроль за процессом лазерной оптической накачки производится по переизлученному атомами флуоресцентному свету, фиксируемому фотодетектотором оптической накачки, низкочастотная составляющая выходного сигнала которого, соответствующая частоте F3 модуляции излучения лазерного модуля накачки, несет в себе информацию об отклонении средней частоты излучения лазерного модуля накачки от резонансной частоты 1. Выходной сигнал фотодетектотора оптической накачки поступает через третье фотоприемное устройство на сигнальный вход третьего блока автоматической подстройки частоты, который формирует управляющее напряжение для подстройки второго управляемого стабилизатора тока, постоянная составляющая выходного тока которого определяет среднее значение частоты излучения лазерного модуля накачки, устанавливая ее в соответствии с резонансной частотой 1.
В результате произведенной лазерной оптической накачки атомы влетают в СВЧ-резонатор, находясь в энергетическом состоянии первого (нижнего) уровня, обозначенного на фиг.1 как уровень «1» В СВЧ-резонаторе атомы пучка взаимодействуют с сигналом радиочастотного возбуждения – модулированным по фазе с частотой F1 СВЧ-сигналом с несущей частой f2, соответствующей резонансной частоте f0 используемого радиочастотного атомного перехода (т.е. резонансной частоте f0 контура спектральной линии атомно-лучевой трубки, определяемой взаимодействием рабочего вещества атомного пучка с сигналом радиочастотного возбуждения), в рассматриваемом случае рубидиевого атомно-лучевого стандарта частоты значение частоты f0=6834,682 МГц.
В результате взаимодействия рабочего вещества атомного пучка с сигналом радиочастотного возбуждения атомы пучка вылетают из СВЧ-резонатора, находясь преимущественно в энергетическом состоянии второго уровня (уровень «2», фиг.1). Выходящий из СВЧ-резонатора атомный пучок подвергается оптическому облучению частотно-модулированным излучением лазерного модуля детектирования, вводимым в атомно-лучевую трубку через окно оптического детектирования на участке выхода атомного пучка из СВЧ-резонатора. Средняя частота излучения лазерного модуля детектирования соответствует резонансной частоте 2 циркулярного оптического атомного перехода между энергетическими уровнями «2» и «3’» (фиг.1), а частота F2 модуляции, определяемая частотой выходного сигнала второго низкочастотного генератора, соответствует полуширине спектральной линии этого перехода. В реальном рубидиевом атомно-лучевом стандарте частоты этот оптический переход может соответствовать, например, переходу между подуровнями 5S1/2 F=2 и 5Р3/2 F=3 на частоте 2, которая отличается от частоты 1 на величину  = 2– 1=267 МГц.
Результат лазерного оптического детектирования контролируется по переизлученному атомами пучка флуоресцентному свету, фиксируемому выходным фотодетектирующим устройством. Низкочастотные составляющие сигнала выходного фотодетектирующего устройства, соответствующие частоте F1 модуляции сигнала радиочастотного возбуждения и частоте F2 модуляции излучения лазерного модуля детектирования, несут информацию об отклонении несущей частоты f2 сигнала радиочастотного возбуждения от резонансной частоты f0 и об отклонении средней частоты излучения лазерного модуля детектирования от резонансной частоты 2.
В соответствии с частотами этих двух низкочастотных составляющих выходной сигнал выходного фотодетектирующего устройства разделяется на два канала, например, с помощью соответствующих фильтров, входящих в состав первого и второго фотоприемных устройств.
Низкочастотная составляющая выходного сигнала выходного фотодетектирующего устройства, соответствующая частоте F2 модуляции излучения лазерного модуля детектирования, поступает через второе фотоприемное устройство на сигнальный вход второго блока автоматической подстройки частоты, который формирует управляющее напряжение для подстройки первого управляемого стабилизатора тока, постоянная составляющая выходного тока которого определяет среднее значение частоты излучения лазерного модуля детектирования, устанавливая ее в соответствии с резонансной частотой 2.
Низкочастотная составляющая выходного сигнала выходного фотодетектирующего устройства, соответствующая частоте F1 модуляции сигнала радиочастотного возбуждения, поступает через первое фотоприемное устройство на сигнальный вход первого блока автоматической подстройки частоты, который формирует управляющее напряжение для подстройки частоты f1 подстраиваемого кварцевого генератора (и, соответственно, связанной с ней несущей частоты f2 сигнала радиочастотного возбуждения), устанавливая ее в соответствии с резонансной частотой f0.
Все три блока автоматической подстройки частоты работают по одному принципу, осуществляя вначале синхронное детектирование сигнала, поступающего с выхода соответствующего фотоприемного устройства, относительно опорного сигнала, формируемого соответствующим низкочастотным генератором, а затем интегрирование полученного в результате синхронного детектирования сигнала ошибки с получением необходимого управляющего напряжения.
Таким образом, в атомно-лучевом стандарте частоты, принятом в качестве прототипа, одновременно работают три кольца автоматической подстройки частоты: основное кольцо – кольцо автоматической подстройки частоты подстраиваемого кварцевого генератора и два дополнительных кольца автоматической подстройки частоты излучения лазерного модуля накачки и излучения лазерного модуля детектирования. Совместная работа этих трех колец автоматической подстройки частоты обеспечивает возможность достижения высоких характеристик стабильности выходного сигнала атомно-лучевого стандарта частоты в установившемся режиме работы.
Достижение высоких характеристик стабильности обусловлено, в числе других факторов, очень узкими полосами пропускания колец автоматической подстройки частоты, определяемых шириной спектральных линий используемых атомных переходов. Вследствие этого возникает проблема принудительной начальной («грубой») установки частоты выходного сигнала подстраиваемого кварцевого генератора, определяющей частоту сигнала радиочастотного возбуждения в соответствии с частой f0 и частот излучения лазерного модуля накачки и лазерного модуля детектирования в соответствии с частотами 1 и 2, что необходимо для обеспечения возможности их последующего «захвата» и точной подстройки в соответствующих кольцах автоматической подстройки частоты.
Очевидное решение этой проблемы, широко реализуемое на практике, заключается в «ручной» начальной настройке подстраиваемого кварцевого генератора, лазерного модуля накачки и лазерного модуля детектирования, осуществляемой с помощью внешних контрольно-измерительных приборов и управляемых вручную вспомогательных источников напряжения, подсоединенных ко вторым управляющим входам подстраиваемого кварцевого генератора и управляемых стабилизаторов тока. Такая начальная «ручная» настройка подстраиваемого кварцевого генератора, лазерного модуля накачки и лазерного модуля детектирования производится независимо для каждого объекта настройки и в произвольном порядке.
Фактор «ручной» начальной настройки подстраиваемого кварцевого генератора, лазерного модуля накачки и лазерного модуля детектирования сужает область возможного практического применения прототипа, ограничивая ее классом оборудования, обслуживаемого техническим персоналом. Это является недостатком, препятствующим использованию прототипа на необслуживаемых объектах, работающих полностью в автоматическом режиме.
Техническим результатом, на достижение которого направлено заявляемое изобретение, является создание атомно-лучевого стандарта частоты, работающего по принципу прототипа и в котором осуществляется автоматическая установка начальных значений частот подстраиваемого кварцевого генератора, лазерного модуля накачки и лазерного модуля детектирования в соответствии с частотами используемых атомных переходов. Такой атомно-лучевой стандарт частоты обладает расширенными, по сравнению с прототипом, возможностями практического применения, в том числе в составе необслуживаемого бортового оборудования, обеспечивая при этом характеристики стабильности на уровне прототипа.
Сущность заявляемого изобретения заключается в следующем. Атомно-лучевой стандарт частоты содержит последовательно соединенные в замкнутое кольцо автоматической подстройки частоты подстраиваемый кварцевый генератор, выход которого является выходом атомно-лучевого стандарта частоты, блок формирования сигнала радиочастотного возбуждения, атомно-лучевую трубку, первое фотоприемное устройство и первый блок автоматической подстройки частоты, сигнальный вход которого соединен с первым выходом первого фотоприемного устройства, а выход соединен с первым управляющим входом подстраиваемого кварцевого генератора, а также первый низкочастотный генератор, выход которого соединен с опорным входом первого блока автоматической подстройки частоты и опорным входом блока формирования сигнала радиочастотного возбуждения Атомно-лучевая трубка содержит расположенные на одной оси источник атомного пучка и СВЧ-резонатор, радиочастотный вход которого образует радиочастотный вход атомно-лучевой трубки, соединенный с выходом блока формирования сигнала радиочастотного возбуждения, а также окно оптической накачки с лазерным модулем накачки, расположенное в области прохода атомного пучка от источника атомного пучка до СВЧ-резонатора, и окно оптического детектирования с лазерным модулем детектирования, расположенное в области выхода атомного пучка из СВЧ-резонатора, причем в области выхода атомного пучка из СВЧ-резонатора также располагается выходное фотодетектирующее устройство, выход которого образует первый выход атомно-лучевой трубки, соединенный с входом первого фотоприемного устройства, а в области прохода атомного пучка от источника атомного пучка до СВЧ-резонатора также располагается фотодетектор оптической накачки, выход которого образует второй выход атомно-лучевой трубки. Первый выход атомно-лучевой трубки соединен также с входом второго фотоприемного устройства, первый выход которого через второй блок автоматической подстройки частоты соединен с первым управляющим входом первого управляемого стабилизатора тока, выход которого соединен с управляющим входом лазерного модуля детектирования, при этом опорный вход второго блока автоматической подстройки частоты и опорный вход первого управляемого стабилизатора тока соединены с выходом второго низкочастотного генератора. Второй выход атомно-лучевой трубки соединен с входом третьего фотоприемного устройства, первый выход которого через третий блок автоматической подстройки частоты соединен с первым управляющим входом второго управляемого стабилизатора тока, выход которого соединен с управляющим входом лазерного модуля накачки, при этом опорный вход третьего блока автоматической подстройки частоты и опорный вход второго управляемого стабилизатора тока соединены с выходом третьего низкочастотного генератора. В отличие от прототипа соединение выхода первого низкочастотного генератора с опорным входом блока формирования сигнала радиочастотного возбуждения осуществлено через первый электронный ключ, соединение выхода второго низкочастотного генератора с опорным входом первого управляемого стабилизатора тока осуществлено через второй электронный ключ, а соединение выхода третьего низкочастотного генератора с опорным входом второго управляемого стабилизатора тока осуществлено через третий электронный ключ. При этом второй выход первого фотоприемного устройства соединен с сигнальным входом первого устройства автоматического поиска частоты, первый выход которого соединен с управляющими входами первого и второго электронных ключей, а второй выход – с вторым управляющим входом подстраиваемого кварцевого генератора, второй выход второго фотоприемного устройства соединен с сигнальным входом второго устройства автоматического поиска частоты, первый выход которого соединен с управляющим входом третьего устройства автоматического поиска частоты, а второй выход – с вторым управляющим входом первого управляемого стабилизатора тока, второй выход третьего фотоприемного устройства соединен с сигнальным входом третьего устройства автоматического поиска частоты, первый выход которого соединен с управляющим входом третьего электронного ключа и управляющим входом первого устройства автоматического поиска частоты, а второй выход – с вторым управляющим входом второго управляемого стабилизатора тока.
Сущность изобретения и возможность его осуществления поясняются иллюстративными материалами, представленными на фиг.1-3, где:
на фиг.1 схематически представлены используемые переходы между энергетическими уровнями атомов рабочего вещества атомно-лучевой трубки;
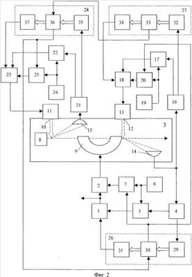
на фиг.2 представлена структурная схема заявляемого атомно-лучевого стандарта частоты;
на фиг.3 представлены временные диаграммы, поясняющие этапы работы устройств автоматического поиска частоты в процессе начальной настройки лазерного модуля детектирования, лазерного модуля накачки и подстраиваемого кварцевого генератора.
Заявляемый атомно-лучевой стандарт частоты содержит, см. фиг.2, последовательно соединенные в замкнутое кольцо автоматической подстройки частоты подстраиваемый кварцевый генератор 1, выход которого является выходом атомно-лучевого стандарта частоты, блок формирования сигнала радиочастотного возбуждения 2, атомно-лучевую трубку 3, первое фотоприемное устройство 4 и первый блок автоматической подстройки частоты 5, выход которого соединен с первым управляющим входом подстраиваемого кварцевого генератора 1. При этом опорный вход первого блока автоматической подстройки частоты 5 непосредственно соединен с выходом первого низкочастотного генератора 6, а опорный вход блока формирования сигнала радиочастотного возбуждения 2 соединен с выходом первого низкочастотного генератора 6 через первый электронный ключ 7.
Атомно-лучевая трубка 3 содержит расположенные на одной оси источник атомного пучка 8 и СВЧ-резонатор 9, радиочастотный вход которого образует радиочастотный вход атомно-лучевой трубки 3, соединенный с выходом блока формирования сигнала радиочастотного возбуждения 2. Атомно-лучевая трубка 3 имеет окно оптической накачки 10 с лазерным модулем накачки 11, расположенное в области прохода атомного пучка от источника атомного пучка 8 до СВЧ-резонатора 9, и окно оптического детектирования 12 с лазерным модулем детектирования 13, расположенное в области выхода атомного пучка из СВЧ-резонатора 9. Кроме этого, в области выхода атомного пучка из СВЧ-резонатора 9 располагается выходное фотодетектирующее устройство 14, выход которого образует первый выход атомно-лучевой трубки 3, соединенный с входом первого фотоприемного устройства 4, а в области прохода атомного пучка от источника атомного пучка 8 до СВЧ-резонатора 9 располагается фотодетектор оптической накачки 15, выход которого образует второй выход атомно-лучевой трубки 3.
Первый выход атомно-лучевой трубки 3, помимо указанного соединения с входом первого фотоприемного устройства 4, соединен также с входом второго фотоприемного устройства 16, первый выход которого через второй блок автоматической подстройки частоты 17 соединен с первым управляющим входом первого управляемого стабилизатора тока 18, выход которого соединен с управляющим входом лазерного модуля детектирования 13. При этом опорный вход второго блока автоматической подстройки частоты 17 непосредственно соединен с выходом второго низкочастотного генератора 19, а опорный вход первого управляемого стабилизатора тока 18 соединен с выходом второго низкочастотного генератора 19 через второй электронный ключ 20.
Второй выход атомно-лучевой трубки 3 соединен с входом третьего фотоприемного устройства 21, первый выход которого через третий блок автоматической подстройки частоты 22 соединен с первым управляющим входом второго управляемого стабилизатора тока 23, выход которого соединен с управляющим входом лазерного модуля накачки 11. При этом опорный вход третьего блока автоматической подстройки частоты 22 непосредственно соединен с выходом третьего низкочастотного генератора 24, а опорный вход второго управляемого стабилизатора тока 23 соединен с выходом третьего низкочастотного генератора 24 через третий электронный ключ 25.
Второй выход первого фотоприемного устройства 4 соединен с сигнальным входом первого устройства автоматического поиска частоты 26, первый выход которого соединен с управляющими входами первого и второго электронных ключей 7 и 20, а второй выход – с вторым управляющим входом подстраиваемого кварцевого генератора 1.
Второй выход второго фотоприемного устройства 16 соединен с сигнальным входом второго устройства автоматического поиска частоты 27, первый выход которого соединен с управляющим входом третьего устройства автоматического поиска частоты 28, а второй выход – с вторым управляющим входом первого управляемого стабилизатора тока 18.
Второй выход третьего фотоприемного устройства 21 соединен с сигнальным входом третьего устройства автоматического поиска частоты 28, первый выход которого соединен с управляющим входом третьего электронного ключа 25 и управляющим входом первого устройства автоматического поиска частоты 26, а второй выход – с вторым управляющим входом второго управляемого стабилизатора тока 23.
Первое устройство автоматического поиска частоты 26 в рассматриваемом примере содержит последовательно соединенные первый аналого-цифровой преобразователь 29, первый микроконтроллер 30 и первый цифроаналоговый преобразователь 31. Сигнальный вход аналого-цифрового преобразователя 29 является сигнальным входом первого устройства автоматического поиска частоты 26, управляющий вход и управляющий выход микроконтроллера 30 являются, соответственно, управляющим входом и первым выходом первого устройства автоматического поиска частоты 26, а выход цифроаналогового преобразователя 31 является вторым выходом первого устройства автоматического поиска частоты 26.
Второе устройство автоматического поиска частоты 27 в рассматриваемом примере содержит последовательно соединенные второй аналого-цифровой преобразователь 32, второй микроконтроллер 33 и второй цифроаналоговый преобразователь 34. Сигнальный вход аналого-цифрового преобразователя 32, управляющий выход микроконтроллера 33 и выход цифроаналогового преобразователя 34 являются соответственно сигнальным входом и первым и вторым выходами второго устройства автоматического поиска частоты 27.
Третье устройство автоматического поиска частоты 28 в рассматриваемом примере содержит последовательно соединенные третий аналого-цифровой преобразователь 35, третий микроконтроллер 36 и третий цифроаналоговый преобразователь 37. Сигнальный вход аналого-цифрового преобразователя 35 является сигнальным входом третьего устройства автоматического поиска частоты 28, управляющий вход и управляющий выход микроконтроллера 36 являются соответственно управляющим входом и первым выходом третьего устройства автоматического поиска частоты 28, а выход цифроаналогового преобразователя 37 является вторым выходом третьего устройства автоматического поиска частоты 28.
В качестве микроконтроллеров 30, 33 и 36 в практических схемах могут использоваться, например, однокристальные микроконтроллеры с внутренней памятью РIС17С4х, PIC17C75x, М3820 и другие, аналогичные им. В качестве управляющего выхода в таких микроконтроллерах может быть использован один из выводов разрядов порта ввода-вывода данных, а в качестве управляющего входа – один из выводов другого порта ввода-вывода данных или один из входов прерывания.
Подстраиваемый кварцевый генератор 1 и управляемые стабилизаторы тока 18, 23 выполнены как в прототипе, при этом их вторые управляющие входы, используемые в прототипе для подключения управляемых вручную вспомогательных источников напряжения, в заявляемом атомно-лучевом стандарте частоты подключены к вторым выходам соответствующих устройств автоматического поиска частоты 26, 27, 28.
Фотоприемные устройства 4, 16 и 21 представляют собой двухканальные усилители-преобразователи тока в напряжение с фильтрующими элементами, осуществляющими разделение каналов. При этом в фотоприемном устройстве 4 фильтрующий элемент первого канала обеспечивает пропускание переменной составляющей входного сигнала на частоте F1, в фотоприемном устройстве 16 – пропускание переменной составляющей на частоте F2, в фотоприемном устройстве 21 – пропускание переменной составляющей на частоте F3, а фильтрующий элемент второго канала обеспечивает в каждом из этих фотоприемных устройств пропускание постоянной составляющей входного сигнала.
Все три блока автоматической подстройки частоты 5, 17, 22 выполнены, как в прототипе, по традиционной схеме, содержащей входной усилитель, синхронный детектор и выходной интегратор, где опорный вход синхронного детектора образует опорный вход блока автоматической подстройки частоты, а вход усилителя и выход интегратора образуют соответственно сигнальный вход и выход блока автоматической подстройки частоты. Каждый из блоков автоматической подстройки частоты 5, 17, 22 осуществляет синхронное детектирование сигнала, поступающего с первого выхода соответствующего фотоприемного устройства 4, 16, 21 относительно опорного сигнала, поступающего с выхода соответствующего низкочастотного генератора 6, 19, 24, и последующее интегрирование полученного в результате синхронного детектирования сигнала ошибки с получением необходимого управляющего напряжения.
Блок формирования сигнала радиочастотного возбуждения 2 выполнен, как в прототипе, в виде повышающего модулирующего преобразователя частоты, осуществляющего формирование на основе выходного сигнала подстраиваемого кварцевого генератора 1 (гармонического сигнала с частотой f1) и выходного сигнала первого низкочастотного генератора 6 (с частотой F1) модулированного по фазе с частотой низкочастотной модуляции F1 СВЧ-сигнала радиочастотного возбуждения, номинальное значение несущей частоты f2 которого соответствует резонансной частоте f0 радиочастотного атомного перехода, т.е. резонансной частоте f0 контура спектральной линии атомно-лучевой трубки 3, определяемой взаимодействием рабочего вещества атомного пучка с сигналом радиочастотного возбуждения (в рассматриваемом случае контур линии Рамзея), при этом значение частоты низкочастотной модуляции F1 соответствует полуширине этого контура.
Атомно-лучевая трубка 3 может быть выполнена, как в прототипе, в виде рубидиевой атомно-лучевой трубки с теми же используемыми частотами 1 и 2 оптических атомных переходов и той же частотой f0 радиочастотного атомного перехода.
Работа заявляемого атомно-лучевого стандарта частоты в части, соответствующей установившемуся режиму работы (т.е. по завершении всех этапов начальной настройки подстраиваемого кварцевого генератора 1, лазерного модуля накачки 11 и лазерного модуля детектирования 13, которые рассматриваются ниже), осуществляется аналогично работе прототипа следующим образом.
Подстраиваемый кварцевый генератор 1 формирует гармонический сигнал с частотой f1, являющийся выходным сигналом атомно-лучевого стандарта частоты. Текущее значение частоты f1 определяется суммой напряжений, поступающих на его первый и второй управляющие входы, при этом управляющее напряжение на втором управляющем входе определяется выходным напряжением устройства автоматического поиска частоты 26, зафиксированным на постоянном уровне по результатам осуществленной начальной («грубой») настройки частоты подстраиваемого кварцевого генератора 1, а управляющее напряжение на первом управляющем входе определяется текущим выходным напряжением блока автоматической подстройки частоты 5.
Выходной сигнал подстраиваемого кварцевого генератора 1 поступает на сигнальный вход блока формирования сигнала радиочастотного возбуждения 2, на опорный вход которого через замкнутый электронный ключ 7 поступает опорный сигнал с частотой F1 с выхода низкочастотного генератора 6 (порядка нескольких десятков герц). На основании этих входных сигналов в блоке формирования сигнала радиочастотного возбуждения 2 формируется модулированный по фазе с частотой низкочастотной модуляции F1 СВЧ-сигнал радиочастотного возбуждения, номинальное значение несущей частоты f2 которого, однозначно связанное с текущим значением частоты f1, соответствует резонансной частоте f0 радиочастотного атомного перехода (резонансной частоте f0 контура спектральной линии атомно-лучевой трубки 3, определяемой взаимодействием рабочего вещества атомного пучка с сигналом радиочастотного возбуждения между энергетическими уровнями «1» и «2», фиг.1), при этом значение частоты низкочастотной модуляции F1 соответствует полуширине спектральной линии этого перехода.
Сигнал радиочастотного возбуждения, снимаемый с выхода блока формирования сигнала радиочастотного возбуждения 2, поступает на радиочастотный вход атомно-лучевой трубки 3, т.е. на радиочастотный вход СВЧ-резонатора 9, через который проходит пучок атомов от источника атомного пучка 8, подвергнутый лазерной оптической накачке.
Лазерная оптическая накачка атомного пучка производится частотно-модулированным излучением лазерного модуля накачки 11, вводимым в атомно-лучевую трубку 3 через окно оптической накачки 10 на участке прохода атомного пучка от источника атомного пучка 8 до СВЧ-резонатора 9.
Среднее значение частоты излучения лазерного модуля накачки 11 соответствует резонансной частоте 1 используемого поглощающего оптического перехода атомов пучка между энергетическими уровнями «2» и «3» (фиг.1), а частота F3 модуляции (порядка десяти килогерц) соответствует полуширине спектральной линии этого перехода. Указанные параметры излучения лазерного модуля накачки 11 определяются параметрами модулированного по амплитуде тока, поступающего на управляющий вход лазерного модуля накачки 11 с выхода управляемого стабилизатора тока 23. В свою очередь, постоянная составляющая выходного тока управляемого стабилизатора тока 23 (среднее значение выходного тока) определяется суммой управляющих напряжений, поступающих на его первый и второй управляющие входы, а частота модуляции определяется частотой F3 выходного сигнала низкочастотного генератора 24, поступающего на опорный вход управляемого стабилизатора тока 23 через замкнутый электронный ключ 25. Управляющее напряжение на втором управляющем входе управляемого стабилизатора тока 23 определяется выходным напряжением устройства автоматического поиска частоты 28, зафиксированным на постоянном уровне по результатам осуществленной начальной («грубой») настройки частоты излучения лазерного модуля накачки 11, а управляющее напряжение на первом управляющем входе определяется текущим выходным напряжением блока автоматической подстройки частоты 22.
Контроль за процессом лазерной оптической накачки производится по переизлученному атомами пучка флуоресцентному свету, фиксируемому фотодетектором оптической накачки 15, низкочастотная составляющая выходного сигнала которого, соответствующая частоте F3 модуляции излучения лазерного модуля накачки 11, несет в себе информацию об отклонении среднего значения частоты излучения лазерного модуля накачки 11 от резонансной частоты 1. Эта составляющая выделяется в фотоприемном устройстве 21 и в виде полезного сигнала обратной связи поступает с его первого выхода на сигнальный вход блока автоматической подстройки частоты 22. В блоке автоматической подстройки частоты 22 эта составляющая подвергается синхронному детектированию (относительно частоты F3) с выделением сигнала ошибки, который далее интегрируется с получением управляющего напряжения, под действием которого среднее значение выходного тока управляемого стабилизатора тока 23 устанавливается на уровне, определяющем среднее значение частоты излучения лазерного модуля накачки 11 в соответствии с резонансной частотой 1. Таким образом, в результате работы данного кольца автоматической подстройки частоты среднее значение частоты излучения лазерного модуля накачки 11 стабилизируется относительно резонансной частоты 1.
В результате осуществленной лазерной оптической накачки атомы атомного пучка влетают в СВЧ-резонатор 9, находясь в энергетическом состоянии первого уровня «1» (фиг.1). В СВЧ-резонаторе 9 атомы пучка взаимодействуют с сигналом радиочастотного возбуждения – модулированным по фазе с частотой F1 СВЧ-сигналом с несущей частотой f2, соответствующей резонансной частоте f0 радиочастотного атомного перехода, возбуждаемого при взаимодействии рабочего вещества атомного пучка с сигналом радиочастотного возбуждения. В результате взаимодействия атомного пучка с сигналом радиочастотного возбуждения атомы пучка вылетают из СВЧ-резонатора 9, находясь преимущественно в энергетическом состоянии второго уровня «2» (фиг.1).
Вылетающий из СВЧ-резонатора 9 атомный пучок подвергается оптическому облучению частотно-модулированным излучением лазерного модуля детектирования 13, вводимым в атомно-лучевую трубку через окно оптического детектирования 12 на участке выхода атомного пучка из СВЧ-резонатора 9.
Среднее значение частоты излучения лазерного модуля детектирования 13 соответствует резонансной частоте 2 используемого циркулярного оптического атомного перехода между энергетическими уровнями «2» и «3’» (фиг.1), а частота F2 модуляции (порядка десяти килогерц) соответствует полуширине спектральной линии этого перехода. Указанные параметры излучения лазерного модуля детектирования 13 определяются параметрами модулированного по амплитуде тока, поступающего на управляющий вход лазерного модуля детектирования 13 с выхода управляемого стабилизатора тока 18. В свою очередь, постоянная составляющая выходного тока управляемого стабилизатора тока 18 (среднее значение выходного тока) определяется суммой управляющих напряжений, поступающих на его первый и второй управляющие входы, а частота модуляции определяется частотой F2 выходного сигнала низкочастотного генератора 19, поступающего на опорный вход управляемого стабилизатора тока 18 через замкнутый электронный ключ 20. Управляющее напряжение на втором управляющем входе управляемого стабилизатора тока 18 определяется выходным напряжением устройства автоматического поиска частоты 27, зафиксированным на постоянном уровне по результатам осуществленной начальной («грубой») настройки частоты излучения лазерного модуля детектирования 13, а управляющее напряжение на первом управляющем входе определяется текущим выходным напряжением блока автоматической подстройки частоты 17.
Результат лазерного оптического детектирования контролируется по переизлученному атомами пучка флуоресцентному свету, фиксируемому выходным фотодетектирующим устройством 14. Низкочастотные составляющие сигнала выходного фотодетектирующего устройства 14, соответствующие частоте F1 модуляции сигнала радиочастотного возбуждения и частоте F2 модуляции излучения лазерного модуля детектирования 13, несут, соответственно, информацию об отклонении несущей частоты f2 сигнала радиочастотного возбуждения от резонансной частоты f0 и об отклонении средней частоты излучения лазерного модуля детектирования 13 от резонансной частоты 2.
Первая из этих низкочастотных составляющих выделяется в фотоприемном устройстве 4 и в виде сигнала обратной связи поступает с его первого выхода на сигнальный вход блока автоматической подстройки частоты 5, обеспечивая работу кольца автоматической подстройки частоты подстраиваемого кварцевого генератора 1.
Вторая из этих низкочастотных составляющих выделяется в фотоприемном устройстве 16 и в виде другого сигнала обратной связи поступает с его первого выхода на сигнальный вход блока автоматической подстройки частоты 17, обеспечивая работу кольца автоматической подстройки частоты излучения лазерного модуля детектирования 13.
В блоке автоматической подстройки частоты 17 сигнал, поступающий с первого выхода фотоприемного устройства 16, подвергается синхронному детектированию (относительно частоты F2) с выделением сигнала ошибки, который далее интегрируется с получением управляющего напряжения, под действием которого среднее значение выходного тока управляемого стабилизатора тока 18 устанавливается на уровне, определяющем среднее значение частоты излучения лазерного модуля детектирования 13 в соответствии с резонансной частотой 2. Таким образом, в результате работы данного кольца автоматической подстройки частоты среднее значение частоты излучения лазерного модуля детектирования 13 стабилизируется относительно резонансной частоты 2.
В блоке автоматической подстройки частоты 5 сигнал, поступающий с первого выхода фотоприемного устройства 4, подвергается синхронному детектированию (относительно частоты F1) с выделением сигнала ошибки, который далее интегрируется с получением управляющего напряжения, под действием которого частота f1 выходного сигнала подстраиваемого кварцевого генератора 1 устанавливается в соответствии с резонансной частотой f0 (с учетом преобразования частоты, осуществляемого в блоке формирования сигнала радиочастотного возбуждения 2). Таким образом, в результате работы данного кольца автоматической подстройки частоты текущее значение частоты выходного сигнала подстраиваемого кварцевого генератора 1 стабилизируется относительно резонансной частоты f0.
Одновременная работа всех трех колец автоматической подстройки частоты – основного кольца автоматической подстройки частоты подстраиваемого кварцевого генератора 1 и двух дополнительных колец автоматической подстройки частот излучения лазерного модуля накачки 11 и лазерного модуля детектирования 13 – обеспечивает достижение характеристик стабильности выходного сигнала заявляемого атомно-лучевого стандарта частоты на уровне прототипа.
При этом в отличие от прототипа в заявляемом атомно-лучевом стандарте частоты принудительная начальная установка частот подстраиваемого кварцевого генератора 1, лазерного модуля накачки 11 и лазерного модуля детектирования 13 в соответствии с частотами f0, 1 и 2, необходимая для осуществления рассмотренной выше работы колец автоматической подстройки частоты, осуществляется в автоматическом режиме с помощью устройств автоматического поиска частоты 26, 27 и 28.
Работа по принудительной начальной установке частот подстраиваемого кварцевого генератора 1, лазерного модуля накачки 11 и лазерного модуля детектирования 13 осуществляется после включения питания и проходит в четыре этапа, схематически представленных на фиг.3 временными интервалами t0-t1, t1-t2, t2-t2, t3-t4.
Первый этап (фиг.3, промежуток времени от t0 до t1) характеризуется следующим.
Устройство автоматического поиска частоты 27 в промежутке времени от t0 до t1 под действием внутренней программы микроконтроллера 33 устанавливается в исходное состояние, характеризующееся установкой частоты излучения лазерного модуля детектирования 13 в крайнюю точку диапазона перестройки 2кр (фиг.3а). Эта установка частоты осуществляется под действием выходного сигнала управляемого стабилизатора тока 18, сформированного под действием сигнала, поступающего на его второй управляющий вход со второго выхода устройства автоматического поиска частоты 27 (т е. с выхода цифроаналогового преобразователя 34). При этом электронный ключ 20 находится в разомкнутом состоянии под действием соответствующего управляющего сигнала, поступающего с первого выхода устройства автоматического поиска частоты 26 (т.е. с управляющего выхода микроконтроллера 30). В условиях разомкнутого ключа 20 работа кольца автоматической подстройки частоты лазерного модуля детектирования 13 заблокирована, отсутствуют сигналы на опорном и первом управляющем входах управляемого стабилизатора тока 18 и его выходной сигнал определяется только напряжением, присутствующим на его втором управляющем входе. При этом выходное излучение лазерного модуля детектирования 13 представляет собой немодулированный оптический сигнал.
Устройство автоматического поиска частоты 28 в промежутке времени от t0 до t1 под действием внутренней программы микроконтроллера 36 устанавливается в исходное состояние, характеризующееся установкой частоты излучения лазерного модуля накачки 11 в крайнюю точку диапазона перестройки V1кр (фиг.3б), при котором отсутствует резонансное взаимодействие атомов пучка со светом оптической накачки. Эта установка осуществляется под действием выходного сигнала управляемого стабилизатора тока 23, сформированного под действием сигнала, поступающего на его второй управляющий вход со второго выхода устройства автоматическою поиска частоты 28 (т.е. выхода цифроаналогового преобразователя 37). При этом с первого выхода устройства автоматического поиска частоты 28 (т.е. с управляющего выхода микроконтроллера 36) на управляющий вход электронного ключа 25 поступает соответствующее управляющее напряжение, размыкающее этот ключ. В условиях разомкнутого ключа 25 работа кольца автоматической подстройки частоты излучения лазерного модуля накачки 11 заблокирована, отсутствуют сигналы на опорном и первом управляющем входах управляемого стабилизатора тока 23 и выходной сигнал управляемого стабилизатора тока 23 определяется только напряжением, присутствующим на его втором управляющем входе. При этом выходное излучение лазерного модуля накачки 11 представляет собой немодулированный оптический сигнал.
Устройство автоматического поиска частоты 26 в промежутке времени от t0 до t1 под действием внутренней программы микроконтроллера 30 устанавливается в исходное состояние, характеризующееся установкой частоты выходного сигнала подстраиваемого кварцевого генератора 1 в крайнюю точку диапазона перестройки f1кр (фиг.3в). В этом состоянии отсутствует резонансное взаимодействие атомов пучка с СВЧ-полем СВЧ-резонатора 9, т.к. частота формируемого в этих условиях сигнала радиочастотного возбуждения не соответствует резонансной частоте f0 радиочастотного атомного перехода. Установка частоты выходного сигнала подстраиваемого кварцевого генератора 1 в крайнюю точку диапазона перестройки f1кр осуществляется под действием сигнала, поступающего на второй управляющий вход подстраиваемого кварцевого генератора частоты 1 со второго выхода устройства автоматического поиска частоты 26 (т.е. с выхода цифроаналогового преобразователя 31). При этом с первого выхода устройства автоматического поиска частоты 26 (т.е. с управляющего выхода микроконтроллера 30) на управляющий вход электронного ключа 7 поступает управляющее напряжение, размыкающее этот ключ. В условиях разомкнутого ключа 7 работа кольца автоматической подстройки частоты выходного сигнала подстраиваемого кварцевого генератора 1 заблокирована, отсутствуют сигналы на опорном входе блока формирования сигнала радиочастотного возбуждения 2 и на первом управляющем входе подстраиваемого кварцевого генератора частоты 1 и выходной сигнал подстраиваемого кварцевого генератора частоты 1 определяется только напряжением, присутствующим на его втором управляющем входе. При этом с выхода блока формирования сигнала радиочастотного возбуждения 2 снимается немодулированный СВЧ-сигнал.
На втором этапе (фиг.3, промежуток времени от t1 до t2) устройства автоматического поиска частоты 26 и 28 находятся в установленном исходном состоянии, сохраняя на своих выходах сигналы, сформированные на первом этапе, а устройство автоматического поиска частоты 27 осуществляет программную перестройку частоты излучения лазерного модуля детектирования 13 с поиском частоты, отвечающей резонансной частоте 2 используемого циркулярного оптического атомного перехода. Нахождение искомой частоты осуществляется путем выявления определенного (в порядке следования) пика выходного сигнала выходного фотодетектирующего устройства 14, выделяемого на втором выходе фотоприемного устройства 16. При этом используется тот факт, что порядок следования выявленных пиков указанного сигнала соответствует известному порядку расположения частот оптических переходов между энергетическими уровнями атомов, что позволяет осуществить поиск частоты 2 путем выявления соответствующего ей пика сигнала. В рассматриваемом случае использования в качестве рабочего вещества атомного пучка рубидия Rb87 количество оптических атомных переходов и, соответственно, количество пиков сигнала равно четырем, что определяется четырьмя подуровнями в состоянии 5Р3/2 2 соответствует, например, третий по счету (в порядке увеличения частоты) пик сигнала, снимаемого со второго выхода фотоприемного устройства 16. В случае использования в качестве рабочего вещества атомного пучка цезия Cs133 количество оптических атомных переходов, как отмечалось выше, равно пяти, что определяется пятью подуровнями в состоянии 6Р3/2.
Поиск искомой частоты 2 осуществляется путем выявления определенного (в порядке следования) пика сигнала, снимаемого со второго выхода фотоприемного устройства 16, и происходит по программе, заложенной в микропроцессоре 33. В соответствии с этой программой на выходе цифроаналогового преобразователя 34 формируется ступенчатое (изменяющееся по тактам) напряжение, под действием которого с помощью управляемого стабилизатора тока 18 соответствующим образом изменяется частота излучения лазерного модуля детектирования 13, которым облучается выходящий из СВЧ-резонатора 9 атомный пучок. Атомный пучок на данном временном этапе характеризуется исходным равновероятным распределением атомов между подуровнями «1» и «2» (фиг.1), что обусловлено отсутствием резонансного взаимодействия атомов пучка со светом оптической накачки и СВЧ-полем СВЧ-резонатора 9. Результат лазерного оптического детектирования атомного пучка контролируется по переизлученному атомами пучка флуоресцентному свету, фиксируемому выходным фотодетектирующим устройством 14. В указанных условиях равновероятного распределения атомов пучка между подуровнями «1» и «2» выходной сигнал выходного фотодетектирующего устройства 14 характеризуется наличием пиков, располагающихся на оси частот в точках, соответствующих резонансным частотам оптических атомных переходов. Этот сигнал выделяется на втором выходе фотоприемного устройства 16 и поступает на сигнальный вход устройства автоматического поиска частоты 27 (т.е. на сигнальный вход аналого-цифрового преобразователя 32). Преобразованный в цифровой вид сигнал далее поступает в микроконтроллер 33, где осуществляется запоминание величины текущего сигнала и ее сравнение с величиной сигнала, поступившего на предыдущем такте, что позволяет выявлять частоты, соответствующие пиковым значениям выходного сигнала выходного фотодетектирующего устройства 14, и тем самым найти искомую частоту 2, соответствующую определенному пику.
По завершении поиска частоты 2 (фиг.3а, момент времени t2) микроконтроллер 33 фиксирует состояние цифроаналогового преобразователя 34, отвечающее найденной частоте 2, т.е. фиксирует выходной сигнал, поступающий со второго выхода устройства автоматического поиска частоты 27 на второй управляющий вход управляемого стабилизатора тока 18. Тем самым фиксируется установленное начальное («грубое») значение частоты лазерного модуля детектирования 13, отвечающее частоте 2 оптического атомного перехода.
Одновременно с первого выхода устройства автоматического поиска частоты 27 (т.е. с управляющего выхода микроконтроллера 33) на управляющий вход устройства автоматического поиска частоты 28 (т.е. на управляющий вход микроконтроллера 36) поступает сигнал, под действием которого устройство автоматического поиска частоты 28 начинает осуществлять программную перестройку частоты излучения лазерного модуля накачки 11 с поиском частоты, отвечающей резонансной частоте 1 используемого поглощающего оптического атомного перехода (фиг.3б, третий этап, промежуток времени от t2 до t3). Поиск искомой частоты 1 осуществляется аналогично рассмотренному выше поиску частоты 2 путем выявления определенного (в порядке следования) пика выходного сигнала фотодетектора оптической накачки 15, выделяемого на втором выходе фотоприемного устройства 21. Поиск происходит по программе, заложенной в микропроцессоре 36. В соответствии с этой программой на выходе цифроаналогового преобразователя 37 формируется ступенчатое (изменяющееся по тактам) напряжение, под действием которого с помощью управляемого стабилизатора тока 23 соответствующим образом изменяется частота излучения лазерного модуля накачки 11, которым облучается атомный пучок, выходящий из источника атомного пучка 8. Эффект лазерной оптической накачки контролируется по переизлученному атомами пучка флуоресцентному свету, фиксируемому фотодетектором оптической накачки 15, пики выходного сигнала которого располагаются на оси частот в точках, соответствующих резонансным частотам оптических атомных переходов. Этот сигнал выделяется на втором выходе фотоприемного устройства 21 и поступает на сигнальный вход устройства автоматического поиска частоты 28 (т.е. на сигнальный вход аналого-цифрового преобразователя 35). Преобразованный в цифровой вид сигнал далее поступает в микроконтроллер 36, где осуществляется запоминание величины текущего сигнала и ее сравнение с величиной сигнала, поступившего на предыдущем такте, что позволяет выявлять частоты, соответствующие пиковым значениям сигнала, и тем самым найти искомую частоту 1, соответствующую определенному пику.
По завершении поиска частоты 1 (фиг.3б, момент времени t3) микроконтроллер 36 фиксирует состояние цифроаналогового преобразователя 37, отвечающее найденной частоте 1, т.е. фиксирует выходной сигнал, поступающий со второго выхода устройства автоматического поиска частоты 28 на второй управляющий вход управляемого стабилизатора тока 23. Тем самым фиксируется установленное начальное («грубое») значение частоты лазерного модуля накачки 11, отвечающее частоте 1 оптического атомного перехода. Одновременно с этим на управляющем выходе микроконтроллера 36 (т.е. на первом выходе устройства автоматического поиска частоты 28) появляется сигнал, под действием которого замыкается электронный ключ 25, включая тем самым в работу кольцо автоматической подстройки частоты излучения лазерного модуля накачки 11.
Сигнал с управляющего выхода микроконтроллера 36 поступает также на управляющий вход устройства автоматического поиска частоты 26 (т.е. на управляющий вход микроконтроллера 30). Под действием этого сигнала устройство автоматического поиска частоты 26 начинает осуществлять программную перестройку частоты выходного сигнала подстраиваемого кварцевого генератора 1 с поиском частоты, отвечающей (с учетом преобразования, осуществляемого в блоке формирования сигнала радиочастотного возбуждения 2) частоте f0 радиочастотного атомного перехода (фиг.3в, четвертый этап, промежуток времени от t3 до t4). При этом ищется пик сигнала на выходе выходного фотодетектирующего устройства 14, соответствующий пику контура линии Рамзея ([12, Fig.6]).
Перестройка частоты выходного сигнала подстраиваемого кварцевого генератора 1 осуществляется по программе, заложенной в микропроцессоре 30. В соответствии с этой программой на выходе цифроаналогового преобразователя 31 формируется ступенчатое (изменяющееся по тактам) напряжение, под действием которого соответствующим образом изменяется частота f1 выходного сигнала подстраиваемого кварцевого генератора 1 и связанная с ней частота f2 сигнала радиочастотного возбуждения. Поиск пика контура линии Рамзея осуществляется по переизлученному атомами пучка флуоресцентному свету, фиксируемому выходным фотодетектирующим устройством 14. Выходной сигнал фотодетектирующего устройства, проходящий на второй выход фотоприемного устройства 4, поступает на сигнальный вход устройства автоматического поиска частоты 26 (т.е. на сигнальный вход аналого-цифрового преобразователя 29). Преобразованный в цифровой вид сигнал далее поступает в микроконтроллер 30. В микроконтроллере 30 осуществляется запоминание величины текущего сигнала и ее сравнение с величиной сигнала, поступившего на предыдущем такте, что позволяет выявить частоту выходного сигнала подстраиваемого кварцевого генератора 1, соответствующую пику контура линии Рамзея.
По завершении поиска частоты выходного сигнала подстраиваемого кварцевого генератора 1, соответствующей пику контура линии Рамзея (фиг.3в, момент времени t4), микроконтроллер 30 фиксирует состояние цифроаналогового преобразователя 31, отвечающее найденной частоте, т.е. фиксирует выходной сигнал, поступающий со второго выхода устройства автоматического поиска частоты 26 на второй управляющий вход подстраиваемого кварцевого генератора 1. Тем самым фиксируется установленное начальное («грубое») значение частоты выходного сигнала подстраиваемого кварцевого генератора 1, отвечающее частоте f0 радиочастотного атомного перехода.
Одновременно с этим на управляющем выходе микроконтроллера 30 (т.е. на первом выходе устройства автоматического поиска частоты 26) появляется сигнал, под действием которого замыкается электронный ключ 7, включая тем самым в работу кольцо автоматической подстройки частоты выходного сигнала подстраиваемого кварцевого генератора 1, а также замыкается электронный ключ 20, включая тем самым в работу кольцо автоматической подстройки частоты излучения лазерного модуля детектирования 13. С этого момента начинается рассмотренная выше обычная работа атомно-лучевого стандарта частоты, когда одновременно работают все три кольца автоматической подстройки частоты – основное кольцо автоматической подстройки частоты выходного сигнала подстраиваемого кварцевого генератора 1 и два дополнительных кольца автоматической подстройки частоты излучения лазерного модуля накачки 11 и частоты излучения лазерного модуля детектирования 13.
Рассмотренное показывает, что заявляемое изобретение осуществимо и обеспечивает достижение технического результата, заключающегося в создание атомно-лучевого стандарта частоты, работающего по принципу прототипа и в котором осуществляется автоматическая установка начальных значений частот подстраиваемого кварцевого генератора, лазерного модуля накачки и лазерного модуля детектирования в соответствии с частотами используемых атомных переходов. Такой атомно-лучевой стандарт частоты обладает расширенными, по сравнению с прототипом, возможностями практического применения, в том числе в составе необслуживаемого бортового оборудования, обеспечивая при этом характеристики стабильности на уровне прототипа.
Источники информации
2. RU 2220499 С2, H03L 7/16, H01S 3/10, опубл. 27.12.2003.
3. US 4943955, H03L 7/26, опубл. 24.07.1990.
4. US 4425653, H01S 3/091, опубл. 10.01.1984.
5. US 4354108, Н01S 1/00, опубл. 12.10.1982.
6 US 3967115, Н01S 1/00, опубл. 29.06.1976.
7. US 3397310, U.S.C1.250-41.3, опубл. 13.08.1968.
8 US 3323008, U.S.С1.315-111, опубл. 30.05.1967.
9. С.Sallot, М.Baldy, D.Gin, R.Petit. 3·10-12· -1/2th European Frequency and Time Forum. 2003, pp.100-104.
10. US 4684900, H03L 7/26, опубл. 04.08.1987.
11. A.Besedina, A.Gevorkyan, V.Zholnerov. Two-frequency Pumping in 87
Формула изобретения
Атомно-лучевой стандарт частоты, содержащий последовательно соединенные в замкнутое кольцо автоматической подстройки частоты подстраиваемый кварцевый генератор, выход которого является выходом атомно-лучевого стандарта частоты, блок формирования сигнала радиочастотного возбуждения, атомно-лучевую трубку, первое фотоприемное устройство и первый блок автоматической подстройки частоты, сигнальный вход которого соединен с первым выходом первого фотоприемного устройства, а выход соединен с первым управляющим входом подстраиваемого кварцевого генератора, а также первый низкочастотный генератор, выход которого соединен с опорным входом первого блока автоматической подстройки частоты и опорным входом блока формирования сигнала радиочастотного возбуждения, при этом атомно-лучевая трубка содержит расположенные на одной оси источник атомного пучка и СВЧ-резонатор, радиочастотный вход которого образует радиочастотный вход атомно-лучевой трубки, соединенный с выходом блока формирования сигнала радиочастотного возбуждения, а также окно оптической накачки с лазерным модулем накачки, расположенное в области прохода атомного пучка от источника атомного пучка до СВЧ-резонатора, и окно оптического детектирования с лазерным модулем детектирования, расположенное в области выхода атомного пучка из СВЧ-резонатора, причем в области выхода атомного пучка из СВЧ-резонатора также располагается выходное фотодетектирующее устройство, выход которого образует первый выход атомно-лучевой трубки, соединенный с входом первого фотоприемного устройства, а в области прохода атомного пучка от источника атомного пучка до СВЧ-резонатора также располагается фотодетектор оптической накачки, выход которого образует второй выход атомно-лучевой трубки, первый выход атомно-лучевой трубки соединен также с входом второго фотоприемного устройства, первый выход которого через второй блок автоматической подстройки частоты соединен с первым управляющим входом первого управляемого стабилизатора тока, выход которого соединен с управляющим входом лазерного модуля детектирования, при этом опорный вход второго блока автоматической подстройки частоты и опорный вход первого управляемого стабилизатора тока соединены с выходом второго низкочастотного генератора, второй выход атомно-лучевой трубки соединен с входом третьего фотоприемного устройства, первый выход которого через третий блок автоматической подстройки частоты соединен с первым управляющим входом второго управляемого стабилизатора тока, выход которого соединен с управляющим входом лазерного модуля накачки, при этом опорный вход третьего блока автоматической подстройки частоты и опорный вход второго управляемого стабилизатора тока соединены с выходом третьего низкочастотного генератора, отличающийся тем, что соединение выхода первого низкочастотного генератора с опорным входом блока формирования сигнала радиочастотного возбуждения осуществлено через первый электронный ключ, соединение выхода второго низкочастотного генератора с опорным входом первого управляемого стабилизатора тока осуществлено через второй электронный ключ, а соединение выхода третьего низкочастотного генератора с опорным входом второго управляемого стабилизатора тока осуществлено через третий электронный ключ, при этом второй выход первого фотоприемного устройства соединен с сигнальным входом первого устройства автоматического поиска частоты, первый выход которого соединен с управляющими входами первого и второго электронных ключей, а второй выход – с вторым управляющим входом подстраиваемого кварцевого генератора, второй выход второго фотоприемного устройства соединен с сигнальным входом второго устройства автоматического поиска частоты, первый выход которого соединен с управляющим входом третьего устройства автоматического поиска частоты, а второй выход – с вторым управляющим входом первого управляемого стабилизатора тока, второй выход третьего фотоприемного устройства соединен с сигнальным входом третьего устройства автоматического поиска частоты, первый выход которого соединен с управляющим входом третьего электронного ключа и управляющим входом первого устройства автоматического поиска частоты, а второй выход – с вторым управляющим входом второго управляемого стабилизатора тока
РИСУНКИ
|
|