|
|
(21), (22) Заявка: 2008128384/09, 11.07.2008
(24) Дата начала отсчета срока действия патента:
11.07.2008
(30) Конвенционный приоритет:
12.07.2007 KR 10-2007-0070272
(46) Опубликовано: 10.01.2010
(56) Список документов, цитированных в отчете о поиске:
ЕР 1274109 А, 08.01.2003. RU 2136074 C1, 27.08.1999. US 2002/158724 A1, 31.10.2002. US 2002/056619 A1, 16.05.2002.
Адрес для переписки:
129090, Москва, ул.Б.Спасская, 25, стр.3, ООО “Юридическая фирма Городисский и Партнеры”, пат.пов. А.В.Мицу, рег. 364
|
(72) Автор(ы):
АХН Кил-Йоунг (KR)
(73) Патентообладатель(и):
ЭлЭс ИНДАСТРИАЛ СИСТЕМЗ КО., ЛТД. (KR)
|
(54) ВОЗДУШНЫЙ ВЫКЛЮЧАТЕЛЬ С МЕХАНИЗМОМ ИНДИКАЦИИ МЕХАНИЧЕСКОГО РАЗМЫКАНИЯ
(57) Реферат:
Воздушный выключатель имеет механизм переключения, привод с выходным звеном для обеспечения механической движущей силы, первый соединительный блок, включенный между выходным звеном привода и механизмом переключения для приложения механической движущей силы от выходного звена к механизму переключения и выполнения операции размыкания, пластину передней поверхности, снабженную манипуляторным блоком, доступным для пользователя. Кроме того, воздушный выключатель содержит: первый рычаг вращения, соединенный с первым соединительным блоком, второй соединительный блок, ограниченно перемещаемый первым рычагом вращения, смещающую пружину для приложения упругой силы смещения ко второму соединительному блоку для перемещения в одном направлении, второй рычаг вращения, установленный так, что он может вращаться в контакте с одной частью конца второго соединительного блока, и механизм индикации механического размыкания, удерживаемый пластиной передней поверхности и имеющий индикаторную часть, наружную к пластине передней поверхности, для индикации разомкнутого состояния воздушного выключателя, и часть, принимающую движущую силу, входящую в контакт со вторым рычагом вращения, для приема движущей силы от второго рычага вращения для показа индикаторной части. Технический результат – повышение надежности механической индикации пользователю того, что воздушный выключатель находится в разомкнутом состоянии. 2 н. и 8 з.п. ф-лы, 12 ил.
Родственная заявка
Данное описание касается предмета, содержащегося в приоритетной заявке на патент Кореи 10-2007-0070272, поданной 12 июля 2007 г., которая включена сюда в качестве ссылочного материала во всей ее полноте.
Предпосылки изобретения
1. Область техники, к которой относится изобретение
Настоящее изобретение относится к воздушному выключателю, в частности к воздушному выключателю, имеющему механизм индикации механического размыкания, способный механически надежно индицировать пользователю на операцию размыкания воздушного выключателя, произведенную, когда размыкающее реле максимального тока распознало ток повреждения в цепи.
2. Предпосылки изобретения
Обычно воздушный выключатель включает в качестве блока управления размыкающее реле максимального тока (OCR), которое распознает ток повреждения в цепи и затем генерирует и выдает управляющий сигнал, допускающий операцию размыкания (то есть автоматического разрыва цепи) воздушного выключателя при прохождении такого тока повреждения. Воздушный выключатель также включает механизм переключения, соединенный с подвижным контактором для приведения в действие подвижного контактора для переключения цепи в замкнутое или разомкнутое состояние, и привод (например, конфигурированный как привод катушки электромагнита), соединенный с механизмом переключения таким образом, что после получения управляющего сигнала от размыкающего реле максимального тока привод механически передает управляющий сигнал механизму переключения, который, таким образом, размыкается. Здесь, так как размыкающее реле максимального тока выполнено как электронная схема управления, оно может хранить информацию таким образом, что управляющий сигнал выдается самостоятельно, или такая информация может отображаться (обозначаться) на дисплее или подобном средстве. Однако функция индикации размыкания размыкающего реле максимального тока просто обозначает, что управляющий сигнал был выдан для операции размыкания. Например, если привод получил управляющий сигнал, но не сумел механически передать управляющий сигнал механизму переключения, индикация размыкания становится ложной. Соответственно, надежность не может быть обеспечена для функции электронной индикации размыкания размыкающего реле максимального тока. Таким образом, требуется воздушный выключатель, имеющий такой механизм индикации механического размыкания, соответствующий настоящему изобретению.
Теперь будут описаны конфигурация и эксплуатационные действия воздушного выключателя согласно одному примеру известного уровня техники со ссылками на прилагаемые чертежи.
На фиг.1 изображен вид в перспективе, показывающий общий внешний вид воздушного выключателя, соответствующего известному уровню техники. Как показано на фиг.1, воздушный выключатель 1, соответствующий известному уровню техники, включает основной кожух 2, расположенный на передней поверхности как часть, служащая интерфейсом для пользовательских манипуляций и т.п. Размыкающее реле 3 максимального тока расположено на одной стороне на основном кожухе 2, и на основном кожухе 2 расположен вспомогательный кожух 4 для отдельного закрытия удерживаемого им размыкающего реле 3 максимального тока. Кнопки для ручных манипуляций для включения или выключения воздушного выключателя 1 расположены в части основного кожуха 2, смежной со вспомогательным кожухом 4. Такие кнопки включают кнопку 6 выключения для ручного размыкания (выключения) воздушного выключателя 1 и кнопку 5 включения для ручного замыкания (обеспечения проводимости) воздушного выключателя 1.
На фиг.2 изображен вид в перспективе, показывающий соединительное соотношение между приводом, блоком, передающим движущую силу, и механизмом переключения, которые все предназначены для выполнения операции размыкания, с удаленным передним основным кожухом воздушного выключателя, соответствующего известному уровню техники. Теперь со ссылками на фиг.2 будет описана внутренняя конфигурация воздушного выключателя известного уровня техники.
Внутри воздушного выключателя, с удаленным основным кожухом, привод 20, примыкающий к основному кожуху 2 (см. фиг.1), расположен на задней стороне размыкающего реле 3 максимального тока (см. фиг.1), и выходное звено 21, соответствующее выходному блоку привода 20, выступает сквозь отверстие в боковой поверхности привода 20 и подвижно по вертикали для передачи механического сигнала запуска. Также, первый соединительный элемент 23 расположен на боковой поверхности привода 20 таким образом, что он входит в контакт с вертикально опускающимся выходным звеном 21 для передачи вертикальной движущей силы от вала 36 выключения механизму 30 переключения через выступ 22 первого соединительного блока 23. Механизм 30 переключения расположен на задней стороне основного кожуха 2 вблизи привода 20. Соответственно, когда вал 36 выключения нажат выступом 22 первого соединительного блока 23, механизм 30 переключения, реагируя на это, прилагает движущую силу для отделения подвижного контактора от неподвижного контактора для размыкания цепи. Не описанная ссылочная позиция 1a на фиг.2 обозначает часть изоляционного короба для удерживания подвижных контакторов для каждой фазы и соответствующих неподвижных контакторов, которые будут электрически изолированы каждой фазой.
На фиг.3 изображен вид в перспективе, показывающий конфигурацию привода и блок передачи движущей силы воздушного выключателя, соответствующего известному уровню техники. Как показано на фиг.3, для того, чтобы выходное звено 21 привода 20 механически передавало сигнал запуска через отверстие в боковой поверхности привода 20, а именно для запуска механизма 30 переключения для выполнения операции размыкания, выходное звено 21 выступает для вертикального движения.
Первый соединительный блок 23 входит в контакт и нажимается выходным звеном 21, которое перемещается в вертикальном направлении, в частности перемещается вниз в вертикальном направлении при передаче механического сигнала запуска, таким образом, перемещаясь вертикально. Соответственно, вал 36 выключения (см. фиг.2) механизма 30 переключения нажимается первым соединительным блоком 23 для его вращения.
Теперь со ссылками на фиг.4-6 будет дано описание механизма переключения воздушного выключателя, соответствующего известному уровню техники, и операции переключения точки контакта между подвижным контактором, соединенным с механизмом переключения, и соответствующим неподвижным контактором. Хотя воздушный выключатель, соответствующий настоящему изобретению, связан с механизмом индикации механического размыкания, отличным от механизма переключения и контакторов, такая операция переключения контакторов может быть изложена для понимания конфигурации и действия соответствующих частей в воздушном выключателе, соответствующем настоящему изобретению. Таким образом, здесь представлено его описание.
На фиг.4 изображен вид состояния, показывающий действие между механизмом переключения, подвижным контактором, соединенным с механизмом переключения, и неподвижным контактором в воздушном выключателе, соответствующем известному уровню техники, который показывает рабочее состояние, когда воздушный выключатель разомкнут (выключен, блокирован) и замыкающая пружина нагружена. На фиг.5 изображен вид состояния, показывающий действие между механизмом переключения, подвижным контактором, соединенным с механизмом переключения, и неподвижным контактором в воздушном выключателе, соответствующем известному уровню техники, который показывает рабочее состояние, когда воздушный выключатель замкнут (проводящий) и замыкающая пружина разгружена, и на фиг.6 изображен вид состояния, показывающий действие между механизмом переключения, подвижным контактором, соединенным с механизмом переключения, и неподвижным контактором в воздушном выключателе, соответствующем известному уровню техники, который показывает рабочее состояние, когда воздушный выключатель разомкнут (выключен) и замыкающая пружина разгружена.
Теперь будет описан случай ручного выключения цепи согласно известному уровню техники или случай автоматического размыкания (выключения) цепи при выявлении тока повреждения в цепи.
Как показано на фиг.5, в случае, когда воздушный выключатель вручную выключен в замкнутое состояние, когда пользователь нажимает на кнопку 6 выключения, выключающая пластина 39 горизонтально перемещается влево на фиг.5 таким образом, нажимая на вал 36 выключения, поворачивая, таким образом, вал 36 выключения.
В альтернативном варианте, при выполнении операции автоматического размыкания, размыкающее реле максимального тока обнаруживает ток повреждения в цепи и, таким образом, генерирует и выдает управляющий сигнал размыкания для привода. Привод срабатывает в ответ на управляющий сигнал размыкания. Соответственно, выходное звено и первый соединительный блок привода взаимодействуют друг с другом, таким образом, перемещаясь по вертикали. В результате, вал 36 выключения механизма 30 переключения нажимает первым соединительным блоком и вращается.
Согласно любому ручному способу или автоматическому способу, когда вал 36 выключения вращается, размыкающая защелка 37 вращается, освобождая соединительный блок 32. Таким образом, замыкающая пружина 38, которая напряжена, накапливая энергию упругой деформации в замкнутом состоянии, показанном на фиг.5, высвобождает эту энергию упругой деформации (то есть возвращается к исходному сжатому состоянию, как показано на фиг.6), посредством чего приводной рычаг 51, соединенный с одним концом замыкающей пружины 38, оттягивается вверх, таким образом, вращаясь против часовой стрелки.
Соответственно, основной вал 50 вращается в направлении против часовой стрелки, и соединительное звено 52, имеющее один конец, входящий в контакт с приводным рычагом 51, и другой конец, соединенный с подвижным контактором 53, перемещается вправо на фиг.5, оттягивая таким образом подвижный контактор вправо. Подвижный контактор 53 в этом случае отделяется от верхнего контакта 54a, соответствующего неподвижному контактору 5, как показано на фиг.6, таким образом, заканчивая операцию ручного размыкания или операцию автоматического размыкания для блокирования цепи. Нижний контакт 54b всегда электрически и механически соединен с подвижным контактором 53 соединительным блоком, сформированным из электрического проводника (не показан).
Теперь будет описан случай действия воздушного выключателя известного уровня техники из разомкнутого состояния в замкнутое состояние.
Состояние, показанное на фиг.6, является состоянием, в котором подвижный контактор 53 отделен от верхнего контакта 54a (то есть состоянием блокирования цепи), но замыкающая пружина 31 не нагружена. Для того чтобы подвижный контактор 53 перевелся в замкнутое состояние (то есть состояние проводимости цепи), в котором он входит в контакт с верхним контактом 54a, прежде всего, замыкающая пружина 31, которая прилагает движущую силу для приведения в действие подвижного контактора 53, должна быть нагружена, как показано в состоянии на фиг.4. Замыкающая пружина 31 нагружается несколькими способами, например посредством развертывания ручки взведения свернутой пружины (ссылочная позиция не присвоена, хотя показана на основном кожухе 2 на фиг.1) для ручного манипулирования кулачковым валом (ссылочная позиция не присвоена, хотя показан на фиг.4-6), приведения в действие электродвигателем (не показан) для управления кулачковым валом и т.п.
По существу, в состоянии, когда замыкающая пружина 31 нагружена, таким образом находясь в состоянии, показанном на фиг.4, когда пользователь нажимает на кнопку 5 включения, соединение 35 включения вращается по часовой стрелке на фиг.4 для удержания замыкающей защелки 33. Соответственно, вал 34 включения, удерживающий нагруженное состояние замыкающей пружины 31, нажимается для вращения в направлении против часовой стрелки, таким образом, освобождая замыкающую защелку 33. Соединительный блок 32 вращается против часовой стрелки замыкающей пружиной 31, которая высвобождает накопленную энергию упругой деформации, таким образом, вращая приводной рычаг 51, соединенный с соединительным блоком 32, в направлении по часовой стрелке, посредством чего соединительное звено 52 перемещается влево на фиг.4, позволяя подвижному контактору 53, соединенному с соединительным звеном 52, входить в контакт с верхним контактом 54a, соответствующим неподвижному контактору, посредством чего цепь становится проводящей (замкнутой), таким образом завершая операцию замыкания.
В воздушном выключателе известного уровня техники, имеющем такую конфигурацию, размыкающее реле максимального тока выполнено как электрическая схема управления, и она может запоминать (сохранять) генерированный и выданный управляющий сигнал или отображать (индицировать) такую информацию на дисплее или подобном средстве.
Однако функция индикации размыкания размыкающего реле максимального тока просто обозначает, что оно генерировало и выдало управляющий сигнал для операции размыкания. Например, если привод принял управляющий сигнал, но не сработал, он может не передать механический сигнал запуска механизму переключения. В результате, операция размыкания не выполняется, и индицированное размыкание становится ложным, что делает невозможным обеспечение надежности функции электронной индикации размыкания размыкающего реле максимального тока.
Сущность изобретения
Таким образом, целью настоящего изобретения является получение воздушного выключателя, имеющего механизм индикации механического размыкания, способный механически надежно индицировать пользователю то, что воздушный выключатель находится в разомкнутом состоянии посредством индикации на действие привода через механическое соединение.
Для достижения этих и других преимуществ и в соответствии с целью настоящего изобретения, воплощенной и в общих чертах описанной здесь, получен воздушный выключатель, имеющий неподвижный контактор, соединенный с цепью, и подвижный контактор, перемещаемый в положение замыкания, в котором подвижный контактор входит в контакт с неподвижным контактором для обеспечения проводимости цепи или в положение размыкания, в котором подвижный контактор отделен от неподвижного контактора для блокирования цепи, содержащий: механизм переключения, соединенный с подвижным контактором, для приведения в действие подвижного контактора для движения в замкнутое положение или разомкнутое положение; размыкающее реле максимального тока, сконфигурированное для сравнения опорного значения тока проводимости, которое предварительно задано для определения того, был ли создан в цепи ток повреждения, с величиной тока проводимости, выявленной в цепи, для определения того, создан ли ток повреждения, и для выдачи электрического управляющего сигнала размыкания, когда определено, что был создан ток повреждения; привод, сконфигурированный для создания механического сигнала запуска для размыкания механизма переключения согласно электрическому управляющему сигналу размыкания от размыкающего реле максимального тока; первый соединительный блок, включенный между приводом и механизмом переключения и сконфигурированный для передачи сигнала запуска механизма от привода к механизму переключения; механизм индикации механического размыкания, сконфигурированный для механической индикации на передней поверхности воздушного выключателя, что операция размыкания была выполнена; и генератор движущей силы для индикации размыкания, соединенный с приводом и с механизмом индикации механического размыкания и сконфигурированный для приведения механизма индикации механического размыкания, для обеспечения индикации операции размыкания, в ответ на сгенерированный механический сигнал запуска для операции размыкания от привода.
Предшествующие и другие цели, признаки, объекты и преимущества настоящего изобретения станут более очевидными при ознакомлении с нижеследующим подробным описанием настоящего изобретения, данным в сочетании с прилагаемыми чертежами.
Краткое описание чертежей
Прилагаемые чертежи, которые даны для лучшего понимания изобретения и включены в это описание и составляют часть его детализации, иллюстрируют вариант осуществления изобретения и вместе с описанием служат для пояснения принципов изобретения.
На чертежах:
фиг.1 – вид в перспективе, показывающий общий внешний вид воздушного выключателя, соответствующего известному уровню техники;
фиг.2 – вид в перспективе, показывающий связывающее отношение между приводом, механизмом для передачи механического сигнала запуска и механизмом переключения, которые все предназначены для операции размыкания, в состоянии, когда передний основной кожух удален с воздушного выключателя, соответствующего известному уровню техники;
фиг.3 – вид в перспективе, отдельно показывающий привод и механизм для передачи механического сигнала запуска в воздушном выключателе, соответствующем известному уровню техники;
фиг.4 – вид состояния, показывающий действие между механизмом переключения, подвижным контактором, соединенным с механизмом переключения, и неподвижным контактором в воздушном выключателе, соответствующем известному уровню техники, который показывает рабочее состояние, в котором воздушный выключатель разомкнут (выключен, блокирован) и замыкающая пружина нагружена;
фиг.5 – вид состояния, показывающий действие между механизмом переключения, подвижным контактором, соединенным с механизмом переключения, и неподвижным контактором в воздушном выключателе, соответствующем известному уровню техники, который показывает рабочее состояние, в котором воздушный выключатель замкнут (является проводящим) и замыкающая пружина разгружена;
фиг.6 – вид состояния, показывающий действие между механизмом переключения, подвижным контактором, соединенным с механизмом переключения, и неподвижным контактором в воздушном выключателе, соответствующем известному уровню техники, который показывает рабочее состояние, в котором воздушный выключатель разомкнут (выключен) и замыкающая пружина разгружена;
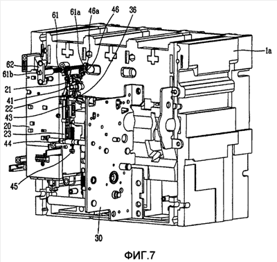
фиг.7 – вид в перспективе, показывающий соединенное состояние между приводом, механизмом для передачи механического сигнала запуска и механизмом переключения, которые все предназначены для операции размыкания, в состоянии с удаленным передним основным кожухом с воздушного выключателя, соответствующего настоящему изобретению;
фиг.8 – вид в перспективе, показывающий выходной блок привода, механизм для передачи механического сигнала запуска и генератор движущей силы индикации размыкания в воздушном выключателе, соответствующем настоящему изобретению;
фиг.9 – вид в перспективе, показывающий состояние в сборке механизма индикации механического размыкания в воздушном выключателе, соответствующем настоящему изобретению;
фиг.10 – вид в разобранном состоянии, подробно показывающий детали механизма индикации механического размыкания в воздушном выключателе, соответствующем настоящему изобретению;
фиг.11 – вид сзади в перспективе основного кожуха в состоянии, когда механизм индикации механического размыкания установлен в основном кожухе, расположенном на передней стороне воздушного выключателя, соответствующего настоящему изобретению; и
фиг.12 – внешний вид в перспективе воздушного выключателя, который показывает, что механизм индикации механического размыкания индицирует на передней поверхности воздушного выключателя, что операция размыкания была выполнена в соответствии с настоящим изобретением.
Подробное описание изобретения
Цели, конфигурация для достижения подобных целей и практического эффекта настоящего изобретения будут понятны при ознакомлении с данным здесь описанием предпочтительных вариантов осуществления настоящего изобретения в сочетании с прилагаемыми чертежами.
В первую очередь, на фиг.7 изображен вид в перспективе, показывающий соединенное состояние между приводом, передающим движущую силу блоком и механизмом переключения, которые все предназначены для выполнения операции размыкания, в состоянии, когда передний основной кожух удален с воздушного выключателя, соответствующего настоящему изобретению, который будет описан далее.
Воздушный выключатель, соответствующий настоящему изобретению, может включать неподвижный контактор, соединенный с цепью, и подвижный контактор, который может перемещаться между замыкающим положением, в котором он соединен с неподвижным контактором для создания проводимости в цепи, и разомкнутым (открытым) положением, в котором он отключен от неподвижного контактора для блокирования цепи. Такая конфигурация хорошо известна как основная конфигурация воздушного выключателя и аналогична конфигурации вышеупомянутого известного уровня техники, со ссылками на фиг.4-6.
Кроме того, как показано на фиг.7, воздушный выключатель, соответствующий настоящему изобретению, может включать механизм 30 переключения, соединенный с подвижным контактором для перемещения в замкнутое положение или положение размыкания. Механизм 30 переключения имеет такую же конфигурацию и действия, как и механизм переключения, соответствующий известному уровню техники, описанный со ссылками на фиг.4-6, и, таким образом, его описание не будет повторено.
Как показано на фиг.7, воздушный выключатель, соответствующий настоящему изобретению, может включать размыкающее реле максимального тока (не показано, но его внешний вид можно видеть под ссылочной позицией 3 на фиг.12). Размыкающее реле максимального тока сконфигурировано для задания опорного значения тока проводимости для определения, создан ли ток повреждения в цепи, сравнения заданного (предварительно установленного) опорного значения тока проводимости с выявленным значением тока проводимости в цепи, определения, был ли создан ток повреждения, и для выдачи сигнала управления приводящего к размыканию для выключения механизма переключения, когда определено создание тока повреждения.
Размыкающее реле максимального тока, включенное в воздушный выключатель, соответствующий настоящему изобретению, представляет собой часть электронного управления, включающую ручку установки, которая устанавливает опорное значение тока проводимости для определения того, произведен ли ток повреждения (например, величину тока, которая не намного больше, чем номинальный ток, и временно допустима для проведения, допустимую продолжительность операции размыкания, величину тока, которая должна быть блокирована мгновенно, величину тока короткого замыкания и т.п.), и электронную схему, такую как микропроцессор, которая сравнивает установленное опорное значение с выявленной величиной тока в цепи, определяет, выполнить ли операцию размыкания, и генерирует и выдает управляющий сигнал, указывающий на операцию размыкания, когда определено, что операция размыкания должна быть выполнена. Функции и конфигурация размыкающего реле максимального тока хорошо известны и не имеют прямого отношения к настоящему изобретению, и их описание будет, таким образом, опущено.
Как показано на фиг.7, воздушный выключатель, соответствующий настоящему изобретению, может включать привод 20, который создает механический сигнал запуска для размыкания механизма 30 переключения на основе сигнала управления приводящего к размыканию от размыкающего реле максимального тока.
Привод 20 может быть выполнен, например, как соленоидный привод, имеющий перемещающуюся часть, которая может линейно перемещаться притяжением электромагнитной катушки. Привод 20 аналогичен известному приводу с использованием подобной хорошо известной технологии и не имеет какого-либо отличительного компонента, соответствующего настоящему изобретению. Таким образом, его детальная конфигурация и операции не будут описаны.
Выходное звено 21, соответствующее блоку вывода привода 20, выступает из отверстия в боковой поверхности привода 20 для передачи механического сигнала запуска и может двигаться в вертикальном направлении.
Кроме того, как показано на фиг.7, воздушный выключатель, соответствующий настоящему изобретению, может также включать первый соединительный блок 23, который включен между приводом 20 и механизмом 30 переключения, для передачи механического сигнала запуска от привода 20 механизму 30 переключения. Первый соединительный блок 23 имеет такие же конфигурацию и функцию, как и указанный выше первый соединительный блок 23, соответствующий известному уровню техники. Первый соединительный блок 23 входит в контакт с выходным звеном 21, которое вертикально перемещается вниз на боковой поверхности привода 20, для передачи такой вертикальной силы валу 36 выключения механизма 30 переключения через выступ 22 первого соединительного блока 23.
Механизм 30 переключения расположен смежно с приводом 20. Когда выступ 22 первого соединительного блока 23 нажимает на вал 36 выключения, механизм переключения, реагируя на это, прилагает движущую силу таким образом, что подвижный контактор отделяется от неподвижного контактора, таким образом, разрывая (размыкая) цепь. Механизм 30 переключения имеет такую же или подобную конфигурацию и действие, как и указанный выше механизм переключения известного уровня техники, и его подробное описание будет опущено, соответственно.
Воздушный выключатель, соответствующий настоящему изобретению, может также включать механизм индикации механического размыкания (ссылочная позиция не присвоена на фиг.7, но можно видеть 60 на фиг.9 и 10), который является отличительным компонентом настоящего изобретения для механической индикации на передней поверхности воздушного выключателя на то, что операция размыкания выполнена.
Воздушный выключатель, соответствующий настоящему изобретению, может также включать генератор движущей силы для указания на размыкание, соединенный и с приводом 20 и с механизмом индикации механического размыкания, для приведения в действие механизма индикации механического размыкания, для осуществления индикации размыкания, в ответ на генерирование механической движущей силы для операции размыкания приводом 20.
На фиг.8 изображен вид в перспективе, показывающий выходной блок привода, механизм для передачи механического сигнала запуска и генератор движущей силы для индикации размыкания в воздушном выключателе, соответствующем настоящему изобретению. Теперь будут описаны их конфигурации.
На фиг.8 ссылочной позицией 20 обозначен привод, ссылочной позицией 21 обозначено выходное соединение, как выходной блок привода 20, как указано выше, ссылочной позицией 23 обозначен первый соединительный блок и ссылочной позицией 22 обозначен выступ первого соединительного блока 23.
Как показано на фиг.8, воздушный выключатель, соответствующий настоящему изобретению, может включать генератор движущей силы для индикации размыкания как отличительный компонент. Генератор движущей силы может включать второй соединительный блок 43, который может перемещаться по вертикали, движущую пружину 44, имеющую один конец, соединенный со вторым соединительным блоком 43, и другой конец, удерживаемый боковой стенкой 20a привода 20 для приложения упругой смещающей силы к второму соединительному блоку 43 для, таким образом, перемещения в вертикальном направлении, и второй рычаг вращения 46, соединенный со вторым соединительным блоком 43, для вращения вторым соединительным блоком 43 для перемещения в вертикальном направлении и вхождения в контакт с механизмом индикации механического размыкания, указанным выше со ссылками на фиг.7, для приложения к нему движущей силы для индикации размыкания.
Как показано на фиг.8, второй рычаг вращения 46 расположен с возможностью вращения на боковой стенке 20a привода 20. Второй рычаг вращения 46 может включать блок 46a передачи движущей силы для сообщения (передачи) движущей силы механизму индикации механического размыкания и блок 46b приема движущей силы для приема вращающей движущей силы от второго соединительного блока 43.
Как показано на фиг.8, воздушный выключатель, соответствующий настоящему изобретению, может также включать, как отличительный компонент, вторую возвратную пружину 47 для возвращения второго рычага вращения 46 в его исходное положение, когда механический сигнал запуска не принят от выходного звена 21 привода 20.
Генератор движущей силы может также включать ограничивающие блоки (то есть 41 и 42), которые соединены с выходным блоком 21 привода 20, выдающим механический сигнал запуска и входящим в контакт со вторым соединительным блоком 43 для освобождения второго соединительного блока 43 для, таким образом, вертикального движения, когда механический сигнал запуска выдается от привода 20, и ограничения вертикального перемещения второго соединительного блока 43, когда механический сигнал запуска не выдается.
Ограничивающие блоки (41 и 42) могут включать первый рычаг вращения 41, имеющий принимающую силу вращения часть 41a рычага, входящую в контакт с выходным звеном 21, как выходным блоком привода 20, таким образом, для приема движущей силы вращения, и крюковую часть 41b, соединенную с принимающей силу вращения частью 41а рычага, для вращения согласно вращению принимающей силу вращения части 41а рычага в положение, в котором вертикальное перемещение второго соединительного блока 43 ограничено, или в положение, в котором вертикальное перемещение допускается. Ограничивающие блоки (41 и 42) могут включать ограничивающую смещающую пружину 42, которая сообщает упругую смещающую силу первому рычагу вращения 41 таким образом, что крюковая часть 41b может повернуться в положение ограничения первого соединительного блока 43. Ограничивающая смещающая пружина 42 предпочтительно выполнена как торсионная пружина.
Привод 20 снабжен первым и вторым стопорами 43c1 и 43c2, как единое целое закрепленными или выступающими к или от боковой стенки привода 20, для ограничения расстояния вертикального перемещения второго соединительного блока 43.
Второй соединительный блок 43 может включать первую и вторую части 43b1 и 43b2 с удлиненными отверстиями, движение которых в вертикальном направлении ограничено первым и вторым стопорами 43c1 и 43c2, и рычаг 43a передачи движущей силы, входящий в контакт со вторым рычагом вращения 46, для сообщения (передачи) движущей силы вращения второму рычагу вращения 46. Второй соединительный блок 43 снабжен пазом для вставки крюка (не показан) в положении перед крюковой частью 41b на правой боковой стенке на фиг.8. Паз (не показан) для вставки крюка допускает вставку в него или извлечение из него крюковой части 41b первого рычага вращения 41 для ограничения вертикального перемещения второго соединительного блока 43 или его освобождения.
Не описанной ссылочной позицией 43e обозначена удерживающая верхний конец пружины часть, которая удерживает верхний конец движущей пружины 44, и ссылочной позицией 45 обозначена удерживающая нижний конец пружины часть, отступающая от боковой стенки 20a привода 20.
На фиг.9 изображен вид в перспективе, показывающий состояние в сборке механизма индикации механического размыкания в воздушном выключателе, соответствующем настоящему изобретению, на фиг.10 показан его разобранный вид, и на фиг.11 показан вид сзади в перспективе основного кожуха в состоянии, в котором механизм индикации механического размыкания установлен в основном кожухе, расположенном на передней стороне воздушного выключателя, соответствующего настоящему изобретению. Такая конфигурация будет описана ниже.
Как показано в состоянии в сборке фиг.9, механизм индикации механического размыкания 60 в воздушном выключателе, соответствующем настоящему изобретению, может включать стержень индикации размыкания 61, имеющий одну концевую часть как индикаторную часть 61b, открытую на передней поверхности воздушного выключателя для индикации блокированного состояния воздушного выключателя, и другую концевую часть как часть 61a для приема движущей силы для приема горизонтальной движущей силы для показа одной концевой части. Кроме того, механизм индикации механического размыкания 60 может включать направляющий блок 62, закрепленный на задней стороне передней поверхности воздушного выключателя, для направления стержня индикации размыкания 61 при горизонтальном движении. Механизм индикации механического размыкания 60 может также включать первую возвратную пружину 65 (см. 65 на фиг.10) для приложения упругой смещающей силы к стержню индикации размыкания 61 в направлении, противоположном движению в положение показа на передней поверхности. Механизм индикации механического размыкания 60 может также включать предотвращающую отделение пружины часть 61c для предотвращения отделения первой возвратной пружины 65, крепежные болты 64 для направляющего элемента для закрепления направляющего элемента 52 на передней поверхности воздушного выключателя, а именно на задней поверхности основного кожуха 2 на передней поверхности, как показано на фиг.11, и шайбы 63 для предотвращения ослабления крепежных болтов 64 для направляющего элемента.
Направляющий блок 62 сконфигурирован как элемент, имеющий отверстия для болтов в его обеих сторонах и цилиндрическую часть, вмещающую стержень 61 индикации размыкания и первую возвратную пружину 65 в ее центре.
На фиг.10 не описанной ссылочной позицией 61d обозначено гнездо пружины для удерживания задней стороны первой возвратной пружины 65. Гнездо 61d пружины может служить частью для сжатия пружины для сжатия первой возвратной пружины 65, когда стержень 61 индикации размыкания перемещается в направлении показа индикаторной части 61b на передней поверхности. Кроме того, когда горизонтальная движущая сила, передаваемая через принимающую движущую силу часть 61a стержня 61 индикации размыкания, больше не прилагается, гнездо 61d пружины может служить частью, к которой прилагается возвратная сила, то есть возвратная сила, сообщаемая от первой возвратной пружины 65, для возвращения стержня 61 индикации размыкания, так чтобы он больше не был показан на передней поверхности воздушного выключателя.
Таким образом, индикаторная часть 61b стержня 61 индикации размыкания вставлена в первую возвратную пружину 65 таким образом, что первая возвратная пружина 65 может быть установлена между частью, предотвращающей отделение пружины 61c и гнездом 61d пружины. Такая первая возвратная пружина 65 в этом случае вставляется в центральную цилиндрическую часть направляющего элемента 62.
Теперь со ссылками на фиг.7-12 будет описана операция механической индикации размыкания воздушного выключателя, соответствующего настоящему изобретению и имеющего такую конфигурацию.
Как показано на фиг.12, когда размыкающее реле 3 максимального тока обнаруживает ток повреждения в цепи и генерирует электрический сигнал управления для операции размыкания для передачи приводу 20, выходное звено 21, как выходной блок привода 20, опускается, как показано на фиг.7 и 8, реагируя на механический управляющий сигнал от размыкающего реле 3 максимального тока, и, соответственно, привод производит механический сигнал запуска.
Опускание выходного звена 21, как механический сигнал запуска привода 20, вызывает передвижение вниз первого соединительного блока 23, соединенного с выходным звеном 21. Соответственно, выступ 22 первого соединительного блока 23 нажимает на вал 36 выключения механизма 30 переключения, вращая ее, таким образом, допуская операцию размыкания (то есть автоматическое блокирование цепи) подобно операции размыкания согласно известному уровню техники, описанному со ссылками на фиг.4-6.
Одновременно выходное звено 21 преодолевает силу смещения ограничивающей смещающей пружины 42 для вращения принимающей силу вращения части 41a первого рычага вращения 41 в направлении против часовой стрелки на фиг.8.
Соответственно, крюковая часть 41b, соединенная с принимающей силу вращения частью 41а рычага, поворачивается в положение, где вертикальное перемещение второго соединительного блока 43 допустимо, согласно вращению против часовой стрелки принимающей силу вращения части 41а рычага.
Таким образом, второй соединительный блок 43 оттягивается вниз упругой движущей силой движущей пружины 44, соединенной с нижним концом второго соединительного блока 43. Здесь, второй соединительный блок 43 линейно направляется в вертикальном направлении, когда первое и второе удлиненные отверстия 43b1 и 43b2 направляются первым и вторым стопорами 43c1 и 43c2.
Когда второй соединительный блок 43 перемещается вниз, передающий движущую силу рычаг 43a, расположенный на верхнем конце второго соединительного блока 43, вращает второй рычаг вращения 46. То есть передающий движущую силу рычаг 43a сообщает движущую силу вращения принимающему движущую силу блоку 46b второго рычага вращения 47. Второй рычаг вращения 46 в этом случае преодолевает упругую возвратную силу второй возвратной пружины 47, вращаясь в направлении против часовой стрелки на фиг.8.
Следовательно, передающий движущую силу блок 46a второго рычага вращения 46 вращается в направлении против часовой стрелки. Передающий движущую силу блок 46a нажимает на принимающую движущую силу часть 61a стержня 61 индикации размыкания, расположенную на его передней стороне. Соответственно, стержень 61 индикации размыкания перемещается вперед, а именно перемещается горизонтально, показываясь или выступая наружу от переднего основного кожуха 2 воздушного выключателя 1, показанного на фиг.12.
В результате, как показано на фиг.12, пользователь может видеть индикаторную часть 61b стержня 61 индикации размыкания, показавшуюся или выступившую наружу спереди основного кожуха 2 воздушного выключателя 1, и, соответственно, может распознавать, что операция размыкания воздушного выключателя выполнена.
Кроме того, если нет механического сигнала запуска от привода 20, а именно если выходное звено 21 перемещено вверх, первый соединительный блок 23 также перемещается вверх. Соответственно, движущая сила вращения, которая прилагалась от выходного звена 21 к принимающей силу вращения части 41a рычага первого рычага 41 вращения, больше не прилагается. Впоследствии крюковая часть 41b первого рычага 41 вращения вставляется в отверстие для вставки крюка (не показано), сформированное в поверхности боковой стенки второго соединительного блока 43, ограничивающей смещение силой ограничивающей смещающей пружины 42, для ограничения второго соединительного блока 43. Соответственно, движущая сила вращения, прилагаемая к принимающему движущую силу блоку 46b, больше не прилагается, посредством чего возвратная сила второй возвратной пружины 47 прилагается ко второму рычагу 46 вращения.
Передающий движущую силу блок 46a второго рычага 46 вращения отводится в положение, отделенное от принимающей движущую силу части 61a стержня 61 индикации размыкания. Таким образом, давление, прилагаемое в направлении показа стержня 61 индикации размыкания снаружи от внешней поверхности воздушного выключателя 1, исчезает. Соответственно, стержень 61 индикации размыкания отводится силой упругости первой возвратной пружины 65 таким образом, что он не может показываться или выступать от передней стороны воздушного выключателя 1, а именно от передней поверхности основного кожуха 2, показанного на фиг.12.
Таким образом, благодаря состоянию, когда индикаторная часть 61b стержня 61 индикации размыкания не показывается или не выступает от передней поверхности основного кожуха 2, показанного на фиг.12, пользователь может определить, что операция размыкания не была выполнена.
Не описанная ссылочная позиция 4 на фиг.12 обозначает вспомогательный кожух, ссылочная позиция 5 обозначает кнопку включения, и ссылочная позиция 6 обозначает кнопку выключения.
Как описано выше, в воздушном выключателе, имеющем механизм индикации механического размыкания, соответствующий настоящему изобретению, индикация того, что операция размыкания была выполнена, обеспечивается механически во взаимодействии, только когда механический сигнал запуска произведен приводом, а именно когда выходное звено привода опущено. Следовательно, сбой при индикации того, была ли выполнена операция размыкания, вызван неправильным действием привода, может быть предотвращен, что, таким образом, повышает надежность воздушного выключателя и также надежно защищает пользователя от несчастного случая электрического характера.
При обеспечении воздушного выключателя имеющимся механизмом индикации механического размыкания, соответствующим настоящему изобретению, действия привода могут быть индицированы механическим соединением таким образом, что пользователь может быть надежно и механически оповещен о том, что операция размыкания в воздушном выключателе была выполнена. Кроме того, пользователь может быть более надежно защищен от несчастного случая электронного характера.
Приведенные выше варианты осуществления изобретения и преимущества даны только для примера и не должны рассматриваться как ограничивающие настоящее описание. Настоящие идеи изобретения легко могут применяться с другими типами устройств. Это описание имеет иллюстративное назначение и не ограничивает объем формулы изобретения. Специалистам в данной области техники будет очевидно много альтернатив, модификаций и вариантов. Признаки, конструкции, способы и другие характеристики описанных здесь типичных вариантов осуществления изобретения могут быть скомбинированы различными путями для получения дополнительных и/или альтернативных типичных вариантов.
Поскольку настоящие признаки изобретения могут быть осуществлены в нескольких формах без отхода от его характеристик, также следует понимать, что описанные выше варианты осуществления изобретения не ограничены некоторыми из деталей приведенного выше описания, если они точно не определены иначе, но скорее должны рассматриваться широко в рамках его объема, определенного прилагаемой формулой изобретения, и, таким образом, все изменения и модификации, которые входят в границы и рамки формулы изобретения, или эквиваленты таких границ и рамок должны рассматриваться как охватываемые прилагаемой формулой изобретения.
Формула изобретения
1. Воздушный выключатель, имеющий неподвижный контактор, соединенный с цепью, и подвижный контактор, перемещаемый в положение замыкания, в котором подвижный контактор входит в контакт с неподвижным контактором для обеспечения проводимости цепи или в положение размыкания, в котором подвижный контактор отделен от неподвижного контактора для блокирования цепи, содержащий: механизм переключения, соединенный с подвижным контактором, для приведения в действие подвижного контактора, для перемещения в замкнутое положение или разомкнутое положение; размыкающее реле максимального тока, сконфигурированное для сравнения опорного значения тока проводимости, которое предварительно задано для определения того, был ли создан в цепи ток повреждения, с величиной тока, выявленной в цепи, для определения того, создан ли ток повреждения, и для выдачи электрического управляющего сигнала размыкания, когда определено, что был создан ток повреждения; привод, сконфигурированный для создания механического сигнала запуска на размыкание механизма переключения согласно электрическому управляющему сигналу размыкания от размыкающего реле максимального тока; первый соединительный блок, включенный между приводом и механизмом переключения и сконфигурированный для передачи сигнала запуска механизма от привода к механизму переключения; механизм индикации механического размыкания, сконфигурированный для механической индикации на передней поверхности воздушного выключателя, что операция размыкания была выполнена; и генератор движущей силы для индикации размыкания, соединенный и с приводом, и с механизмом индикации механического размыкания, и сконфигурированный для приведения в действие механизма индикации механического размыкания для обеспечения индикации операции размыкания, в ответ на механический сигнал запуска, созданный приводом.
2. Воздушный выключатель по п.1, в котором механизм индикации механического размыкания содержит: стержень индикации размыкания, включающий в себя индикаторную часть, сконфигурированную для индикации того, что воздушный выключатель находится в разомкнутом состоянии, показанную на передней поверхности воздушного выключателя, и часть, принимающую движущую силу, сконфигурированную для приема горизонтальной движущей силы для показа индикаторной части; направляющий элемент, закрепленный на задней стороне передней поверхности воздушного выключателя и сконфигурированный для направления горизонтального перемещения стержня индикации размыкания; и первую возвратную пружину, сконфигурированную для приложения упругой смещающей силы к стержню индикации размыкания в направлении, противоположном направлению, в котором перемещается стержень индикации размыкания, для показа на передней поверхности.
3. Воздушный выключатель по п.1, в котором генератор движущей силы для индикации размыкания содержит: второй подвижный по вертикали соединительный блок; движущую пружину, соединенную со вторым соединительным блоком, для подачи упругой смещающей силы для перемещения второго соединительного блока в вертикальном направлении; и рычаг вращения, соединенный со вторым соединительным блоком, для вращения вторым соединительным блоком, который перемещается в вертикальном направлении, и входящий в контакт с механизмом индикации механического размыкания для приложения движущей силы для индикации размыкания к механизму индикации механического размыкания.
4. Воздушный выключатель по п.3, в котором генератор движущей силы для индикации размыкания дополнительно содержит ограничивающие блоки, соединенные с выходным блоком привода и выполненные с возможностью контакта со вторым соединительным блоком, в котором, когда механический сигнал запуска выдается от привода, ограничивающие блоки освобождают второй соединительный блок для вертикального движения, а когда механический сигнал запуска не выдается, ограничивающие блоки ограничивают вертикальное перемещение второго соединительного блока.
5. Воздушный выключатель по п.4, в котором ограничивающие блоки содержат: первый рычаг вращения, имеющий принимающую силу вращения часть рычага, выполненную с возможностью контакта с выходным звеном привода для приема движущей силы вращения, и крюковую часть, соединенную с принимающей силу вращения частью рычага и поворачивающуюся в положение ограничения вертикального перемещения второго соединительного блока или в положение, допускающее его вертикальное перемещение согласно вращению принимающей силу вращения части рычага; и ограничивающую смещающую пружину, сконфигурированную для сообщения упругой силы смещения первому рычагу вращения для вращения крюковой части в положение ограничения вертикального перемещения второго соединительного блока.
6. Воздушный выключатель, имеющий механизм индикации механического размыкания в воздушном выключателе, включающий в себя неподвижный контактор, соединенный с цепью, подвижный контактор, перемещаемый в положение замыкания, в котором подвижный контактор входит в контакт с неподвижным контактором для обеспечения проводимости цепи, или в положение размыкания, в котором подвижный контактор отделен от неподвижного контактора для блокирования цепи, механизм переключения для приведения в действие подвижного контактора для перемещения в замкнутое положение или положение размыкания, размыкающее реле максимального тока для сравнения опорного значения тока проводимости, которое предварительно задано, для определения того, был ли создан ток повреждения в цепи, с величиной тока, выявленной в цепи, для определения, был ли создан ток повреждения и для выдачи электрического управляющего сигнала для операции размыкания для размыкания механизма переключения, когда определено, что создан ток повреждения, привод, имеющий выходное звено для приложения механической вертикальной движущей силы в ответ на электрический управляющий сигнал для операции размыкания от размыкающего реле максимального тока, первый соединительный блок, включенный между выходным соединением привода и механизмом переключения, для передачи механической движущей силы от выходного соединения к механизму переключения в ответ на управляющий сигнал операции размыкания таким образом, что механизм переключения может быть разомкнут, и основной кожух, снабженный манипуляторным блоком, которым манипулирует пользователь, причем воздушный выключатель содержит: второй подвижный по вертикали соединительный блок; первый рычаг вращения, соединенный с первым соединительным блоком и выполненный с возможностью контакта со вторым соединительным блоком так, что он допускает или ограничивает вертикальное перемещение второго соединительного блока; движущую пружину индикации размыкания, соединенную с одним концом второго соединительного блока, для приложения упругой смещающей силы ко второму соединительному блоку таким образом, чтобы он перемещался в одном направлении; второй рычаг вращения, установленный так, что он может вращаться находясь в контакте с одной частью конца второго соединительного блока; и механизм индикации механического размыкания, установленный так, что он удерживается основным кожухом, и имеющий индикаторную часть, показывающуюся на внешней стороне основного кожуха для индикации того, что воздушный выключатель находится в блокированном состоянии, и принимающую движущую силу часть, входящую в контакт со вторым рычагом вращения, для приема движущей силы для показа индикаторной части от второго рычага вращения.
7. Воздушный выключатель по п.6, в котором механизм индикации механического размыкания содержит: стержень индикации размыкания, имеющий индикаторную часть, показывающуюся на пластине передней поверхности, для индикации того, что воздушный выключатель находится в разомкнутом состоянии, и принимающую движущую силу часть, отходящую от индикаторной части, и входящую в контакт со вторым рычагом вращения, таким образом, принимающую горизонтальную движущую силу для показа индикаторной части от второго рычага вращения; направляющий элемент, закрепленный на задней поверхности пластины передней поверхности, для направления перемещения стержня индикации размыкания; и первую возвратную пружину, сконфигурированную для приложения упругой смещающей силы к стержню индикации размыкания в направлении, противоположном направлению стержня индикации размыкания при показе на пластине передней поверхности.
8. Воздушный выключатель по п.6, дополнительно содержащий ограничивающую смещающую пружину, соединенную с первым рычагом вращения таким образом, чтобы прилагать упругую смещающую силу к первому рычагу вращения для вращения в направлении ограничения второго соединительного блока.
9. Воздушный выключатель по п.6, в котором привод содержит, по меньшей мере, один стопор, закрепленный на боковой стенке привода, для ограничения расстояния вертикального перемещения второго соединительного блока, в котором второй соединительный блок содержит часть с удлиненным отверстием, ограниченно перемещаемую в вертикальном направлении, по меньшей мере, одним стопором, и передающую движущую силу часть рычага, входящую в контакт со вторым рычагом вращения для сообщения движущей силы вращения второму рычагу вращения.
10. Воздушный выключатель по п.6, дополнительно содержащий вторую возвратную пружину, сконфигурированную для возвращения второго рычага вращения в его начальное положение, когда механический сигнал запуска не выдается от выходного соединения привода.
РИСУНКИ
|
|