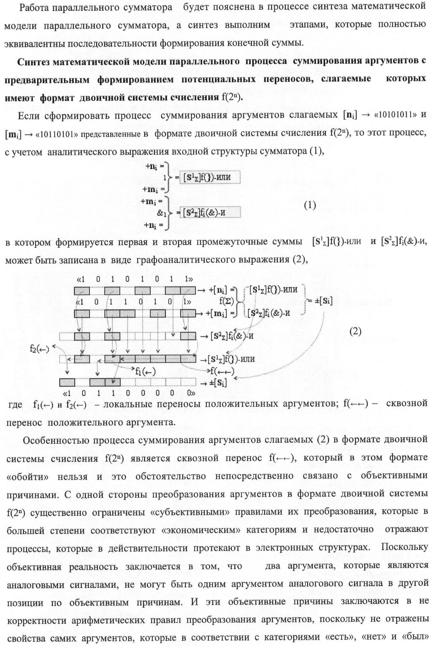
|
|
|
|
РОССИЙСКАЯ ФЕДЕРАЦИЯ

ФЕДЕРАЛЬНАЯ СЛУЖБА ПО ИНТЕЛЛЕКТУАЛЬНОЙ СОБСТВЕННОСТИ, ПАТЕНТАМ И ТОВАРНЫМ ЗНАКАМ |
(19) |
RU |
(11) |
2378683 |
(13) |
C2 |
|
| (51) МПК
G06F7/50 (2006.01)
|
(12) ОПИСАНИЕ ИЗОБРЕТЕНИЯ К ПАТЕНТУ
| Статус: по данным на 17.09.2010 – действует |
|
|
|
|
|
(21), (22) Заявка: 2006144610/09, 15.12.2006
(24) Дата начала отсчета срока действия патента:
15.12.2006
(43) Дата публикации заявки: 20.06.2008
(46) Опубликовано: 10.01.2010
(56) Список документов, цитированных в отчете о поиске:
Дж.УЭЙКЕРЛИ Проектирование цифровых устройств. T.1 – М.: Постмаркет, 2002, с.508. RU 2069009 C1, 10.11.1996. SU 997032 A1, 15.02.1983. SU 1594523 A1, 23.09.1990. JP 62204332 A, 09.09.1987. JP 63197227 A, 16.08.1988.
Адрес для переписки:
54040, Украина, г. Николаев, Крылова, 54, кв.229, Л.П. Петренко
|
(72) Автор(ы):
Петренко Лев Петрович (UA)
(73) Патентообладатель(и):
Петренко Лев Петрович (UA)
|
(54) СПОСОБ ПАРАЛЛЕЛЬНОГО ЛОГИЧЕСКОГО СУММИРОВАНИЯ ПОСЛЕДОВАТЕЛЬНОСТЕЙ АНАЛОГОВЫХ СИГНАЛОВ СЛАГАЕМЫХ ЭКВИВАЛЕНТНЫХ ДВОИЧНОЙ СИСТЕМЕ СЧИСЛЕНИЯ
(57) Реферат:
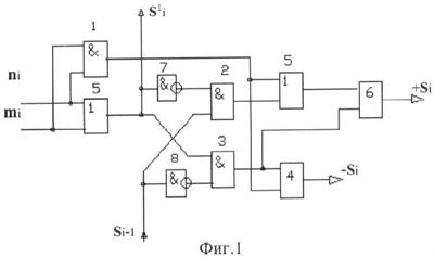
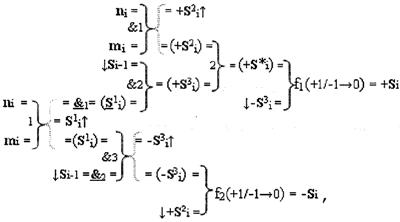
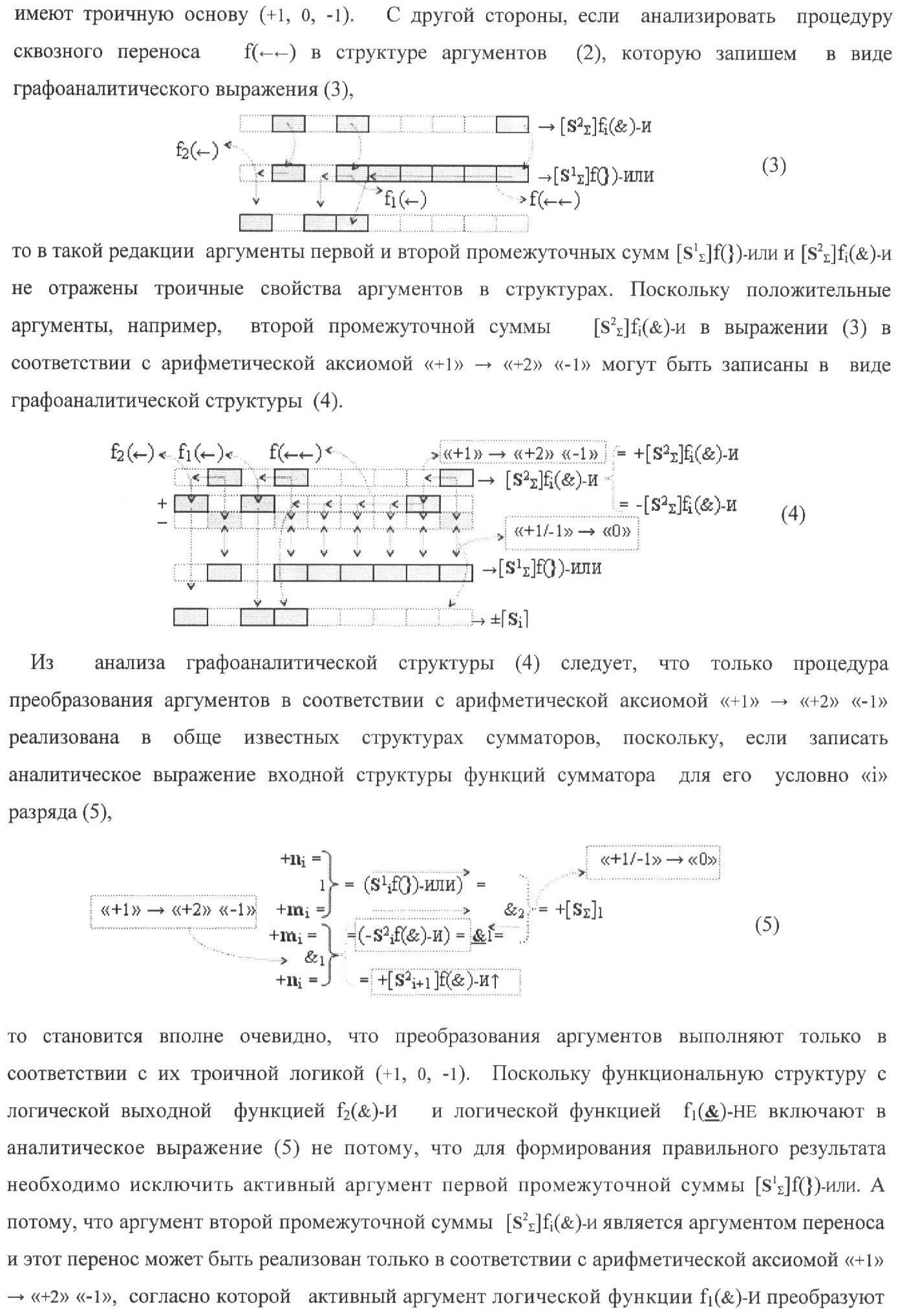
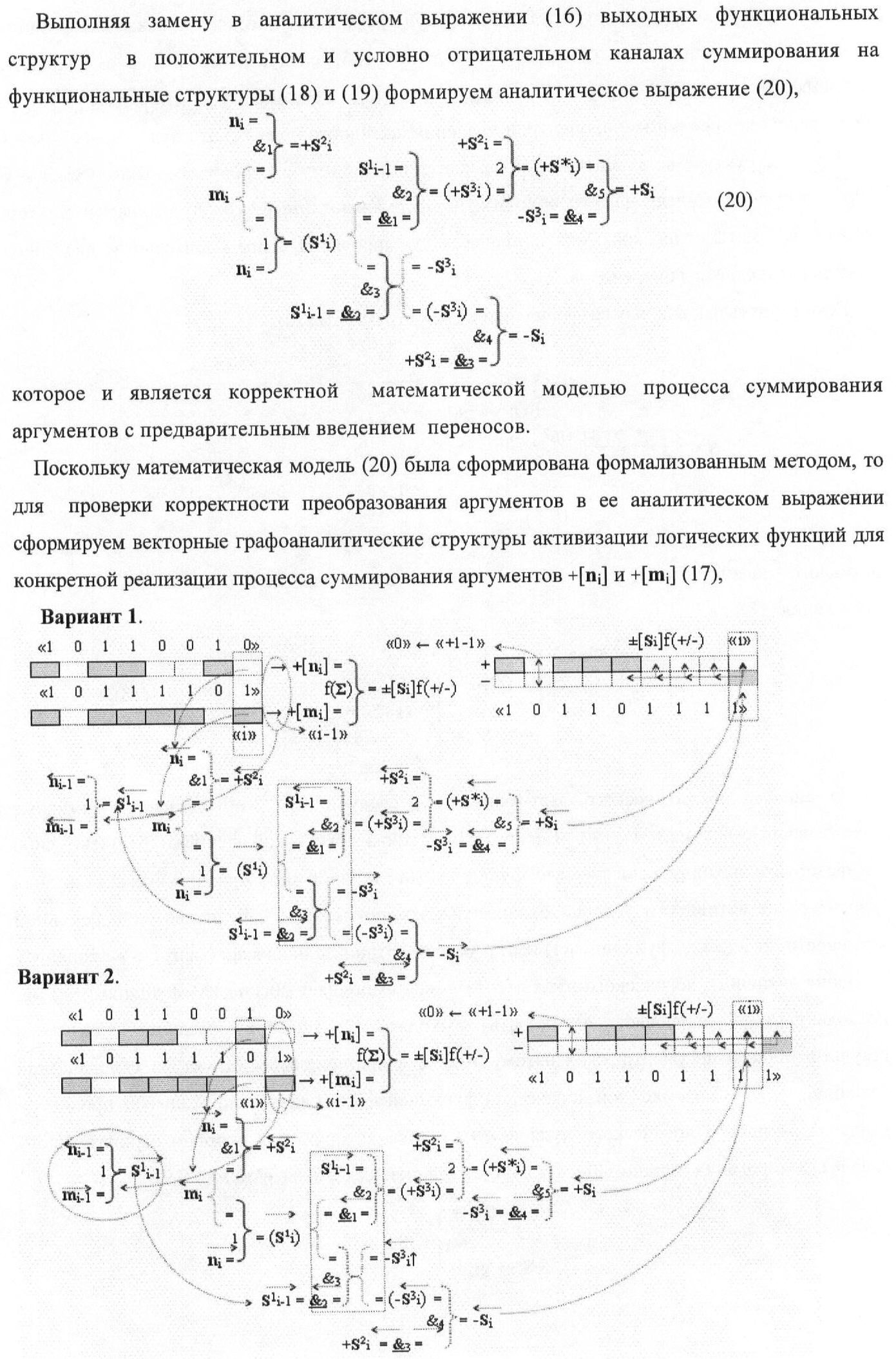
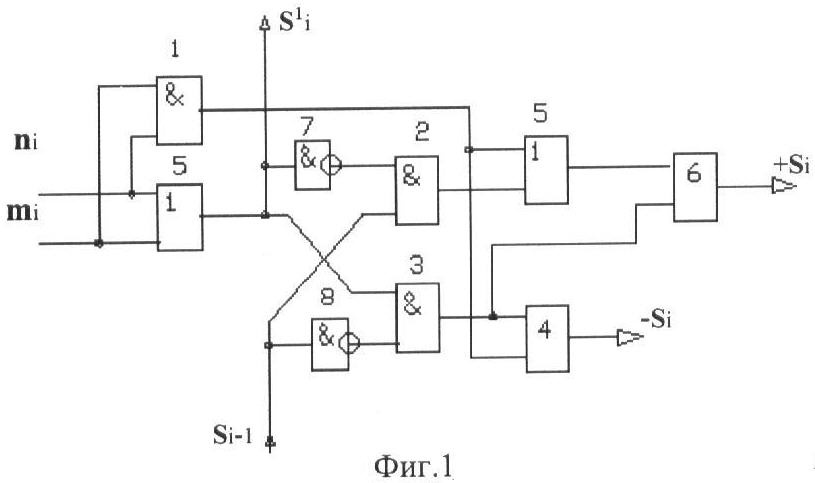
Изобретение относится к вычислительной технике и может быть использовано при построении арифметических устройств для выполнения арифметических операций в позиционно-знаковых кодах. Техническим результатом является повышение быстродействия. Способ заключается в следующем: из входных аналоговых сигналов ni и mi в «i» разряде формируют аналоговые сигналы первой промежуточной логической суммы S1 i, посредством логических функций ИЛИ1 и второй промежуточной логической суммы S2 i, посредством логических функций И1, формируют положительный производный аналоговый сигнал +S3 i посредством логической функции И2 из предварительно измененного функцией НЕ1 по уровню аналогового сигнала S1 i и первой промежуточной суммы S1 i-1 «i-1» разряда, а условно отрицательный производный аналоговый сигнал -S3 i формируют посредством логической функции И3 из аналогового сигнала S1 i и предварительно измененного функцией НЕ2 по уровню аналогового сигнала S1 i-1 первой промежуточной суммы S1 i-1 «i-1» разряда, аналоговый сигнал +S3 i совмещают с аналоговым сигналом +S2 i посредством логической функции ИЛИ2 и выполняют изменение уровня аналогового сигнала результирующего аргумента +S*i, что соответствует процедуре удаления активного логического нуля, который формируется, если совмещенный аналоговый сигнал +S*i и условно отрицательный производный аналоговые сигналы -S3 i принимают одновременно активные уровни аналогового сигнала, выполняют удаление активного уровня аналогового сигнала при совпадении условно отрицательного производного аналогового сигнала -S3 i с аналоговым сигналом второй промежуточный суммы +S2 i. 5 ил.
Текст описания приведен в факсимильном виде.                 
Формула изобретения
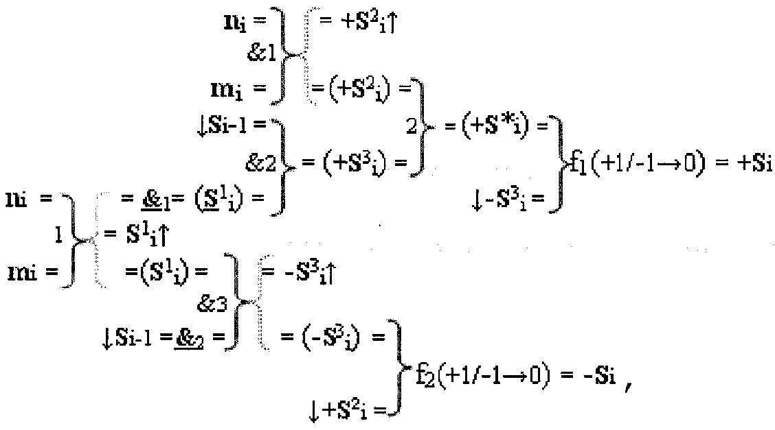
Способ параллельного логического суммирования аналоговых сигналов слагаемых эквивалентных двоичной системе счисления, включающий поразрядное выполнение преобразований аналоговых сигналов слагаемых [ni] и [mi], которые принимают либо условно высокий или активный уровень, либо условно низкий сигнал или неактивный уровень, при этом из входных аналоговых сигналов ni и mi в «i» разряде формируют аналоговые сигналы первой промежуточной логической суммы S1 i, посредством логических функций f1(})-ИЛИ и второй промежуточной логической суммы S2 i, посредством логических функций f1(&)-И, из которых формируют аналоговый сигнал Si результата логического суммирования, отличающийся тем, что аналоговый сигнал первой промежуточной логической суммы S1 i логически дифференцируют с одновременным формированием производных аналоговых сигналов положительного +S3 i и условно отрицательного -S3 i, при этом положительный производный аналоговый сигнал +S3 i формируют посредством логической функции f2(&)-И из предварительно измененного функцией f1(&)-HE по уровню аналогового сигнала S1 i первой промежуточной суммы S1 i «i» разряда и первой промежуточной суммы S1 i-1 «i-1» разряда, а условно отрицательный производный аналоговый сигнал -S3 i формируют посредством логической функции f3(&)-И из аналогового сигнала первой промежуточной суммы S1 i «i» разряда и предварительно измененного функцией f2(&)-HE по уровню аналогового сигнала S1 i-1 первой промежуточной суммы S1 i-1 «i-1» разряда, после чего в «i» разряде положительный производный аналоговый сигнал +S1 i совмещают с аналоговым сигналом второй промежуточной суммы +S2 i посредством логической функции f2(})-ИЛИ и выполняют изменение уровня аналогового сигнала результирующего аргумента +S*i, что соответствует процедуре удаления активного логического нуля f1(+1/-1 0), которые формируется, если совмещенный аналоговый сигнал +S*i и условно отрицательный производный аналоговые сигналы -S3 i принимают одновременно активные уровни аналогового сигнала, при этом выполняют изменение (удаление) активного уровня аналогового сигнала f2(+1/-1 0) при совпадении условно отрицательного производного аналогового сигнала S3 i с аналоговым сигналом второй промежуточной суммы +S2 i в соответствии с математической моделью вида
 где  логические функции f1(&)-И и f1(})-ИЛИ;
 функциональная структура удаления активного логического нуля при одновременно активных аналоговых сигналов; «=&1=» – логическая функция изменения уровня аналогового сигнала f1(&)-НЕ.
РИСУНКИ
|
|
|
|
|