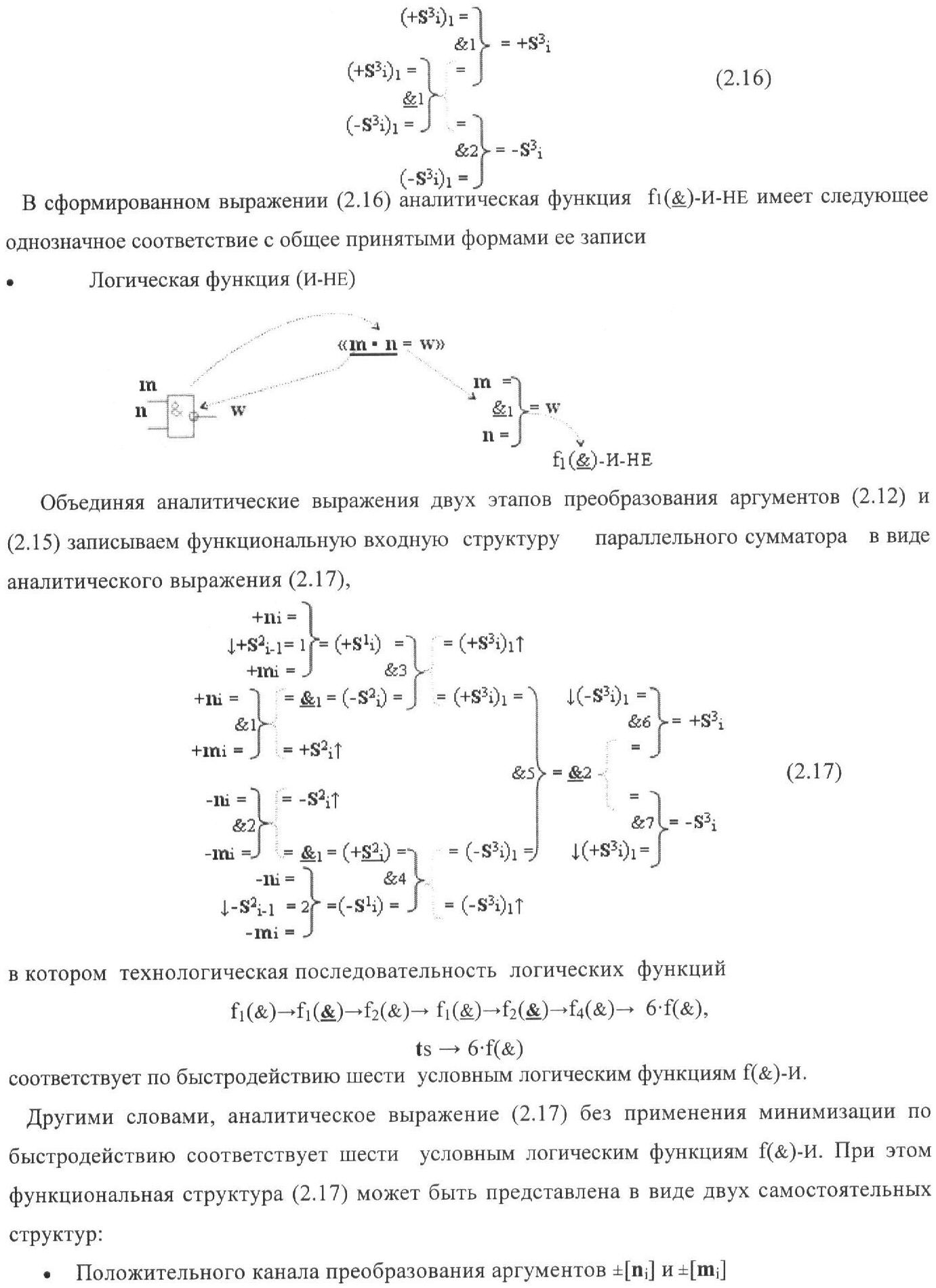
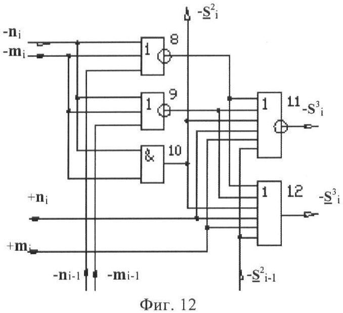
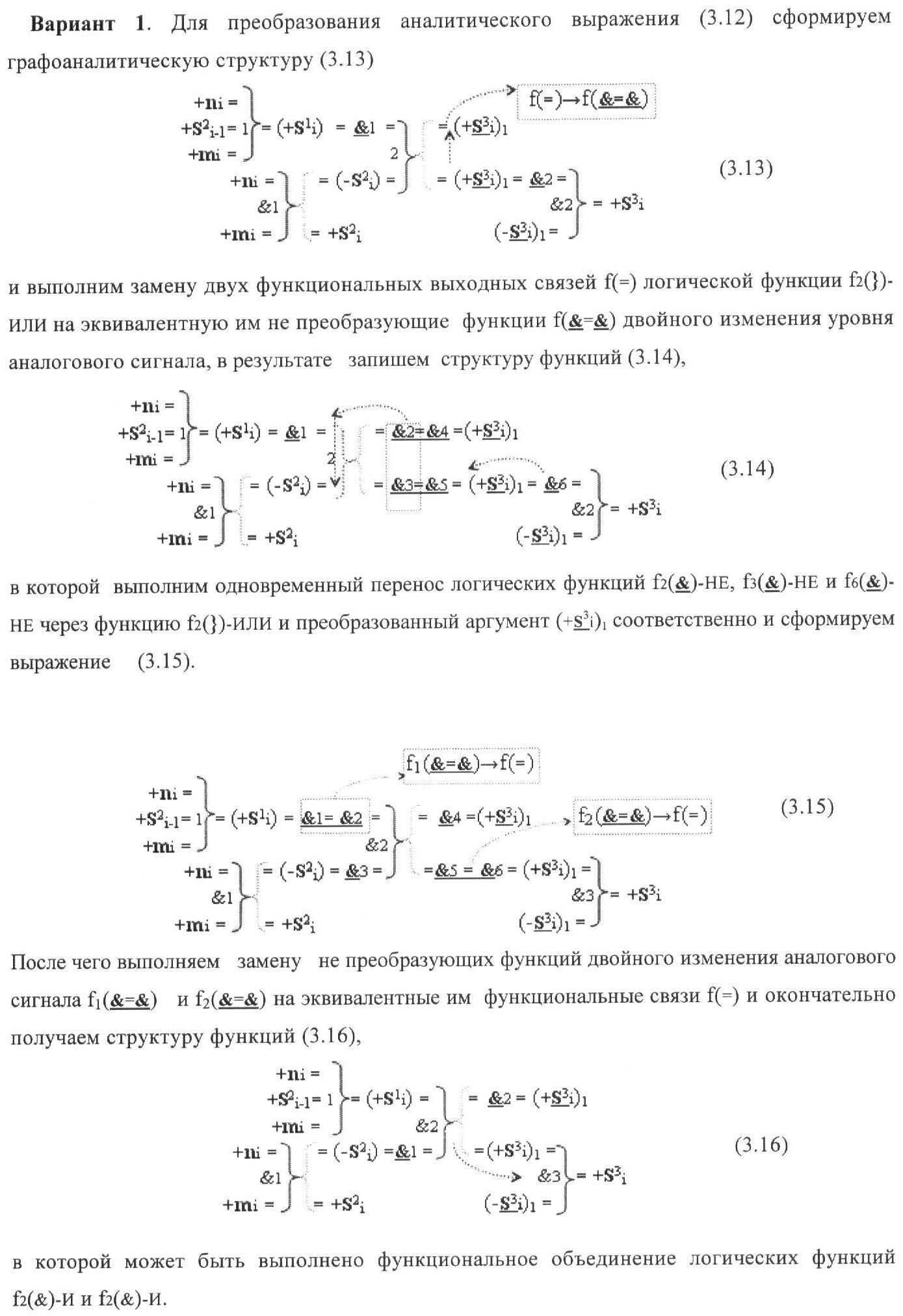
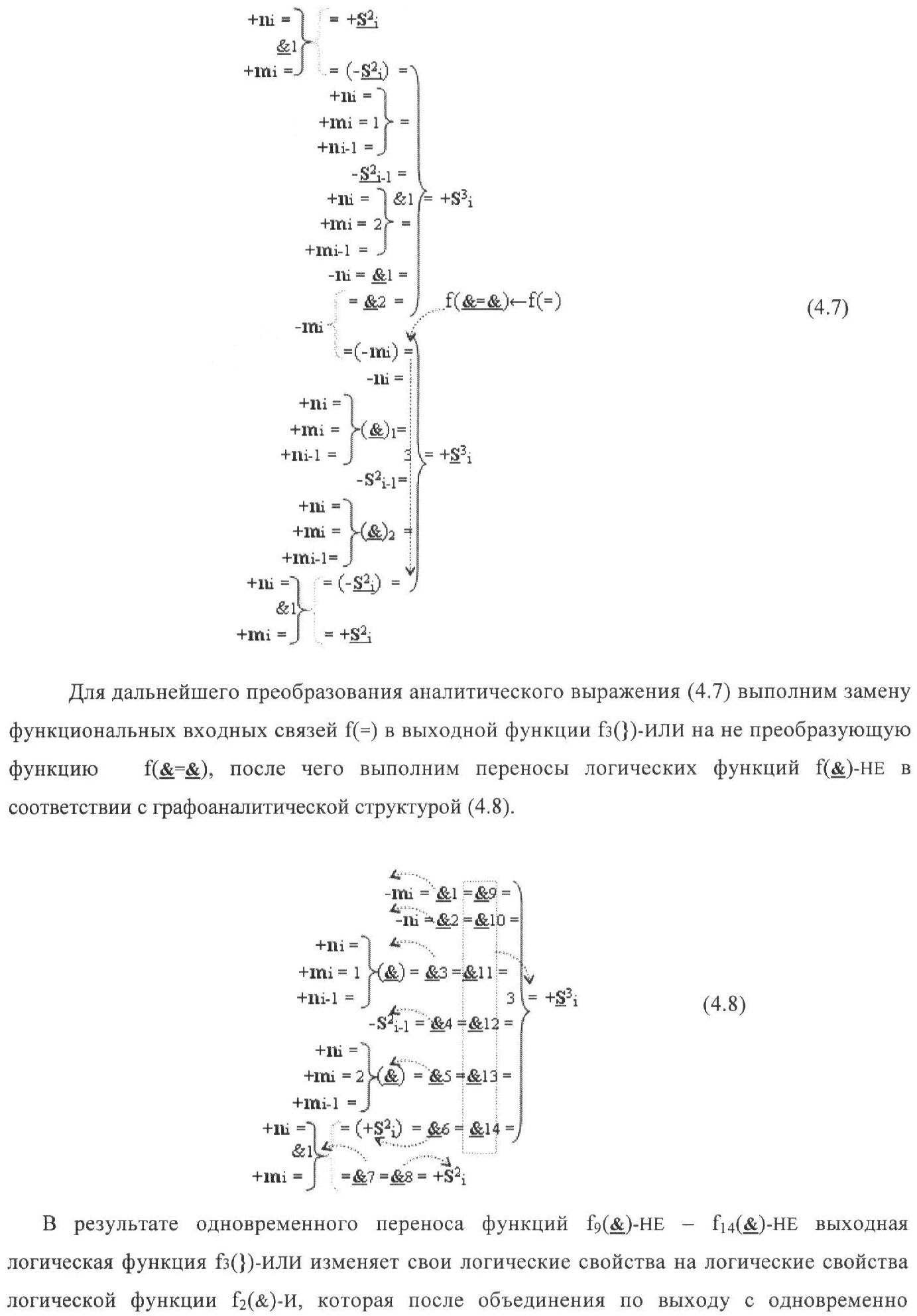
|
|
|
|
РОССИЙСКАЯ ФЕДЕРАЦИЯ

ФЕДЕРАЛЬНАЯ СЛУЖБА ПО ИНТЕЛЛЕКТУАЛЬНОЙ СОБСТВЕННОСТИ, ПАТЕНТАМ И ТОВАРНЫМ ЗНАКАМ |
(19) |
RU |
(11) |
2378682 |
(13) |
C2 |
|
| (51) МПК
G06F7/50 (2006.01)
|
(12) ОПИСАНИЕ ИЗОБРЕТЕНИЯ К ПАТЕНТУ
| Статус: по данным на 17.09.2010 – действует |
|
|
|
|
|
(21), (22) Заявка: 2007146288/09, 17.12.2007
(24) Дата начала отсчета срока действия патента:
17.12.2007
(43) Дата публикации заявки: 27.06.2009
(46) Опубликовано: 10.01.2010
(56) Список документов, цитированных в отчете о поиске:
UA 23363 U, 25.05.2007. RU 2069009 C1, 10.11.1996. SU 1727120 A1, 15.04.1992. JP 62204332 A, 09.09.1987. JP 63197227 A, 16.08.1988.
Адрес для переписки:
54040, Украина, г. Николаев, Крылова, 54, кв.229, Л.П.Петренко
|
(72) Автор(ы):
Петренко Лев Петрович (UA)
(73) Патентообладатель(и):
Петренко Лев Петрович (UA)
|
(54) ВХОДНАЯ СТРУКТУРА ПАРАЛЛЕЛЬНОГО СУММАТОРА В ПОЗИЦИОННО-ЗНАКОВЫХ КОДАХ f(+/-) (ВАРИАНТЫ)
(57) Реферат:
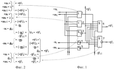
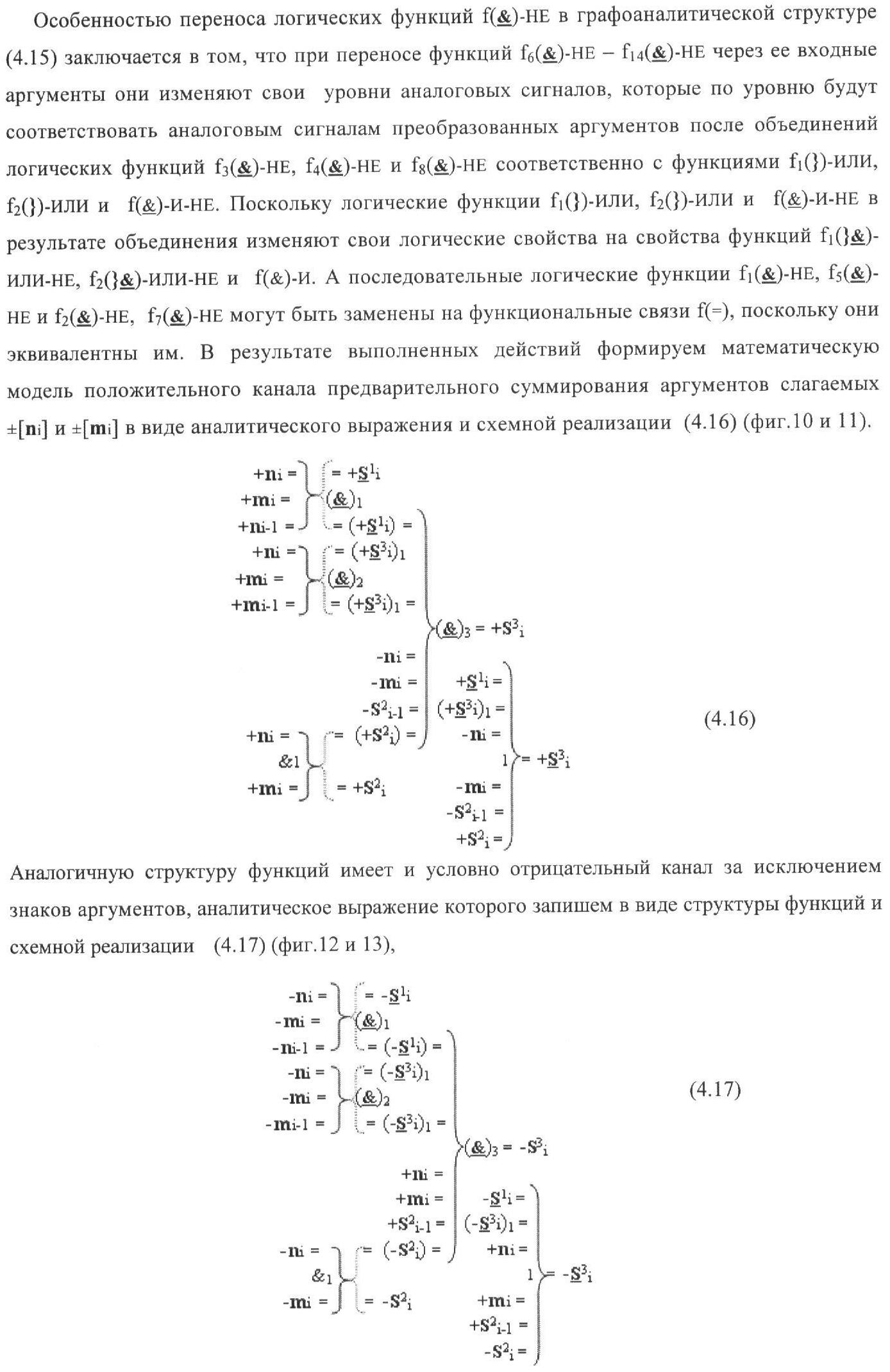
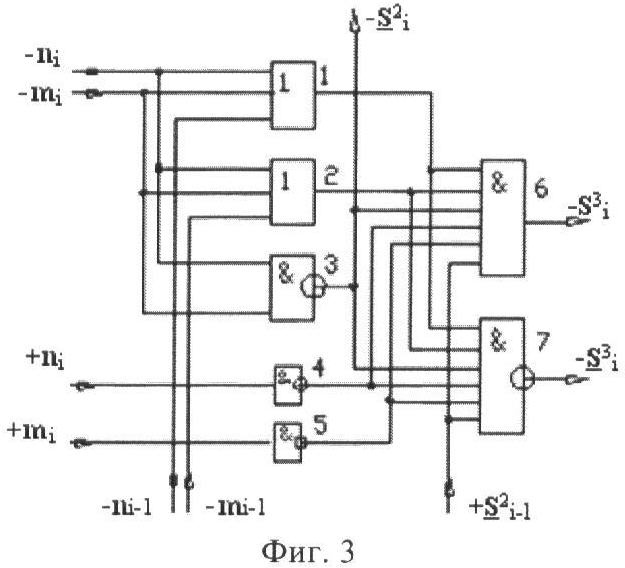
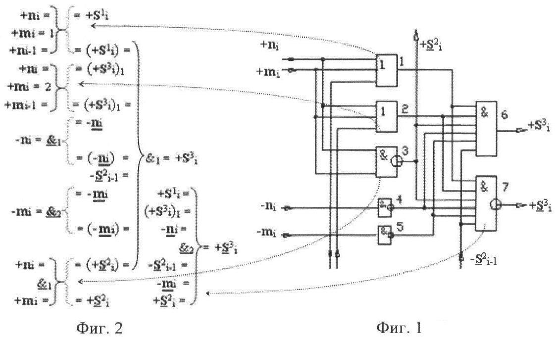
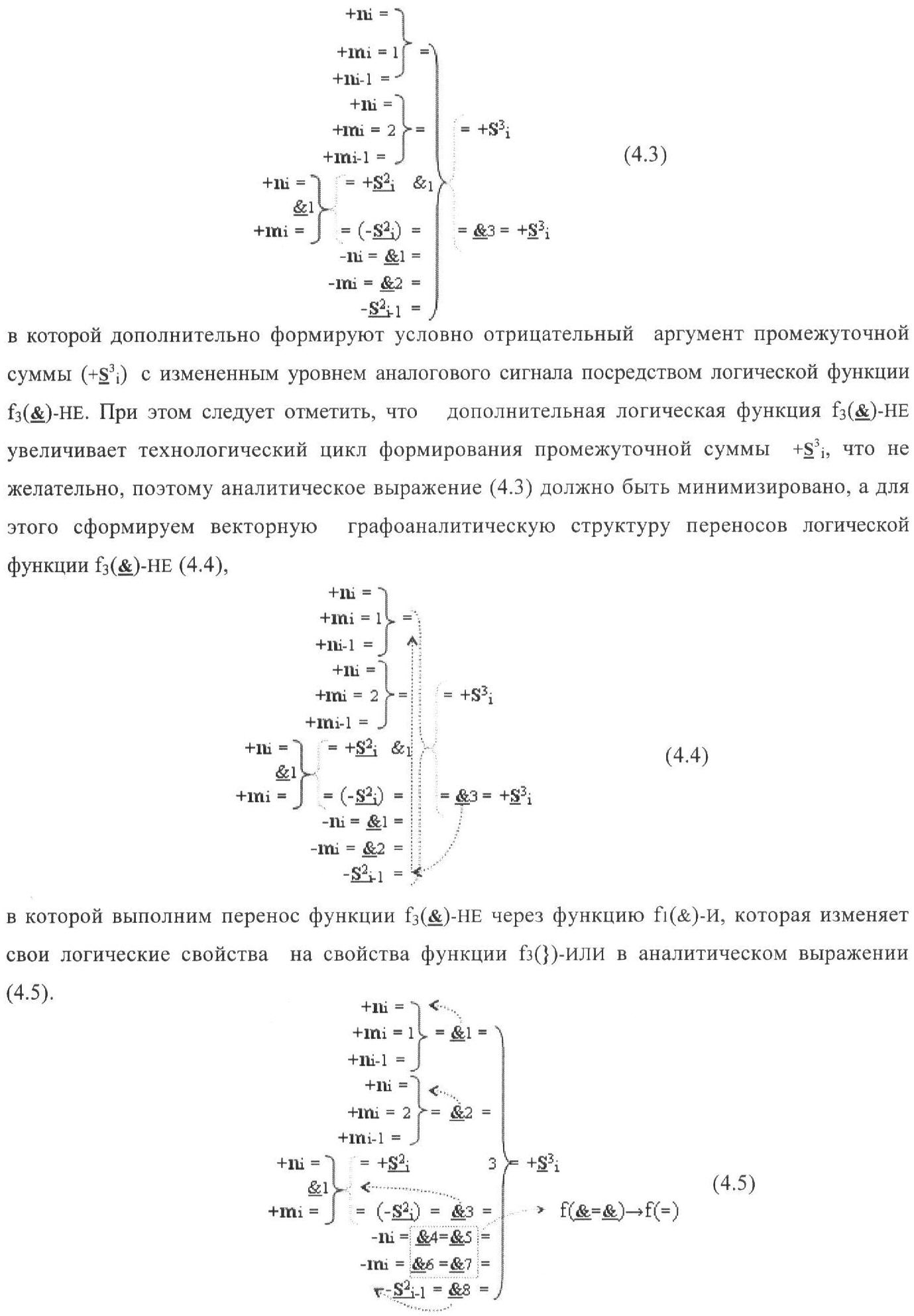
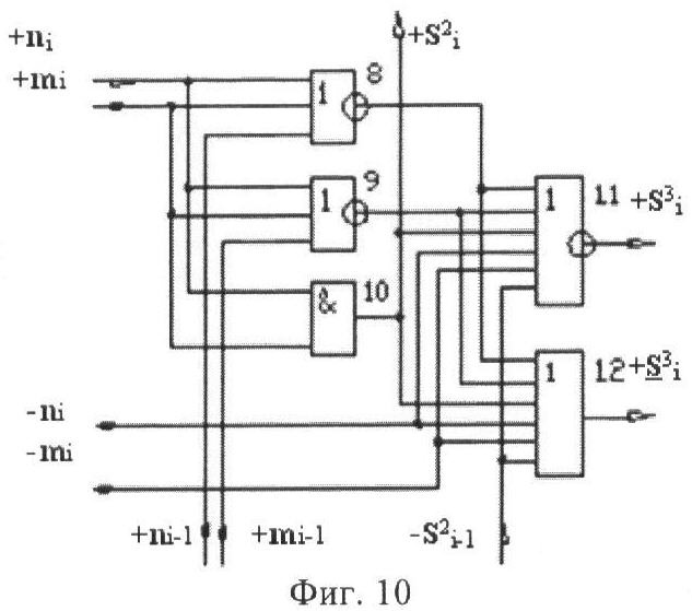
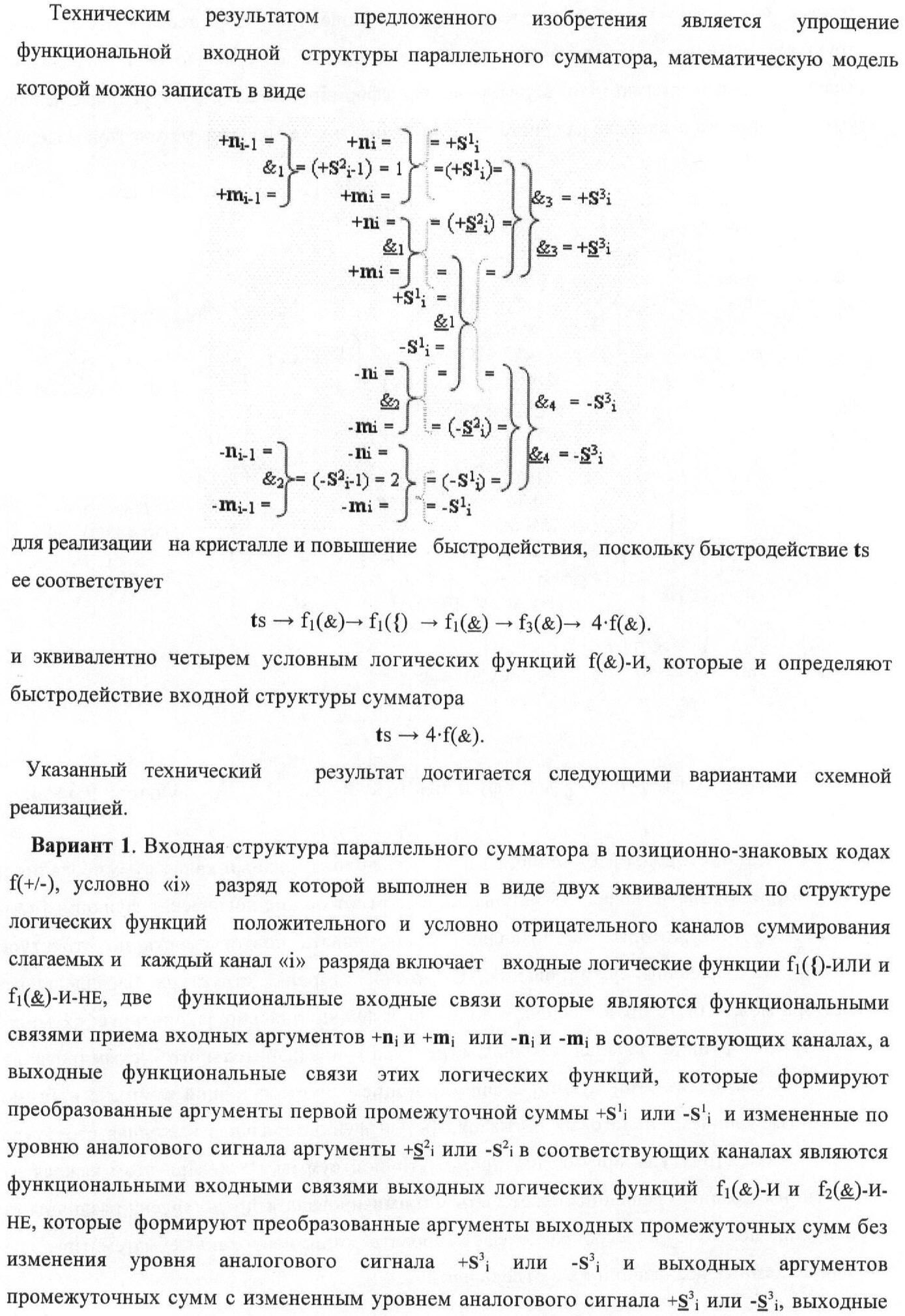
Изобретение относится к вычислительной технике и может быть использовано при построении арифметических устройств для выполнения арифметических операций суммирования и вычитания в позиционно-знаковых кодах. Техническим результатом является упрощение функциональной структуры сумматора и повышение быстродействия. Каждый разряд сумматора выполнен в виде двух эквивалентных по структуре каналов – положительного и условно отрицательного, при этом, в одном из вариантов выполнения, i-ый разряд каждого канала содержит два логических элемента ИЛИ, два логических элемента И-НЕ, два логических элемента НЕ, логический элемент И. 2 н.п. ф-лы, 13 ил.
Текст описания приведен в факсимильном виде.                                                           
Формула изобретения
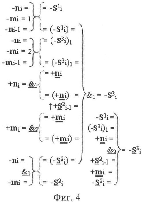
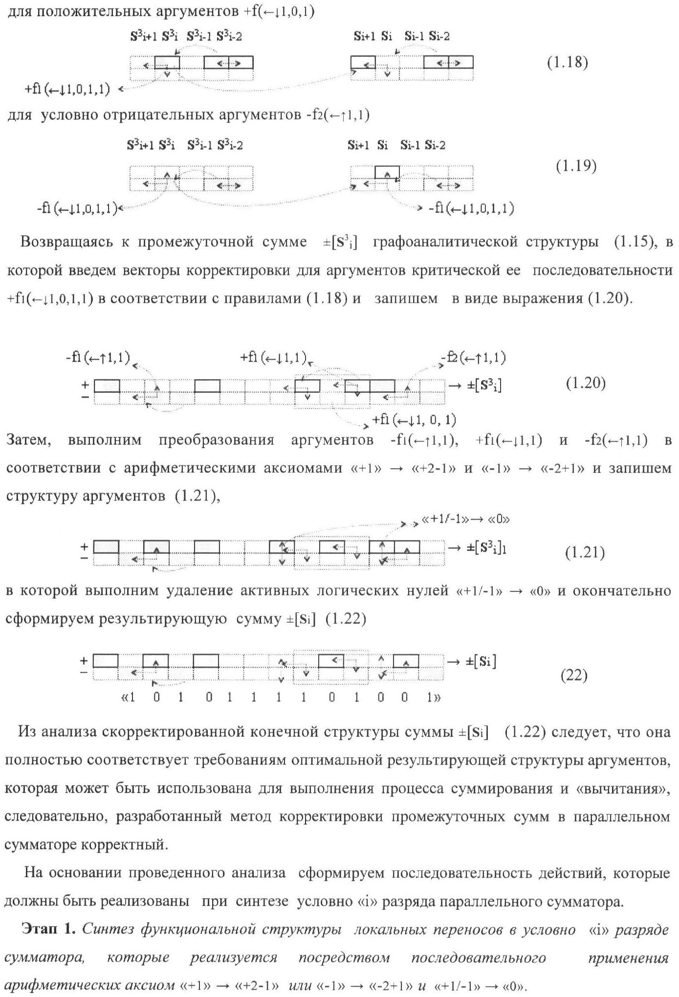
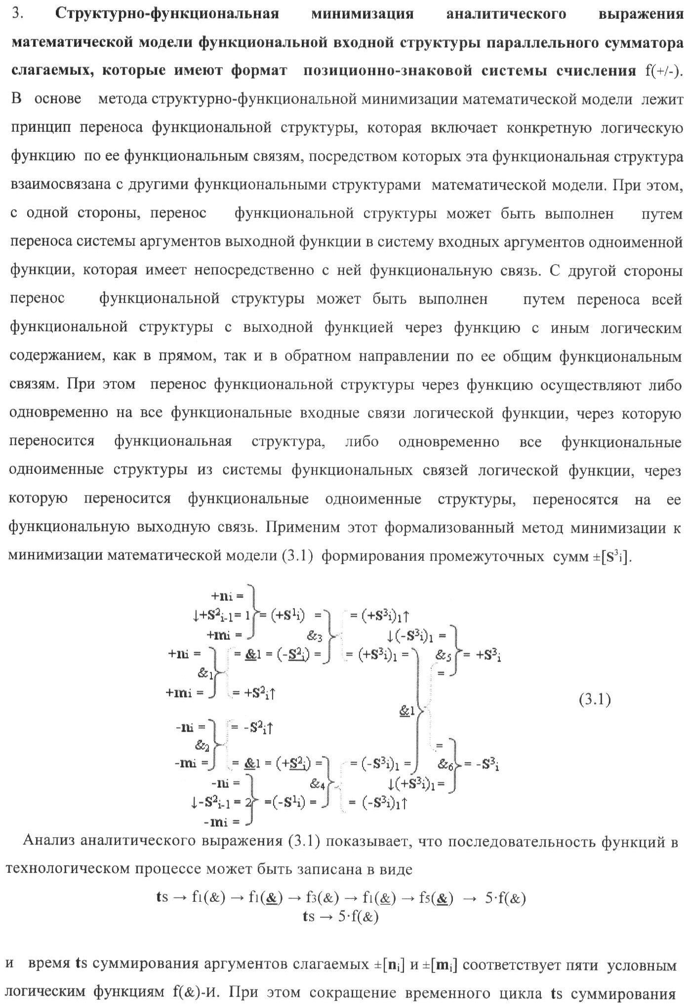
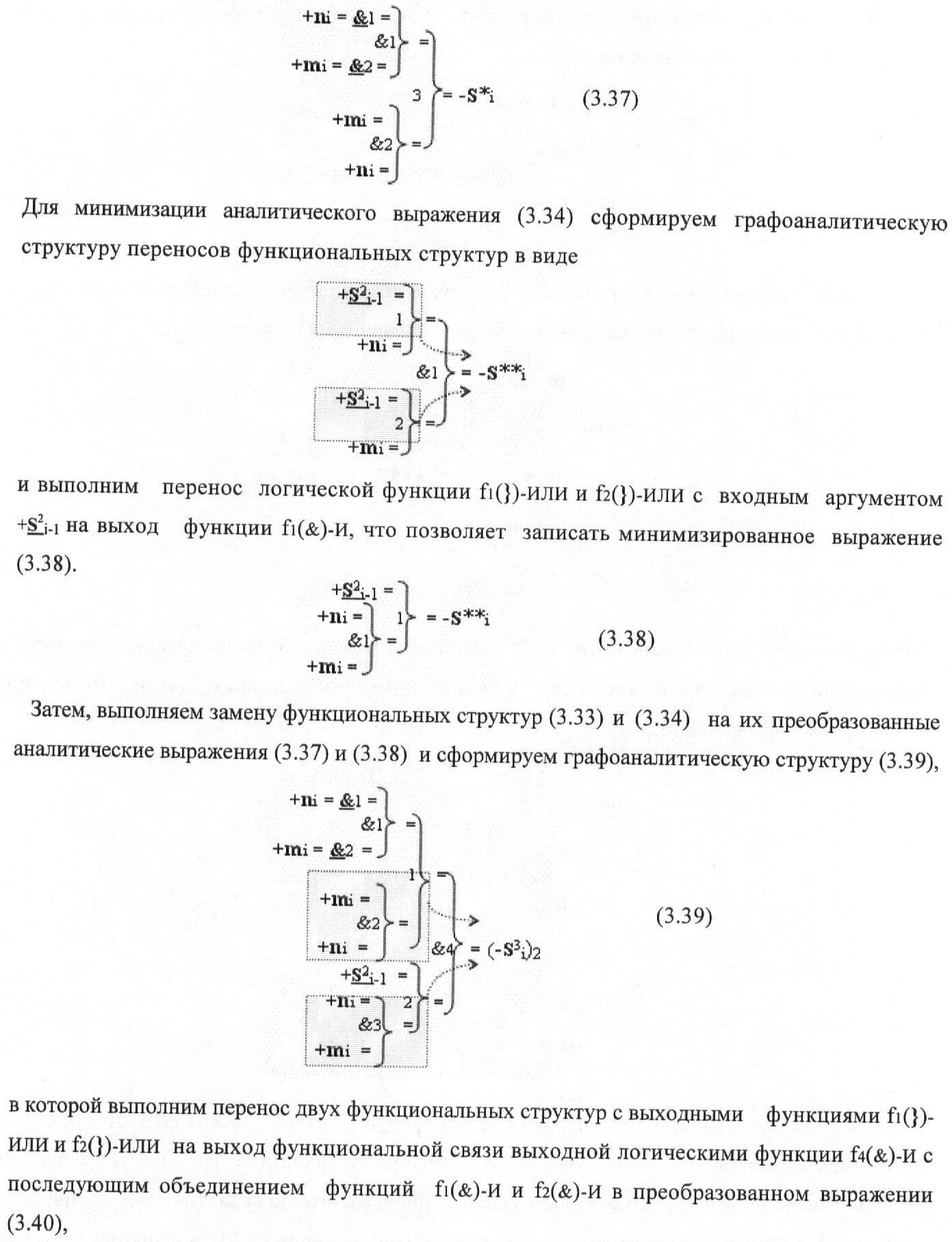
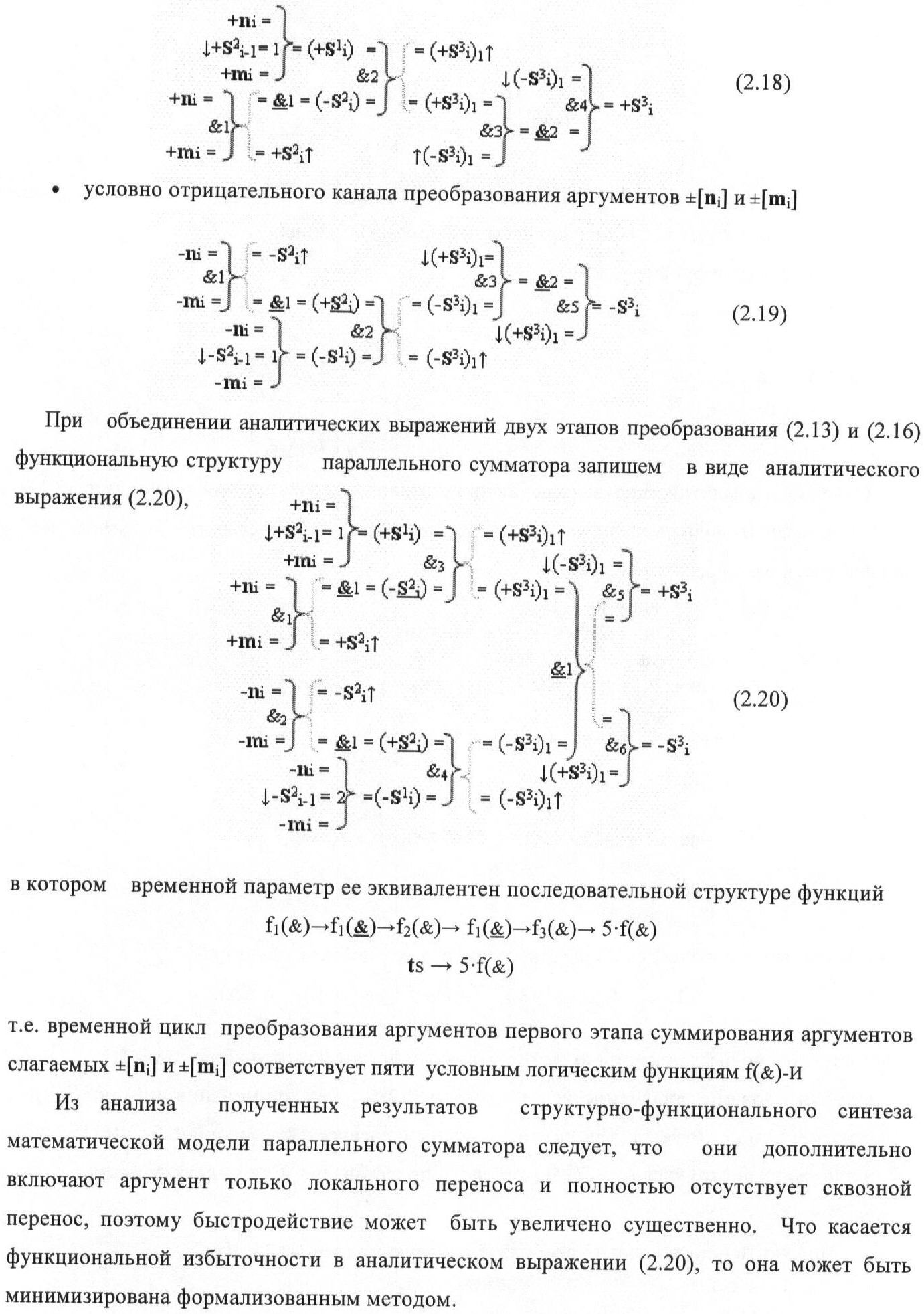
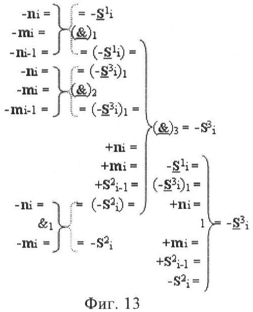
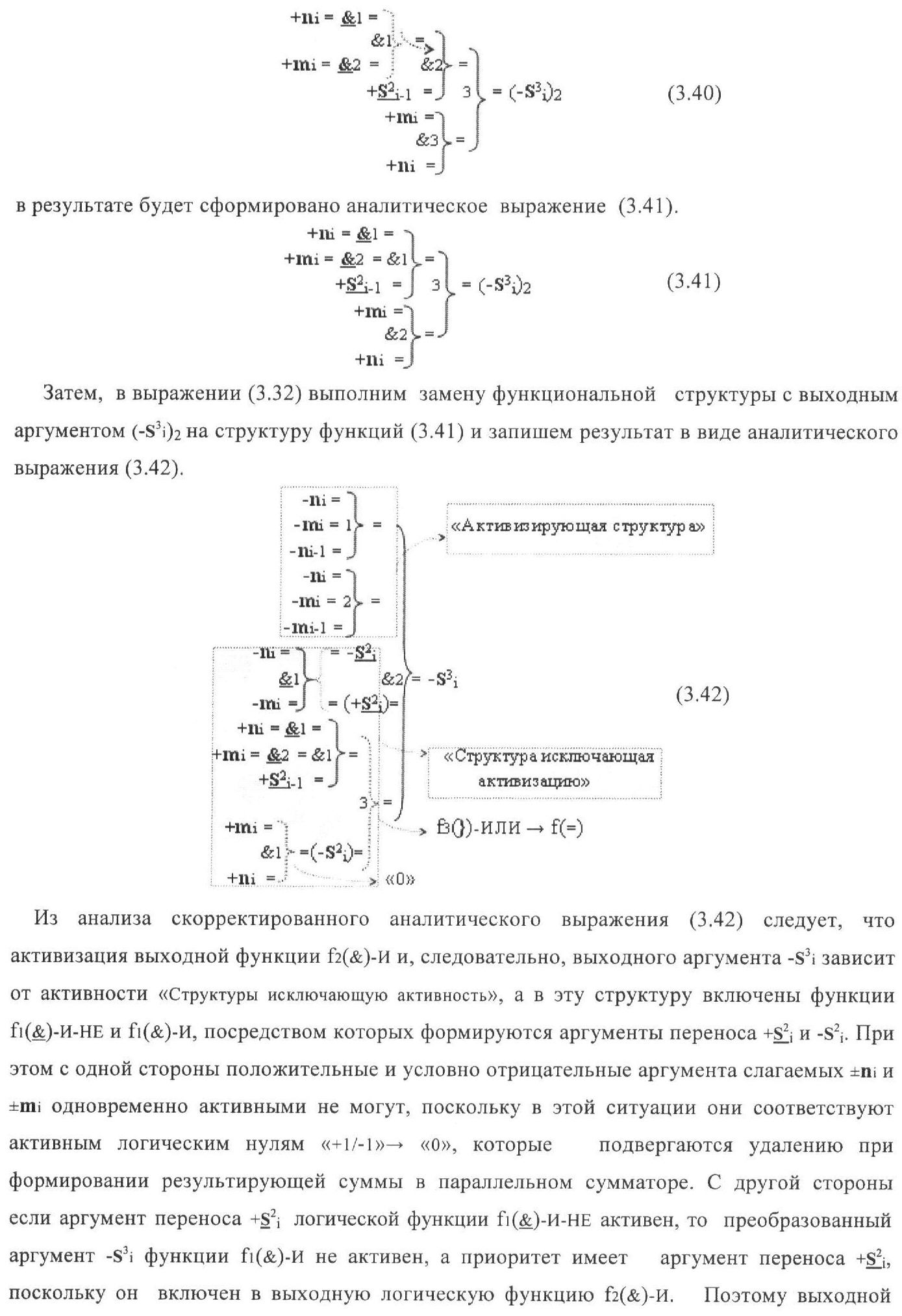
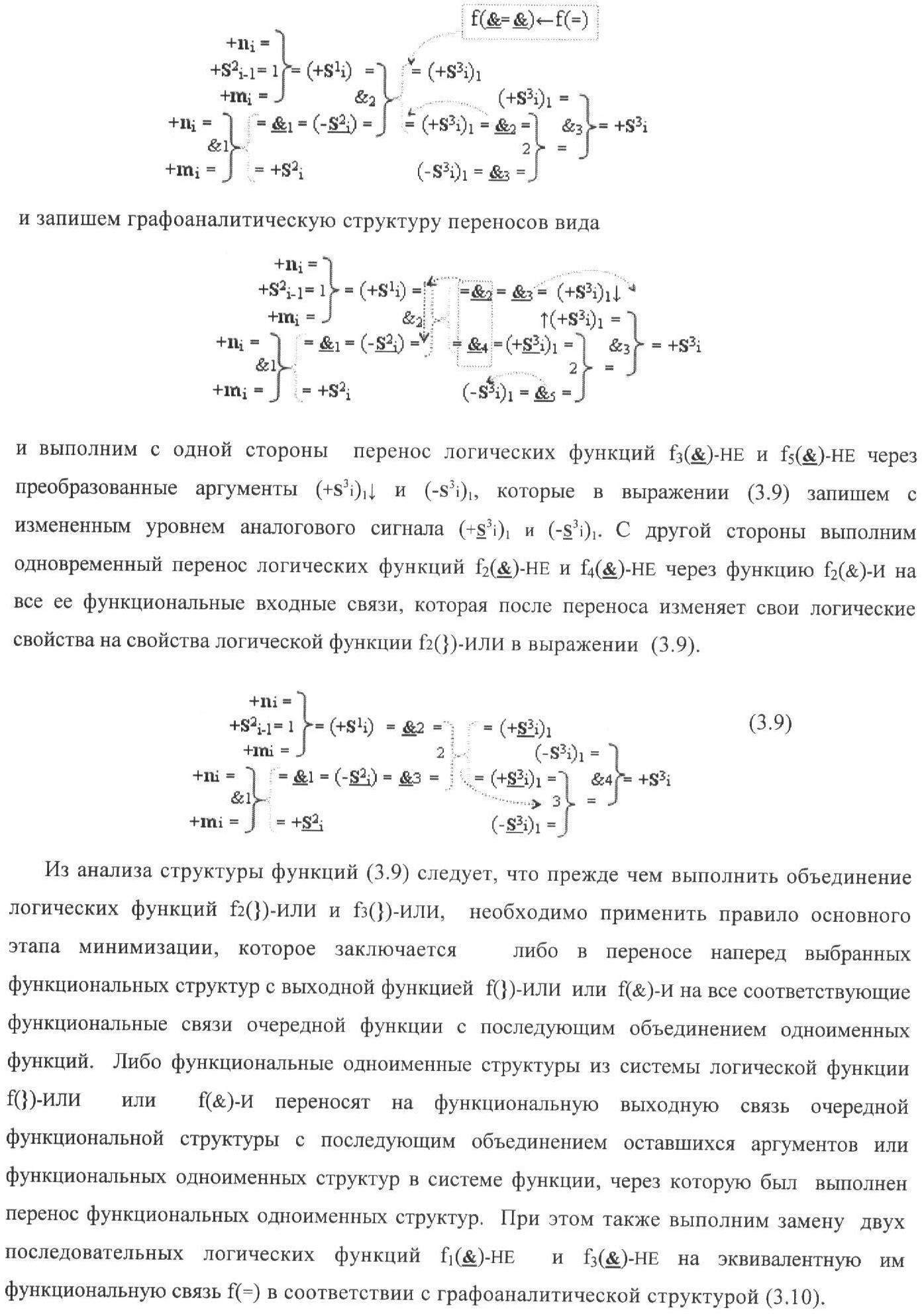
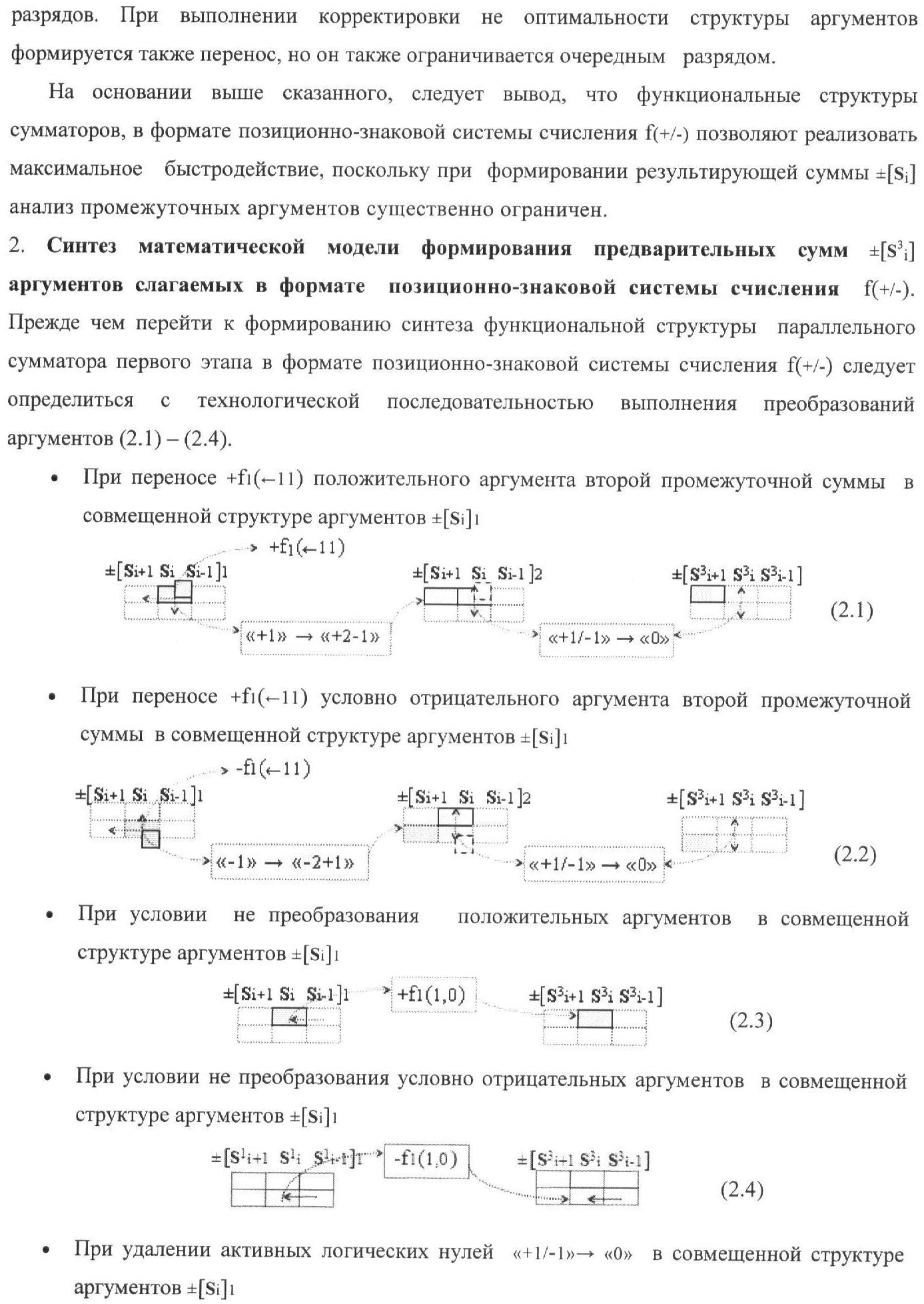
1. Входная структура параллельного сумматора в позиционно-знаковых кодах f(+/-), условно «i» разряд которой выполнен в виде двух эквивалентных по струкгуре логических функций положительного и условно отрицательного каналов суммирования слагаемых и каждый канал «i» разряда включает входные логические функции f1({)-ИЛИ и f1(&)-И-HE, две функциональные входные связи, которые являются функциональными связями приема входных аргументов +ni и +mi или -ni и -mi, в соответствующих каналах, а выходные функциональные связи этих логических функций, которые формируют преобразованные аргументы первой промежуточной суммы или и измененные по уровню аналогового сигнала аргументы или в соответствующих каналах, являются функциональными входными связями выходных логических функций f1(&)-И и f2(&)-И-НЕ, которые формируют преобразованные аргументы выходных промежуточных сумм без изменения уровня аналогового сигнала или и выходных аргументов промежуточных сумм с измененным уровнем аналогового сигнала или выходные функциональные связи которых являются выходными функциональными связями соответствующих по знаку каналов, отличающаяся тем, что дополнительно введены в каждый канал логическая функция f2({)-ИЛИ и инвертирующие функции f1(&)-HE и f2(&)-HE, при этом функциональные связи логических функций в структуре сумматора выполнены в соответствии с математической моделью вида
 «=&1=» – инвертирующая функция f1(&)-HE или функция изменения активности аналоговых сигналов.
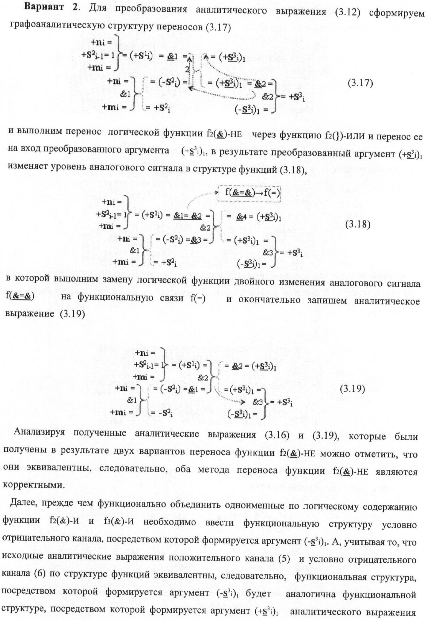
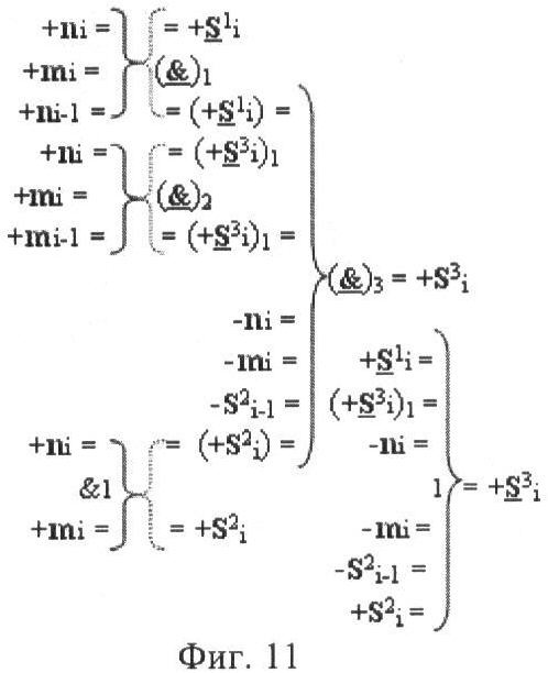
2. Входная структура параллельного сумматора в позиционно-знаковых кодах f(+/-), условно «i» разряд которой выполнен в виде двух эквивалентных по структуре логических функций положительного и условно отрицательного каналов суммирования слагаемых, и каждый канал «i» разряда включает логические функции f1(})-ИЛИ и f1(&)-И, отличающаяся тем, что дополнительно введены логические функции f1(}&)-ИЛИ-НЕ, f2(}&)-ИЛИ-НЕ и f3(}&)-ИЛИ-НЕ, при этом функциональные связи логических функций выполнены во входной структуре сумматора в соответствии с математической моделью вида

РИСУНКИ
|
|
|
|
|