|
|
(21), (22) Заявка: 2008137462/28, 18.09.2008
(24) Дата начала отсчета срока действия патента:
18.09.2008
(46) Опубликовано: 10.01.2010
(56) Список документов, цитированных в отчете о поиске:
RU 2099724 С1, 09.08.1994. RU 2214610 С2, 13.12.2001. ЕР 1341306 A1, 03.09.2003. US 2007194800 A1, 23.08.2007.
Адрес для переписки:
355017, г.Ставрополь, пер. Зоотехнический, 12, ФГОУ ВПО СтГАУ, ОИС (патентный отдел)
|
(72) Автор(ы):
Дорожко Сергей Васильевич (RU), Вострухин Александр Витальевич (RU), Вахтина Елена Артуровна (RU)
(73) Патентообладатель(и):
Федеральное государственное образовательное учреждение высшего профессионального образования “Ставропольский государственный аграрный университет” (RU)
|
(54) МИКРОКОНТРОЛЛЕРНОЕ УСТРОЙСТВО ИЗМЕРЕНИЯ ЧАСТОТЫ ВРАЩЕНИЯ ВАЛА
(57) Реферат:
Изобретение относится к измерительной технике, в частности к устройствам для измерения частоты вращения вала емкостным датчиком, и может быть использовано в автоматизированных системах управления технологическими процессами для измерения неэлектрических величин. Микроконтроллерное устройство для измерения частоты вращения вала содержит микроконтроллер, индикатор, емкостный датчик, образцовый конденсатор и два резистора. К одному из портов микроконтроллера подключен индикатор. Первые обкладки датчика и конденсатора подключены к общему проводу, вторые обкладки датчика и конденсатора подключены соответственно к первому и второму входам аналогового компаратора микроконтроллера и к первым выводам резисторов, вторые выводы которых подключены к выходам микроконтроллера. Технический результат сводится к упрощению схемы и расширению функциональных возможностей устройства, а именно устройство позволяет измерять или частоту вращения вала, или емкость датчика. 1 ил.
Область техники, к которой относится изобретение
Изобретение относится к измерительной технике, в частности к устройствам для измерения частоты вращения вала емкостными датчиками, и может быть использовано в автоматизированных системах управления технологическими процессами для измерения неэлектрических величин.
Уровень техники
Известно устройство для измерения электрической емкости и/или активного сопротивления, содержащее два одновибратора, включенные по кольцевой схеме, генератор импульсов и индикатор, во времязадающие цепи первого и второго одновибраторов включены конденсаторы соответственно измеряемой емкости и образцовой, к входам запуска обоих одновибраторов подключен выход генератора, между вторыми выходами одновибраторов включен блок индикации, Блок индикации указывает на превышение одной емкости по отношению к другой (см. пат. РФ 2099724, кл. G01R 27/26).
Недостаток известного устройства – ограничены функциональные возможности. Известно устройство для измерения электрической емкости, содержащее два одновибратора, включенные по схеме кольцевого автогенератора, во времязадающие цепи первого и второго одновибраторов включены конденсаторы соответственно измеряемой емкости и образцовой, два интегрирующих звена, подключенные к выходам соответствующих одновибраторов, индикатор, включенный между выходами интегрирующих звеньев. На выходе устройства формируется постоянное напряжение, которое зависит от изменения измеряемой емкости и отражается индикатором (см. пат. РФ 2156472, кл. G01 27/26).
Недостаток известного решения – ограничены функциональные возможности. Наиболее близким по технической сущности к заявляемому техническому решению и принятое авторами за прототип является устройство для измерения неэлектрических величин конденсаторными датчиками, содержащее микроконтроллер (МК), индикатор, первый и второй генераторы, во времязадающие цепи которых включены соответственно емкостной датчик и образцовый конденсатор, выходы генераторов подключены к входам МК, индикатор подключен к одному из портов МК (см. пат. РФ 2214610, кл.G01 27/26).
Недостаток известного решения – относительно сложная схема и ограничены функциональные возможности.
Раскрытие изобретения
Технический результат, который может быть достигнут с помощью предлагаемого изобретения сводится к упрощению схемы и расширению функциональных возможностей устройства, а именно устройство позволяет измерять или частоту вращения вала, или емкость датчика.
Технический результат достигается тем, что в микроконтроллерное устройство для измерения частоты вращения вала, содержащее МК, индикатор, емкостной датчик и образцовый конденсатор, которые первыми обкладками подключены к общему проводу, индикатор подключен к одному из портов МК, введены первый и второй резисторы, причем вторые обкладки емкостного датчика и образцового конденсатора подключены, соответственно, к первому и второму входам аналогового компаратора МК и к первым выводам первого и второго резисторов, вторые выводы которых подключены к выходам МК.
Краткое описание чертежей
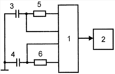
На чертеже представлена структурная схема микроконтроллерного устройства для измерения частоты вращения вала.
Осуществление изобретения
Микроконтроллерное устройство для измерения частоты вращения вала содержит (см. ил.) МК 1, индикатор 2, емкостный датчик 3 и образцовый конденсатор 4, резисторы 5 и 6. К одному из портов МК 1 подключен индикатор 2, первые обкладки датчика 3 и конденсатора 4 подключены к общему проводу, вторые обкладки датчика 3 и конденсатора 4 подключены соответственно к первому и второму входам встроенного в МК 1 аналогового компаратора (не показан) и к первым выводам резисторов, соответственно 5 и 6 вторые выводы которых подключены к выходам МК 1. На вал (не показан) двигателя, частоту вращения которого необходимо измерить, напрессована шестерня, которая является первой обкладкой датчика 3. Зубья шестерни перемещаются относительно неподвижно закрепленной второй обкладки датчика 3. При приближении зуба шестерни ко второй обкладке датчика 3 его емкость возрастает.
Микроконтроллерное устройство для измерения частоты вращения вала работает следующим образом.
В начале каждого цикла измерения МК 1 очищает встроенный счетчик импульсов, разряжает датчик 3 и конденсатор 4 путем одновременной подачи через резисторы 5 и 6 низких уровней напряжения и запускает встроенный таймер на формирование интервала времени. Затем МК 1 подает через резистор 5 высокий уровень напряжения на датчик 3 и через определенное время подает через резистор 6 высокий уровень напряжения на конденсатор 4. Скорости нарастания напряжений на датчике 3 и конденсаторе 4 зависят от их емкости.
В начале заряда датчика 3 напряжение на нем меньше, чем напряжение на конденсаторе 4. На выходе аналогового компаратора МК 1 сформирован логический 0. Как только напряжение на конденсаторе 4 превысит напряжение на датчике 3 на выходе аналогового компаратора МК 1 будет сформирована логическая 1. Содержимое счетчика импульсов МК 1 возрастет на единицу. МК 1 переходит к выполнению нового цикла измерения. Если емкость датчика 3 меньше емкости конденсатора 4, (зуб шестерни не подошел ко второй обкладке датчика 3), то на выходе аналогового компаратора МК 1 логическая 1 не появится. Таким образом, содержимое счетчика импульсов МК 1 будет возрастать на единицу каждый раз при прохождении зуба шестерни около второй обкладки датчика 3. Как только таймер МК 1 отсчитает заданный интервал времени, содержимое счетчика импульсов считывается, обрабатывается процессором МК 1 и выводится на индикатор 2.
Преимущества изобретения: упрощена схема и расширены функциональные возможности устройства, а именно устройство позволяет измерять или частоту вращения вала, или емкость датчика.
Формула изобретения
Микроконтроллерное устройство для измерения частоты вращения вала, содержащее микроконтроллер, индикатор, емкостный датчик и образцовый конденсатор, которые первыми обкладками подключены к общему проводу, индикатор подключен к одному из портов микроконтроллера, отличающееся тем, что в него введены первый и второй резисторы, причем вторые обкладки емкостного датчика и образцового конденсатора подключены соответственно к первому и второму входам аналогового компаратора микроконтроллера и к первым выводам первого и второго резисторов, вторые выводы которых подключены к выходам микроконтроллера.
РИСУНКИ
|
|