|
|
(21), (22) Заявка: 2008137772/28, 24.09.2008
(24) Дата начала отсчета срока действия патента:
24.09.2008
(46) Опубликовано: 10.01.2010
(56) Список документов, цитированных в отчете о поиске:
RU 2282197 C1, 20.08.2006. RU 2189599 С1, 20.09.2002. SU 977251 А, 30.11.1982. SU 931515 А, 05.06.1982. SU 457030 А, 11.03.1975. GB 2093593 А, 02.09.1982.
Адрес для переписки:
129626, Москва, ул. 3-я Мытищинская, 10, стр.8, ЗАО “ОЦВ”, генеральному директору
|
(72) Автор(ы):
Дёжин Юрий Иванович (RU), Абрамов Валерий Михайлович (RU), Васин Николай Кузьмич (RU), Малахов Сергей Валерьевич (RU), Никифоров Борис Данилович (RU), Рабинович Михаил Даниилович (RU), Соколов Андрей Николаевич (RU)
(73) Патентообладатель(и):
Закрытое акционерное общество “ОТРАСЛЕВОЙ ЦЕНТР ВНЕДРЕНИЯ НОВОЙ ТЕХНИКИ И ТЕХНОЛОГИЙ” (ЗАО “ОЦВ”) (RU)
|
(54) ЛОКОМОТИВНАЯ СИСТЕМА ОПРЕДЕЛЕНИЯ СКОРОСТИ ДВИЖЕНИЯ И ПРОЙДЕННОГО ПУТИ
(57) Реферат:
Изобретение относится к измерительной технике и может быть использовано для определения пройденного пути и скорости движения магистральных и маневровых локомотивов с возможностью последующей передачи этих параметров в систему управления локомотивом. Локомотивная система содержит три приемно-излучающих устройства (1, 2, 3), последовательно установленных на локомотиве по ходу движения, каждое их которых включает блок СВЧ излучателя с передающей антенной и блок приемника отраженного СВЧ излучения с приемной антенной и усилителем, и программируемый микропроцессор. Программируемый микропроцессор включает два блока корреляционно-экстремальной обработки (4, 5), два блока расчета текущей скорости (6, 7), блок определения направления движения (10), блок селекции выходной скорости (8), блок ввода базовых значений и начальных условий (9) и интегратор (И). Техническим результатом является повышение точности измерения параметров движения и расширение функциональных возможностей. 1 з.п. ф-лы, 1 ил.
Изобретение относится к измерительной технике и может быть использовано для высокоточного определения пройденного пути и скорости движения магистральных и маневровых локомотивов с возможностью последующей передачи этих параметров в систему управления локомотивом.
Известно устройство для измерения линейной скорости локомотива, описанное в качестве примера реализации способа измерения линейной скорости локомотива по патенту RU 2189599. Устройство содержит два идентичных регистратора, содержащих источники волнового излучения (например, ультразвукового), являющиеся передающими антеннами, и датчики интенсивности излучения, выполняющие функции приемных антенн. Устройство также содержит суммирующее устройство, пороговое устройство, таймер и делительное устройство, которые выполнены на основе микропроцессора.
Недостатком аналога является нестабильная работа устройства при различных экстремальных условиях его эксплуатации.
Наиболее близким к заявляемому устройству техническим решением является «Автономное бортовое устройство для определения положения и скорости рельсового экипажа (варианты)» (вариант с двумя регистраторами) по патенту RU 2282197, МПК G01P 3/64 (2006.01).
Устройство содержит два идентичных регистратора (приемно-излучающих устройства), установленные под днищем транспортного средства на расстоянии 0,2-0,5 м (база регистрации L) один за другим в направлении движения. Регистратор состоит из блока управления, соединенного с передающей антенной, являющейся источником СВЧ излучения, и приемной антенны, являющейся приемником отраженного СВЧ излучения, соединенной со стробирующим усилителем.
При перемещении устройства над железнодорожным полотном регистраторы воспринимают сигналы, имеющие периодический характер, обусловленный расположением шпал в рельсошпальной решетке вдоль направления движения.
Программируемое микропроцессорное устройство фиксирует моменты времени, когда сигналы, принятые первым и вторым регистраторами, достигают своих максимумов. Момент t1 фиксации максимума сигнала, принятого первым регистратором при прохождении очередной шпалы, отличается от момента t2 фиксации максимума сигнала, принятого вторым регистратором при прохождении той же шпалы, на промежуток времени t, а именно t2=t1+ t.
Скорость движения определяется как отношение длины базы регистрации L к указанному промежутку времени t.
Характер изменения информации при перемещении устройства (наличие максимума принятого сигнала при нахождении первого регистратора над серединой очередной шпалы) позволяет определить количество пройденных шпал и тем самым определить положение на рельсовой колее.
Недостатком прототипа является:
1. Пониженная точность в определении скорости вследствие использования для определения параметра t только моментов фиксации максимумов отраженных от одной и той же шпалы сигналов, не используя «массу» оставшейся информации о подстилающей поверхности, содержащейся в отраженных сигналах.
2. Ненадежность метода подсчета шпал вследствие сбоев, обусловленных проездом над покрытыми сплошь слоем щебня участками пути, над стрелочными переводами, над сдвоенными шпалами, над посторонними предметами внутри колеи.
3. Необходимость в информации об эпюрах укладки шпал на данном участке пути (2000 шпал/км, 1840 шпал/км и т.д.), в том числе и при работе в кривых.
4. Высокая вероятность пропуска очередного максимума сигнала вследствие уменьшения его амплитуды в силу различных причин (например, маскировки его в массе других сигналов от подстилающей поверхности).
5. Необходимость в повышенной мощности облучения для повышения устойчивости идентификации максимума сигнала с отраженным от очередной шпалы сигналом.
6. Невозможность автономного определения направления движения.
7. При заданном периоде определения значения скорости минимальная измеряемая скорость движения транспортного средства определяется и ограничивается минимальной базой регистрации, что препятствует работе устройства на пониженных скоростях.
Задачей предлагаемого изобретения является повышение точности измерения параметров движения и расширение функциональных возможностей.
Использование локомотивной системы позволит повысить точность измерения линейной скорости и пройденного пути, осуществлять определение направления движения, расширить диапазон минимальных рабочих скоростей, а также расширить область применения на различных транспортных средствах.
Поставленная задача решается тем, что в локомотивной системе определения скорости движения и пройденного пути, содержащей приемно-излучающие устройства, каждое их которых включает блок СВЧ излучателя с передающей антенной и блок приемника отраженного СВЧ излучения с приемной антенной и усилителем, и программируемый микропроцессор, согласно изобретению на локомотиве по ходу движения последовательно установлены три приемно-излучающие устройства, а программируемый микропроцессор включает два блока корреляционно-экстремальной обработки, два блока расчета текущей скорости, блок определения направления движения, блок селекции выходной скорости, блок ввода базовых значений и начальных условий и интегратор, при этом выход первого приемно-излучающего устройства соединен с первым входом каждого из двух блоков корреляционно-экстремальной обработки; выход второго приемно-излучающего устройства соединен со вторым входом первого блока корреляционно-экстремальной обработки, выход которого соединен с входом первого блока расчета текущей скорости, и его знаковый выход соединен с входом блока определения направления движения и с знаковым входом второго блока корреляционно-экстремальной обработки; выход третьего приемно-излучающего устройства соединен со вторым входом второго блока корреляционно-экстремальной обработки, выход которого соединен с входом второго блока расчета текущей скорости; выход первого блока расчета текущей скорости соединен с первым входом блока селекции выходной скорости и с входом ввода значения скорости второго блока корреляционно-экстремальной обработки; выход второго блока расчета текущей скорости соединен со вторым входом блока селекции выходной скорости, выход которого соединен с входом интегратора; первый выход блока ввода базовых значений и начальных условий соединен с входами ввода базового значения первого блока корреляционно-экстремальной обработки и первого блока расчета текущей скорости, а второй выход блока ввода базовых значений и начальных условий соединен с входами ввода базового значения второго блока корреляционно-экстремальной обработки и второго блока расчета текущей скорости; выход начала отсчета пройденного пути и поправок блока ввода базовых значений и начальных условий соединен с входом ввода начальных условий интегратора, причем выход блока селекции выходной скорости является выходом значения скорости локомотива, выход интегратора является выходом значения пройденного локомотивом пути, выход блока определения направления движения является выходом признака направления движения локомотива.
Блок СВЧ излучателя может быть выполнен с возможностью импульсного режима работы.
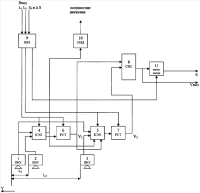
Функциональная схема локомотивной системы определения скорости движения и пройденного пути представлена на чертеже.
Локомотивная система содержит три идентичных приемно-излучающих устройства 1, 2, 3 (ПИУ) и программируемый микропроцессор.
Каждое приемно-излучающее устройство состоит из блока СВЧ излучателя с передающей антенной и генератором и блока приемника отраженного СВЧ излучения, состоящего из приемной антенны с усилителем, причем функции приемной и передающей антенн могут быть совмещены в одной приемно-передающей антенне.
Приемно-излучающие устройства устанавливаются под днищем локомотива со смещением в пределах корпуса локомотива один за другим в направлении движения следующим образом:
ПИУ 1 установлено в передней части локомотива, ПИУ 2 установлено вблизи ПИУ 1, значение расстояния между ними обозначается как базовое значение L1;
ПИУ 3 установлено далее к центру локомотива, расстояние между ним и ПИУ 1 обозначается как базовое значение L2.
Высота подвески приемно-излучающих устройств относительно плоскости, проходящей по вершинам головок соседних рельсов, должна быть одинакова.
Выходы блока приемника отраженного СВЧ излучения приемно-излучающих устройств подсоединены к программируемому микропроцессору, который связан с системой управления локомотивом.
Программируемый микропроцессор локомотивной системы содержит два блока корреляционно-экстремальной обработки 4, 5 (КЭО), два блока расчета текущей скорости 6, 7 (РТС), блок селекции выходной скорости 8 (СВС), блок ввода базовых значений и начальных условий 9 (ВБЗ), блок определения направления движения 10 (ОНД) и интегратор 11. Выход ПИУ 1 соединен с первыми входами каждого из двух блоков КЭО 4, 5, выход ПИУ 2 соединен со вторым входом первого блока КЭО 4, выход ПИУ 3 соединен со вторым входом второго блока КЭО 5. Выход блока КЭО 4 соединен с входом первого блока РТС 6, знаковый выход блока КЭО 4 соединен с входом блока ОНД 10 и со знаковым входом блока КЭО 5. Выход блока КЭО 5 соединен с входом второго блока РТС 7. Выход блока РТС 6 соединен с первым входом блока СВС 8 и с входом ввода значения скорости блока КЭО 5. Выход блока РТС 7 соединен со вторым входом блока СВС 8. Выход блока СВС 8 соединен с входом интегратора 11. Первый и второй выходы блока ВБЗ 9 соединены соответственно с входами ввода базового значения блоков КЭО 4, 5 и соответственно с входами ввода базового значения блоков РТС 6, 7. Выход начала отсчета пройденного пути и поправок блока ВБЗ 9 соединен с входом ввода начальных условий интегратора 11. Выход блока СВС 8 одновременно является выходом значения скорости устройства, выход интегратора 11 одновременно является выходом значения пройденного пути локомотива, выход блока ОНД 10 одновременно является выходом признака направления движения локомотива.
Работа устройства осуществляется следующим образом.
В процессе движения локомотива подстилающая поверхность непрерывно облучается каждым приемно-излучающим устройством электромагнитными волнами СВЧ диапазона. Отраженное излучение воспринимается блоком приемника отраженного СВЧ излучения соответствующего приемно-излучающего устройства и преобразуется в электрические сигналы. Реализации сигналов представляют собой случайные функции времени f1(t), f2(t), f3(t), где f1(t) – реализация сигналов приемно-излучающего устройства 1, где f2(t) – реализация сигналов приемно-излучающего устройства 2, где f3(t) – реализация сигналов приемно-излучающего устройства 3,
причем:


где V – текущая скорость локомотива,
т.е. реализации, получаемые с приемно-излучающих устройств 2, 3, сдвинуты по времени на величины, прямо пропорциональные соответствующим базовым значениям L и обратно пропорциональные текущей скорости V локомотива относительно реализации, получаемой с приемно-излучающего устройства 1.
В блоке корреляционно-экстремальной обработки 4 за определенный период времени (период анализа Т) в определенном диапазоне задержек реализации f1(t) относительно f2(t) вычисляются значения их взаимной корреляционной функции (далее ВКФ), причем максимум указанной функции соответствует точному совмещению реализаций f1(t) и f2(t), а соответствующее значение задержки

В блоке корреляционно-экстремальной обработки 5 по максимуму ВКФ реализаций f1(t) и f3(t) определяется соответствующее значение задержки

По полученным значениям сдвигов 1, 2 рассчитываются значения скоростей Vi,V2 в соответствующих блоках расчета текущей скорости 6, 7 в соответствии с базовым выражением:

Описанный способ обработки полученных сигналов (корреляционно-экстремальный) позволяет принципиально получить более высокие точности в определении скорости в связи с тем, что в каждом измерении участвует совокупность множества сигналов, полученных вследствие отражения от подстилающей поверхности, независимо от ее характера. Высокая точность в определении скорости дает возможность применить для точного определения пройденного пути интегрирование полученного значения скорости.
Следует отметить, что в случае равномерного движения достаточно было бы ограничиться двумя приемно-излучающими устройствами, расположенными в пределах жесткого основания как можно дальше друг от друга (например, в разных концах локомотива), т.к. погрешность в определении скорости обратно пропорциональна расстоянию между приемно-излучающими устройствами (базовому значению L). Однако в реальных условиях эксплуатации скорость изменяется в широком диапазоне и возможны ситуации, когда к моменту прохода в процессе движения отдаленного приемно-излучающего устройства над подстилающей поверхностью отраженные сигналы от которой получены первым приемно-излучающим устройством, реализация отдаленного приемно-излучающего устройства за счет изменения скоростного режима становится искаженной относительно реализации первого и либо непригодна для корреляционно-экстремальной обработки либо это обстоятельство ухудшает точность такой обработки. Кроме того, значение L определяет значение минимальной скорости движения Vmin, при которой возможно ее измерение:

В связи с этим возникает необходимость уменьшения расстояния L между приемно-излучающими устройствами до оптимального, обусловленного рабочим диапазоном скоростей и ускорений локомотива, с одной стороны, и заданными точностями работы – с другой, при заданном значении Т. Функцию основной рабочей пары выполняют приемно-излучающие устройства 1 и 3 с базовым значением L2.
Для сохранения работоспособности системы в условиях начала движения и при остановке (т.е. с целью уменьшения значения Vmin) необходима пара близко расположенных приемно-излучающих устройств с небольшим базовым значением (L1), эту функцию выполняют приемно-излучающие устройства 1 и 2. Значение скорости V1, рассчитанной в блоке расчета текущей скорости 6, подается с выхода блока на один из входов блока селекции выходной скорости 8 и далее используется в качестве выходной скорости Vвых устройства при низких (до определенного порога Vпор) скоростях движения, в том числе при начале движения и остановке локомотива.
При перемещении локомотивной системы над железнодорожным полотном в реализациях сигналов приемно-излучающих устройств может присутствовать периодическая составляющая, обусловленная периодическим расположением шпал в рельсошпальной решетке вдоль направления движения. В этом случае взаимная корреляционная функция будет иметь ложные экстремумы, один из которых может быть ошибочно принят в качестве рабочего. Для исключения подобных ситуаций с выхода блока расчета текущей скорости 6, где скорость рассчитывается по реализациям рядом стоящих приемно-излучающих устройств 1 и 2, на вход блока корреляционно-экстремальной обработки 5 подается рассчитанное значение скорости движения V1. В блоке корреляционно-экстремальной обработки 5 по полученному значению скорости производится расчет обуженной зоны поиска рабочего экстремума ВКФ, причем зона поиска формируется таким образом, что исключает «захват» ложного максимума. Соответствующее рабочему экстремуму ВКФ реализаций приемно-излучающих устройств 1 и 3 значение 2 поступает с выхода блока 5 на вход блока расчета текущей скорости 7, и рассчитанное значение скорости V2 далее с выхода блока расчета текущей скорости 7 поступает на один из входов блока селекции выходной скорости 8 и далее используется в качестве выходной скорости Vвых устройства при превышении V2>Vпор. Корреляционно-экстремальная обработка реализаций приемно-излучающих устройств 1 и 2 позволяет определить направление движения путем поиска экстремума в зоне положительных и отрицательных аргументов ВКФ. Наличие экстремума в зоне положительного аргумента свидетельствует о движении в прямом направлении и наоборот. Информация о знаке аргумента ВКФ поступает со знакового выхода блока корреляционно-экстремальной обработки 4 на вход блока 10 определения направления движения локомотива. На выходе блока ОНД 10 формируется признак направления движения. Выход блока ОНД 10 является одновременно одним из выходов локомотивной системы. Кроме того, со знакового выхода блока корреляционно-экстремальной обработки 4 сигнал поступает на знаковый вход блока корреляционно-экстремальной обработки 5 для использования знака аргумента при определении зоны поиска рабочих максимумов ВКФ в блоке 5.
Значение скорости Vвых поступает на вход интегратора 11, на выходе которого формируется значение пройденного пути S, поступающее на выход устройства. По сигналу, поступившему из системы управления локомотивом, через блок ввода базовых значений и начальных условий 9 интегратор 11 либо обнуляется и расчет значения пройденного пути начинается вновь с нулевой отметки либо его выходное значение пути корректируется вводом поправки от внешних средств коррекции.
Блок СВЧ излучателя может быть выполнен с возможностью импульсного режима работы.
Применение предлагаемой локомотивной системы возможно не только на рельсовом транспортном средстве, но и на других видах наземного транспорта, т.к. принцип его работы не связан исключительно со спецификой железнодорожного полотна.
Реализация заявленной совокупности признаков формулы изобретения обеспечивает достижение точности измерения линейной скорости и пройденного пути, осуществление определения направления движения. Кроме того, достигается расширение диапазона минимальных рабочих скоростей, а также расширение области применения системы на различных транспортных средствах.
В связи с тем, что для нормального функционирования локомотивной системы нет необходимости добиваться получения в отраженных сигналах присутствия гарантированной составляющей сигналов, отраженных от шпал, то заявляемое устройство не требует в составе регистраторов мощных излучателей СВЧ и/или работы в области наносекундных импульсов, что значительно снижает стоимость приемно-излучающих устройств.
Таким образом, достигается решение задачи, поставленной перед изобретением: повышение точности измерения параметров движения и расширение функциональных возможностей.
Формула изобретения
1. Локомотивная система определения скорости движения и пройденного пути, содержащая приемно-излучающие устройства, каждое их которых включает блок СВЧ излучателя с передающей антенной и блок приемника отраженного СВЧ излучения с приемной антенной и усилителем, и программируемый микропроцессор, отличающаяся тем, что на локомотиве по ходу движения последовательно установлены три приемно-излучающие устройства, а программируемый микропроцессор включает два блока корреляционно-экстремальной обработки, два блока расчета текущей скорости, блок определения направления движения, блок селекции выходной скорости, блок ввода базовых значений и начальных условий и интегратор, при этом выход первого приемно-излучающего устройства соединен с первым входом каждого из двух блоков корреляционно-экстремальной обработки; выход второго приемно-излучающего устройства соединен с вторым входом первого блока корреляционно-экстремальной обработки, выход которого соединен с входом первого блока расчета текущей скорости и его знаковый выход соединен с входом блока определения направления движения и со знаковым входом второго блока корреляционно-экстремальной обработки; выход третьего приемно-излучающего устройства соединен со вторым входом второго блока корреляционно-экстремальной обработки, выход которого соединен с входом второго блока расчета текущей скорости; выход первого блока расчета текущей скорости соединен с первым входом блока селекции выходной скорости и с входом ввода значения скорости второго блока корреляционно-экстремальной обработки; выход второго блока расчета текущей скорости соединен со вторым входом блока селекции выходной скорости, выход которого соединен с входом интегратора; первый выход блока ввода базовых значений и начальных условий соединен с входами ввода базового значения первого блока корреляционно-экстремальной обработки и первого блока расчета текущей скорости, а второй выход блока ввода базовых значений и начальных условий соединен с входами ввода базового значения второго блока корреляционно-экстремальной обработки и второго блока расчета текущей скорости; выход начала отсчета пройденного пути и поправок блока ввода базовых значений и начальных условий соединен с входом ввода начальных условий интегратора, причем выход блока селекции выходной скорости является выходом значения скорости локомотива, выход интегратора является выходом значения пройденного локомотивом пути, выход блока определения направления движения является выходом признака направления движения локомотива.
2. Система по п.1, отличающаяся тем, что блок СВЧ излучателя выполнен с возможностью импульсного режима работы.
РИСУНКИ
|
|