|
|
(21), (22) Заявка: 2008111535/28, 27.03.2008
(24) Дата начала отсчета срока действия патента:
27.03.2008
(46) Опубликовано: 10.01.2010
(56) Список документов, цитированных в отчете о поиске:
RU 2123172 C1, 10.12.1998. RU 2134868 C1, 20.08.1999. RU 2178150 C1, 10.01.2002. US 4248087 A, 03.02.1981. DE 19538696 A1, 24.04.1997.
Адрес для переписки:
127238, Москва, Дмитровское ш., 75, ОАО “Союзцветметавтоматика”
|
(72) Автор(ы):
Казинцев Владимир Александрович (RU), Лукичева Светлана Валериевна (RU)
(73) Патентообладатель(и):
ОАО “Союзцветметавтоматика” (RU)
|
(54) СПОСОБ И УСТРОЙСТВО КОНТРОЛЯ УРОВНЯ ЖИДКИХ СРЕД С СИГНАЛИЗАЦИЕЙ НАЛИЧИЯ АКУСТИЧЕСКОГО КОНТАКТА МЕЖДУ ИЗЛУЧАТЕЛЕМ И ПРИЕМНИКОМ УЛЬТРАЗВУКОВЫХ КОЛЕБАНИЙ И ПОВЕРХНОСТЯМИ СТЕНОК РЕЗЕРВУАРА
(57) Реферат:
Изобретение относится к технике контроля уровня и наличия жидкости в технологических резервуарах и трубопроводах различных производств и может найти применение в металлургической, химической, нефтеперерабатывающей, водоподготовки и других отраслях промышленности. Сущность: способ контроля уровня жидких сред заключается в том, что первый излучатель и первый приемник размещают на диаметрально противоположных стенках резервуара, периодически возбуждают первую продольную УЗВ в первом излучателе и вводят ее в стенку резервуара под углом 90° к ее поверхности, принимают первую продольную УЗВ первым приемником. Дополнительно размещают на общем волноводе с первым излучателем второй приемник УЗВ на расстоянии не более двух диаметров между центрами их пьезопреобразователей, принимают вторым приемником первую отраженную продольную УЗВ, полученную из первой продольной УЗВ в результате отражения от границы раздела – волновод первого излучателя / контактный слой. Дополнительно аналогично размещают на общем волноводе с первым приемником второй излучатель. Принимают вторую продольную отраженную УЗВ первым приемником, полученную в результате отражения второй продольной УЗВ от границы раздела – волновод первого излучателя / контактный слой. выбирают толщину и материал волноводов излучателей и приемников таким образом, чтобы вторая отраженная продольная УЗВ поступала на вход первого приемника в момент прихода на его вход первой продольной УЗВ, объединяют первую и вторую продольные отраженные УЗВ, усиливают их, выделяют амплитуду, детектируют, формируют периодическую последовательность нормированных по времени и по амплитуде импульсов, суммируют в втором логическом сумматоре «ИЛИ» и при наличии на выходе сумматора хотя бы одной последовательности импульсов интегрируют их и формируют сигнализирующий сигнал о нарушении акустического контакта со стороны первого излучателя или первого приемника. Предложено устройство, реализующее способ. Технический результат: повышение надежности ультразвукового контроля уровня при изменении акустического сопротивления контактного слоя между ультразвуковым излучателем и приемником УЗК и поверхностью стенок резкрвуара. 2 н.п. ф-лы, 2 ил.
Предлагаемое изобретение относится к технике контроля уровня и наличия жидкости в технологических резервуарах и трубопроводах различных производств и может найти применение в металлургической, химической, нефтеперерабатывающей, водоподготовке и других отраслях промышленности.
Известен способ ультразвукового контроля параметров жидких сред, например уровня жидкости в резервуарах, заключающийся в том, что в стенку резервуара по нормали к ней в зоне контроля уровня периодически вводят ультразвуковые колебания (УЗК), принимают отраженные от противоположной стенки импульсные сигналы и сигналы акустической реверберации в стенке резервуара, выделяют огибающую импульсов реверберации в заданной зоне и по ее амплитуде судят о наличии жидкости на контролируемом уровне [Л1].
Недостатком данного способа контроля являются недостаточные точность и надежность контроля уровня, обусловленные незначительными изменениями амплитуды огибающей реверберационных импульсов при демпфировании стенки жидкостью и зависимостью амплитуды огибающей от акустического сопротивления контактного слоя между акустическими преобразователями и стенками резервуара.
Известен другой способ ультразвукового контроля уровня в резервуарах, заключающийся в том, что в зоне контроля в стенку резервуара под определенным углом к ней с помощью акустического излучателя периодически вводят продольную ультразвуковую волну (УЗВ) так, чтобы в стенке резервуара в результате преломления на ее внешней поверхности формировалась нормальная волна выбранной моды, распространяющаяся на фиксированном участке стенки, принимают эту волну акустическим приемником и используют ее амплитуду в качестве информационного сигнала об уровне, причем излучатель и приемник располагают по линии, параллельной поверхности контролируемой жидкости, одновременно возбуждают поверхностную волну, нечувствительную к демпфированию стенки резервуара жидкостью в зоне контроля уровня, принимают ее тем же акустическим приемником, ослабляют принятый входной сигнал, содержащий обе волны, детектируют и формируют пороговый сигнал, значение которого запоминают, при изменении акустического сопротивления контактного слоя сравнивают изменившуюся амплитуду поверхностной волны с пороговым сигналом и при снижении амплитуды формируют периодическую последовательность управляющих импульсов, число которых пропорционально величине первоначально введенного ослабления, направляют управляющие импульсы в цепи ослабления входного сигнала и восстанавливают амплитуду информационного сигнала [Л2].
Недостатком данного способа являются недостаточные точность и надежность контроля уровня, обусловленные возможным наличием сварных швов и фланцевых соединений, ограничивающих акустическую базу (расстояние между излучателем и приемником должно быть не менее 0,5 м), необходимую для обеспечения требуемой чувствительности при использовании ультразвукового метода демпфирования стенки резервуара жидкостью при распространении (УЗК) внутри стенки и по ее поверхности.
Задачей настоящего изобретения является повышение надежности ультразвукового контроля уровня при изменении акустического сопротивления контактного слоя между ультразвуковыми излучателем и приемником УЗК и поверхностью стенок резервуара.
Более близким (прототипом) предложенному способу является второй [Л2].
От известного способа предложенный отличается тем, что угол ввода первой продольной УЗВ в стенку резервуара выбирают равным 90°; первый приемник и первый излучатель размещают на диаметрально противоположных стенках резервуара; второй приемник размещают на общем волноводе с первым излучателем на расстоянии друг от друга не более двух диаметров между центрами их пьезопреобразователей; второй излучатель УЗВ размещают на общем волноводе с первым приемником на расстоянии не более двух диаметров между их пьезопреобразователями; принимают первую отраженную продольную УЗВ, полученную в результате отражения первой продольной УЗВ от границы раздела – волновод первого излучателя / контактный слой; формируют временной интервал приема первой продольной отраженной УЗВ вторым приемником таким образом, чтобы его начало на один-два периода резонансной частоты первой продольной отраженной УЗВ опережало ее поступление на вход второго приемника, а его окончание не превышало по времени 4-х периодов ее резонансной частоты, возбуждают второй излучатель по сигналу, опережающему поступление первой продольной УЗВ на вход первого приемника на один-два периода ее собственной резонансной частоты; принимают первым приемником вторую продольную отраженную УЗВ, полученную в результате отражения второй продольной УЗВ от границы раздела волновод первого излучателя/контактный слой; выбирают толщину и материал волноводов приемников и излучателей таким образом, чтобы вторая продольная отраженная УЗВ поступала на вход первого приемника в момент прихода на его вход первой продольной УЗВ.
Техническим результатом такого способа является повышение надежности контроля уровня жидких сред в резервуарах и трубопроводах за счет формирования информации о состоянии контактных слоев между излучателем и приемником УЗК и поверхностью стенок резервуара и сигнализации наличия контакта.
Сущность предлагаемого способа контроля уровня жидких сред с сигнализацией наличия акустического контакта между излучателем УЗК и приемником УЗК и поверхностью стенки резервуара поясняется функциональной схемой на (фиг.1) и заключается в следующем.
На вертикальных стенках резервуара устанавливают на контролируемом уровне оппозитно, навстречу друг другу, первый излучатель УЗК и первый приемник УЗК. В первом излучателе возбуждают периодическую последовательность УЗК с определенной частотой следования FС, связанной с расстоянием между первым излучателем и первым приемником УЗК следующим соотношением:
FС=C/Ф,
где FС – частота следования тактовых импульсов возбуждения;
С – скорость распространения УЗК в жидкой среде;
Ф – расстояние между первым излучателем и первым приемником УЗК.
УЗК первого излучателя вводят через контактный слой в стенку резервуара под прямым углом к ней, где они распространяются в виде первой продольной УЗВ. При условии, что контролируемая жидкая среда отсутствует на уровне установки первого излучателя и первого приемника УЗК, первая продольная УЗВ в результате многократных переотражений затухает в материале стенки резервуара. При наличии жидкой среды на контролируемом уровне и полном акустическом контакте со стороны первого излучателя и первого приемника УЗК со стенками резервуара, первая продольная УЗВ распространяется через жидкость, противоположную стенку, второй контактный слой и поступает на вход первого преемника УЗК. В электроакустическом тракте первого приемника УЗК осуществляют преобразование первой продольной УЗВ в электрический аналог (напряжение), в котором присутствует информационный сигнал об уровне жидкости на фоне акустических и наведенных электрических помех. С целью выделения информационного сигнала из помех, в принятом первым приемником УЗК сигнале выделяют его амплитудное значение, детектируют, сравнивают с пороговым значением, заданным выше уровня помех, нормируют по амплитуде и по времени, после чего подают в первый регистратор, сигнализирующий о наличии жидкости на уровне установки первого излучателя и первого приемника УЗК. Для контроля нарушения акустического контакта между стенками резервуара и волноводами первого излучателя и первого приемника УЗК на волноводе первого излучателя УЗК размещают второй приемник УЗК, а на волноводе первого приемника УЗК – второй излучатель УЗК. При этом независимо от наличия или отсутствия жидкой среды на контролируемом уровне на границах раздела двух сред – волновод / стенка резервуара – принимают первую и вторую продольные отраженные УЗВ, возникновение которых обусловлено наличием воздуха в контактных слоях, обладающих высоким акустическим сопротивлением. Наличие первой или второй продольных отраженных УЗВ свидетельствует о нарушении акустического контакта со стороны первого излучателя или первого приемника УЗК. С этой целью электрические сигналы первой и второй продольных отраженных УЗВ подвергают обработке с целью выделения полезного сигнала на фоне акустических и электрических помех и направляют в первую суммирующую схему с логической функцией «ИЛИ» и далее во второй регистратор, сигнализирующий о нарушении акустического контакта со стороны первого излучателя и первого приемника УЗК, и тем самым устраняют недостоверную информацию об уровне жидкой среды.
Известно устройство для контроля уровня в резервуарах, содержащее акустический излучатель и акустический приемник, установленные на внешней поверхности резервуара по линии, параллельной поверхности контролируемой жидкости на фиксируемом расстоянии навстречу друг другу, при этом акустический излучатель и акустический приемник содержат первые пьезопреобразователи, установленные на волноводах под углом к стенке резервуара, и вторые пьезопреобразователи, установленные на тех же волноводах под углом к стенке резервуара; генератор, состоящий из последовательно соединенных синхронизатора, возбудителя и усилителя мощности, выходом соединенного с акустическим излучателем; усилитель последовательно соединенный с первым входом первого селекторного каскада, первым пиковым детектором и измерительным каскадом (регистратором); последовательно соединенные синхронизатор, первый блок задержки, первый формирователь стробимпульса, второй вход первого селекторного каскада; второй блок задержки, последовательно соединенный с вторым формирователем стробимпульса, первым входом селекторного каскада, вторым пиковым детектором, первым входом компаратора, первым входом схемы совпадений, дешифратором, блоком аналоговых ключей, выход которого подключен на второй вход аттенюатора, а вход второго блока задержки и второй вход схемы совпадений подключены к выходу синхронизатора; последовательно соединенные акустический приемник, первый вход аттенюатора и усилитель, выходом подключенный к второму входу селекторного каскада; источник опорного напряжения, подключенный на второй вход компаратора [Л2].
Недостатком этого устройства является недостаточная надежность, обусловленная зависимостью амплитуды поверхностной волны не только от состояния контактных слоев между поверхностью резервуара и волноводами излучателя и приемника УЗК, но и от условий ее распространения по поверхности (шероховатость поверхности, наличие пор, раковин, демпфирующих слоев краски и другое). При этом нормальная информационная волна при распространении не претерпевает соответствующих изменений амплитуды, в связи с чем корректирующее воздействие амплитуды поверхностной волны может вносить ошибку в измерительный процесс.
Известно другое устройство для контроля уровня жидких сред в резервуарах, содержащее два идентичных акустических преобразователя, устанавливаемых на внешней поверхности резервуара на фиксируемом расстоянии навстречу друг другу, последовательно соединенные приемный усилитель, селекторный каскад, пиковый детектор (первый вход); последовательно соединенные синхронизатор, блок задержки, формирователь стробимпульса, подключенные – синхронизатор ко входу возбудителя, а формирователь стробимпульса – к первому входу селекторного каскада, включенного между усилителем и пиковым детектором, измерительный каскад (регистратор), последовательно соединенные второй блок задержки, второй формирователь стробимпульса, второй селекторный каскад (первый вход), второй пиковый детектор (первый вход), вторую схему совпадений (первый вход), суммирующую схему (второй вход), интегратор, выходом подключенный на вход измерительного каскада; последовательно соединенные инвертирующий каскад и первую схему совпадений (первый вход), подключенные – инвертирующий каскад к выходу первого пикового детектора, а первая схема совпадений – к первому входу суммирующей схемы, последовательно соединенные третий блок задержки и третий формирователь стробимпульса, подключенные входом третьего блока задержки – на параллельно соединенные входы первого и второго блоков задержки, вторые входы первого и второго пиковых детекторов и выход синхронизатора, а выходом третьего формирователя стробимпульса – на параллельно соединенные вторые входы первой и второй схем совпадений; согласующее устройство, включенное между вторым акустическим преобразователем и приемным усилителем, выход которого подключен на вторые входы селекторных каскадов [Л3].
Недостатком второго устройства [Л3] является недостаточная надежность, обусловленная зависимостью амплитуды как нормальной УЗВ, распространяющейся по поверхности стенки резервуара, так и продольной УЗВ, распространяющейся через стенки и контролируемую среду от акустического сопротивления контактного слоя между стенками волноводами излучателя и приемника УЗК, что не обеспечивает достоверность и надежность измерений уровня.
Задачей настоящего изобретения является повышение надежности контроля уровня жидких сред в резервуарах за счет формирования информации о нарушении акустического контакта между волноводами излучателя и приемника УЗК и поверхностью стенок резервуара, исключающей недостоверные измерения уровня.
Более близким (прототипом) предложенному устройству является устройство [Л3].
От выбранного прототипа предложенное устройство отличается тем, что дополнительно введены новые элементы: установленный на волноводе первого излучателя второй приемник так, что расстояние между центрами их дисковых пьезопреобразователей не превышает двух диаметров пьезопреобразователей; установленный на волноводе первого приемника второй излучатель так, что расстояние между центрами их дисковых пьезпреобразователей не превышает двух диаметров пьезопреобразователей; установлены новые связи: первый компаратор, подключенный первым входом на выход первого пикового детектора; первый источник опорного напряжения, подключенный выходом на второй вход первого компаратора, соединенного своим выходом с первым входом первой суммирующей схемы «ИЛИ»; второй компаратор, подключенный первым входом на выход второго пикового детектора; второй источник опорного напряжения, подключенный выходом на второй вход второго компаратора, соединенного своим выходом с вторым входом первой суммирующей схемы «ИЛИ»; вторую суммирующую схему «ИЛИ», первым входом подключенную на выход второго приемника, вторым входом – на выход первого приемника, а выходом – на вход усилителя; второй регистратор, подключенный входом на выход интегратора.
Перечисленные отличия устройства позволяют повысить надежность контроля уровня жидких сред за счет исключения недостоверной информации при нарушении акустического контакта между излучателем и приемником УЗК и стенками резервуара.
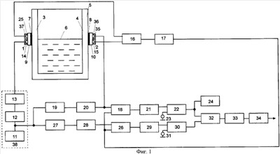
Функциональная схема устройства и импульсно – потенциальные диаграммы, поясняющие его работу, приведены на фиг.1, 2.
1 – первый излучатель УЗК
2 – первый приемник УЗК
3 – стенка резервуара с одной стороны резервуара
4 – стенка резервуара с другой стороны резервуара
5 – резервуар
6 – уровень жидкой среды
7 – контактный слой с одной стороны резервуара
8 – контактный слой с другой стороны резервуара
9 – волновод излучателя
10 – волновод приемника
11 – синхронизатор
12 – возбудитель
13 – усилитель мощности
14 – пьезопреобразователь первого излучателя
15 – пьезопреобразователь первого приемника
16 – вторая суммирующая схема «ИЛИ»
17 – усилитель
18 – первый селектор
19 – первый блок задержки
20 – первый формирователь
21 – первый пиковый детектор
22 – первый компаратор
23 – первый источник опорного напряжения
24 – первый регистратор
25 – пьезопреобразователь второго приемника
26 – второй селектор
27 – второй блок задержки
28 – второй формирователь
29 – второй пиковый детектор
30 – второй компаратор
31 – второй источник опорного напряжения
32 – первая суммирующая схема «ИЛИ»
33 – интегратор
34 – второй регистратор
35 – второй излучатель
36 – пьезопреобразователь второго излучателя
37 – второй приемник УЗК
38 – генератор
Устройство содержит четыре идентичных акустических пьезопреобразователя 14, 25, 15, 36, входящие в состав излучателей УЗК 1, 35 и приемников УЗК 2, 37, соответственно установленных на внешней поверхности резервуара на диаметрально противоположных стенках 3, 5 навстречу друг другу; последовательно соединенные синхронизатор 11, возбудитель 12, усилитель мощности 13, пьезопреобразователь первого излучателя 14; последовательно соединенные первый блок задержки 19, первый формирователь 20, первый селектор 18 (первый вход), первый пиковый детектор 21, первый компаратор 22 (первый вход), первый регистратор 24; последовательно соединенные второй блок задержки 27, второй формирователь 28, второй селектор 26 (первый вход), второй пиковый детектор 29, второй компаратор 30 (первый вход), причем вход второго блока задержки 27 подключен к выходу синхронизатора 11 и входу первого блока задержки 19; последовательно соединенные первая суммирующая схема «ИЛИ» 32, интегратор 33, второй регистратор 34, причем первый вход первой суммирующей схемы «ИЛИ» 32 подключен к выходу первого компаратора 22, а второй вход – к выходу второго компаратора 30; последовательно соединенные пьезопреобразователь 25 второго приемника 37, вторая суммирующая схема «ИЛИ» 16 (первый вход), усилитель 17, выходом подключенный на параллельно соединенные вторые входы первого и второго селекторов 18, 26; пьезопреобразователь первого приемика 15, выходом подключенный на второй вход второй суммирующей схемы «ИЛИ» 16; пьезопреобразователь второго излучателя 36, подключенный к выходу первого формирователя 20.
Работа устройства осуществляется следующим образом.
Первый излучатель 1 и первый приемник 2 устанавливают на внешней поверхности стенок 3, 4 резервуара 5 на уровне контроля 6 жидкой среды. Ультразвуковые колебания излучают и принимают через контактные слои 7, 8, обеспечивающие акустический контакт волноводов 9, 10 излучателя 1 и приемника 2 соответственно с поверхностями стенок 3, 4 резервуара 5. Возбуждают первый излучатель 1 по сигналам генератора 38, в состав которого входят синхронизатор 11, возбудитель 12 и усилитель мощности 13. Синхронизатор 11 вырабатывает периодическую последовательность тактовых импульсов (1а), которую через возбудитель 12 и усилитель мощности 13 направляют на пьезопреобразователь 14 первого излучателя 1. Если жидкая среда присутствует на контролируемом уровне 6, УЗК через стенки резервуара 3, 4 и контролируемую жидкость поступают на вход первого приемника 2. Принятые первым приемником 2 УЗК преобразуют с помощью его пьезопреобразователя 15 в электрический аналог (напряжение) (15 в). С выхода первого приемника 2 принятый сигнал подают через второй вход второй суммирующей схемы «ИЛИ» 16, на вход усилителя 17, обеспечивающего необходимый уровень усиления для последующей обработки и выделения полезного сигнала на фоне акустических и наведенных электрических помех (15В1). С этой целью с выхода усилителя 17 усиленный сигнал подают на второй вход первого селектора 18, а на первый вход первого селектора 18 – первый стробимпульс (20д). Первый стробимпульс (20д) формируют с помощью первого блока задержки 19 и первого формирователя 20. В первом блоке задержки 19 в каждом периоде следования тактовых импульсов (1а) вырабатывают по их передним фронтам импульс (19 г), длительность которого на (1-2) периода УЗК меньше времени прохождения первой продольной УЗВ пути от первого излучателя 1 к первому приемнику 2. По заднему фронту (спаду) импульса задержки (19 г) вырабатывают первый стробимпульс (20д). Длительность первого стробимпульса (20д) выбирают не менее четырех периодов УЗК принятого и усиленного сигнала (15 в). Выходной сигнал (18е) первого селектора 18 подают на вход первого пикового детектора 21. В первом пиковом детекторе 21 выделяют огибающую импульсного информационного сигнала об уровне (21 ж) и с его выхода подают на первый вход первого компаратора 22. На втором входе первого компаратора 22 задают постоянное напряжение отсечки (23и) с помощью первого источника опорного напряжения 23, нормирующее выходной импульс (23к) компаратора 22 по амплитуде. С выхода компаратора 22 нормированные по времени и амплитуде импульсы (22к) подают на вход первого регистратора 24, вырабатывающего информационный сигнал (24л) о достижении жидкой средой заданного уровня 6.
В случае нарушения контактного слоя 7 со стороны излучателя 1 на границе раздела – волновод 9 / контактный слой 7 – в результате высокого акустического сопротивления возникает первая продольная отраженная УЗВ. Эту волну принимают пьезопреобразователем 25 второго приемника 37, размещенного на волноводе 9 и отстоящего от пьезопреобразователя 14 первого излучателя 1 на расстоянии не более двух диаметров пьезопреобразователей между их центрами. С помощью пьезопреобразователя 25 второго приемника 37 осуществляют преобразование принятой первой отраженной УЗВ в электрический сигнал (напряжение) (25и), и направляют его на первый вход второй суммирующей схемы «ИЛИ» 16. При этом на ее выходе формируют сигнал только первой отраженной УЗВ (25и). Этот сигнал передают на вход усилителя 17 и после усиления направляют на второй вход второго селектора 26. На первый вход второго селектора 26 приводят второй стробимпульс (28о), который вырабатывают по сигналам (27и) второго блока задержки 27 и второго формирователя 28. Длительность второго стробимпульса (28о) выбирают не менее 4-х периодов собственных колебаний первой отраженной УЗВ. Время задержки второго стробимпульса (28о) выбирают меньше на 1-2 периода собственных колебаний первой отраженной УЗВ относительно времени распространения первой продольной УЗВ по волноводу 9 в прямом и обратном направлениях. При этом в точке отражения от границы раздела – волновод 9/ контактный слой 7 – первая продольная УЗВ трансформируется в первую отраженную продольную УЗВ, распространяющуюся в волноводе 9 со скоростью первой продольной УЗВ. Для того чтобы первая отраженная УЗВ попадала в “временные ворота”, заданные длительностью второго стробимпульса (28о), толщину волновода 9 выбирают согласно формуле
S=(1÷2)×V/F
где S – толщина волновода;
V – скорость УЗК в материале волновода;
F – частота УЗК первой отраженной УЗВ.
При этом длительность второго стробимпульса выбирают таким образом, чтобы его начало на 1-2 периода резонансной частоты первой продольной отраженной УЗВ опережало ее поступление на вход второго приемника, а его окончание не превышало 4-х периодов. Выделенный с помощью стробимпульса (28о) на выходе второго селектора 26 сигнал первой отраженной волны (26п) детектируют вторым пиковым детектором 29 и его огибающую (29е) направляют на первый вход второго компаратора 30. Порог срабатывания второго компаратора 30 задают на его втором входе с помощью второго источника опорного напряжения 31, уровень (31р) которого выбирают превышающим уровень акустических и наведенных на вход усилителя 17 электрических помех (15В1). На выходе второго компаратора 30 формируют последовательность нормированных импульсов (30 т). Эту последовательность импульсов подают на второй вход первой суммирующей схемы «ИЛИ» 32. С выхода первой суммирующей схемы «ИЛИ» 32 последовательность импульсов направляют в интегратор 33 и далее во второй регистратор 34, вырабатывающий сигнал (34у) в случае нарушения акустического контакта со стороны излучателя 1.
При нарушении контактного слоя 8 со стороны первого приемника 2 на его выходе формируют сигнал второй продольной отраженной УЗВ 15В2. Для этого на волноводе 10 первого приемника 2 размещают второй излучатель 35 с пьезопреобразователем 36 второго излучателя 35. Центр дискового пьезопреобразователя 36 второго излучателя 35 удаляют от центра дискового пьезопреобразователя 15 первого приемника 2 на расстояние не более двух диаметров пьезопреобразователей 15, 36. Под действием периодической последовательности импульсов вырабатываемых первым формирователем 20 в пьезопреобразователе 36 возбуждают УЗК, вводят их в волновод 10 в виде второй продольной УЗВ, которую направляют в контактный слой 8. В результате высокого акустического сопротивления контактного слоя 8 на границе раздела двух сред – волновод 10 / контактный слой 8 – получают отраженные УЗК, принимают их первым приемником 2 и на его выходе формируют вторую отраженную продольную УЗВ 15В2. С выхода первого приемника 2 сигнал второй отраженной УЗВ 15В2 направляют на второй вход второй суммирующей схемы «ИЛИ» 16. При этом на выходе второй суммирующей схемы «ИЛИ» 16 формируют сигнал только второй продольной отраженной УЗВ. Выходной сигнал второй суммирующей схемы «ИЛИ» 16 подают на вход усилителя 17 и после усиления с выхода первого усилителя 17 – на второй вход второго селектора 26. На первый вход второго селектора 26 подают первый стробимпульс 20д для того, чтобы выделить сигнал второй продольной отраженной УЗВ 15В2. Поскольку сигнал второй продольной отраженной УЗВ 15В2 распространяют в канале информационного сигнала 15 в и по времени он должен занять его местоположение, то толщину волновода 10 выбирают согласно формуле
S=(1÷2)×V/F
где S – толщина волновода;
V – скорость УЗК в материале волновода;
F – частота УЗК первой отраженной УЗВ.
После выделения сигнала второй продольной отраженной УЗВ на выходе второго селектора 26 его подвергают тем же преобразованиям, что и первый информационный сигнал 15в, а именно детектируют во втором пиковом детекторе 29 и сравнивают во втором компараторе 30 с пороговым напряжением второго источника опорного напряжения 31. С выхода второго компаратора 30 нормированный по амплитуде и времени сигнал второй продольной отраженной УЗВ 15В2 подают на второй вход первой суммирующей схемы «ИЛИ» 32, которая пропускает его на вход интегратора 33 и далее во второй регистратор 34, сигнализирующий о нарушении акустического контакта со стороны приемника 2.
Таким образом, при нарушении акустического контакта хотя бы в одном из контактных слоев 7 или 8 на выходе второго регистратора 34 формируют сигнал отсутствия акустического контакта.
Предложенное изобретение является новым, так как оно неизвестно из предшествующего уровня техники, относящейся к определению уровня или наличия жидких сред в технологических резервуарах, и использует неизвестный способ контроля уровня жидких сред с сигнализацией наличия акустического контакта между излучателем и приемником УЗК и поверхностью стенки резервуара, заключающийся в том, что первый излучатель и первый приемник размещают на диаметрально противоположных стенках резервуара, периодически возбуждают первую продольную УЗВ в первом излучателе и вводят ее в стенку резервуара под углом 90° к ее поверхности, принимают первую продольную УЗВ первым приемником, выделяют амплитуду, детектируют, формируют пороговый сигнал, формируют периодическую последовательность нормированных по времени и амплитуде импульсов, интегрируют их и формируют сигнализирующий сигнал о достижении регламентируемого уровня, дополнительно размещают на общем волноводе с первым излучателем второй приемник УЗВ на расстоянии не более двух диаметров между центрами их пьезопреобразователей, принимают вторым приемником первую отраженную продольную УЗВ, полученную из первой продольной УЗВ в результате отражения от границы раздела – волновод первого излучателя / контактный слой; формируют временной интервал приема первой продольной отраженной УЗВ вторым приемником таким образом, чтобы его начало на один-два периода резонансной частоты первой продольной отраженной УЗВ опережало ее поступление на вход второго приемника, а его окончание не превышало по времени 4-х периодов ее резонансной частоты; дополнительно размещают на общем волноводе с первым приемником второй излучатель на расстоянии не более двух диаметров между центрами их пьезопреобразователей, возбуждают второй излучатель по сигналу, опережающему момент поступления первой продольной УЗВ на вход первого приемника на один-два периода ее собственной резонансной частоты, принимают вторую продольную отраженную УЗВ первым приемником, полученную в результате отражения второй продольной УЗВ от границы раздела – волновод первого излучателя / контактный слой – выбирают толщину и материал волноводов излучателей и приемников таким образом, чтобы вторая отраженная продольная УЗВ поступала на вход первого приемника в момент прихода на его вход первой продольной УЗВ, объединяют первую и вторую продольные отраженные УЗВ, усиливают их, выделяют амплитуду, детектируют, формируют периодическую последовательность нормированных по времени и по амплитуде импульсов, суммируют в втором логическом сумматоре «ИЛИ» и при наличии на выходе сумматора хотя бы одной последовательности импульсов интегрируют их и формируют сигнализирующий сигнал о нарушении акустического контакта со стороны первого излучателя или первого приемника.
Предложенные изобретения имеют новизну, имеют изобретательский уровень, содержат новые элементы и стадии, так как они используют неизвестные способ и устройство, повышающие надежность и точность контроля уровня жидких сред в технологических резервуарах за счет контроля с помощью продольных УЗВ акустического контакта между волноводами излучателей и приемников и стенками резервуара, исключают недостоверную информацию об уровне в случае нарушения акустического контакта.
Предложенное устройство контроля уровня жидких сред в резервуарах с сигнализацией наличия акустического контакта между излучателем и приемником ультразвуковых колебаний УЗК и поверхностью стенки резервуара, содержащее два идентичных акустических преобразователя (первый излучатель и первый приемник УЗК), установленные на внешней поверхности резервуара на фиксированном расстоянии навстречу друг другу, последовательно соединенные синхронизатор, возбудитель, усилитель мощности, первый акустический преобразователь; последовательно соединенные первый блок задержки, первый формирователь, первый селектор (первый вход), первый пиковый детектор; последовательно соединенные второй блок задержки, второй формирователь, второй селектор (первый вход), второй пиковый детектор, причем вход второго блока задержки подключен к выходу синхронизатора и входу первого блока задержки; приемный усилитель, выходом подключенный на вторые входы первого и второго селекторов; последовательно соединенные первая суммирующая схема «ИЛИ», интегратор; первый регистратор, отличающееся тем, что дополнительно введены: установленный на волноводе первого излучателя второй приемник так, что расстояние между центрами их дисковых пьезопреобразователей не превышает двух диаметров пьезопреобразователей; установленный на волноводе первого приемника второй излучатель так, что расстояние между центрами их дисковых пьезпреобразователей не превышает двух диаметров пьезопреобразователей; причем первый формирователь и пьезопреобразователь второго излучателя установлены с возможностью возбуждения УЗК в пьезопреобразователе второго излучателя под действием периодической последовательности импульсов, вырабатываемых первым формирователем; первый компаратор, подключенный первым входом на выход первого пикового детектора; первый источник опорного напряжения, подключенный выходом на второй вход первого компаратора, соединенного своим выходом с первым входом первой суммирующей схемы «ИЛИ»; при этом первый компаратор и первый регистратор установлены с возможностью подачи с выхода первого компаратора на вход первого регистратора нормированных по времени и амплитуде импульсов; второй компаратор, подключенный первым входом на выход второго пикового детектора; второй источник опорного напряжения, подключенный выходом на второй вход второго компаратора, соединенного своим выходом с вторым входом первой суммирующей схемы «ИЛИ»; вторую суммирующую схему «ИЛИ», первым входом подключенную на выход второго приемника, вторым входом – на выход первого приемника, а выходом – на вход приемного усилителя; второй регистратор, подключенный входом на выход интегратора.
Предложенные изобретения применимы в промышленности для контроля уровня жидких сред в пневмогидроаккумуляторах насосно-аккумуляторных станций кузнечно-прессового, прессово-прокатного, трубопрокатного производств, в емкостях с жидким хлором, аммиаком; в промсосудах с концентрированными кислотами и т.д.
Литература
1. Патент США 4145917, НКИ 73/53, 73/32R, 73/67.5R, 1959 г.
2. Патент 2123172, G01F 23/296, 1998 г.
3. Патент 2134868, G01F 23/28, 1997 г.
Формула изобретения
1. Способ контроля уровня жидких сред с сигнализацией наличия акустического контакта между излучателем и приемником ультразвуковых колебаний УЗК и поверхностями стенок резервуара, заключающийся в том, что в стенку резервуара под определенным углом к ней с помощью первого акустического излучателя вводят первую продольную ультразвуковую волну (УЗВ), принимают первую УЗВ первым акустическим приемником и используют ее амплитуду в качестве информационного сигнала об уровне, отличающийся тем, что угол ввода первой продольной УЗВ в стенку резервуара выбирают равным 90°; первый приемник и первый излучатель размещают на диаметрально противоположных стенках резервуара; второй приемник размещают на общем волноводе с первым излучателем на расстоянии друг от друга не более двух диаметров между центрами их пьезопреобразователей; второй излучатель УЗВ размещают на общем волноводе с первым приемником на расстоянии не более двух диаметров между их пьезопреобразователями; принимают первую отраженную продольную УЗВ, полученную в результате отражения первой продольной УЗВ от границы раздела – волновод первого излучателя / контактный слой; формируют временной интервал приема первой продольной отраженной УЗВ вторым приемником таким образом, чтобы его начало на один-два периода резонансной частоты первой продольной отраженной УЗВ опережало ее поступление на вход второго приемника, а его окончание не превышало по времени 4-х периодов ее резонансной частоты, возбуждают второй излучатель по сигналу, опережающему поступление первой продольной УЗВ на вход первого приемника на один-два периода ее собственной резонансной частоты; принимают первым приемником вторую продольную отраженную УЗВ, полученную в результате отражения второй продольной УЗВ от границы раздела волновод первого излучателя/контактный слой; выбирают толщину и материал волноводов приемников и излучателей таким образом, чтобы вторая продольная отраженная УЗВ поступала на вход первого приемника в момент прихода на его вход первой продольной УЗВ.
2. Устройство контроля уровня жидких сред в резервуарах с сигнализацией наличия акустического контакта между излучателем и приемником ультразвуковых колебаний УЗК и поверхностями стенок резервуара, содержащее два идентичных акустических преобразователя (первый излучатель и первый приемник УЗК), установленные на внешней поверхности резервуара на фиксированном расстоянии, навстречу друг другу, последовательно соединенные синхронизатор, возбудитель, усилитель мощности, первый акустический преобразователь; последовательно соединенные первый блок задержки, первый формирователь, первый селектор (первый вход), первый пиковый детектор; последовательно соединенные второй блок задержки, второй формирователь, второй селектор (первый вход), второй пиковый детектор, причем вход второго блока задержки подключен к выходу синхронизатора и входу первого блока задержки; усилитель, выходом подключенный на вторые входы первого и второго селекторов; последовательно соединенные первая суммирующая схема «ИЛИ» и интегратор; первый регистратор, отличающееся тем, что дополнительно введены: установленный на волноводе первого излучателя второй приемник, так, что расстояние между центрами их дисковых пьезопреобразователей не превышает двух диаметров пьезопреобразователей; установленный на волноводе первого приемника второй излучатель так, что расстояние между центрами их дисковых пьезопреобразователей не превышает двух диаметров пьезопреобразователей, причем первый формирователь и пьезопреобразователь второго излучателя установлены с возможностью возбуждения УЗК в пьезопреобразователе второго излучателя под действием периодической последовательности импульсов, вырабатываемых первым формирователем; первый компаратор, подключенный первым входом на выход первого пикового детектора; первый источник опорного напряжения, подключенный выходом на второй вход первого компаратора, соединенного своим выходом с первым входом первой суммирующей схемы «ИЛИ», при этом первый компаратор и первый регистратор установлены с возможностью подачи с выхода первого компаратора на вход первого регистратора нормированных по времени и амплитуде импульсов; второй компаратор, подключенный первым входом на выход второго пикового детектора; второй источник опорного напряжения, подключенный выходом на второй вход второго компаратора, соединенного своим выходом со вторым входом первой суммирующей схемы «ИЛИ»; вторую суммирующую схему «ИЛИ», первым входом подключенную на выход второго приемника УЗК, вторым входом на выход первого приемника УЗК, а выходом – на вход усилителя; второй регистратор, подключенный входом на выход интегратора».
РИСУНКИ
|
|