|
|
(21), (22) Заявка: 2008129017/28, 03.07.2008
(24) Дата начала отсчета срока действия патента:
03.07.2008
(46) Опубликовано: 10.01.2010
(56) Список документов, цитированных в отчете о поиске:
RU 73729 U1, 27.05.2008. SU 964585 A2, 07.10.1982. RU 93014300 A, 27.07.1995. RU 2132042 C1, 20.06.1999. SU 1380590 A1, 30.03.1994.
Адрес для переписки:
197046, Санкт-Петербург, ул.Малая Посадская, 30, Заместителю ген.директора по экономике и финансам ОАО “Концерн “ЦНИИ “Электроприбор”, А.Б.Попову
|
(72) Автор(ы):
Корниенко Владимир Яковлевич (RU), Маковеев Вячеслав Борисович (RU), Попов Анатолий Борисович (RU), Ракин Николай Львович (RU), Савик Валентин Феодосьевич (RU), Степанов Алексей Петрович (RU), Янушкевич Владимир Евгеньевич (RU)
(73) Патентообладатель(и):
Открытое акционерное общество “Концерн “Центральный научно-исследовательский институт “Электроприбор” (RU)
|
(54) АСТРОНАВИГАЦИОННАЯ СИСТЕМА
(57) Реферат:
Изобретение относится к области астронавигационных систем, предназначенных для определения стабилизированных угла места и курсового угла на астроориентир, на основании которых определяют поправку курсоуказания и свое местоположение. Техническим результатом изобретения является минимизация числа чувствительных элементов, обеспечивающих заданную погрешность определения поправки курсоуказания и своего местоположения. Система содержит триаду акселерометров, визирующее устройство с датчиками нестабилизированных угла места и курсового угла, блок первичной выработки углов качки, блок прямого преобразования с тремя входами и двумя выходами и блок обратного преобразования с двумя входами, а также Фурье-анализатор с двумя входами и суммирующее устройство. Акселерометры соединены с первым входом Фурье-анализатора и блоком первичной выработки углов качки, выход которого соединен с блоком прямого преобразования. Датчики угла соединены со вторыми входами блоков прямого и обратного преобразований. Соответствующие входы и выходы блоков прямого и обратного преобразований соединены так, что образуется замкнутый контур уточнения углов качки. Выход блока обратного преобразования соединен со вторым входом Фурье-анализатора и через суммирующее устройство – с выходом Фурье-анализатора, образуя контур выработки поправок. Первый выход блока прямого преобразования является выходом всей системы. 1 ил.
Изобретение относится к области астронавигационных систем [Г.Квазиус, Ф.Маккэнлесс. “Проектирование систем астронавигации”. – М.: Мир, 1970, с.127-133], предназначенных для определения стабилизированных угла места и курсового угла на астроориентир, на основании которых определяют поправку курсоуказания и свое местоположение.
Известны системы, например “Оптический измерительный прибор с угломером” по патенту RU 2089852 (БИ 25 10.09.97), в которых плоскость горизонта строится непосредственно в месте расположения визирующего устройства с помощью пузырькового уровня. Недостатком таких секстанов является сложность определения положения горизонта на фоне колебаний пузырька.
Для сглаживания колебаний чувствительного элемента используются гироскопы и интеграторы, например в “Гироскопическом интегрирующем морском секстане” ГИМС-3 или “Интегрирующем авиационном секстане” ИАС-1 [Радкевич Л.П., Беляева М.П. “Ручные навигационные секстаны” “Оптико-механическая промышленность”, 1975, 2, с.58-59].
Недостатком всех этих устройств является невозможность определения курсового угла с точностью, необходимой для определения поправки курсоуказания.
Известны принятые за прототип астроинерциальные системы [Г.Квазиус, Ф.Маккэнлесс. “Проектирование систем астронавигации”. – М.: Мир, 1970, с.127-133], в которых высота светила измеряется относительно приборной плоскости горизонта, создаваемой инерциальной системой. Основным недостатком прототипа является то, что он помимо оптико-механической части оснащен достаточно сложной и дорогой системой с гироскопами и акселерометрами, создающими большой объем избыточной информации, не обеспечивающей эквивалентного снижения погрешностей.
Задача, которую решает данное изобретение, заключается в минимизации числа чувствительных элементов, обеспечивающих заданную погрешность определения поправки курсоуказания и своего местоположения.
Поставленная задача решается тем, что в непосредственной близости к визирующему устройству устанавливается ортогональная триада акселерометров.
Акселерометры так же, как и установленные на осях карданова подвеса датчики угла, соединены с вычислительным устройством, содержащим блок первичной выработки углов качки, блок прямого преобразования с тремя входами и двумя выходами, Фурье-анализатор с двумя входами, блок обратного преобразования с двумя входами и суммирующее устройство.
Перечисленные элементы соединены между собой, образуя систему вычисления высоты светила и курсового угла на него, выходом которой является первый выход блока прямого преобразования. Акселерометры соединены с первым входом Фурье-анализатора и с блоком первичной выработки углов качки, выход которого соединен с первым входом блока прямого преобразования, второй вход последнего, как и второй вход блока обратного преобразования, соединен с датчиками углов. Замкнутый контур уточнения углов качки образуется за счет последовательного соединения второго выхода блока прямого преобразования с первым входом блока обратного преобразования и выхода последнего – с третьим входом блока прямого преобразования. Блок обратного преобразования с Фурье-анализатором и суммирующим устройством образуют контур поправок путем соединения выхода блока обратного преобразования с вторым входом Фурье-анализатора, выход которого подключен к суммирующему устройству.
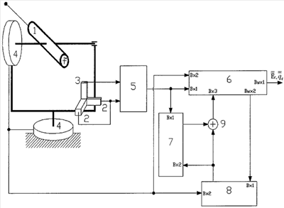
Сущность изобретения поясняется чертежом, на котором представлена структурная схема астронавигационной системы. В ее состав входят:
1 – визирующее устройство в кардановом подвесе, содержащее матричный преобразователь ([О.Н.Анучин, И.Э.Комарова, Л.Ф.Порфирьев. «Бортовые системы навигации и ориентации искусственных спутников Земли». – СПб.: ГНЦ РФ ЦНИИ «Электроприбор», 2004, с.238-245]), предназначенный для определения положения объекта относительно оси визирования, определяемого углами Еk, qk;
2 – акселерометры с горизонтальной осью чувствительности, предназначенные для измерения ускорений Wx, Wy, содержащих информацию об углах е, наклона вилки карданова подвеса относительно горизонта;
3 – акселерометр с вертикальной осью чувствительности (вертикальный акселерометр), предназначенный для измерения ускорения Wz, содержащего информацию об ускорении орбитального движения Woд (орбитальном движении корабля);
4 – датчики нестабилизированных углов места Еk и курсового угла qk, измеренных в наклонной системе координат ([С.С.Ривкин “Стабилизация измерительных устройств на качающемся основании”. – М.: Наука, 1978, с.123]), предназначенные для измерения углов поворота карданова подвеса;
5 – блок первичной выработки углов качки, предназначенный для грубого определения углов качки ;
6 – блок прямого преобразования ([С.С.Ривкин “Стабилизация измерительных устройств на качающемся основании”. – М.: Наука, 1978, с.56]), предназначенный для вычисления стабилизированных угла места и курсового угла , измеряемых в горизонтной системе координат. В этом блоке производится осреднение мгновенных значений углов Еc и qc для получения их математических ожиданий . Для улучшения сходимости процесса вычислений осуществляется осреднение накопленных в процессе вычислений значений и получение ;
7 – Фурье-анализатор, предназначенный для выработки поправок на ускорение орбитального движения
после анализа спектрального состава и фазовых сдвигов углов качки и орбитального движения ;
8 – блок обратного преобразования, предназначенный для выработки углов качки е2 и 2 на основе полученных значений и 
;
9 – суммирующее устройство, предназначенное для добавления поправок, выработанных Фурье-анализатором, в сигнал блока обратного преобразования.
Система работает следующим образом.
В процессе обсервации на астроориентир наводится визирующее устройство 1 (телескоп, антенна и т.д.). Направление на объект определяется с помощью датчиков угла 4 и матричного преобразователя, находящегося в визирующем устройстве 1. Визирующее устройство 1 помещено в двухосный высотно-азимутальный карданов подвес, на осях которого имеются датчики угла высоты Еkн и курсового угла qkн 4. На азимутальной оси карданова подвеса в непосредственной близости к визирующему устройству 1 устанавливаются два акселерометра с горизонтальными осями чувствительности 2 и один акселерометр 3 с вертикальной осью чувствительности. Триада акселерометров поворачивается относительно диаметральной плоскости корабля на курсовой угол qkн. При этом в сигналах акселерометров




где L – отстояние от центра качаний,
Wxн, Wyн – сигналы горизонтальных акселерометров,
Wzн – сигнал вертикального акселерометра,
содержится информация об углах качки в плоскости наклона оси визирования е и в плоскости наклона оси цапф , зашумленная переменными переносными ускорениями и систематической составляющей, зависящей от связи углов качки и ускорения орбитального движения.
Сигналы акселерометров 2, 3 и датчиков угла 4 подаются в вычислитель, состоящий из элементов 5, 6, 7, 8, 9, с целью сглаживания шума и исключения систематических составляющих из сигналов акселерометров 2.
При обсервации происходит накопление массива данных. Вычисления производятся после обсервации. Результаты вычислений относятся к моменту времени, соответствующему середине обсервации.
Поворот карданова подвеса вокруг азимутальной и высотной осей приводит визирующее устройство в положение, при котором его визирная ось направлена на астроориентир с погрешностями Еk и qk. Величина этих погрешностей определяется с помощью матричного преобразователя, находящегося в блоке 1. Так как из-за наличия погрешности qk оси чувствительности акселерометров 2 не лежат в плоскости визирования объекта, проходящей через направление на светило и азимутальную ось подвеса, необходимо преобразовать показания акселерометров, связав их с этой плоскостью и получив значения ускорений

где [ qk] – матрица направляющих косинусов, соответствующая повороту на угол qk.
В блоке первичной выработки углов качки 5 осуществляется преобразование координат для выполнения вышеуказанного требования, и первичная выработка углов качки е1 – в наклонной плоскости визирования и 1 – в вертикальной плоскости, перпендикулярной плоскости визирования.
Вычисленные в блоке 5 углы качки е1, 1 подаются в блок прямого преобразования 6, в котором осуществляется вычисление мгновенных значений высоты светила – стабилизированного Ес и курсового угла на светило – стабилизированного qc


При пеленговании астрономических объектов величины Ес и qc изменяются с частотой вращения Земли, следовательно, за время обсервации можно прибегнуть к линейной интерполяции, предположив, что скорость их изменения постоянна, а средние величины, отнесенные к середине интервала обсервации – константы. Эти константы и вычисляются в этом же блоке 6 прямого преобразования. Вычисляя е2 и 2 в блоке обратного преобразования 8 по константам и и переменным сигналам датчиков угла Еk и qk, получим новые значения качки, свободные от помехи, вызванной переносным движением.
Систематическая погрешность определяется в Фурье-анализаторе 7 как среднее значение произведения гармонических составляющих углов качки на ускорение орбитального движения с учетом разности фаз. Разделение углов качки на гармонические составляющие и определение амплитуд и фаз качки и орбитального движения осуществляется в этом же блоке 7. Вычисленные погрешности в виде поправок вводятся через суммирующее устройство в сигнал блока 8.
Вычисления в соответствии с приведенной схемой дают колебательно-сходящийся процесс, поэтому для ускорения схождения реализуется в блоке 6 алгоритм, обеспечивающий осреднение результатов 2-3 итераций.
Технико-экономические преимущества заявленной схемы по сравнению с прототипом заключаются в минимизации количества чувствительных элементов, используемых для решения задач определения поправки курсоуказания и своего местоположения методами пеленгования, при сохранении необходимых точностных характеристик системы. Моделирование показало, что погрешности определения высоты и курсового угла уменьшаются, по сравнению с простым осреднением, на два порядка, в частности при углах качки до 12° погрешности не превышают долей угловых минут.
Формула изобретения
Астронавигационная система, содержащая триаду акселерометров и визирующее устройство с датчиками нестабилизированных угла места и курсового угла, отличающаяся тем, что в систему введен блок первичной выработки углов качки, блок прямого преобразования с тремя входами и двумя выходами, Фурье-анализатор с двумя входами, блок обратного преобразования с двумя входами и суммирующее устройство, причем акселерометры соединены с блоком первичной выработки углов качки, выход которого соединен с первым входом блока прямого преобразования, второй вход которого, как и второй вход блока обратного преобразования, соединен с датчиками углов, Фурье-анализатор установлен с возможностью выработки поправок на ускорение орбитального движения, как среднего значения произведения гармонических составляющих углов качки, определяемых блоком первичной выработки углов качки, второй выход блока прямого преобразования соединен с первым входом блока обратного преобразования, выход которого соединен с третьим входом блока прямого преобразования, образуя замкнутый контур уточнения углов качки, выход блока обратного преобразования соединен также со вторым входом Фурье-анализатора и через суммирующее устройство с выходом Фурье-анализатора, образуя контур выработки поправок, первый выход блока прямого преобразования является выходом всей системы.
РИСУНКИ
|
|