|
|
(21), (22) Заявка: 2007136042/06, 01.03.2005
(24) Дата начала отсчета срока действия патента:
01.03.2005
(43) Дата публикации заявки: 10.04.2009
(46) Опубликовано: 10.01.2010
(56) Список документов, цитированных в отчете о поиске:
JP 3001060 U, 08.06.1994. JP 2003336964 A, 28.11.2003. US 4498303 A, 12.02.1985. SU 44257 A, 30.09.1935.
(85) Дата перевода заявки PCT на национальную фазу:
01.10.2007
(86) Заявка PCT:
JP 2005/003387 20050301
(87) Публикация PCT:
WO 2006/092847 20060908
Адрес для переписки:
129010, Москва, ул. Б.Спасская, 25, стр.3, ООО “Юридическая фирма Городисский и Партнеры”, пат.пов. А.В.Мицу
|
(72) Автор(ы):
АБЕ Тосихиро (JP)
(73) Патентообладатель(и):
АБЕ Тосихиро (JP)
|
(54) СПОСОБ СЖИЖЕНИЯ ДИОКСИДА УГЛЕРОДА И УСТРОЙСТВО ДЛЯ ИЗВЛЕЧЕНИЯ
(57) Реферат:
Устройство для извлечения диоксида углерода включает в себя герметичную емкость 1, позволяющую накапливать сжиженный диоксид углерода, полый ротатор 10, установленный с возможностью вращения в емкости 1 и снабженный множеством струйных отверстий 11 по его внешней периферии, участок привода 20, предназначенный для вращения ротатора 10, участок привода, который приводит во вращение ротатор, участок подачи воздуха, который сообщается с ротатором для подачи всосанного воздуха в ротатор при охлаждении воздуха, участок отвода 40, который выпускает ненужные газы из ротатора 10, элемент ввода жидкого азота 50, выполненный с возможностью ввода жидкого азота, участок подачи жидкого азота 60, выполненный с возможностью подачи жидкого азота, и насос 80, приспособленный для отбора сжиженной углекислоты, которая сжижена в емкости 1. В ротаторе 10 диоксид углерода отделяют от всосанного воздуха, сжимают и собирают под воздействием центробежной силы. Кроме того, диоксид углерода, сжатый и собранный на внешней периферийной стороне ротатора, вводят из множества струйных отверстий 11 в емкость 1 вместе с жидким азотом, и в емкости 1 осуществляется теплообмен между диоксидом углерода и жидким азотом с целью сжижения диоксида углерода. Использование изобретения позволит эффективно сжижать и извлекать небольшое количество диоксида углерода из газов. 13 з.п. ф-лы, 7 ил.
ОБЛАСТЬ ТЕХНИКИ, К КОТОРОЙ ОТНОСИТСЯ ИЗОБРЕТЕНИЕ
Настоящее изобретение относится к способу сжижения диоксида углерода и устройству для улавливания диоксида углерода, в котором диоксид углерода (СO2, углекислый газ) выбрасывается в атмосферу и, будучи смешан с воздухом, улавливается и подвергается сжижению.
ПРЕДПОСЫЛКИ К СОЗДАНИЮ ИЗОБРЕТЕНИЯ
Обычно диоксид углерода вырабатывается при дыхании животных, сжигании ископаемого топлива, такого как нефть и уголь и тому подобном. В последнее время выделение диоксида углерода быстро возрастает с ростом парникового эффекта поглощения тепла, испускаемого землей. Поэтому возникает проблема глобального потепления, связанная с ростом концентрации диоксида углерода. Для решения этой проблемы ведется расширение исследований в направлении улавливания и сжижения диоксида углерода с последующим погружением и удерживанием сжиженного диоксида углерода в глубинах моря.
Улавливание диоксида углерода осуществляется, например, в котле, который генерирует большое количество диоксида углерода. Например, в качестве устройства улавливания диоксида углерода в котле известно устройство, описанное в патентном документе 1. В этом устройстве в середине вытяжного канала котла помещается окислительное устройство, которое окисляет входящие в состав отходящего газа монооксид азота, диоксид серы и тому подобное для получения диоксида азота и триоксида серы. На стороне выпуска окислительного устройства помещен охлаждающий блок, в котором отходящий газ, окисленный в окислительном устройстве, охлаждают до конденсации и в котором отдельно присутствует вода, в которую для разбавления подают диоксид азота и триоксид серы, которые удаляют затем в форме азотной и серной кислоты. На стороне выпуска охлаждающего блока расположено устройство сжижения диоксида углерода, в котором сжимают и охлаждают отходящий газ с целью сжижения диоксида углерода. Кроме того, в устройстве сжижения диоксида углерода отходящий газ сжимают и охлаждают для сжижения диоксида углерода, а остальные компоненты отходящего газа, от которого отделяют диоксид углерод, то есть кислород и азот, удаляют такими, как они есть, или используют для других целей.
Прежде различные газы, такие как кислород, азот и аргон, и эти же газы в сжиженной форме производились путем сжижения, ректификации и разделения воздуха как исходного материала. В качестве устройства для сжижения и разделения воздуха, которое сжижает и разделяет воздух таким образом, известно устройство, описанное, например, в патентном документе 2. В этом устройстве исходный воздух, сжатый компрессором, охлаждают охлаждающей водой и охлажденный воздух после этого вводят в поглотительный блок и очищают в нем. Далее воздух охлаждают и ректифицируют для выделения кислорода, азота и тому подобного. В этом устройстве для сжижения и разделения воздуха вода, диоксид углерода и тому подобные составляющие исходного воздуха поглощаются и удаляются с помощью абсорбента поглотительного блока.
Патентный документ 1: Опубликованная японская патентная заявка 5-168853; и
Патентный документ 2: Опубликованная японская патентная заявка 6-82156.
ОПИСАНИЕ ИЗОБРЕТЕНИЯ
ПРОБЛЕМЫ, КОТОРЫЕ ДОЛЖНО РЕШИТЬ ИЗОБРЕТЕНИЕ
Автор настоящего изобретения изучал способ непосредственного извлечения и сжижения диоксида углерода из воздуха. Для выполнения этого способа можно предложить обработку воздуха путем использования, например, описанного выше устройства для извлечения диоксида углерода, однако в воздухе содержание диоксида углерода весьма невелико, составляя меньше 1%. Поэтому существует проблема, заключающаяся в том, что даже в случае, когда воздух подвергнут сжатию и сжижению в устройстве сжижения диоксида углерода, эффективность извлечения низка, и поэтому устройство не может применяться для этих целей.
Кроме того, в упомянутом выше устройстве сжижения и разделения воздуха диоксид углерода поглощается и удаляется с помощью абсорбента поглотительного блока. Поэтому только диоксид углерода не может быть отобран и подвергнут сжижению, и поэтому устройство не вполне подходит для применения. Однако, даже если воздух ректифицируют без поглощения диоксида углерода, другие газы должны сжиматься и охлаждаться вместе, и поэтому существует проблема, связанная с низкой эффективностью извлечения.
Настоящее изобретение разработано с учетом указанных проблем, и его целью является предложение способа сжижения диоксида углерода и устройства для извлечения диоксида углерода, при котором небольшое количество диоксида углерода, содержащегося в газе типа воздуха, можно избирательно и эффективно подвергнуть сжижению и извлечению.
СРЕДСТВО РЕШЕНИЯ ПРОБЛЕМ
Для достижения указанной цели первая особенность настоящего изобретения направлена на способ сжижения диоксида углерода, который содержит подачу диоксида углерода или газа, содержащего диоксид углерода, в емкость; подачу жидкого азота в емкость; и выполнение теплообмена между диоксидом углерода и жидким азотом в емкости с целью сжижения диоксида углерода.
В результате для извлечения сжиженного диоксида углерода в емкость подают диоксид углерода или газ, содержащий диоксид углерода, и жидкий азот, в емкости осуществляется теплообмен между диоксидом углерода и жидким азотом, поданным таким образом, и диоксид углерода сжижают таким образом, чтобы он мог стекать в нижнюю часть емкости. В этом случае диоксид углерода может быть подвергнут сжижению, и не только большое количество диоксида углерода, но и, например, незначительное количество диоксида углерода, включенное в состав воздуха, может быть подвергнуто избирательному и эффективному сжижению. Другие газы, отличающиеся от сжиженного диоксида углерода, могут быть выпущены наружу.
Кроме того, для достижения указанной цели вторая особенность настоящего изобретения может быть направлена на устройство для извлечения диоксида углерода, которое содержит герметичную емкость, предназначенную для хранения сжиженного диоксида углерода в нижней его части; полый ротатор, который размещается с возможностью вращения в емкости и который сконструирован таким образом, чтобы всасывать воздух и отделять, сжимать и собирать диоксид углерода на наружной периферийной стороне за счет центробежной силы и в котором отделенный, сжатый и собранный диоксид углерода вводят (вдувают) вместе с жидким азотом в емкость через множество струйных отверстий, расположенных на его внешней периферии, выполняя таким образом в емкости теплообмен между диоксидом углерода и жидким азотом для сжижения диоксида углерода; участок привода, который приводит во вращение ротатор; участок подачи воздуха, который сообщается с ротатором для подачи всосанного воздуха в ротатор при охлаждении воздуха; участок отвода, который выпускает ненужные газы из ротатора; элемент ввода жидкого азота, расположенный на ротаторе и приспособленный для ввода (вдувания) жидкого азота из струйных отверстий ротатора в ротатор; участок подачи жидкого азота, который подает жидкий азот к элементу ввода жидкого азота; и насос, приспособленный для отбора сжиженного диоксида углерода, который сжижен в емкости и накапливается в нижней части емкости.
В результате сжиженный диоксид углерода извлекают следующим образом. Ротатор обычно приводится во вращение участком привода, сжиженный жидкий азот подводят из участка подачи жидкого азота к элементу ввода жидкого азота, и жидкий азот вдувают из элемента ввода жидкого азота в ротатор. Когда этот ротатор вращается, в него поступает воздух, и поступивший воздух подвергается сжатию в ротаторе под воздействием центробежных сил. В результате происходит отделение, сжатие и накопление диоксида углерода по наружной периферийной стороне ротатора. Ненужные газы выпускают из ротатора через участок отвода.
Затем диоксид углерода, сжатый и собранный на внешней периферийной стороне ротатора, вводят из множества струйных отверстий, расположенных по внешней периферии ротатора, в емкость вместе с жидким азотом, вводимым из струйных отверстий элемента ввода жидкого азота. В емкости осуществляется теплообмен между диоксидом углерода и вводимым таким образом жидким азотом, а диоксид углерода сжижают для стекания вниз в нижнюю часть емкости. В этом случае, поскольку сжижается только сжатый и собранный диоксид углерода, незначительное количество диоксида углерода, содержащееся в воздухе, избирательно и эффективно сжижается. После этого сжиженный диоксид углерода, сжиженный в емкости и накопленный в нижней части емкости, отсасывают насосом.
Кроме того, в настоящем устройстве внутренняя стенка ротатора снабжается лопастями, которые вращаются для центробежного сжатия воздуха. В этом случае воздух механически сжимается лопастями, в связи с чем устройство упрощается, а воздух легко всасывается.
Кроме того, в настоящем устройстве участок подачи жидкого азота включает в себя компрессор, в котором азот, испарившийся в емкости, улавливается и сжимается, и конденсатор, в котором азот, сжатый компрессором, охлаждается и сжижается, и жидкий азот, сжиженный конденсатором, вновь подается к элементу ввода жидкого азота, для циркуляции азота с целью его использования.
Затем жидкий азот, вдуваемый в емкость из множества струйных отверстий, расположенных по внешней периферии ротатора, подвергается теплообмену между жидким азотом и диоксидом углерода, находящимся в емкости, так что азот испаряется. Затем азот всасывается компрессором и направляется в конденсатор, где он охлаждается и сжижается конденсатором, и вновь подается в элемент ввода жидкого азота. Поэтому азот циркулирует для практического использования, в связи с чем нет необходимости дополнительной подачи жидкого азота, и соответственно улучшается эффективность обработки.
В этом случае конденсатор эффективен, когда создан как система охлаждения азота воздухом путем использования отработавшего воздуха, выпускаемого через участок отвода. Поскольку азот охлаждают воздухом за счет теплообмена между азотом и отработавшим воздухом конденсатора, улучшается термический кпд и обеспечивается экономия энергии.
Кроме того, в указанном случае конденсатор также эффективен, когда создан как система охлаждения азота водой с использованием холодной воды, охлажденной в емкости. Поскольку азот является водоохлаждаемым в конденсаторе с использованием холодной воды, охлаждаемой в емкости, термический кпд улучшается и обеспечивается экономия энергии.
Кроме того, в настоящем устройстве ротатор помещается с возможностью вращения в емкости, верхняя часть ротатора снабжена отверстием, а трубчатый башенный элемент, который сообщается с отверстием ротатора, вертикально располагается в верхней части емкости, с герметично закрытым отверстием; участок подачи воздуха включает в себя трубу подвода воздуха, расположенную в башенном элементе и имеющую в своем верхнем конце проем для поступления воздуха, в который подается воздух, и имеющую в своем нижнем конце проем для вытекания воздуха, который открывается в емкости и через который выпускают воздух; участок отвода включает в себя выпускной путь, расположенный в башенном элементе и выполненный снаружи трубы подвода воздуха; и участок подачи жидкого азота включает в себя трубу подачи жидкого азота, которая располагается в трубе подвода воздуха и предназначена для подачи жидкого азота к элементу ввода жидкого азота.
В результате при вращении ротатора воздух циркулирует в трубе подвода воздуха для поступления в ротатор. В ходе этого процесса воздух, протекающий через трубу подвода воздуха, охлаждается отходящим воздухом в выпускном пути, и воздух, протекающий через трубу подвода воздуха, охлаждается трубой подачи жидкого азота участка подачи жидкого азота. Поэтому термический кпд улучшается и обеспечивается экономия энергии.
Кроме того, в настоящем устройстве ротатор помещается с возможностью вращения в емкости; верхняя часть ротатора снабжена отверстием, а трубчатый башенный элемент, который сообщается с отверстием ротатора, вертикально располагается в верхней части емкости, с герметично закрытым отверстием; участок подачи воздуха включает в себя трубу подвода воздуха, расположенную в башенном элементе, причем труба подвода воздуха имеет в своем верхнем конце проем для поступления воздуха, в который подается воздух, и имеет в своем нижнем конце проем для вытекания воздуха, который открывается в емкости и через который выпускают воздух; участок отвода включает в себя выпускной путь, расположенный в башенном элементе и выполненный снаружи трубы подвода воздуха; участок подачи жидкого азота включает в себя компрессор, в котором улавливается и сжимается азот, испарившийся в емкости, и конденсатор, в котором сжатый компрессором азот охлаждается и сжижается; жидкий азот, сжиженный конденсатором, вновь подается в элемент ввода жидкого азота для циркуляции азота с целью его использования; конденсатор включает в себя элемент воздушного охлаждения, расположенный на внешней периферии башенного элемента и имеющий в своей верхней части проем для поступления отходящих газов, который сообщается с выпускным путем и через который поступает отходящий воздух, и имеющий в нижней своей части проем для вытекания отходящих газов, через который выпускают отходящий воздух, и теплообменный трубопровод, который располагается в элементе воздушного охлаждения и через который циркулирует азот из компрессора; и участок подачи жидкого азота включает в себя трубу подачи жидкого азота, которая располагается в трубе подвода воздуха и предназначена для подачи жидкого азота к элементу ввода жидкого азота.
В результате, поскольку азот подвергается воздушному охлаждению за счет теплообмена между азотом и отходящим воздухом в конденсаторе, термический кпд улучшается и обеспечивается экономия энергии. Когда ротатор вращается, воздух циркулирует в трубе для подачи воздуха для поступления в ротатор. Однако в этом процессе воздух, протекающий через трубу подачи воздуха, охлаждается отходящим воздухом в выпускном пути, и воздух, проходящий через трубу подачи воздуха, охлаждается трубой подачи жидкого азота участка подачи жидкого азота. Поэтому термический кпд улучшается и обеспечивается экономия энергии.
Кроме того, в настоящем устройстве над башенным элементом выполнена крыша; участок подачи воздуха включает в себя канал для воздуха, который располагается под крышей и который имеет воздухозаборное отверстие по краю карниза крыши и который сообщается с проемом для поступления воздуха в трубе для подачи воздуха; труба для подачи жидкого азота участка подачи жидкого азота также располагается в канале для воздуха.
Когда ротатор вращается, воздух поступает через воздухозаборное отверстие на краю карниза крыши, поступивший воздух циркулирует по каналу для воздуха для того, чтобы войти в трубу подачи воздуха, и циркулирует по трубе подачи воздуха, чтобы войти в ротатор. В ходе этого процесса воздух, протекающий через трубу подачи воздуха, охлаждается отходящим воздухом в отводящем патрубке, и воздух, протекающий через трубу подачи воздуха и канал для воздуха, охлаждается трубой подачи жидкого азота участка подачи жидкого азота. Поэтому термический кпд улучшается и обеспечивается экономия энергии.
Кроме того, в настоящем устройстве ротатор имеет цилиндрический элемент, выступающий вверх от емкости и имеющий отверстие в своей верхней части, а внутренняя стенка цилиндрического элемента снабжена лопастями, которые вращаются для центробежного сжатия воздуха. Согласно такому устройству воздух гарантированно всасывается, а показатели сжатия улучшаются.
Кроме того, в настоящем устройстве ротатор имеет цилиндрический элемент, выступающий вверх от емкости и имеющий отверстие в своей верхней части, а внутренняя стенка цилиндрического элемента снабжена лопастями, которые вращаются для центробежного сжатия воздуха; участок подачи жидкого азота включает в себя компрессор, в котором улавливается и сжимается азот, испарившийся в емкости, и конденсатор, в котором сжатый компрессором азот охлаждается и сжижается; жидкий азот, сжиженный конденсатором, вновь подается в элемент ввода жидкого азота для циркуляции азота с целью его использования; и конденсатор включает в себя элемент водяного охлаждения, расположенный по внешней периферии цилиндрического элемента ротатора и через который холодная вода, охлажденная в емкости, циркулирует под воздействием циркуляционного насоса, и теплообменный трубопровод, который располагается в элементе воздушного охлаждения и через который циркулирует азот из компрессора.
В результате, поскольку внутренняя стенка цилиндрического элемента снабжена другими лопастями, которые вращаются для центробежного сжатия воздуха, воздух гарантированно всасывается, а показатели сжатия улучшаются. Кроме того, поскольку азот подвергается водяному охлаждению в конденсаторе за счет использования с холодной водой, охлажденной в емкости, термический кпд улучшается и обеспечивается экономия энергии.
В этом случае охлаждающая камера цилиндрического элемента выполнена путем накрытия внешней периферии цилиндрического элемента ротатора конденсатором, а водоохладительный элемент конденсатора снабжен душевым агрегатом, который распыляет воду из водоохладительного элемента в направлении цилиндрического элемента. Поскольку цилиндрический элемент охлаждается душевым агрегатом, воздух, протекающий через цилиндрический элемент, охлаждается, термический кпд улучшается и обеспечивается экономия энергии.
В этом случае эффективным является то, что охлаждающая камера снабжена проемом ввода, через который поступают отходящий воздух из отводящей трубы и наружный воздух таким образом, чтобы быть подвергнутыми воздействию распыляемой воды из душевого агрегата, и производным проемом, через который отходящий воздух и наружный воздух, подвергнутые воздействию распыляемой воды из душевого агрегата, выпускают из охлаждающей камеры. Эффективным является также то, что производный проем снабжен воздуходувкой, которая всасывает отходящий воздух и наружный воздух. Тепло душевого агрегата может выделяться с помощью отходящего воздуха и наружного воздуха, и поэтому, также в этом отношении, термический кпд улучшается и обеспечивается экономия энергии.
В этом случае эффективным является размещение трубы вдувания жидкого азота, которая ответвляется от теплообменного трубопровода конденсатора и которая предназначена для ввода (вдувания) жидкого азота в направлении диоксида углерода, который вводят из ротатора в емкость. Жидкий азот вводят из множества струйных отверстий, расположенных на внешней периферии ротатора. Кроме того, жидкий азот вдувают из струйной трубы. Поэтому теплообмен между диоксидом углерода и жидким азотом далее надежно осуществляется в емкости.
Далее в этом случае над башенным элементом ротатора формируют крышу; участок подачи воздуха включает в себя канал для воздуха, который располагается под крышей и который имеет воздухозаборное отверстие на краю карниза крыши и который сообщается с отверстием цилиндрического элемента; участок отвода включает в себя выпускную трубу, тянущуюся от нижней части ротатора через цилиндрический элемент в канал для воздуха; и участок подачи жидкого азота включает в себя трубу для подачи жидкого азота, расположенную в отводящей трубе и подающую жидкий азот к элементу ввода жидкого азота.
В результате при вращении ротатора воздух поступает через воздухозаборное отверстие на краю карниза крыши, и поступивший воздух циркулирует по каналу для воздуха и втекает через цилиндрический элемент в нижнюю часть ротатора. В ходе этого процесса воздух, протекающий через цилиндрический элемент и канал для воздуха, охлаждается отходящим воздухом в отводящей трубе, и воздух, протекающий через цилиндрический элемент и канал для воздуха, охлаждается трубой подачи жидкого азота участка подачи жидкого азота через отводящую трубу. Поэтому термический кпд улучшается и обеспечивается экономия энергии.
ЭФФЕКТ ИЗОБРЕТЕНИЯ
Согласно способу сжижения диоксида углерода согласно настоящему изобретению диоксид углерода или газ, содержащий диоксид углерода, и жидкий азот подают в емкость, и диоксид углерода может быть подвергнут сжижению. Соответственно не только большое количество диоксида углерода, но и, например, незначительное количество диоксида углерода в воздухе может быть подвергнуто избирательному и эффективному сжижению.
Кроме того, согласно устройству для извлечения диоксида углерода, являющемуся предметом настоящего изобретения, диоксид углерода отделяют, сжимают и собирают с наружной периферийной части ротатора, и только диоксид углерода, сжатый и собранный таким образом, подвергается сжижению. Поэтому незначительное количество диоксида углерода, содержащееся в воздухе, может быть избирательно и эффективно подвергнуто сжижению, и незначительное количество диоксида углерода, содержащееся в воздухе, может быть надежно извлечено. В случае, когда участок подачи воздуха, участок отвода и участок подачи жидкого азота, который подает жидкий азот в элемент ввода жидкого азота, собраны таким образом, чтобы повысить эффективность теплообмена между газами и жидкостями, настоящее устройство может эксплуатироваться при минимально возможных затратах энергии, обеспечивая соответствующую экономию энергии.
КРАТКОЕ ОПИСАНИЕ ЧЕРТЕЖЕЙ
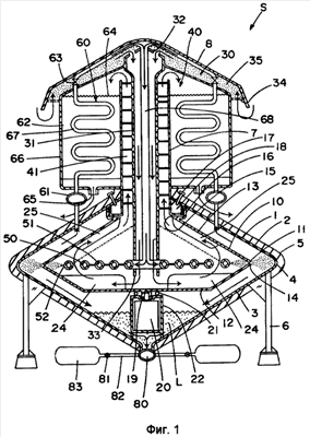
На фиг.1 показана схема, демонстрирующая устройство для извлечения диоксида углерода согласно первому варианту реализации настоящего изобретения;
на фиг.2 показан вид в разрезе увеличенной половины, демонстрирующий устройство для извлечения диоксида углерода согласно первому варианту реализации настоящего изобретения;
на фиг.3 показана схема, демонстрирующая устройство для извлечения диоксида углерода согласно второму варианту реализации настоящего изобретения;
на фиг.4 показан вид в разрезе увеличенной половины, демонстрирующий устройство для извлечения диоксида углерода согласно второму варианту реализации настоящего изобретения;
на фиг.5 показан вид в поперечном разрезе, демонстрирующий нижнюю сторону ротатора устройства для извлечения диоксида углерода согласно второму варианту реализации настоящего изобретения;
на фиг.6 показана схема, демонстрирующая устройство для извлечения диоксида углерода согласно третьему варианту реализации настоящего изобретения; и
на фиг.7 показан вид в поперечном разрезе, демонстрирующий верхнюю сторону ротатора устройства для извлечения диоксида углерода согласно третьему варианту реализации настоящего изобретения.
ЛУЧШИЙ ВАРИАНТ РЕАЛИЗАЦИИ ИЗОБРЕТЕНИЯ
Способ сжижения диоксида углерода и устройство для извлечения диоксида углерода согласно вариантам реализации настоящего изобретения будут описаны далее со ссылкой на прилагаемые чертежи. Поскольку способ сжижения диоксида углерода согласно варианту реализации реализован в устройстве для извлечения диоксида углерода согласно варианту реализации, способ будет объяснен в описании функций настоящего устройства.
На фиг.1 и 2 показано устройство S, предназначенное для извлечения диоксида углерода согласно первому варианту реализации настоящего изобретения. Это устройство S, предназначенное для извлечения диоксида углерода, включает в себя герметичную емкость 1, способную накапливать в своей нижней части сжиженный диоксид углерода L.
Герметичной емкости 1 придана симметричная по вертикали полая, подобная костяшке от счетов форма, включающая два конических чашевидных элемента 2, 3, кромки которых скреплены между собой, а участок 4, имеющий U-образное сечение, соответствующее участку скрепления, выполнен с максимальным диаметром. Кроме того, емкость 1 покрыта изолирующим материалом 5. Эта емкость 1 поддерживается и заземляется множеством опорных элементов 6, размещенных снаружи емкости.
Кроме того, на верхней части емкости 1 вертикально расположен трубчатый башенный элемент 7. Над башенным элементом 7 образована крыша 8.
В этой емкости 1 полый ротатор 10 располагается с возможностью вращения на той же оси, что и емкость 1. Этот ротатор 10 всасывает воздух и отделяет диоксид углерода посредством центробежной силы для сжатия и накопления диоксида углерода на внешней периферийной стороне и впрыскивает отделенный, сжатый и собранный диоксид углерода из множества струйных отверстий 11, расположенных по наружной периферии ротатора, в емкость 1 вместе с жидким азотом. В емкости 1 происходит теплообмен между диоксидом углерода и жидким азотом для сжижения диоксида углерода.
В частности, полый ротатор 10 выполнен из подобного блюду чашевидного элемента 12 и конического чашевидного элемента 13, имеющих кромки, соединенные между собой, с приданием им по существу полой, подобной костяшке от счетов формы примерно таким же образом, как и в случае емкости 1, и участок, соответствующий участку скрепления, образует заостренную кромку 14, имеющую максимальный диаметр. Участок заостренной кромки 14 снабжен множеством струйных отверстий 11, из которых диоксид углерода вдувают вместе с жидким азотом и которым придана равноугольная форма. Проем 15 располагается в верхней части ротатора 10, и кромка этого проема снабжена цилиндрическим вращающимся валом 16. Этот вращающийся вал 16 вставлен с возможностью вращения в кольцевую несущую часть 17, расположенную в емкости 1. В несущей части 17 выполнен резервуар 18 с консистентной смазкой, который подает консистентную смазку в промежуток между вращающимся валом 16 и несущей частью 17. В результате отверстие в ротаторе 10 герметизировано при соединении башенного элемента 7 с ротатором 10.
С другой стороны, нижняя часть ротатора 10 также снабжена вращающимся валом 19, и вращающийся вал поддерживается с возможностью вращения посредством несущего элемента 22, расположенного в нижней части емкости 1, через подшипник 21.
Этот несущий элемент 22 включает в себя, будучи не проницаемым для жидкости, приводной участок 20, образуемый электрическим двигателем и предназначенный для вращения ротатора 10.
В ротаторе 10 внутренняя стенка нижнего чашевидного элемента 12 снабжена множеством лопастей 24, которые вращаются для того, чтобы всасывать воздух из порта 33 выпуска воздуха и трубы 31 подачи воздуха, описанных далее, и для того, чтобы сжимать воздух под воздействием центробежных сил, отделяя таким образом диоксид углерода для сжатия и накопления диоксида углерода на наружной периферийной стороне ротатора 10.
С другой стороны, внутренняя стенка чашевидного элемента 12, обращенная к отверстию 15, снабжена множеством ребер 25 для участка отвода 40, описанного далее, который направляет ненужные газы из ротатора 10 к отверстию 15 для выпуска газов.
Кроме того, устройство S, предназначенное для извлечения диоксида углерода согласно настоящему изобретению, включает в себя участок подачи воздуха 30, который сообщается с ротатором 10 для подачи всосанного воздуха при охлаждении воздуха, участком отвода 40, который выпускает из ротатора 10 ненужные газы, и элементом ввода жидкого азота 50, который располагается в ротаторе и впрыскивает жидкий азот в ротатор 10 в форме струй из струйных отверстий 11 ротатора 10, и участок подачи жидкого азота 60, который подает жидкий азот к элементу ввода жидкого азота 50.
В частности, участок подачи воздуха 30 включает в себя трубу подачи воздуха 31, расположенную в башенном элементе 7, и труба подачи воздуха 31 имеет в своей верхней части проем 32 для поступления воздуха, в который подается воздух, и имеет в своем нижнем конце проем 33 для вытекания воздуха, который открывается рядом с нижней внутренней стенкой емкости 1 и через который выпускают воздух. Участок подачи воздуха 30 включает в себя канал для воздуха 35, который располагается под крышей 8 и который имеет воздухозаборное отверстие 34 по краю карниза крыши 8 и который сообщается с проемом 32 для поступления воздуха в трубе для подачи воздуха 31.
Участок отвода 40 включает в себя выпускной путь 41, расположенный в башенном элементе 7 и выполненный снаружи трубы подвода воздуха 31. Выпускной путь 41 имеет форму спирали, так что может охлаждаться находящаяся внутри труба подачи воздуха 31. Описанная далее труба 68 подачи жидкого азота участка 60 подачи жидкого азота располагается в трубе 31 подачи воздуха и канала для воздуха 35, так что может охлаждаться внутренняя часть трубы подачи воздуха 31 и канала для воздуха 35.
Элемент ввода жидкого азота 50 включает в себя спиральную трубу 51, выполненную в форме спирали на плоскости ротатора 10. Множество выпускных отверстий 52, предназначенных для вдувания жидкого азота, располагаются на одинаковом угловом расстоянии снаружи трубного элемента по самой внешней периферии спиральной трубы 51.
Участок подачи жидкого азота 60, который подает жидкий азот к этому элементу ввода жидкого азота 50, состоит из компрессора 61, который улавливает и сжимает азот, испарившийся в емкости 1, и конденсатор 62, в котором азот, сжатый компрессором 61, охлаждается до состояния жидкого азота. Участок 60 приспособлен для подачи жидкого азота, сжиженного в конденсаторе 62, обратно к элементу ввода жидкого азота 50 и для циркуляции азота с целью практического применения. Позицией 63 обозначен клапан понижения давления, который снижает давление жидкого азота, сконденсированного конденсатором 62, с целью понижения температуры жидкого азота. В конденсаторе 62 жидкий азот подвергается воздушному охлаждению воздухом, отходящим из участка отвода 40.
В частности, конденсатор 62 включает в себя полый элемент 66 воздушного охлаждения, расположенный на внешней периферии башенного элемента 7 и имеющий в своей верхней части проем 64 для поступления отходящих газов, который сообщается с выпускным путем 41 и через который поступает отходящий воздух, и имеющий в нижней своей части проем для вытекания отходящих газов, через который выпускают отходящий воздух, и теплообменный трубопровод 67, который располагается в этом элементе воздушного охлаждения 66 и через который циркулирует азот из компрессора 61.
Кроме того, в участке подачи жидкого азота 60 теплообменный трубопровод 67 соединяется с трубой 68 подачи жидкого азота, которая тянется к элементу ввода жидкого азота 50. Эта труба подачи жидкого азота 68 располагается в трубе 31 подачи воздуха и канале для воздуха 35, так что может охлаждаться внутренняя часть трубы подачи воздуха 31 и канала для воздуха 35.
Кроме того, насос 80, который отбирает сжиженный диоксид углерода L, сжиженный в емкости 1 и скопившийся в нижней части емкости 1, располагается снаружи самого нижнего конца емкости 1. Насос 80 соединяется с питающей трубой 82, которая имеет открывающийся и закрывающийся клапан 81 и которая подает сжиженный диоксид углерода L, и эта питающая труба 82 соединяется с цилиндром 83, так что сжиженный диоксид углерода L хранится в этом цилиндре 83.
Поэтому согласно устройству S, предназначенному для извлечения диоксида углерода согласно первому варианту реализации, сжиженный диоксид углерода L извлекают следующим образом.
Обычно ротатор 10 приводится во вращение приводным участком 20, включающим в себя электрический двигатель. Кроме того, компрессор 61 участка 60 подачи жидкого азота приводится в действие для сжатия азота и подачи азота в конденсатор 62. В конденсаторе 62 азот охлаждают и сжижают, и жидкий азот, сжиженный конденсатором 62, подается в элемент 50 ввода жидкого азота через питающую трубу 68 для жидкого азота.
Когда этот ротатор 10 вращается, множество лопастей 10 и множество ребер 25 ротатора 10 развивают всасывающее усилие, воздух поступает через воздухозаборное отверстие 34 на кромке карниза крыши 8, а поступивший воздух циркулирует по каналу для воздуха 35 для протекания в проем 32 для поступления воздуха трубы 31 подачи воздуха. Воздух выпускают через трубу подачи воздуха 31 из проема 33 для вытекания воздуха. В этом процессе воздух, протекающий через трубу подачи воздуха 31, охлаждается отходящим воздухом выпускного пути 41. Кроме того, воздух, протекающий через трубу подачи воздуха 31 и канал для воздуха 35, охлаждается трубой подачи жидкого азота 68 участка 60 подачи жидкого азота.
Кроме того, жидкий азот вдувают из выпускных отверстий 52 элемента 50 ввода жидкого азота в направлении наружной периферийной части ротатора 10.
Воздух, который протекает через трубу 31 подачи воздуха для вытекания через проем 33 для вытекания воздуха, сжимается под воздействием центробежной силы под воздействием множества лопастей 24 ротатора 10. В результате на внешней периферийной стороне ротатора 10 отделяется, сжимается и скапливается диоксид углерода. Ненужные газы направляются из ротатора 10 к выпускному пути 41 участка отвода 40 и выталкиваются множеством ребер 25.
Кроме того, сжатый и скопившийся на внешней периферийной стороне ротатора 10 диоксид углерода вдувается из множества струйных отверстий 11, расположенных по внешней периферии ротатора 10, в емкость 1 вместе с жидким азотом, который вдувается из выпускных отверстий 52 элемента 50 ввода жидкого азота. В емкости 1 происходит теплообмен между диоксидом углерода и жидким азотом, вдуваемыми таким образом, и диоксид углерода сжижается для стекания в нижнюю часть емкости 1. В этом случае диоксид углерода отделяется, сжимается и скапливается на внешней периферийной стороне ротатора 10, и сжижается только диоксид углерода, сжатый и собранный таким образом. Поэтому незначительное количество диоксида углерода, входящего в состав воздуха, избирательно и эффективно сжижается. Далее сжиженный диоксид углерода L, сжиженный в емкости 1 и накопленный в нижней части емкости 1, отбирается насосом 80 и хранится в цилиндре 83.
С другой стороны, жидкий азот, вдуваемый из множества струйных отверстий 11, расположенных на внешней периферии ротатора 10, в емкость 1, испаряется при осуществлении в емкости 1 теплообмена между диоксидом углерода и жидким азотом. Однако жидкий азот всасывается конденсатором 62, поступает в конденсатор 62, охлаждается и сжижается конденсатором 62 и вновь подается в элемент 50 ввода жидкого азота. Поэтому, поскольку азот циркулирует в процессе использования, нет необходимости в дополнительной подаче жидкого азота. Поэтому соответственно повышается эффективность производственного процесса. В конденсаторе 62 отходящий воздух из выпускного пути 41 поступает в элемент 66 воздушного охлаждения, и азот подвергается воздушному охлаждению за счет теплообмена между азотом и этим отходящим воздухом в теплообменном трубопроводе 67. Поэтому термический кпд улучшается и обеспечивается экономия энергии.
На фиг.3-5 показано устройство S, предназначенное для извлечения диоксида углерода согласно второму варианту реализации настоящего изобретения. Компоненты, сходные с описанными выше, обозначены при описании такими же числовыми позициями. Это устройство S, предназначенное для извлечения диоксида углерода, включает в себя герметичную емкость 1, способную накапливать в своей нижней части сжиженный диоксид углерода L.
Емкость 1 имеет форму полого вращающегося волчка, включающего в себя цилиндрический чашеобразный элемент 2 и конический чашеобразный элемент 3 со скрепленными между собой краями. Наружная поверхностная часть емкости 1 выполнена в виде накопительного бака 70, в котором содержится вода, а вода в накопительном баке охлаждается в емкости 1. Эта емкость 1 поддерживается и заземляется множеством опорных элементов 6, размещенных снаружи емкости.
Кроме того, на верхней части цилиндрических чашевидных элементов 2, 3 емкости 1 вертикально расположен трубчатый башенный элемент 71. Верхняя часть башенного элемента 71 снабжена потолочной частью 72, а над потолочной частью 72 образована крыша 8. Пространство между крышей 8 и потолочной частью 72 образует канал для воздуха 35, описанный далее.
Эта емкость 1 снабжена полым ротатором 10, который располагается с возможностью вращения на той же оси, что и емкость 1. Этот ротатор 10 всасывает воздух для отделения, сжатия и накопления диоксида углерода на внешней периферийной стороне под воздействием центробежной силы. Кроме того, отделенный, сжатый и накопленный диоксид углерода вдувается в емкость 1 из множества струйных отверстий 11, расположенных по внешней периферии ротатора, вместе с жидким азотом, и в емкости 1 осуществляется теплообмен между диоксидом углерода и жидким азотом с целью сжижения диоксида углерода.
В частности, ротатор 10 включает в себя полый элемент 75, имеющий по существу форму костяшки от счетов, полученную путем соединения кромки подобного блюду чашевидного элемента 12 и кромки имеющего форму усеченного конуса элемента 74, имеющего в своей верхней части отверстие 73, и цилиндрический элемент 76, расположенный таким образом, чтобы сообщаться с верхним отверстием 73 этого полого элемента 75, выступающего вверх из емкости 1 и имеющего отверстие 77 в своей верхней части. Часть, соответствующая участку скрепления полого элемента 75, образует заостренную концевую часть 14, имеющую максимальный диаметр. Заостренная концевая часть 14 снабжена множеством струйных отверстий 11, из которых распыляют диоксид углерода вместе с жидким азотом и которые располагаются на равном угловом расстоянии друг от друга. Нижняя сторона цилиндрического элемента 76 ротатора 10 опирается с возможностью вращения на угловой несущий участок 78, помещенный в емкости 1, а верхняя часть цилиндрического элемента 76 ротатора 10 опирается на несущий участок 79, расположенный в потолочной части 72 башенного элемента 71. В несущем участке 78 выполнен резервуар 90 для консистентной смазки, предназначенный для того, чтобы подавать консистентную смазку в промежуток между цилиндрическим элементом 76 и несущим участком 78.
С другой стороны, нижняя часть ротатора 10 также снабжена вращающимся валом 19, и вращающийся вал опирается с возможностью вращения за счет опорного элемента 22, расположенного в нижней части емкости 1, посредством подшипника 21.
Этот опорный элемент 22 включает в себя, будучи не проницаемым для жидкости, приводной участок 20, образуемый электрическим двигателем, предназначенным для вращения ротатора 10.
В ротаторе 10, как показано на фиг.5, внутренняя стенка нижнего чашевидного элемента 12 снабжена множеством лопастей 24, которые вращаются для всасывания воздуха и для центробежного сжатия воздуха, отделяя таким образом диоксид углерода с целью сжатия и накопления диоксида углерода на внешней периферийной стороне ротатора 10. Эти лопасти 24 с помощью центробежной силы сжимают воздух вместе с лопастями 92, расположенными на выпускной трубе 42, описанной позже.
Кроме того, внутренняя стенка цилиндрического элемента 76 снабжена множеством других лопастей 91, которые вращаются для центробежного сжатия воздуха.
Следует отметить, что ротатор 10 поддерживается выпускной трубой 42 участка отвода, описанной далее, посредством подшипника 48.
Устройство S, предназначенное для извлечения диоксида углерода согласно варианту реализации, включает в себя участок подачи воздуха 30, который сообщается с ротатором 10 для подачи всосанного воздуха при охлаждении воздуха, участком отвода 40, который выпускает из ротатора 10 ненужные газы, и элементом ввода жидкого азота 50, который располагается в ротаторе и впрыскивает жидкий азот в ротатор 10 в форме струй из струйных отверстий 11 ротатора 10, и участок подачи жидкого азота 60, который подает жидкий азот к элементу ввода жидкого азота 50.
В частности, участок подачи воздуха 30 включает в себя канал для воздуха 35, который располагается под крышей 8 и который имеет воздухозаборное отверстие 34 по краю карниза крыши 8 и сообщается с проемом 77 цилиндрического элемента.
Участок отвода 40 включает в себя выпускную трубу 42, идущую от нижней части ротатора 10 через цилиндрический элемент 76 в канал для воздуха 35, так что воздух может охлаждаться. Порт поступления отходящего воздуха 43 выпускной трубы 42 открывается в полый элемент 75 ротатора 10, а порт отвода отходящего воздуха 44 расположен таким образом, чтобы открываться во внешнем центре башенного элемента 71. Снаружи порта поступления отходящего воздуха 43 выпускной трубы 42 располагается множество лопастей 92 таким образом, чтобы вместе с лопастями 24 ротатора 10 сжимать воздух с помощью центробежной силы. Ротатор 10 поддерживается также выпускной трубой 42 участка отвода 40 через посредство подшипника 48.
Элемент ввода жидкого азота 50 является кольцевым трубчатым элементом, расположенным выше лопастей 92 выпускной трубы 42. Множество выпускных отверстий 52, предназначенных для вдувания жидкого азота, располагаются снаружи трубчатого элемента на равном угловом расстоянии.
Участок 60 подачи жидкого азота, который подает жидкий азот к этому элементу ввода жидкого азота 50, включает в себя компрессор 61, который улавливает и сжимает азот, испарившийся в емкости 1, и конденсатор 62, в котором азот, сжатый компрессором 61, охлаждается для сжижения азота. Участок предназначен для повторной подачи жидкого азота, сжиженного в конденсаторе 62, к элементу ввода жидкого азота 50, чтобы обеспечивать циркуляцию азота для его практического использования. Участок подачи жидкого азота 60 включает в себя трубу 68 подачи жидкого азота, которая располагается в выпускной трубе 42 и которая доставляет жидкий азот к элементу ввода жидкого азота 50.
Конденсатор 62 предназначен для водяного охлаждения путем использования холодной воды их накопительного бака 70, охлаждаемого в емкости 1. В частности, конденсатор 62 включает в себя водоохладительный элемент 100, который располагается на внешней периферии цилиндрического элемента 76 ротатора 10 и через который холодная вода, охлажденная в емкости 1, прокачивается циркуляционным насосом 80, и теплообменный трубопровод 67, который расположен в водоохлаждаемом элементе 100 и через который циркулирует азот из компрессора 61.
Кроме того, внешняя периферия цилиндрического элемента 76 ротатора 10, включая конденсатор 62, покрыта башенным элементом 71, образуя охлаждающую камеру 101 цилиндрического элемента 76. Водоохладительный элемент 100 конденсатора 62 снабжен душевым агрегатом 102, который распыляет воду из водоохладительного элемента 100 в направлении цилиндрического элемента 76.
Охлаждающая камера 101 включает в себя проем ввода 103, через который поступают отходящий воздух из выпускной трубы 42 и наружный воздух таким образом, чтобы подвергнуть воздух воздействию распыляемой воды из душевого агрегата 102, и производный проем 104, через который отходящий воздух и наружный воздух, подвергнутые воздействию распыляемой воды из душевого агрегата 102, выпускают из охлаждающей камеры 101. Производный проем 104 снабжен воздуходувкой 105, которая всасывает отходящий воздух и наружный воздух.
Кроме того, емкость 1 снабжена трубой 106 вдувания жидкого азота, которая ответвляется от теплообменного трубопровода 67 конденсатора 62 и которая предназначена для вдувания жидкого азота в направлении диоксида углерода, который вдувают из ротатора 10 емкости 1. Числовой позицией 107 обозначена регулировочная дверца, которая расположена на порте 44 отвода отходящего воздуха выпускной трубы 42 и которая регулирует количество отходящего воздуха, которое должно быть введено в проем ввода 103 охлаждающей камеры 101, а числовой позицией 108 обозначено сливное устройство, предназначенное для выпуска воды через сливное отверстие 76а цилиндрического элемента 76.
Кроме того, насос 80, который отбирает сжиженный диоксид углерода L, сжиженный в емкости 1 и скопившийся в нижней части емкости 1, располагается снаружи самого низкого конца емкости 1. Насос 80 соединяется с питающей трубой 82, которая имеет открывающийся и закрывающийся клапан 81 и которая подает сжиженный диоксид углерода L, и эта питающая труба 82 соединяется с цилиндром 83, так что сжиженный диоксид углерода L хранится в этом цилиндре 83.
Поэтому согласно устройству S, предназначенному для извлечения диоксида углерода согласно первому варианту реализации, сжиженный диоксид углерода L извлекают следующим образом.
Обычно ротатор 10 приводится во вращение приводным участком 20, включающим в себя электрический двигатель. Кроме того, компрессор 61 участка 60 подачи жидкого азота приводится в действие для сжатия азота и подачи азота в конденсатор 62. В конденсаторе 62 азот охлаждают и сжижают, и жидкий азот, сжиженный конденсатором 62, подается в элемент 50 ввода жидкого азота. Жидкий азот вдувают из выпускных отверстий 52 элемента 50 ввода жидкого азота в направлении внешней периферийной части ротатора 10. Кроме того, жидкий азот вдувают из трубы 106 вдувания жидкого азота в емкость 1.
Когда этот ротатор 10 вращается, множество лопастей 91 ротатора 10 развивают всасывающее усилие. Кроме того, всасывающее усилие развивается множеством лопастей 24 ротатора 10 и лопастями 92, расположенными на выпускной трубе 42, и воздух поступает через воздухозаборное отверстие 34 на кромке карниза крыши 8, а поступивший воздух циркулирует по каналу для воздуха 35, чтобы поступать в отверстие 77 цилиндрического элемента 76 ротатора 10, а затем поступает в полый элемент 75 ротатора 10. В ходе этого процесса в охлаждающую камеру 101 подают распыленную воду из душевого агрегата 102, отходящий воздух и наружный воздух с целью охлаждения воздуха, проходящего через цилиндрический элемент 76. Далее воздух охлаждают отходящим воздухом в выпускной трубе 42 и трубой 68 подачи жидкого азота участка 60 подачи жидкого азота. В ходе этого процесса воздух, проходящий через цилиндрический элемент 75 и канал для воздуха 35, охлаждается отходящим воздухом в выпускной трубе 42. Кроме того, воздух, проходящий через цилиндрический элемент 76 и канал для воздуха 35 с выпускной трубой 42, охлаждается трубой 68 подачи жидкого азота участка 60 подачи жидкого азота. Поэтому улучшается термический кпд и обеспечивается экономия энергии.
Воздух, который втекает в полый элемент 75 ротатора 10, сжимается под воздействием центробежных сил. В результате диоксид углерода отделяется, сжимается и собирается на внешней периферийной стороне полого элемента 75 ротатора 10. Ненужные газы отводятся и выпускаются из ротатора 10 в порт поступления отходящего воздуха 43 выпускной трубы 42 участка отвода 40.
Кроме того, диоксид углерода, сжатый и скопившийся на внешней периферийной стороне ротатора 10, вдувается в емкость 1 из множества струйных отверстий 11, расположенных по внешней периферии ротатора 10, вместе с жидким азотом, который вдувается из выпускных отверстий 52 элемента 50 ввода жидкого азота. В емкости 1 происходит теплообмен между диоксидом углерода, вдуваемым таким образом, и жидким азотом, вдуваемым из трубы 106 вдувания жидкого азота, и диоксид углерода сжижается для стекания в нижнюю часть емкости 1. В этом случае жидкий азот вдувают из множества струйных отверстий 11, расположенных по внешней периферии ротатора 10, и дополнительно жидкий азот вдувают также из трубы 106 вдувания жидкого азота. Поэтому теплообмен между диоксидом углерода и жидким азотом выполняется в емкости 1 более надежно. Далее диоксид углерода отделяется, сжимается и скапливается на внешней периферийной стороне ротатора 10, и сжижается только диоксид углерода, сжатый и собранный таким образом. Поэтому незначительное количество диоксида углерода, входящего в состав воздуха, избирательно и эффективно сжижается. Сжиженный диоксид углерода L, сжиженный в емкости 1 и накопленный в нижней части емкости 1, отбирается насосом 80 и хранится в цилиндре 83.
С другой стороны, жидкий азот, вдуваемый из множества струйных отверстий 11, расположенных на внешней периферии ротатора 10, в емкость 1, испаряется при осуществлении в емкости 1 теплообмена между диоксидом углерода и жидким азотом. Однако жидкий азот всасывается компрессором 61, поступает в конденсатор 62, охлаждается и сжижается конденсатором 62 и вновь подается в элемент 50 ввода жидкого азота. Поэтому, поскольку азот циркулирует в процессе использования, нет необходимости в дополнительной подаче жидкого азота. Поэтому соответственно повышается эффективность производственного процесса. В конденсаторе 62 вода поступает в водоохладительный элемент 100 для водяного охлаждения теплообменного трубопровода 67. Поэтому термический кпд улучшается и обеспечивается экономия энергии.
На фиг.6 и 7 показано устройство S, предназначенное для извлечения диоксида углерода согласно третьему варианту реализации настоящего изобретения. Это устройство S, предназначенное для извлечения диоксида углерода, имеет конструкцию, по существу сходную с конструкцией устройства S, предназначенного для извлечения диоксида углерода согласно второму варианту реализации настоящего изобретения. Компоненты, сходные с описанными выше, обозначены при описании такими же числовыми позициями.
Устройство S, предназначенное для извлечения диоксида углерода согласно третьему варианту реализации настоящего изобретения, отличается от устройства S, предназначенного для извлечения диоксида углерода согласно второму варианту реализации настоящего изобретения, конструкцией лопастей, предназначенных для центробежного сжатия воздуха так, как это показано на чертежах. В частности, на внутренней стенке цилиндрического элемента 76 расположено по матричной схеме большое количество лопастей 91 в форме язычков. Таким образом, группа из нескольких (шести в данном варианте реализации) лопастей 91 располагается на равном угловом расстоянии между собой по одной окружности, и несколько ступеней (шесть ступеней в данном варианте реализации) групп располагаются по вертикали. С другой стороны, по внешней периферии выпускной трубы 42 большое количество лопастей 120 с приданием им формы языков располагается по матричной схеме так же, как и в случае лопастей 91. Это означает, что группа из нескольких (шести в этом варианте реализации) лопастей 120 располагается на равном угловом расстоянии между собой по одной окружности, и несколько ступеней (шесть ступеней в данном варианте реализации) групп располагаются по вертикали с девиацией фазы относительно группы лопастей 91. Лопасти 91 и 120 наклонены в одном и том же направлении, поворачиваются относительно друг друга для взаимодействия между собой и центробежного сжатия воздуха. Поэтому дополнительно повышается эффективность сжатия воздуха.
Формула изобретения
1. Устройство для извлечения диоксида углерода, которое содержит: герметичную емкость, предназначенную для хранения сжиженного диоксида углерода в нижней ее части; полый ротатор, который размещается с возможностью вращения в емкости и который выполнен с возможностью всасывать воздух и отделять, сжимать и собирать диоксид углерода на внешней периферийной стороне за счет центробежной силы и в котором отделенный, сжатый и собранный диоксид углерода вводят вместе с жидким азотом в емкость из множества струйных отверстий, расположенных на его внешней периферии, выполняя таким образом в емкости теплообмен между диоксидом углерода и жидким азотом для сжижения диоксида углерода; участок привода, который приводит во вращение ротатор; участок подачи воздуха, который сообщается с ротатором для подачи всосанного воздуха в ротатор при охлаждении воздуха; участок отвода, который выпускает ненужные газы из ротатора; элемент ввода жидкого азота, расположенный на ротаторе и выполненный с возможностью ввода жидкого азота из струйных отверстий ротатора в ротатор; участок подачи жидкого азота, который подает жидкий азот к элементу ввода жидкого азота; и насос, выполненный с возможностью отбора сжиженного диоксида углерода, который сжижен в емкости и накапливается в нижней части емкости.
2. Устройство для извлечения диоксида углерода по п.1, в котором внутренняя стенка ротатора снабжена лопастями, которые вращаются с целью центробежного сжатия воздуха.
3. Устройство для извлечения диоксида углерода по п.1, в котором участок подачи жидкого азота включает в себя компрессор, в котором азот, испарившийся в емкости, улавливается и сжимается, и конденсатор, в котором азот, сжатый компрессором, охлаждается и сжижается, и жидкий азот, сжиженный конденсатором, вновь подается к элементу ввода жидкого азота, для циркуляции азота с целью его использования.
4. Устройство для извлечения диоксида углерода по п.2, которое выполнено с возможностью воздушного охлаждения конденсатора путем использования отходящего воздуха из участка отвода.
5. Устройство для извлечения диоксида углерода по п.2, которое выполнено с возможностью охлаждения конденсатора водой с использованием холодной воды, охлажденной в емкости.
6. Устройство для извлечения диоксида углерода по п.1, в котором: ротатор помещается с возможностью вращения в емкости; верхняя часть ротатора снабжена отверстием, а трубчатый башенный элемент, который сообщается с отверстием ротатора, вертикально располагается в верхней части емкости, с герметично закрытым отверстием; участок подачи воздуха включает в себя трубу подвода воздуха, расположенную в башенном элементе и имеющую в своем верхнем конце проем для поступления воздуха, через который подается воздух, и имеющую, в своем нижнем конце, проем для вытекания воздуха, который открывается в емкости и через который выпускают воздух; участок отвода включает в себя выпускной путь, расположенный в башенном элементе и выполненный снаружи трубы подвода воздуха; и участок подачи жидкого азота включает в себя трубу подачи жидкого азота, которая располагается в трубе подвода воздуха и предназначена для подачи жидкого азота к элементу ввода жидкого азота.
7. Устройство для извлечения диоксида углерода по п.1, в котором: ротатор помещается с возможностью вращения в емкости; верхняя часть ротатора снабжена отверстием, а трубчатый башенный элемент, который сообщается с отверстием ротатора, вертикально располагается в верхней части емкости, с герметично закрытым отверстием; участок подачи воздуха включает в себя трубу подвода воздуха, расположенную в башенном элементе, причем труба подвода воздуха имеет в своем верхнем конце проем для поступления воздуха, через который подается воздух, и имеет, в своем нижнем конце, проем для вытекания воздуха, который открывается в емкости и через который выпускают воздух; участок отвода включает в себя выпускной путь, расположенный в башенном элементе и выполненный снаружи трубы подвода воздуха; участок подачи жидкого азота включает в себя компрессор, в котором улавливается и сжимается азот, испарившийся в емкости, и конденсатор, в котором сжатый компрессором азот охлаждается и сжижается; жидкий азот, сжиженный конденсатором, вновь подается в элемент ввода жидкого азота для циркуляции азота с целью его использования; конденсатор включает в себя элемент воздушного охлаждения, расположенный на внешней периферии башенного элемента и имеющий в своей верхней части проем для поступления отходящих газов, который сообщается с выпускным путем и через который поступает отходящий воздух и имеющий в нижней своей части проем для вытекания отходящих газов, через который выпускают отходящий воздух, и теплообменный трубопровод, который располагается в элементе воздушного охлаждения и через который циркулирует азот из компрессора; и участок подачи жидкого азота дополнительно включает в себя трубу подачи жидкого азота, которая располагается в трубе подвода воздуха и предназначена для подачи жидкого азота к элементу ввода жидкого азота.
8. Устройство для извлечения диоксида углерода по п.6, в котором: над башенным элементом выполнена крыша; участок подачи воздуха включает в себя канал для воздуха, который располагается под крышей и который имеет воздухозаборное отверстие по краю карниза крыши и который сообщается с проемом для поступления воздуха в трубе для подачи воздуха; и труба для подачи жидкого азота участка подачи жидкого азота также располагается в канале для воздуха.
9. Устройство для извлечения диоксида углерода по п.1, в котором ротатор имеет цилиндрический элемент, выступающий вверх из емкости и имеющий отверстие в своей верхней части, а внутренняя стенка цилиндрического элемента снабжена лопастями, которые вращаются для центробежного сжатия воздуха.
10. Устройство для извлечения диоксида углерода по п.1, в котором: ротатор имеет цилиндрический элемент, выступающий вверх относительно емкости и имеющий отверстие в своей верхней части; внутренняя стенка цилиндрического элемента снабжена лопастями, которые вращаются для центробежного сжатия воздуха; участок подачи жидкого азота включает в себя компрессор, в котором улавливается и сжимается азот, испарившийся в емкости, и конденсатор, в котором сжатый компрессором азот охлаждается и сжижается; жидкий азот, сжиженный конденсатором, вновь подается в элемент ввода жидкого азота для циркуляции азота с целью его использования; и конденсатор включает в себя элемент водяного охлаждения, расположенный на внешней периферии цилиндрического элемента ротатора и через который холодная вода, охлажденная в емкости, циркулирует под воздействием циркуляционного насоса, и теплообменный трубопровод, который располагается в элементе воздушного охлаждения и через который циркулирует азот из компрессора.
11. Устройство для извлечения диоксида углерода по п.10, в котором: охлаждающая камера цилиндрического элемента выполнена путем накрытия внешней периферии цилиндрического элемента ротатора конденсатором; и водоохладительный элемент конденсатора снабжен душевым агрегатом, который распыляет воду из водоохладительного элемента в направлении цилиндрического элемента.
12. Устройство для извлечения диоксида углерода по п.11, в котором охлаждающая камера включает в себя проем ввода, через который поступают отходящий воздух из отводящей трубы и наружный воздух, чтобы быть подвергнутыми воздействию распыляемой воды из душевого агрегата, и производный проем, через который отходящий воздух и наружный воздух, подвергнутые воздействию распыляемой воды из душевого агрегата, выпускают из охлаждающей камеры, и воздуходувку, расположенную в производном проеме для всасывания отходящего воздуха и наружного воздуха.
13. Устройство для извлечения диоксида углерода по п.11, которое дополнительно содержит: трубу ввода жидкого азота, которая ответвляется от теплообменного трубопровода конденсатора и которая выполнена с возможностью ввода жидкого азота в направлении диоксида углерода, который вводят из ротатора в емкость.
14. Устройство для извлечения диоксида углерода по п.9, в котором: над башенным элементом ротатора сформирована крыша; участок подачи воздуха включает в себя канал для воздуха, который располагается под крышей и который имеет воздухозаборное отверстие на краю карниза крыши и который сообщается с отверстием цилиндрического элемента; участок отвода включает в себя выпускную трубу, проходящую от нижней части ротатора через цилиндрический элемент в канал для воздуха; и участок подачи жидкого азота включает в себя трубу для подачи жидкого азота, расположенную в отводящей трубе и подающую жидкий азот к элементу распыления жидкого азота.
РИСУНКИ
|
|