|
(21), (22) Заявка: 2008117277/06, 29.04.2008
(24) Дата начала отсчета срока действия патента:
29.04.2008
(46) Опубликовано: 10.01.2010
(56) Список документов, цитированных в отчете о поиске:
RU 2309280 С2, 27.10.2007. ПАУКОВ В. Зарубежное военное обозрение, 10, 2001, с.37-41. US 6101957, 15.08.2000. RU 2005127707, 10.03.2007. RU 2299411 C1, 20.05.2007. CZ 9503358 A3, 17.09.1997.
Адрес для переписки:
614113, г.Пермь, ул. Чистопольская, 16, Федеральное государственное унитарное предприятие “Научно-исследовательский институт полимерных материалов”
|
(72) Автор(ы):
Шайхутдинов Рашид Вагизович (RU), Моисеев Дмитрий Валерьевич (RU)
(73) Патентообладатель(и):
Федеральное государственное унитарное предприятие “Научно-исследовательский институт полимерных материалов” (RU)
|
(54) СПОСОБ КОНТРОЛЯ И СНИЖЕНИЯ ПАРАМЕТРОВ УДАРНОЙ ВОЛНЫ В КАМЕРЕ ЛОКАЛИЗАЦИИ, ОХЛАЖДЕНИЯ И НЕЙТРАЛИЗАЦИИ, ГАЗОХОДЕ И ГАЗОПРИЕМНИКЕ ПРИ ЛИКВИДАЦИИ ЗАРЯДА РАКЕТНОГО ДВИГАТЕЛЯ НА ТВЕРДОМ ТОПЛИВЕ И УСТРОЙСТВО ДЛЯ ЕГО ОСУЩЕСТВЛЕНИЯ
(57) Реферат:
Изобретение относится к ракетной технике, в частности к ликвидации заряда ракетного двигателя на твердом топливе на стенде, оборудованном камерой локализации, охлаждения и нейтрализации продуктов сгорания (КЛОН), газоходе и газоприемнике. С помощью предлагаемого способа и устройства осуществляют контроль и измерение скорости движения ударной волны, избыточного давления и давления после заполнения смешанным парогазовым потоком, а также используют устройства для снижения параметров ударной волны – перфорированная стенка в конце газохода, перфорированное препятствие в газоприемнике и автоматическая «вышибная поверхность». Изобретение позволяет определять и контролировать оптимальные технологические режимы истечения смешанного парогазового потока продуктов сгорания, обеспечивая при этом технологическую безопасность ликвидации заряда ракетного двигателя на стендах, оборудованных секциями КЛОН, газоходом и газоприемником. 2 н.п. ф-лы, 9 ил.
Изобретение относится к ракетной технике, а именно к ликвидации заряда ракетного двигателя на твердом топливе на стенде, оборудованном камерой локализации, охлаждения и нейтрализации продуктов сгорания (КЛОН), газоходом и газоприемником.
Основной целью предлагаемого способа и устройства является экспериментальное определение параметров ударной волны (скорости, избыточного давления на фронте ударной волны, избыточного давления в отраженной ударной волне) во время движения смешанного парогазового потока продуктов сгорания в полузамкнутом пространстве секций КЛОН, газоходе и газоприемнике, а также использования устройств как для контроля параметров ударной волны, так и их снижения с целью обеспечения технологически безопасных условий при ликвидации заряда ракетного двигателя на твердом топливе (РДТТ).
Известна «Автоматизированная система контроля испытаний газотурбинных двигателей», где представлен способ и измерительная система для контроля и регистрации технологических параметров при испытаниях авиационных двигателей. Статья в журнале «Современные технологии автоматизации». 2002, 1, стр.48-53.
К недостаткам указанной «Автоматизированной системы » необходимо отнести следующее:
– измерительная система используется только для определения технологических параметров работы непосредственно авиационного двигателя, и нет способа контроля и регистрации параметров ударной волны во время движения продуктов сгорания в жестких условиях полузамкнутого пространства типа секций КЛОН, где необходимо (в целях технологической безопасности) определять избыточное давление, возникающее внутри КЛОН, а также осуществлять дистанционное автоматическое управление устройствами для снижения аварийной ситуации.
Известен «Способ контроля и управления тепловыми режимами истечения продуктов сгорания в камере локализации и охлаждения продуктов сгорания при ликвидации заряда ракетного двигателя на твердом топливе». Патент 2309280 по заявке 2005127707.
В качестве прототипа на способ авторами приняты материалы, изложенные в Патенте 2309280, МПК F02K 9/24 по заявке 05.09.2005 от 27.10.07.
К недостаткам указанного прототипа необходимо отнести следующее:
– отсутствует способ контроля и регистрации параметров ударной волны (скорости и избыточного давления) во время движения смешанного парогазового потока продуктов сгорания в полузамкнутом пространстве КЛОН, газоходе и газоприемнике;
– отсутствует устройство для снижения параметров ударной волны в секциях КЛОН, газоходе и газоприемнике в случае возникновения аварийной ситуации.
Известен «Испытательный комплекс для твердотопливных двигателей», где представлены основные элементы стенда, включающего газоход и газоприемник (установка для осушения газов). Статья, авт. В. Пауков «Зарубежное военное обозрение», 2001, 10, с.37-41.
Материалы, изложенные в статье: «Испытательный комплекс » взяты в качестве прототипа на устройство.
К недостаткам представленного стенда следует отнести следующее:
– нет устройств для измерения и контроля параметров ударной волны, образованной в результате движения смешанного парогазового потока продуктов сгорания;
– в газоходе и газоприемнике отсутствуют устройства для снижения первоначальных параметров ударной волны.
Технической задачей заявленного изобретения является повышение технологической безопасности при ликвидации крупногабаритного заряда ракетного двигателя на твердом топливе на стенде, оборудованном секциями КЛОН, газоходом и газоприемником, которые состоят из цилиндрических секций, скрепленных между собой фланцевыми соединениями, и где производится локализация, охлаждение и нейтрализация продуктов сгорания путем орошения хладагентом (водой) и нейтрализующим раствором из форсунок, встроенных в каждой секции КЛОН. В результате этого в полузамкнутом пространстве секций образуется смешанный парогазовый поток продуктов сгорания, который далее поступает по газоходу в газоприемник.
Эту задачу решают путем контроля и определения параметров ударной волны и далее оптимизации режимов движения смешанного парогазового потока продуктов сгорания в секциях КЛОН, газоходе и газоприемнике с целью:
– создания технологически безопасных условий истечения смешанного парогазового потока продуктов сгорания в полузамкнутом пространстве секций КЛОН, газоходе и газоприемнике и заблаговременного предотвращения аварийной ситуации;
путем:
– определения скорости движения ударной волны (U), образованной в результате движения смешанного парогазового потока продуктов сгорания;
– определения избыточного давления движения на фронте ударной волны ( Р), идущей впереди смешанного парогазового потока продуктов сгорания в секциях КЛОН и газоходе;
– определения избыточного давления в отраженной ударной волне;
– использования устройств (перфорированной стенки в конце газохода и перфорированного препятствия внутренней поверхности газоприемника) для снижения параметров ударной волны и смешанного парогазового потока;
– использования автоматической «вышибной поверхности» в газоходе для разгрузки всей системы в случае аварийной ситуации (превышения внутреннего давления) выше давления разрушения конструкций секций КЛОН, газохода или газоприемника (Рраз).
Смешанный парогазовый поток, образованный в результате охлаждения продуктов сгорания ликвидируемого заряда ракетного двигателя на стенде, оборудованном секциями КЛОН, представляет собой высокоскоростную, высокотемпературную парогазовую смесь с агрессивной средой, движущейся в дозвуковом режиме (от 50 ~ до 300 м/с в зависимости от ликвидируемого заряда).
В результате движения смешанного парогазового потока в полузамкнутом пространстве секций КЛОН на фронте образуется ударная волна (Фиг.4-9).
Ударная волна – это область сжатия с резким скачком давления, плотности и температуры на переднем фронте, распространяющаяся в среде со сверхзвуковой скоростью.
Фронт ударной волны (скачок уплотнения) – узкая зона, где происходит резкие изменения параметров (плотности, давления, температуры).
Основной характеристикой, определяющей разрушающее действие, является избыточное давление на фронте ударной волны:

Основными параметрами ударной волны являются следующие величины:
– давление на фронте Р1, МПа;
– плотность на фронте ударной волны 1, кг/см3;
– температура T °С;
– скорость распространения фронта ударной волны U, м/с;
– скорость продуктов (горения, взрыва) w, м/с.
Из закона сохранения количества следует:

Из уравнения сохранения массы получаем:

где 1 – плотность на фронте ударной волны, кг/м3;
0 – плотность окружающей среды, кг/м3.
Следовательно

На основании многолетних исследовательских работ по оценке вопросов безопасности установлены значения избыточного давления Р, при которых происходит разрушение различных объектов.
Например, для железобетонных и металлических конструкций, из которых изготовлены секции КЛОН, газоход и газоприемник следующая степень разрушения в зависимости от избыточного давления Р:
Для железобетонных конструкций:
– слабое разрушение происходит при Р=0,02-0,03 МПа;
– сильное разрушение происходит при Р=0,03-0,05 МПа.
Для металлических конструкций:
– слабое разрушение происходит при Р=0,01-0,025 МПа;
– сильное разрушение происходит при Р=0,035-0,05 МПа.
При решении вопросов технологической безопасности используют коэффициент безопасности, как правило, его принимают равным двум, то есть для нашего случая безопасное избыточное давление Р в полузамкнутом пространстве секций КЛОН, газоходе и газоприемнике должно быть в двое меньше вышеуказанных значений.
При этом выбирают наиболее опасные условия (например, для первой ступени PC – 22, массой 50 т), избыточное давление Р на фронте ударной волны соответствует 0,05 МПа (в пересчете это соответствует 5 т/м2).
Для снижения избыточного давления Р с коэффициентом безопасности, равным двум, необходимы дополнительные технические решения, которыми, как показала практика, являются перфорированные препятствия, а в аварийном случае – вышибные поверхности.
Экспериментальные исследования по снижению избыточного давления Р на фронте для слабых ударных волн, образованных в результате движения смешанного парогазового потока продуктов сгорания в два раза эффективным является перфорированное препятствие, состоящее из металлических труб, закрепленных одним концом к внутренней поверхности газоприемника диаметром 0,1 м, расположенных по всей поверхности в шахматном порядке на равном удалении друг от друга на расстоянии 1 м, и в конце газохода устанавливают перфорированную стенку из металлических труб диаметром 0,1 м в шахматном порядке на расстоянии друг от друга от 0,5 до 0,8 м с шириной от 1 до 2 м, жестко скрепленной с полом и крышей газохода.
Выбор площади вышибной поверхности для аварийного случая осуществляют путем определения диаметра активной части факела пламени ликвидируемого двигателя при бессопловом сжигании с учетом проходного сечения секций КЛОН, газохода, в которых осуществляется беспрепятственное истечение смешанного парогазового потока продуктов сгорания.
Экспериментальные исследования по определению диаметра факела активной части факела пламени проводились при натурных испытаниях двигателей ракетных комплексов PC-12М и PC-22 на открытом стенде без использования секций КЛОН, газохода и газоприемника. Диаметр активной части факела пламени при этом соответствовал 2-11 м.
При истечении продуктов сгорания в секции КЛОН, где происходит локализация, охлаждение водой, диаметр активной части факела пламени уменьшается и составляет от 2 до 6 м, при этом проходное сечение секций КЛОН и газохода соответствует 15 м2 и 30 м2, что соответствует сечению активной части смешанного парогазового потока продуктов сгорания.
В аварийном случае, когда происходит торможение потока и соответственно повышение внутреннего давления указанные площади вышибной поверхности являются достаточными для разгрузки системы в целом.
Скорость движения ударной волны (U), соответственно и избыточное давление на фронте ( Р) зависит от скорости движения смешанного парогазового потока продуктов сгорания (w) в полузамкнутом пространстве секций КЛОН, чем выше скорость смешанного парогазового потока, тем выше скорость движения ударной волны и соответственно избыточное давление.
По причине разности скоростей ударной волны (U) и смешанного парогазового потока продуктов сгорания (w) (примерно в 6-8 раз в зависимости от ликвидируемого заряда РДТТ) в конце секций КЛОН и газоходе происходит отрыв ударной волны от смешанного парогазового потока (Фиг.5, 7-9).
Ударная волна проходит по газоходу, далее отражаясь по касательной внутренней поверхности газоприемника возвращается в газоход, где сталкивается с идущим навстречу смешанным парогазовым потоком, что соответственно приводит к торможению потока и местному (фронтальному) повышению давления в газоходе и в концевых секциях КЛОН, это обстоятельство, в случае превышения давления (выше Рраз.) при столкновении может привести к разрушению элементов системы.
Далее, после заполнения всей системы (секций КЛОН, газохода и газоприемника) в результате торможения смешанного парогазового потока в газоходе происходит повышение давления в газоходе и в концевых секциях КЛОН (Фиг.6, 9).
Эти относительно жесткие условия выдвигают ряд требований к определению и созданию оптимальных условий истечения смешанного парогазового потока внутри секций КЛОН, газоходе и газоприемнике, а именно:
– исключение разрушения конструкции секций КЛОН, газохода и газоприемника путем использования устройств контроля параметров ударной волны и устройств их снижения (перфорированной стенки в конце газохода и перфорированного препятствия в газоприемнике);
– обеспечение условий разгрузки полузамкнутого пространства секций КЛОН, газохода и газоприемника (по давлению) как в процессе ликвидации заряда ракетного двигателя, так и в случае возникновения аварийной ситуации (превышения внутреннего давления выше заданного «критического» давления – Ркр.).
Экспериментальное определение участка столкновения отраженной ударной волны и смешанного парогазового потока в газоходе или в концевых секциях КЛОН, а также давления при этом столкновении – весьма сложная задача из-за ликвидации зарядов РДТТ с различными энергетическими характеристиками. Решение данной задачи можно осуществить путем имитации условий столкновения ударной волны и определения избыточного давления в отраженной ударной волне и в случае превышения условия Р>Ркр. провести разгрузку (по давлению) в системе путем заблаговременного вскрытия вышибной поверхности.
Учитывая геометрические размеры секций КЛОН, газохода и газоприемника их прочностные характеристики, а также полученные параметры ударной волны нетрудно определить и установить безопасные условия истечения смешанного парогазового потока продуктов сгорания в полузамкнутом пространстве секций КЛОН и газохода:
Pmax<Ркр<Рраз
где Pmax – максимальное давление в отраженной ударной волне;
Ркр – заданное «критическое» давление (с учетом коэффициента безопасности), задаваемое в программном обеспечении измерительной системы, при котором происходит вскрытие вышибной поверхности и снижение внутреннего давления в системе;
Рраз – давление разрушения элементов конструкции газохода, секций КЛОН.
Технический результат способа заключается в том, что:
1. В отличие от прототипа осуществляют контроль и снижение параметров ударной волны путем размещения на внутренних стенках секций камеры локализации, охлаждения и нейтрализации продуктов сгорания и газоходе на равном удалении друг от друга на расстоянии от 5 до 10 м по всей длине тракта камеры и газохода модулей с двумя противоположно расположенными датчиками давления для определения избыточного давления отраженной ударной волны, идущей впереди смешанного парогазового потока продуктов сгорания, и давления после заполнения всей системы смешанным парогазовым потоком, а также, в программном обеспечении измерительной системы задают данные вскрытия «вышибной поверхности» исходя из условия: Pmax<Ркр<Рраз, где Pmax – максимальное давление в отраженной ударной волне; Ркр – заданное «критическое» давление; Рраз – давление разрушения элементов конструкции газохода, секций, а для определения скорости движения ударной волны и далее избыточного давления на фронте ударной волны на внутренних стенках секций на фиксированном расстоянии попарно устанавливают контактные датчики марки PSW – 5.
2. В газоприемнике, включающем газоход, на внутренней поверхности устанавливают перфорированное препятствие, состоящее из металлических труб, закрепленных одним концом к внутренней поверхности газоприемника диаметром 0,1 м, расположенных по всей поверхности в шахматном порядке на равном удалении друг от друга на расстоянии 1 м, и в конце газохода устанавливают перфорированную стенку из металлических труб диаметром 0,1 м в шахматном порядке на расстоянии друг от друга от 0,5 до 0,8 м с шириной от 1 до 2 м, жестко скрепленной с полом и крышей газохода, а для разгрузки всей системы по давлению в случае возникновения аварийной ситуации, когда: Pmax>Ркр устанавливают автоматическую или самопроизвольно-вскрывающуюся «вышибную поверхность» с общей площадью раскрытия от 15 до 30 м2.
Ударная волна начинает образовываться во второй и третьей секциях КЛОН, поэтому при выборе расстояний и места установки модулей с двумя противоположно расположенными датчиками давления необходимо исходить из геометрических размеров секций КЛОН (в нашем случае длина секций составляет от 3 до 7 м).
Модули необходимо устанавливать по всему тракту полузамкнутого пространства секций КЛОН и газохода начиная со второй секции на расстоянии 5-10 м, что позволяет регистрировать и контролировать динамику формирования ударной волны по всей длине полузамкнутого пространства секций КЛОН и газохода.
Предлагаемое изобретение позволяют определять:
– избыточное давление отраженной ударной волны смешанного парогазового потока по всему тракту секций КЛОН и газохода;
– скорость движения ударной волны (U) и далее избыточное давление на фронте ударной волны ( Р);
– давление в системе, возникающие после заполнения всей системы смешанным парогазовым потоком;
а также снизить:
– параметры образованной ударной волны при движении смешанного парогазового потока в полузамкнутом пространстве секций КЛОН и газоходе;
– давление в системе после заполнения смешанным парогазовым потоком.
Сущность изобретения заключается в получении аналогового сигнала с двух датчиков давления, установленных на модулях в секциях КЛОН и газоходе системы при прохождении ударной волны смешанного парогазового потока продуктов сгорания и давления после заполнения системы смешанным парогазовым потоком продуктов сгорания, их автоматической обработке (перевода в цифровую информацию с помощью измерительного комплекса ИК-16-1 и программного обеспечения, разработанных авторами) и в случае возникновения условий, когда избыточное давление на фронте отраженной ударной волны ( Р) или давление после заполнения системы смешанным парогазовым потоком продуктов сгорания превышает заданное значение «критического» давления – Ркр путем заблаговременного автоматического открытия электрозадвижек осуществляют вскрытие «вышибной поверхности» в газоходе.
Для сравнительной оценки разности давлений в ударной и в отраженной ударной волнах осуществляют измерение скорости движения ударной волны (U) с помощью контактных датчиков измерительного комплекса ИК-16-1.
Далее, по формуле (2) определяют избыточное давление на фронте ударной волны.
Дополнительно путем использования перфорированной стенки в конце газохода, а также перфорированного препятствия на внутренней стенке газоприемника осуществляют снижение параметров входящей и отраженной ударной волны (в начале процесса).
Изобретение поясняются схемами:
На фиг.1 схематически показан модуль с двумя датчиками давления, где 1 – стенка секции КЛОН или газохода, 2 – второй контактный датчик скорости, 3 – направление движения отраженной ударной волны после заполнения газоприемника смешанным парогазовым потоком, 4 – второй датчик давления для определения давления после заполнения газоприемника смешанным парогазовым потоком, 5 – модуль для установки датчиков давления, 6 – первый датчик давления для определения давления в отраженной ударной волне, идущей перед смешанным парогазовым потоком, 7 – направление движения смешанного парогазового потока, 8 – первый датчик скорости, 9 – клеммы подсоединения контактных датчиков скорости, 10 – клеммы подсоединения датчиков давления, 11 – базовое расстояние установки контактных датчиков скорости.
На фиг.2 показана условная схема протекания процесса истечения смешанного парогазового потока продуктов сгорания в секциях КЛОН, образования и отрыва ударной волны, где
12 – ракетный двигатель на твердом топливе (РДТТ); 13 – секции КЛОН; 14 – смешанный парогазовый поток продуктов сгорания; 15 – фронт ударной волны; 16 – газоход; 17 – газоприемник; 18 – перфорированное препятствие на внутренней стенке газоприемника; 19 – перфорированная стенка, установленная в конце газохода, 20 – автоматическая (или самопроизвольно вскрывающаяся) «вышибная поверхность»; 21 – электрозадвижки для автоматического вскрытия «вышибной поверхности»; 22 – защитный дворик.
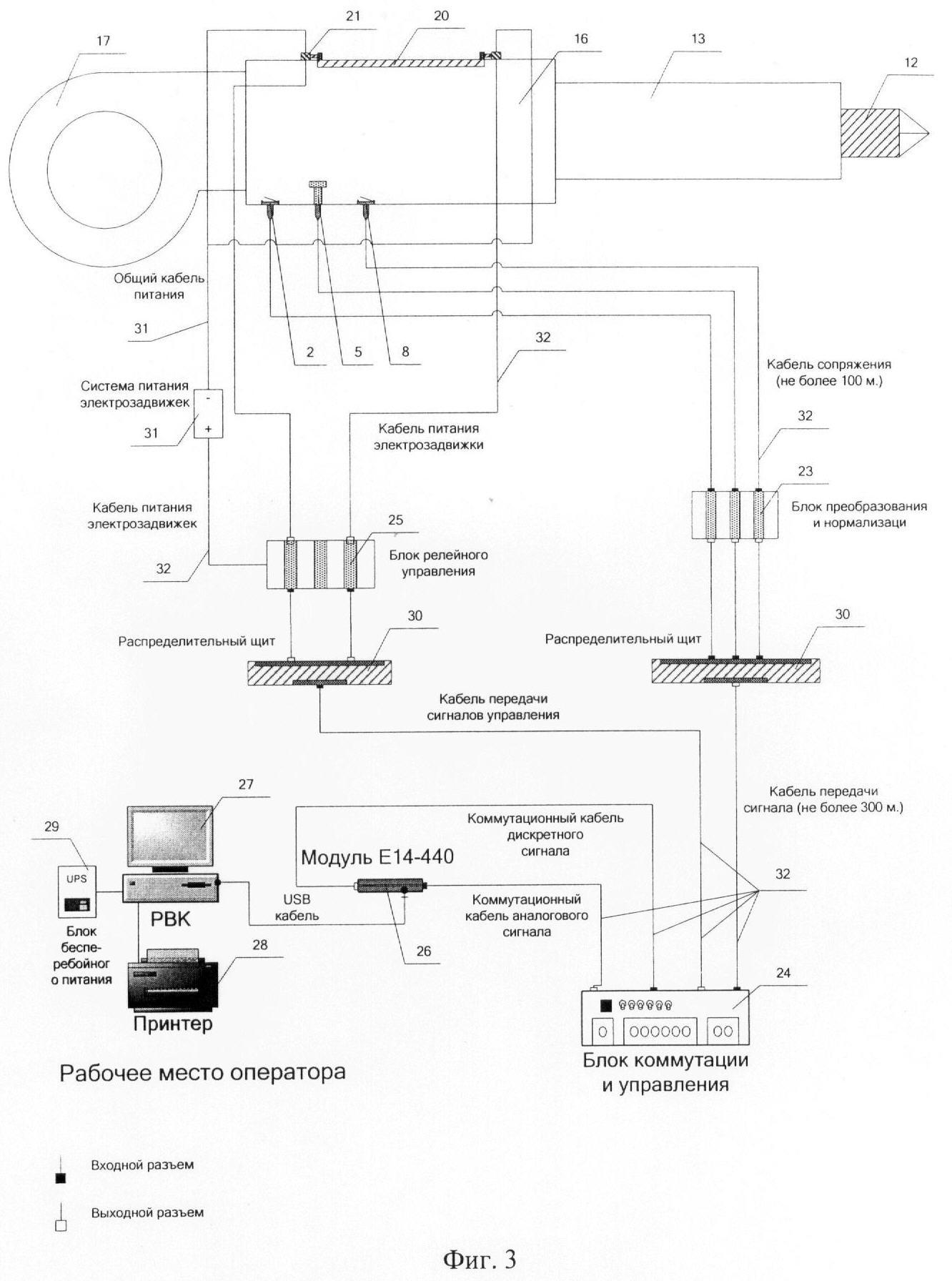
На фиг.3 – монтажная схема измерительного комплекса ИК-16-1:
23 – блок преобразования и нормализации, 24 – блок коммутации и управления, 25 – блок релейного управления, 26 – модуль Е14-440, 27 – регистрирующий вычислительный комплекс, 28 – принтер, 29 – блок бесперебойного питания, 30 – распределительный щит, 31 – общий кабель питания, 32 – кабели.
Контрольно-измерительный комплекс ИК-16-1 собран на основе стандартной современной элементной базы с использованием компьютера и программ по регистрации, обработке, выдачи регистрируемых параметров, их контроля и формированию управляющего сигнала для включения исполнительных органов (электрозадвижек “вышибной поверхности” и т.д.).
Основные составляющие элементы измерительной системы ИК-16-1 внесены в Государственный реестр средств измерения и допущены к применению в России, имеются сертификаты (например, преобразователь напряжения измерительный зарегистрирован в Государственном реестре под 28131.04, сертификат 19224 RU.C, 34.004.A).
Разработанное на предприятии ФГУП «НИИПМ» программное обеспечение позволяет:
– проводить выбор и задействование различных типов датчиков для регистрации давления внутри секции КЛОН и газоходе;
– обеспечивать прием и обработку аналогового сигнала, поступающего с датчиков давления (4, 6) и контактных датчиков (2, 8), перевода его в цифровую информацию, обработку кодов с последующей выдачей полученных значений в графическом и матричном видах на монитор и принтер компьютера;
– вести и хранить базу данных по испытаниям;
– преобразовывать полученные данные в формат Excel для более подробного анализа;
– контролировать значение Pmax в отраженной волне, и при условии превышения его заданного значения «критического» давления – Ркр выдачи дискретного сигнала для включения исполнительных органов (электрозадвижек «вышибной поверхности») (21);
– осуществлять измерение и регистрацию параметров давления и скорости газового потока в секциях КЛОН по 16-ти каналам (при необходимости число каналов может быть увеличено);
– совмещать данные при контроле, измерении и управлении с другими программами по дистанционному управлению систем стендового комплекса.
Состав контрольно-измерительной системы и назначение элементов:
– датчики давления (4, 6), которые попарно устанавливают в модуль (5), преобразуют давление в электрический параметр (ток или напряжение);
– контактные датчики (2, 8), которые попарно устанавливают на некотором расстоянии друг от друга, фиксируют воздействие газового потока резким изменением электрического параметра (напряжения), по времени между воздействиями и базовому расстоянию (11) между датчиками определяют средняя скорость;
– кабели (подкидные, стационарные, соединительные, коммутационные, передачи сигнала, сопряжения, питания) (31, 32) – предназначены для питания и передачи электрического сигнала исполнительных органов;
– распределительный щит (30) предназначен для соединения коммутации кабелей от различных блоков измерительного комплекса ИК-16-1;
– блок преобразования и нормализации (БПН) (23) состоит из модулей фирмы DATAFORTH DATAFORTH SCM5B38-07 (преобразование сигнала тензомоста в напряжение), предназначен для питания мостовой схемы датчиков давления и преобразования электрического параметра, снимаемого с датчика в напряжение постоянного тока 0-5 В для дальнейшей оцифровки и устранению электрических помех;
– блок коммутации и управления (БКУ) предназначен для управления процессом измерения и контроля;
– преобразователь напряжения измерительный (модуль Е14-440) (26);
– предназначен для оцифровки аналогового сигнала (функции АЦП), поступающего с БПН (23) и выдачи дискретных сигналов (функции ЦАП и дискретного вывода) для управления исполнительными органами (электрозадвижками «вышибной поверхности»);
– блок релейного управления (БРУ) (25) состоит из модулей цифрового ввода-вывода SCMD фирмы DATAFORTH, предназначен для управления (подключения, отключения) цепью подачи питания на исполнительные органы в соответствии с дискретным сигналом, формируемым модулем Е14-440 (26);
– регистрирующий вычислительный комплекс (РВК) (27) на основе системного блока, на базе процессора «Pentium-4» и монитора, клавиатура, мышь;
– принтер (28);
– блок бесперебойного питания (ББП) (29);
– стойка для размещения оборудования;
– программное обеспечение по обработке регистрации, давлений и скорости газового потока и управлению включением электрозадвижек “вышибной поверхности”.
На фиг.4 показаны схематически профили образования ударной волны и волн разряжения при истечении смешанного парогазового потока в начальных секциях КЛОН:
33 – максимальное давление на фронте ударной волны; 34 – заданное «критическое» давление – Ркр, при превышении которого происходит вскрытие «вышибной поверхности», 35 – волна разряжения, образованная ударной волной, 36 – волна разряжения, образованная в результате движения смешанного парогазового потока, 37 – максимальные значения давления в волнах разряжения.
На фиг.5 схематически показан отрыв ударной волны от смешанного парогазового потока в концевых секциях КЛОН и газоходе:
38 – зона отрыва ударной волны от смешанного парогазового потока.
На фиг.6 схематически показано повышение давления в системе после заполнения смешанным парогазовым потоком:
39 – повышение давления в системе после заполнения ее смешанным парогазовым потоком.
Для доказательства достоверности схем, представленных на фиг.4 – 6, на фиг.7-9 приведены экспериментальные данные по измерению давлений в системе при ликвидации одного из натурного РДТТ.
На фиг.7 приведен один из образцов экспериментальных данных измерения давления, полученных с помощью модуля, где показан весь процесс истечения смешанного парогазового потока в секциях КЛОН, газоходе при ликвидации натурного РДТТ:
40 – показания давления в кодах, 41 – время.
На фиг.8 показана ударная волна в развернутом виде, когда Pmax превышает заданное «критическое» давление – Ркр:
42 – исходное положение до начала измерения.
На фиг.9 показаны экспериментальные данные измерения давления после заполнения всей системы смешанным парогазовым потоком и повышения давления в системе после его заполнения смешанным парогазовым потоком.
Техническое решение в предлагаемом способе и устройстве реализуют следующим образом:
1. Перед началом установки ликвидируемого ракетного двигателя (12) производят установку и крепление модулей с датчиками давления (4, 5, 6) и установку попарно контактных датчиков скорости (2, 8) на базовом расстоянии (11) внутри секций КЛОН (13) и газохода (16).
2. Контактные датчики скорости (2, 8) и датчики давления (4, 6) в модуле (5) крепят к стенкам секций КЛОН и газохода (1), а через клеммы (9, 10) и соединительные кабели (32) с блоком преобразования и нормализации (23) и через распределительный щит (30) и кабели передачи сигнала с блоком коммутации и управления (24) и АЦП Е14-440 (26), где производится преобразование аналогового сигнала в цифровую информацию (фиг.3).
3. Осуществляют подачу воды в секции КЛОН (13) для локализации, охлаждения продуктов сгорания ликвидируемого заряда ракетного двигателя (12).
4. Включают измерительный комплекс ИК-16-1 для измерения, контроля параметров ударной волны в секциях КЛОН: давления в отраженной ударной волне в начале процесса ликвидации заряда через датчика давления (6), давления после заполнения системы смешанным парогазовым потоком продуктов сгорания через датчик давления (4), скорость движения ударной волны с помощью контактных датчиков (2, 8). При этом заранее задается «критическое» давление – Ркр исходя из прочностных характеристик элементов конструкции газохода и секций КЛОН, при котором должно произойти вскрытие «вышибной поверхности» (20).
5. Производят инициирование заряда ликвидируемого ракетного двигателя на твердом топливе (12).
6. Во время прохождения фронта ударной волны, идущей впереди смешанного парогазового потока (14) по тракту секций КЛОН (13) и газохода, происходит включение контакта (первого датчика скорости) (8) и далее – второго датчика скорости (2), установленных на базовом расстоянии (11) друг от друга в секциях КЛОН (13) и газоходе (16), а также регистрация давления в отраженной ударной волне с помощью первого датчика давления (6). При этом аналоговый сигнал от датчиков поступает через блок преобразования и нормализации (23), распределительный щит (30) в блок коммутации и управления (24) и далее в регистрирующий вычислительный комплекс (27) по кабелям, где преобразуется в цифровую информацию для дальнейшей обработки полученных результатов в виде матрицы и графического изображения на мониторе.
7. Далее, после прохождения ударной волны (15) через перфорированную стенку (19), установленную в конце газохода и перфорированное препятствие (18) в газоприемнике (17) происходит снижение первоначальных параметров ударной волны (15), которая возвращается обратно в газоход (16), где также происходит снижение параметров ударной волны при обратном прохождении перфорированной стенки (19). Давление в ослабленной отраженной ударной волне фиксируется вторым датчиком давления (4), установленного на модуле (5), сигнал с которого поступает в измерительный комплекс ИК-16-1.
8. После заполнения газоприемника (17) смешанным парогазовым потоком (14) происходит повышение давления за счет торможения истечения смешанного парогазового потока, которое фиксируется вторым датчиком давления (4) на модуле (5).
9. При превышении значения давления в системе выше заданного «критического» давления Ркр происходит автоматическое, дистанционное вскрытие «вышибной поверхности» (20) в газоходе (16) и дальнейшая разгрузка всей системы по давлению. Данные по давлению поступающих в измерительный комплекс ИК-16-1 как с первого, так и со второго датчиков модуля и дальнейшего их сравнения с заданным «критическим» давлением Ркр осуществляют автоматически с помощью программного обеспечения регистрирующего вычислительного комплекса (27). Вскрытие «вышибной поверхности» (20) осуществляют путем подачи сигнала на электрозадвижки (21) «вышибной поверхности», установленной в газоходе (16).
Для конкретных конструкций секций КЛОН, газохода, а также с учетом расходных характеристик однотипных ликвидируемых зарядов «вышибная поверхность» в газоходе может быть смонтирована по прочности (расчетным путем) таким образом, чтобы ее вскрытие происходило самопроизвольно при образовании некоторого значения давления меньшего давления разрушения элементов конструкции газохода и секций КЛОН.
Экспериментальные исследования по контролю и измерению скорости ударной волны, избыточного давления и давления после заполнения системы, проведенные в ФГУП «НИИПМ» при ликвидации натурных зарядов (I, II, III ступеней) ракетного комплекса РС-22 массой до 50 т на стенде, оборудованном секциями КЛОН, газоходом и газоприемником с помощью измерительного комплекса ИК-16-1 показали эффективность и надежность данного способа и устройства.
Предварительная экспериментальная оценка перфорированных устройств осуществлялась при подрыве взрывчатых веществ (ВВ: тротил, аммонит 6 ЖВ) с эквивалентным значением давления на фронте ударной волны, идущей перед смешанным парогазовым потоком продуктов сгорания, при этом установлено, что предложенные устройства обеспечивают снижение параметров ударной волны примерно в два-три раза (в зависимости от расстояний и массы ВВ до перфорированной преграды, соответственно и параметров ударной волны), а параметры продуктов взрыва примерно в четыре-пять раз.
«Критическое» давление – Ркр, задаваемое в программном обеспечении измерительного комплекса ИК-16-1, определяют исходя из прочностных характеристик материалов и конструкций секций КЛОН, газохода и газоприемника. На практике, как правило, используют коэффициент безопасности, когда заданное «критическое» давление Ркр меньше в два раза максимального давления разрушения наиболее уязвимых мест (по давлению разрушения Рраз) элементов конструкций системы.
Формула изобретения
1. Способ контроля и снижения параметров ударной волны в камере локализации, охлаждения и нейтрализации, газоходе и газоприемнике при ликвидации заряда ракетного двигателя на твердом топливе, включающий контроль и управление тепловыми режимами истечения продуктов сгорания, отличающийся тем, что осуществляют контроль и снижение параметров ударной волны путем размещения на внутренних стенках секций камеры локализации, охлаждения и нейтрализации продуктов сгорания и газоходе на равном удалении друг от друга на расстоянии от 5 до 10 м по всей длине тракта камеры и газохода модулей с двумя противоположно расположенными датчиками давления для определения избыточного давления отраженной ударной волны, идущей впереди смешанного парогазового потока продуктов сгорания, и давления после заполнения всей системы смешанным парогазовым потоком, а также в программном обеспечении измерительной системы задают данные вскрытия «вышибной поверхности», исходя из условия: Pmax<Ркр.<Рраз., где Pmax – максимальное давление в отраженной ударной волне, Ркр. – заданное «критическое» давление, Рраз. – давление разрушения элементов конструкции газохода, секций, а для определения скорости движения ударной волны и далее избыточного давления на фронте ударной волны на внутренних стенках секций на фиксированном расстоянии попарно устанавливают контактные датчики.
2. Газоприемник, включающий газоход, отличающийся тем, что на внутренней поверхности устанавливают перфорированное препятствие, состоящее из металлических труб, закрепленных одним концом к внутренней поверхности газоприемника диаметром 0,1 м, расположенных по всей поверхности в шахматном порядке на равном удалении друг от друга на расстоянии 1 м, и в конце газохода устанавливают перфорированную стенку из металлических труб диаметром 0,1 м в шахматном порядке на расстоянии друг от друга от 0,5 до 0,8 м с шириной от 1 до 2 м, жестко скрепленной с полом и крышей газохода, а для разгрузки всей системы по давлению в случае возникновения аварийной ситуации, когда Pmax>Ркр., устанавливают автоматическую или самопроизвольно-вскрывающуюся «вышибную поверхность» с общей площадью раскрытия от 15 до 30 м2.
РИСУНКИ
|