|
|
(21), (22) Заявка: 2007126856/06, 13.12.2005
(24) Дата начала отсчета срока действия патента:
13.12.2005
(30) Конвенционный приоритет:
14.12.2004 DE 102004060417.7
(43) Дата публикации заявки: 27.01.2009
(46) Опубликовано: 10.01.2010
(56) Список документов, цитированных в отчете о поиске:
DE 3422398 А1, 19.12.1985. SU 1737155 А1, 30.05.1992. US 3811805 А, 21.05.1974. DE 202004003532 U1, 09.06.2004. СН 559117 А5, 28.02.1975. WO 02/070291 А, 12.09.2002.
(85) Дата перевода заявки PCT на национальную фазу:
16.07.2007
(86) Заявка PCT:
EP 2005/013356 20051213
(87) Публикация PCT:
WO 2006/063788 20060622
Адрес для переписки:
103735, Москва, ул. Ильинка, 5/2, ООО “Союзпатент”, пат.пов. И.М.Захаровой
|
(72) Автор(ы):
КЁК Энгельберт (DE)
(73) Патентообладатель(и):
КНОРР БРЕМЗЕ ЗЮСТЕМЕ ФЮР ШИНЕНФАРЦОЙГЕ ГМБХ (DE)
|
(54) КОМПАКТНЫЙ ВИНТОВОЙ КОМПРЕССОР ДЛЯ МОБИЛЬНОГО ПРИМЕНЕНИЯ В ТРАНСПОРТНОМ СРЕДСТВЕ
(57) Реферат:
Изобретение относится к компактному винтовому компрессору для мобильного применения в транспортном средстве. Компактный винтовой компрессор для питания бортовой сети сжатого воздуха транспортного средства содержит винтовой компрессорный агрегат (1), приводимый в действие моторным агрегатом, причем частота вращения моторного агрегата, предназначенного только для винтового компрессорного агрегата (1), задается регулирующим блоком (8) таким образом, что винтовой компрессорный агрегат (1) производит сжатый воздух при заданной производительности независимо от приводного агрегата (6) транспортного средства. Изобретение направлено на создание компактного винтового компрессора для мобильного применения в транспортном средстве, производительность выработки сжатого воздуха которого существенно не зависит от колебаний частоты вращения приводного агрегата. 5 з.п. ф-лы, 3 ил.
Настоящее изобретение относится к компактному винтовому компрессору для мобильного применения в транспортном средстве, содержащему винтовой компрессорный агрегат, приводимый в действие моторным агрегатом.
В транспортных средствах винтовые компрессоры применяются везде там, где несмотря на ограниченность свободного места приходится производить сжатый воздух для питания бортовой сети сжатого воздуха. Сам по себе известный принцип конструкции винтового компрессора изначально пригоден для особо компактной конструкции и раскрыт, например, в выкладном описании по изобретению DE 3422398 A1.
Из общего уровня техники известно, что винтовые компрессоры, применяемые в транспортных средствах, таких как безрельсовые или рельсовые транспортные средства, приводятся в действие через приводной агрегат транспортного средства, например дизельный двигатель. Это может происходить с помощью прямого сцепления винтового компрессорного агрегата с моторным агрегатом, как, например, в оптимальном варианте выполнения, описанном в US 3,811,805; в качестве альтернативы можно также предусмотреть между приводным агрегатом транспортного средства в качестве моторного агрегата и винтовым компрессорным агрегатом наличие редуктора с постоянным передаточным отношением. Обычно такой редуктор выполнен в виде клиноременной передачи.
Недостаток решений, известных из уровня техники, состоит в том, что производительность винтового компрессорного агрегата при производстве сжатого воздуха определяется частотой вращения приводного агрегата транспортного средства. Производительность винтового компрессорного агрегата снижается с уменьшением числа оборотов приводного агрегата, например, при торможении. И наоборот, производительность винтового компрессорного агрегата возрастает с увеличением числа оборотов этого агрегата, например, при ускорении движения транспортного средства. Вследствие этого может возникнуть проблема, состоящая в том, что в рабочих точках транспортного средства, в которых это средство расходует большое количество сжатого воздуха (например, при торможении), из-за низкой исходной частоты вращения приводного агрегата будет вырабатываться соответствующее количество сжатого воздуха, при котором не гарантируется снабжение сжатым воздухом в соответствии с его расходом.
Для решения этой проблемы до настоящего времени предпринимались попытки снабжения сети сжатого воздуха транспортного средства достаточно большими накопительными емкостями со сжатым воздухом, из которых при повышенном расходе можно было бы отбирать требуемое количество воздуха. Правда, это решение имеет тот недостаток, что такие емкости со сжатым воздухом занимают в транспортном средстве соответственно много места, что противоречит цели создания по возможности компактной установки сжатого воздуха.
Задачей настоящего изобретения является создание компактного винтового компрессора для мобильного применения в транспортном средстве, производительность выработки сжатого воздуха которого существенно не зависит от колебаний частоты вращения приводного агрегата.
Указанная задача решается с помощью компактного винтового компрессора согласно ограничительной части пункта 1 формулы изобретения в сочетании с его отличительными признаками. В последующих зависимых пунктах формулы изобретения отражены оптимальные варианты осуществления изобретения.
Изобретение содержит в себе техническое решение, согласно которому частота вращения моторного агрегата, приданного только винтовому компрессорному агрегату, задается регулирующим блоком таким образом, что винтовой компрессорный агрегат производит сжатый воздух с заданной производительностью независимо от приводного агрегата транспортного средства.
Преимущество привода винтового компрессора согласно изобретению, регулируемого в соответствии с расходуемым количеством воздуха, состоит в том, что и в рабочих точках, в которых расходуется большое количество сжатого воздуха, причем частота вращения приводного агрегата транспортного средства является при этом низкой, обеспечивается достаточное количество сжатого воздуха. От применения дополнительных больших емкостей со сжатым воздухом можно в значительной степени отказаться.
Благодаря применению регулирующего блока согласно изобретению производительность и, следовательно, потребление мощности винтовым компрессором согласно изобретению могут быть заданы точно в соответствии с характеристиками соответствующего моторного агрегата и могут в любое время приводиться в соответствие с меняющимся режимом работы без дополнительного дооборудования механическими деталями, как это приходится делать, например, при чередующемся использовании маршрутных автобусов при движении внутри города и за его пределы.
Моторный агрегат, приводящий в действие исключительно винтовой компрессорный агрегат, может быть выполнен по типу гидропривода или электродвигателя. Решающее значение при выборе моторного агрегата в рамках настоящего изобретения имеет то, что он должен быть пригодным для использования в качестве исполнительного органа при практикуемом в данном случае регулировании частоты вращения с учетом расхода.
Применение регулируемого гидропривода обеспечивает энергосберегающий простой винтового компрессора согласно изобретению, без применения подверженных износу элементов сцепления, только через задаваемое регулирующим блоком изменение угла поворота гидронасоса гидропривода.
Предпочтительно регулируемый гидропривод состоит из непосредственно прифланцованного к винтовому компрессорному агрегату гидромотора, снабжаемого необходимой для эксплуатации рабочей жидкостью с помощью гидронасоса, причем управление регулируемого гидронасоса производится регулирующим блоком. Альтернативно по отношению к нерегулируемому гидромотору винтового компрессорного агрегата в этом случае может также применяться регулируемый гидромотор при условии наличия постоянного контура.
Дополнительно также возможно, чтобы в качестве альтернативы гидромотор мог заменяться электродвигателем. В качестве моторного агрегата электродвигатель может тогда предпочтительно применяться, например, в том случае, когда транспортное средство представляет собой гибридный тип. В таком гибридном транспортном средстве привод осуществляется в первую очередь электродвигателем, для которого электрический ток вырабатывается генератором, приводимым в действие дизельным двигателем. Избыток электрического тока может при этом отводится в аккумуляторную батарею. Следовательно, в таком гибридном транспортном средстве и без того присутствует электрический ток, с помощью которого можно обеспечить питание отдельного электродвигателя винтового компрессора необходимой для работы энергией. Предпочтительно выполнить отдельный электродвигатель в виде двигателя трехфазного тока, снабжаемого необходимой для работы энергией в виде тока постоянного напряжения, вырабатываемого генератором и подводимого через инвертор.
Согласно другому усовершенствующему изобретение варианту винтовой компрессорный агрегат состоит преимущественно из трех частей корпуса, соединенных между собой монтажом, не содержащих наружной магистрали и образующих в целом винтовой компрессорный агрегат. Части корпуса изготовлены предпочтительно из литого металла. Внутри частей корпуса могут компактно располагаться многочисленные функциональные элементы. Кроме того, при такой конструкции отпадает необходимость в любых наружных трубопроводах для компрессора.
Первая часть разъемного корпуса содержит предпочтительно, по меньшей мере, один всасывающий обратный клапан с расположенными за ним компрессорным винтовым устройством, предварительным маслоотделителем, содержащим маслоотстойник с успокоителем, блоком сброса давления (при выключении). Все эти функциональные элементы винтового компрессорного агрегата предпочтительно размещаются в первой части корпуса.
Во второй части корпуса, связанной с первой, сформирован преимущественно выпускной контур винтового компрессорного агрегата и расположены средства для отвода масла из маслоотстойника, по меньшей мере, один масляный фильтр с масляным термостатом (факультативно) и, по меньшей мере, один маслозаливной патрубок.
С указанными выше обеими частями корпуса предпочтительно использовать его третью часть, в которой содержатся преимущественно средства для размещения масляного суперфильтра, средства для отсоса масла, регулирующие клапаны постоянного давления и обратные клапаны.
В винтовом компрессорном агрегате, состоящем предпочтительно из трех указанных выше частей корпуса с встроенными конструктивными элементами, отпадает необходимость в использовании любых наружных и внутренних трубопроводов, которые обычно применяются, в частности, для сброса давления при выключении, для отвода масла из фильтра тонкой очистки и пр.
Согласно еще одному усовершенствующему изобретение варианту предусматривается, чтобы гидромотор был соединен с винтовым компрессорным агрегатом ведущим диском, с которым взаимодействуют концы валов гидромотора и винтового компрессорного агрегата, причем ведущий диск демпфируется и смазывается с помощью масляного контура или устройства для длительной смазки консистентным смазочным веществом. Благодаря применению такого демпфированного ведущего диска обеспечивается сцепление гидромотора с винтовым компрессорным агрегатом совершенно без износа. Обычно для этой цели применяются эластичные или жесткие муфты в том случае, когда привод осуществляется через клиновые ремни или редуктор без передаточного отношения. Все эти средства сцепления подвержены износу и обеспечивают только жесткое соединение гидромотора с винтовым компрессорным агрегатом.
Согласно другому усовершенствующему изобретение варианту масляный контур, необходимый для охлаждения винтового компрессорного агрегата, связан через теплообменник с охлаждающим регулируемым термостатом контуром транспортного средства. При этом варианте становится возможным полностью отказаться от собственной регулировки температуры масляного контура, служащего для охлаждения винтового компрессорного агрегата. В качестве охлаждающего контура транспортного средства может использоваться охлаждающий контур для смазки вала транспортного средства, дифференциала и пр. или же охлаждающий контур для двигателя. В результате этого также становится возможным непосредственное соединение теплообменника с винтовым компрессорным агрегатом или, в качестве альтернативы, с приводным агрегатом транспортного средства.
Другие усовершенствующие изобретение варианты подробно поясняются ниже вместе с описанием предпочтительного примера выполнения изобретения со ссылкой на чертежи, на которых изображено:
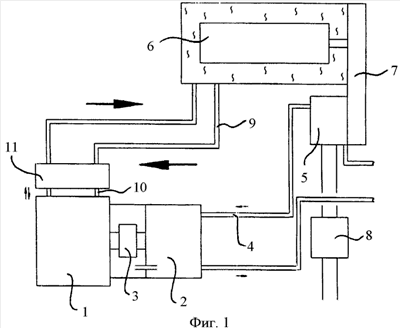
фиг.1 – блок-схема винтового компрессора с периферийными устройствами,
фиг.2 – внешний вид спереди в перспективе на компактный винтовой компрессор,
фиг.3 – график приведения в соответствие вырабатываемого количества сжатого воздуха с его расходуемым количеством путем соответствующего регулирования.
Согласно фиг.1 винтовой компрессор состоит из винтового компрессорного агрегата 1, приводимого в действие гидромотором 2. При этом гидромотор 2 сцепляется с винтовым компрессорным агрегатом 1 ведущим диском 3. С ведущим диском 3 взаимодействуют оба конца валов гидромотора 2 и винтового компрессорного агрегата 1. Ведущий диск 3 демпфируется и смазывается с помощью масляного контура (не показан). Гидромотор 2 непосредственно прифланцован к винтовому компрессорному агрегату 1.
С помощью маслопровода 4, обеспечивающего подачу и отвод масла, гидромотор 2 снабжается необходимой для эксплуатации рабочей жидкостью. Для этого используется регулируемый гидронасос 5, питающий маслопровод 4. Гидронасос 5 приводится в действие через выходной конец вспомогательного вала отбора мощности привода 6 транспортного средства с использованием промежуточно расположенного редуктора 7, который в данном случае выполнен в виде зубчатой передачи. Управление регулируемым гидронасосом 5, т.е. служащее для этой цели изменение угла положения приводной части, производится электронным регулирующим блоком 8. Такой компоновкой достигается положение, при котором производительность выработки сжатого воздуха винтовым компрессорным агрегатом 1 не зависит от частоты вращения привода 6 транспортного средства.
Винтовой компрессорный агрегат 1 охлаждается в данном случае посредством охлаждающего контура 9 не показанного транспортного средства. Для этой цели масляный контур 10, необходимый для охлаждения винтового компрессорного агрегата 1, связан через теплообменник 11 с охлаждающим регулируемым термостатом контуром 9 транспортного средства.
На фиг.2 показан компактный винтовой компрессор с гидромотором 2, прифланцованным к винтовому компрессорному агрегату 1. Винтовой компрессорный агрегат 1 состоит из разъемного корпуса, причем его первая часть 12 содержит всасывающий обратный клапан 13 с расположенными за ним (не показаны) находящимся внутри компрессорным винтовым устройством, находящимся внутри предварительным маслоотделителем (содержащим маслоотстойник с успокоителем), блоком сброса давления. Вторая часть 14 корпуса винтового компрессорного агрегата 1 служит выпускным контуром винтового компрессорного агрегата 1 и содержит средства для отвода масла из маслоотстойника первой части 12 корпуса, а также крышку 15 маслофильтра. Рядом с крышкой 15 маслофильтра во второй части 14 корпуса находится маслозаливной патрубок 16. Третья часть 17 корпуса содержит средства для размещения масляного суперфильтра 18. На третьей части 17 корпуса расположены также регулирующий клапан постоянного давления 19 и обратный клапан 20. (Все эти функциональные элементы являются известными элементами винтовых компрессоров, поэтому в данном случае отсутствует необходимость в описании их взаимодействия).
На диаграмме, фиг.3, показана производительность в л/мин компактного винтового компрессора описанного выше типа в зависимости от частоты вращения и л/мин приводного агрегата транспортного средства. На ней можно видеть, что независимо от частоты вращения приводного агрегата обеспечивается производительность выработки сжатого воздуха, необходимая для двух основных потребляющих участков А и В. Это достигается, как уже подробно описано выше, применением регулирующего блока, который регулирует гидропривод с учетом объема расхода.
Перечень позиций
1 винтовой компрессорный агрегат
2 гидромотор
3 ведущий диск
4 маслопровод
5 гидронасос
6 приводной агрегат
7 редуктор
8 регулирующий блок
9 охлаждающий контур
10 масляный контур
11 теплообменник
12 первая часть корпуса
13 всасывающий обратный клапан
14 вторая часть корпуса
15 крышка масляного фильтра
16 заливной патрубок
17 третья часто корпуса
18 масляный суперфильтр
19 регулирующий клапан постоянного давления
20 обратный клапан
Формула изобретения
1. Компактный винтовой компрессор для питания бортовой сети сжатого воздуха транспортного средства, содержащий винтовой компрессорный агрегат (1), приводимый в действие моторным агрегатом, причем моторный агрегат выполнен по типу регулируемого гидропривода (2, 5), отличающийся тем, что гидропривод состоит из гидромотора (2), непосредственно прифланцованного к винтовому компрессорному агрегату (1) и снабжаемого необходимой для эксплуатации рабочей жидкостью с помощью регулируемого гидронасоса (5) через маслопровод (4), причем регулируемый гидронасос (5) управляется регулирующим блоком (8), при этом частота вращения моторного агрегата, предназначенного только для винтового компрессорного агрегата (1), задается регулирующим блоком (8) таким образом, чтобы винтовой компрессорный агрегат (1) вырабатывал сжатый воздух при заданной производительности независимо от приводного агрегата (6) транспортного средства, при этом винтовой компрессорный агрегат (1) состоит из разъемного корпуса, первая часть (12) которого содержит, по меньшей мере, один всасывающий обратный клапан (13) с расположенными за ним компрессорным винтовым устройством и предварительным маслоотделителем, вторая часть (14) корпуса содержит выпускной контур винтового компрессорного агрегата (1) и третья часть (17) корпуса содержит средства для размещения масляного суперфильтра (18).
2. Компрессор по п.1, отличающийся тем, что предварительный маслоотделитель содержит маслоотстойник с успокоителем с расположенным за ним блоком сброса давления при выключении.
3. Компрессор по п.1, отличающийся тем, что вторая часть (14) корпуса содержит дополнительно средства для отвода масла из маслоотстойника, по меньшей мере, одну крышку (15) масляного фильтра и, по меньшей мере, один маслозаливной патрубок (16).
4. Компрессор по п.1, отличающийся тем, что третья часть (17) корпуса содержит дополнительно средства для отсоса масла, регулирующий клапан постоянного давления (19) и обратный клапан (20).
5. Компрессор по п.1, отличающийся тем, что все три части (12, 14, 17) корпуса соединены между собой после своего монтажа и не содержат наружной магистрали, образуя винтовой компрессорный агрегат (1).
6. Компрессор по п.1, отличающийся тем, что гидромотор (2) непосредственно сцепляется с винтовым компрессорным агрегатом (1) с помощью ведущего диска (3), с которым взаимодействуют концы валов гидромотора (2) и винтового компрессорного агрегата (1), причем ведущий диск (3) демпфируется и смазывается с помощью масляного контура или устройства для длительной смазки консистентным смазочным веществом.
РИСУНКИ
|
|