|
|
(21), (22) Заявка: 2008128532/13, 15.07.2008
(24) Дата начала отсчета срока действия патента:
15.07.2008
(46) Опубликовано: 10.01.2010
(56) Список документов, цитированных в отчете о поиске:
Современные способы производства виноградных вин/ Под ред. ВАЛУЙКО Г.Г., М, Легкая и пищевая промышленность, 1981, с.231-234. RU 2144087 C1, 10.01.2000. SU 1502613 A1, 23.08.1989. SU 839444 A3, 15.06.1981. ГЛАВАЧЕК Ф., ЛХОТСКИЙ А. Пивоварение, М, Пищевая промышленность, 1977, с.330-332. КИШКОВСКИЙ З.Н., МЕРЖАНИАН А.А. Технология вина, М, Легкая и пищевая промышленность, 1964, с.468-469.
Адрес для переписки:
127030, Москва, пл. Борьбы, 15, кв.17, Н.А. Мехузле
|
(72) Автор(ы):
Мехузла Николай Аполлонович (RU), Мехузла Николай Николаевич (RU), Иванков Александр Иванович (RU)
(73) Патентообладатель(и):
Мехузла Николай Аполлонович (RU), Мехузла Николай Николаевич (RU), Иванков Александр Иванович (RU)
|
(54) СПОСОБ ПЕРЕРАБОТКИ ВИНОГРАДА И ЛИНИЯ ДЛЯ ЕГО ОСУЩЕСТВЛЕНИЯ
(57) Реферат:
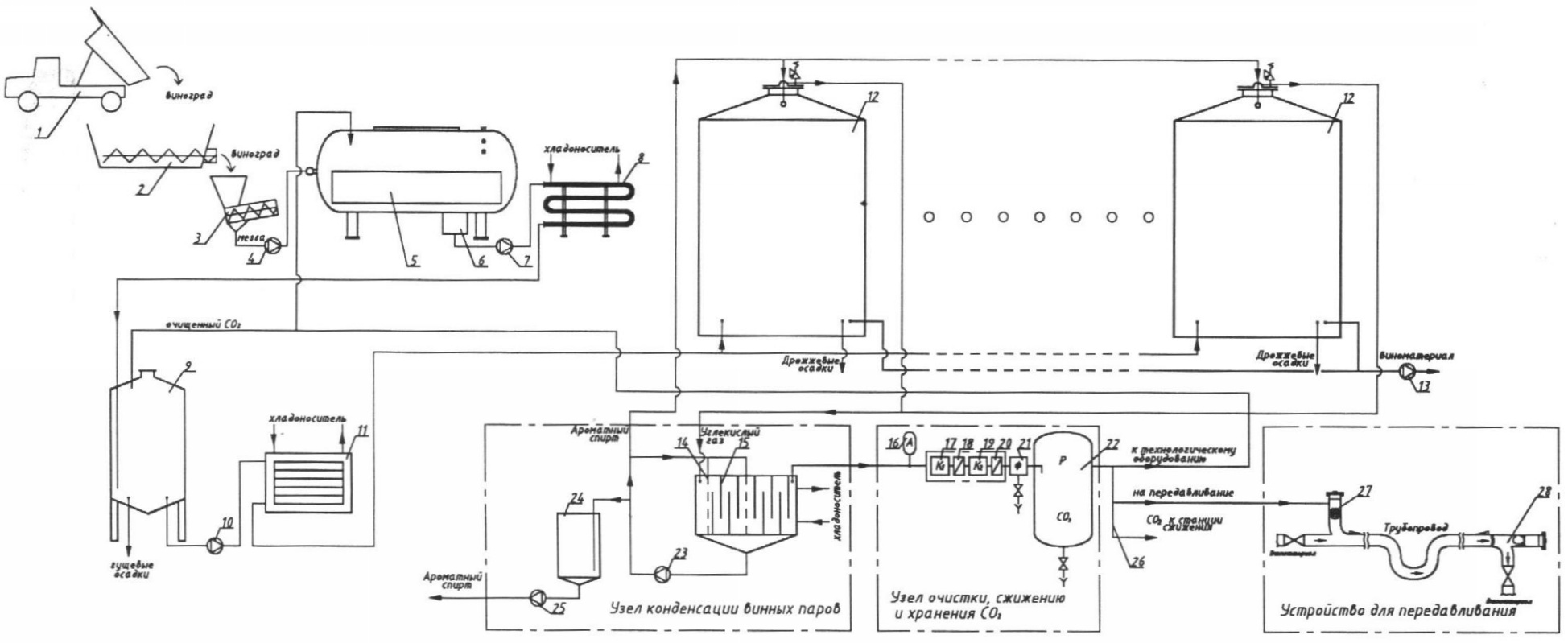
Виноград из машины 1 выгружают в приемный бункер 2 с дозирующим шнеком-питателем, подающим его в дробилку-гребнеотделитель 3. Дробят виноград с гребнеотделением, насосом 4 подают мезгу в пневмопресс 5, где ее прессуют с получением сусла, которое собирают в сборнике 6. Сусло насосом 7 перекачивают в поточный охладитель 8, охлаждают до 10-12°С и направляют в отстойник 9. После отстаивания в течение 10-24 ч отделяют гущевые осадки и удаляют их, охлаждают в охладителе 11 сусло до температуры сбраживания, вносят в него чистую культуру винных дрожжей и сбраживают в бродильных резервуарах 12 до полного выбраживания сахаров. Полученный виноматериал перекачивают насосом 13 в винохранилище. Во время активного брожения образовавшиеся винные пары и углекислый газ отводят из бродильных резервуаров 12 через крышку верхнего люка в конденсатор паров 15, конденсируют их с получением углекислого газа и сконденсировавшейся водно-спиртовой смеси. Углекислый газ подвергают в углекислотном компрессоре 17, 19 двухстадийному компрессированию до давления 10-12 бар с охлаждением в промежуточном и конечном холодильниках 18, 20 и фильтруют в фильтре 21 сжатый углекислый газ в три стадии, на первой из которых удаляют остатки паров воды и спирта с помощью глубинного фильтра с размером пор 1 мкм, на второй сорбируют запахи, а на третьей очищают через мембраны с размером пор не менее 0,2 мкм. Очищенный углекислый газ направляют в сусло в отстойник 9, в мезгу на прессование в пневмопресс 5, на станцию сжижения, в винохранилище для хранения в среде углекислого газа и в напорный и приемный узлы устройства передавливания виноматериалов 27 и 28 на перекачку виноматериала из винохранилища. Сконденсировавшуюся водно-спиртовую смесь разделяют на части, одну из которых накапливают и отбирают в резервуаре-накопителе 24 в качестве ароматного спирта, другую часть используют для частичной конденсации паров и снижения пенообразования на поверхности бродящей среды путем возврата и разбрызгивания в надбродящем пространстве бродильных резервуаров 12, а третью возвращают через распылитель конденсата 14 в конденсатор паров 15 на охлаждение винных паров и углекислого газа путем распыления до туманообразного состояния. Ароматные спирты из резервуара-накопителя ароматных спиртов 24 насосом 25 подают для улучшения аромата столовых, крепких, десертных и полусладких вин. Сконденсировавшейся водно-спиртовой смесью путем ее возврата и разбрызгивания в надбродящем пространстве бродильных резервуаров 12 частично конденсируют пары и снижают пенообразование на поверхности бродящей среды. Углекислый газ подвергают двустадийному компрессированию до давления 10-12 бар и охлаждению посредством безмаслянного углекислотного компрессора 17, 19, снабженного промежуточным и конечным холодильниками 18 и 20. Сжатый углекислый газ фильтруют в три стадии, на первой стадии проводят глубинную фильтрацию через поры размером 1 мкм, на второй – с использованием активированного угля, а на третьей – через поры размером не менее 0,2 мкм. Очищенный углекислый газ подают на станцию сжижения углекислого газа. Это позволяют более полно и эффективно выделять продукты брожения, снижать их потери и повышать качество готового продукта. 2 н.п. ф-лы, 1 ил.
Изобретение относится к винодельческой промышленности.
Известен способ утилизации продуктов брожения, предусматривающий в процессе брожения отвод их из резервуара путем рециркуляции двуокиси углерода через охлаждаемую колонну-конденсатор и возврата ее в резервуар, сбор и очистку испаряющихся компонентов вместе с частью воды (патент РФ 2144087, кл. С12Р 7/10, 2000).
Недостатком известного способа является невысокая степень очистки сбраживаемой среды.
Известен способ и установка для утилизации компонентов, образующихся в процессе брожения пивного сусла, предусматривающий отбор углекислого газа в газгольдер, отсос его в уравнительную камеру, отделение воды в водоотделителе, сжатие в трехступенчатом компрессоре, на первой ступени сжимают газ до 0,35-0,4 МПа, охлаждают в конденсаторе, пропускание через водоохладитель, вторую стадию сжатия и охлаждения, очистку и сушку в батарее, состоящей из сосудов с активированным углем для адсорбции летучих и ароматических веществ и сосуда с кремневым гелем для сушки, третью стадию сжатия и сбор в стальные баллоны (Главачек Ф., Лхотский А., Пивоварение, М., Пищевая промышленность, 1977, с.330-332).
Недостатком известного способа и установки является недостаточно полная утилизация компонентов брожения.
Известен способ утилизации углекислого газа и винных паров в процессе брожения виноградного сусла и/или мезги в бродильном резервуаре, предусматривающий отделение углекислого газа, конденсацию паров этилового спирта и легколетучих ароматических соединений и сбор конденсатов (Кишковский З.Н., Мержаниан А.А. Технология вина, М., Легкая и пищевая промышленность, 1964, с.468-469).
Недостатком известного способа является неполная утилизация ценных компонентов и их потеря.
Наиболее близким к предлагаемому является способ переработки винограда, предусматривающий дробление винограда с гребнеотделением, сульфитацию мезги, настаивание сусла на мезге, отделение сусла-самотека, сбор его, сульфитацию гущевых фракций, охлаждение и отстаивание сусла, прессование мезги, внесение в сусло чкд, сбраживание его в потоке под давлением углекислого газа, отвод последнего, фильтрацию углекислого газа, разделение на части, одну из которых направляют в собранное сусло-самотек, другую – на настаивание, третью – на дробление, а четвертую – на отстаивание сусла, перекачивание виноматериала под давлением углекислого газа на дображивание и снятие его с дрожжей с последующим хранением в винохранилище (Современные способы производства виноградных вин под ред. Валуйко Г.Г., М., Легкая и пищевая промышленность, 1984, с.231-234).
Недостатком известного способа является получение виноматериала недостаточно высокого качества.
Известна установка для утилизации побочных продуктов бродильного производства, содержащая трехступенчатый компрессор, между первой и второй ступенями которого размещены холодильник и влагоотделитель, теплообменник, подключенный к выходу второй ступени, и реактор, содержащий колонки с катализатором и патрубками, кожух, крышку, электронагреватель и штуцеры, блок фильтров сушки углекислого газа и конденсатор (а.с. SU 1502613, кл. С12F 3/04, 1989).
Недостатком известной установки то, что не предусматривает устранения потерь ценных компонентов.
Известна установка для утилизации углекислого газа и винных паров в процессе брожения виноградного сусла и/или мезги в бродильном резервуаре, содержащая установленный на верхнем люке бродильного резервуара очиститель углекислого газа, представляющий собой корпус с патрубками, сообщенный с бродильным резервуаром, внутри которого размещены перегородки с образованием камер и переточные трубки с размещенными в них контактными приспособлениями в виде перегородок полусферической формы с отверстиями, устройство возврата конденсата, сообщенное с резервуаром переточной трубкой (патент SU 839444, кл. С12F 3/04, 1981).
Недостатком известной установки является неполная утилизация ценных компонентов и их потеря.
Наиболее близкой к предлагаемой является линия для переработки винограда, содержащая соединенные системой трубопроводов с насосами бункер-питатель, дробилку-гребнеотделитель, сульфодозатор, настойник-стекатель, накопитель сусла, охладитель, резервуар для отстаивания, пресс, бродильные резервуары, фильтр углекислого газа, сообщенный с дробилкой-гребнеотделителем, настойником-стекателем, накопителем сусла и отстойником, резервуар для дображивания (Современные способы производства виноградных вин под ред. Валуйко Г.Г., М., Легкая и пищевая промышленность, 1984, с.231-234).
Недостатком известной линии является получение виноматериала недостаточно высокого качества.
Техническим результатом заявленных изобретений является более полное и эффективное выделение продуктов брожения и снижение их потерь, повышение качества готового продукта.
Это достигается тем, что дробят виноград с гребнеотделением, прессуют мезгу с получением сусла, охлаждают сусло, отстаивают, отделяют гущевые осадки, охлаждают сусло, вносят в него чистую культуру винных дрожжей, сбраживают в бродильном резервуаре, хранят виноматериал в винохранилище, улавливают во время активного брожения образовавшиеся винные пары и углекислый газ, отводят их из резервуара, охлаждают с получением углекислого газа и сконденсировавшейся водно-спиртовой смеси, углекислый газ подвергают двустадийному компрессированию до давления 10-12 бар с охлаждением и фильтруют углекислый газ в три стадии, на первой из которых удаляют остатки паров воды и спирта с помощью глубинного фильтра с размером пор 1 мкм, на второй сорбируют запахи, а на третьей очищают через мембраны с размером пор не менее 0,2 мкм, очищенный углекислый газ направляют в сусло при отстаивании, в мезгу – при прессовании, на сжижение его, в винохранилище – для хранения в среде углекислого газа и на перекачку виноматериала из винохранилища, сконденсировавшуюся водно-спиртовую смесь разделяют на части, одну из которых накапливают и отбирают в качестве ароматного спирта, другую часть используют для частичной конденсации паров и снижения пенообразования на поверхности бродящей среды путем возврата и разбрызгивания в надбродящем пространстве резервуара, а третью возвращают на охлаждение винных паров и углекислого газа путем распыления до туманообразного состояния.
Это достигается тем, что линия для переработки винограда содержит соединенные системой трубопроводов с насосами приемный бункер, дробилку-гребнеотделитель, пневмопресс со сборником, поточный охладитель, отстойник, охладитель, бродильные резервуары, распылитель конденсата и конденсатор паров, сообщенный с верхней частью бродильных резервуаров, аккумулирующий бак, углекислотный компрессор, промежуточный и конечный холодильники, фильтр углекислого газа, ресивер, соединенный с отстойником и пневмопрессом, резервуар-накопитель ароматного спирта, сообщенный с конденсатором паров, распределительную гребенку, распределительный и приемный узлы устройства передавливания виноматериала.
Предлагаемая линия изображена на чертеже.
Линия содержит соединенные системой трубопроводов приемный бункер 2, дробилку-гребнеотделитель 3, насос 4, пневмопресс 5 со сборником 6, насосы 7, 10, поточный охладитель 8, отстойник 9, охладитель 11, бродильные резервуары 12, насос для перекачки виноматериала 13, распылитель конденсата 14 и конденсатор паров 15, сообщенный с верхней частью бродильных резервуаров 12, аккумулирующий бак 16, углекислотный компрессор 17, 19, промежуточный и конечный холодильники 18, 20, фильтр углекислого газа 21, ресивер 22, соединенный с отстойником 9 и пневмопрессом 5, насосы 23, 25, резервуар-накопитель ароматного спирта 24, сообщенный с конденсатором паров 15, распределительную гребенку 26, распределительный и приемный узлы устройства передавливания виноматериала 27, 28.
Работает линия для переработки винограда следующим образом.
Виноград из машины 1 выгружают в приемный бункер 2 с дозирующим шнеком-питателем, подающим его в дробилку-гребнеотделитель 3. Дробят виноград с гребнеотделением, насосом 4 подают мезгу в пневмопресс 5, где ее прессуют с получением сусла, которое собирают в сборнике 6. Сусло насосом 7 перекачивают в поточный охладитель 8, где охлаждают сусло до 10-12°С и направляют в отстойник 9. После отстаивания в течение 10-24 ч отделяют гущевые осадки и удаляют их, охлаждают в охладителе 11 сусло до температуры сбраживания, вносят в него чистую культуру винных дрожжей и сбраживают в бродильных резервуарах 12 до полного выбраживания сахаров. Полученный виноматериал перекачивают насосом 13 в винохранилище (не показано) и хранят его до дальнейшего использования. Во время активного брожения образовавшиеся винные пары и углекислый газ отводят из бродильных резервуаров 12 через крышку верхнего люка в конденсатор паров 15, где их охлаждают с получением углекислого газа и сконденсировавшейся водно-спиртовой смеси. Углекислый газ подвергают в углекислотном компрессоре 17, 19 двухстадийному компрессированию до давления 10-12 бар с охлаждением в промежуточном и конечном холодильниках 18, 20 и фильтруют в фильтре 21 сжатый углекислый газ в три стадии, на первой из которых удаляют остатки паров воды и спирта с помощью глубинного фильтра с размером пор 1 мкм, на второй сорбируют запахи, а на третьей очищают через мембраны с размером пор не менее 0,2 мкм.
Очищенный углекислый газ направляют в сусло в отстойник 9, в мезгу на прессование в пневмопресс 5, на станцию сжижения (не показано), в винохранилище для хранения в среде углекислого газа и в напорный и приемный узлы устройства передавливания виноматериалов 27 и 28 на перекачку виноматериала из винохранилища. Сконденсировавшуюся водно-спиртовую смесь разделяют на части, одну из которых накапливают и отбирают в резервуаре-накопителе 24 в качестве ароматного спирта, другую часть используют для частичной конденсации паров и снижения пенообразования на поверхности бродящей среды путем возврата и разбрызгивания в надбродящем пространстве бродильных резервуаров 12, а третью возвращают через распылитель конденсата 14 в конденсатор паров 15 на охлаждение винных паров и углекислого газа путем распыления до туманообразного состояния.
Ароматные спирты из резервуара-накопителя ароматных спиртов 24 насосом 25 подают для дальнейшего использования для улучшения аромата столовых, крепких, десертных и полусладких вин. Сконденсировавшейся водно-спиртовой смесью путем ее возврата и разбрызгивания в надбродящем пространстве бродильных резервуаров 12 частично конденсируют пары и снижают пенообразование на поверхности бродящей среды. Углекислый газ подвергают двустадийному компрессированию до давления 10-12 бар и охлаждению посредством безмаслянного углекислотного компрессора 17, 19, снабженного промежуточным и конечным холодильниками 18 и 20. Он оснащен автоматическими выключателями верхнего и нижнего уровня и аварийными клапанами (не показано). Запуск и установка углекислотного компрессора управляется через аккумулирующий бак 16, являющийся сборником СО2. Сжатый углекислый газ фильтруют в три стадии, на первой стадии фильтрации проводят глубинную фильтрацию через поры размером 1 мкм и удаляют остатки паров воды и спирта, на второй фильтруют и сорбируют запахи при помощи активированного угля. На третьей стадии используют для очистки от микроорганизмов поры размером не менее 0,2 мкм. Очищенный углекислый газ подают в ресивер 22, а с выхода ресивера через распределительную гребенку 26 и отводящие трубопроводы – на станцию сжижения углекислого газа, устройство для передавливания и к технологическому оборудованию.
Пример 1
Виноград из машины 1 выгружают в приемный бункер 2 с дозирующим шнеком-питателем, подающим его в дробилку-гребнеотделитель 3. Дробят виноград с гребнеотделением, насосом 4 подают мезгу в пневмопресс 5, где ее прессуют с получением сусла, которое собирают в сборнике 6. Сусло насосом 7 перекачивают в поточный охладитель 8, где охлаждают сусло до 10°С и направляют в отстойник 9. После отстаивания в течение 10 ч отделяют гущевые осадки и удаляют их, охлаждают в охладителе 11 сусло до температуры сбраживания, вносят в него чистую культуру винных дрожжей и сбраживают в бродильных резервуарах 12 до полного выбраживания сахаров. Полученный виноматериал перекачивают насосом 13 в винохранилище (не показано) и хранят его до дальнейшего использования. Во время активного брожения образовавшиеся винные пары и углекислый газ отводят из бродильных резервуаров 12 через крышку верхнего люка в конденсатор паров 15, где охлаждают с получением углекислого газа и сконденсировавшейся водно-спиртовой смеси. Углекислый газ подвергают в углекислотном компрессоре 17, 19 двухстадийному компрессированию до давления 10 бар с охлаждением в промежуточном и конечном холодильниках 18, 20 и фильтруют в фильтре 21 сжатый углекислый газ в три стадии, на первой из которых удаляют остатки паров воды и спирта с помощью глубинного фильтра с размером пор 1 мкм, на второй сорбируют запахи, а на третьей очищают через мембраны с размером пор не менее 0,2 мкм.
Очищенный углекислый газ направляют в сусло в отстойник 9, в мезгу на прессование в пневмопресс 5, на станцию сжижения (не показано), в винохранилище для хранения в среде углекислого газа и в напорный и приемный узлы устройства передавливания виноматериалов 27 и 28 на перекачку виноматериала из винохранилища. Сконденсировавшуюся водно-спиртовую смесь разделяют на части, одну из которых накапливают и отбирают в резервуаре-накопителе 24 в качестве ароматного спирта, другую часть используют для частичной конденсации паров и снижения пенообразования на поверхности бродящей среды путем возврата и разбрызгивания в надбродящем пространстве бродильных резервуаров 12, а третью возвращают в конденсатор 15 через распылитель конденсата 14 на охлаждение винных паров и углекислого газа, распыляя до туманообразного состояния.
Ароматные спирты из резервуара-накопителя ароматных спиртов 24 насосом 25 подают для дальнейшего использования для улучшения аромата столовых, крепких, десертных и полусладких вин Сконденсировавшейся водно-спиртовой смесью путем ее возврата и разбрызгивания в надбродящем пространстве бродильных резервуаров 12 частично конденсируют пары и снижают пенообразование на поверхности бродящей среды. Углекислый газ подвергают двустадийному компрессированию до давления 10 бар и охлаждению посредством безмаслянного углекислотного компрессора 17, 19, снабженного промежуточным и конечным холодильниками 18 и 20. Он оснащен автоматическими выключателями верхнего и нижнего уровня и аварийными клапанами (не показано). Запуск и установка углекислотного компрессора управляется через аккумулирующий бак 4, являющийся сборником CO2. Сжатый углекислый газ фильтруют в три стадии, на первой стадии фильтрации проводят глубинную фильтрацию через поры размером 1 мкм и удаляют остатки паров воды и спирта, на второй фильтруют и сорбируют запахи при помощи активированного угля. На третьей стадии используют для очистки от микроорганизмов поры размером не менее 0,2 мкм. Очищенный углекислый газ подают в ресивер 22, а с выхода ресивера через распределительную гребенку 26 и отводящие трубопроводы – на станцию сжижения углекислого газа, устройство для передавливания и к технологическому оборудованию.
Пример 2.
Виноград из машины 1 выгружают в приемный бункер 2 с дозирующим шнеком-питателем, подающим его в дробилку-гребнеотделитель 3. Дробят виноград с гребнеотделением, насосом 4 подают мезгу в пневмопресс 5, где ее прессуют с получением сусла, которое собирают в сборнике 6. Сусло насосом 7 перекачивают в поточный охладитель 8, где охлаждают сусло до 12°С и направляют в отстойник 9. После отстаивания в течение 24 ч отделяют гущевые осадки и удаляют их, охлаждают в охладителе 11 сусло до температуры сбраживания, вносят в него чистую культуру винных дрожжей и сбраживают в бродильных резервуарах 12 до полного выбраживания сахаров. Полученный виноматериал перекачивают насосом 13 в винохранилище (не показано) и хранят его до дальнейшего использования. Во время активного брожения образовавшиеся винные пары и углекислый газ отводят из бродильных резервуаров 12 через крышку верхнего люка в конденсатор паров 15, где их охлаждают с получением углекислого газа и сконденсировавшейся водно-спиртовой смеси. Углекислый газ подвергают в углекислотном компрессоре 17, 19 двухстадийному компрессированию до давления 12 бар с охлаждением в промежуточном и конечном холодильниках 18, 20 и фильтруют в фильтре 21 сжатый углекислый газ в три стадии, на первой из которых удаляют остатки паров воды и спирта с помощью глубинного фильтра с размером пор 1 мкм, на второй сорбируют запахи, а на третьей очищают через мембраны с размером пор не менее 0,2 мкм.
Очищенный углекислый газ направляют в сусло в отстойник 9, в мезгу на прессование в пневмопресс 5, на станцию сжижения (не показано), в винохранилище для хранения в среде углекислого газа и в напорный и приемный узлы устройства передавливания виноматериалов 27 и 28 на перекачку виноматериала из винохранилища. Сконденсировавшуюся водно-спиртовую смесь разделяют на части, одну из которых накапливают и отбирают в резервуаре-накопителе 24 в качестве ароматного спирта, другую часть используют для частичной конденсации паров и снижения пенообразования на поверхности бродящей среды путем возврата и разбрызгивания в надбродящем пространстве бродильных резервуаров 12, а третью возвращают через распылитель конденсата 14 в конденсатор 15 на охлаждение винных паров и углекислого газа путем распыления до туманообразного состояния.
Ароматные спирты из резервуара-накопителя ароматных спиртов 24 насосом 25 подают для дальнейшего использования для улучшения аромата столовых, крепких, десертных и полусладких вин. Сконденсировавшейся водно-спиртовой смесью путем ее возврата и разбрызгивания в надбродящем пространстве бродильных резервуаров 12 частично конденсируют пары и снижают пенообразование на поверхности бродящей среды. Углекислый газ подвергают двустадийному компрессированию до давления 12 бар и охлаждению посредством безмаслянного углекислотного компрессора 17, 19, снабженного промежуточным и конечным холодильниками 18 и 20. Он оснащен автоматическими выключателями верхнего и нижнего уровня и аварийными клапанами (не показано). Запуск и установка углекислотного компрессора управляется через аккумулирующий бак 4, являющийся сборником СO2. Сжатый углекислый газ фильтруют в три стадии, на первой стадии фильтрации проводят глубинную фильтрацию через поры размером 1 мкм и удаляют остатки паров воды и спирта, на второй фильтруют и сорбируют запахи при помощи активированного угля. На третьей стадии используют для очистки от микроорганизмов поры размером не менее 0,2 мкм. Очищенный углекислый газ подают в ресивер 22, а с выхода ресивера через распределительную гребенку 26 и отводящие трубопроводы – на станцию сжижения углекислого газа, устройство для передавливания и к технологическому оборудованию.
Предлагаемые изобретения позволяют более эффективно очищать углекислый газ и лучше улавливать эфирные масла, тем самым сохранять аромат в вине, получая высококачественный сухой виноматериал, соответствующий европейским стандартам, при более высоких температурах брожения и при меньших энергозатратах. Сбор и очистка углекислого газа может проводиться не только из одного резервуара и позволяет использовать дешевый газ при переработке винограда, перекачках и хранении виноматериалов для снижения окисленности сусла и виноматериалов, но и уменьшать количество вредных выбросов углекислого газа в атмосферу. Изобретения также позволяют улавливать легколетучие фракции аромата виноградной ягоды, спирт, образующийся при брожении; снизить потери объема бродящей массы сусла; использовать накопленные ароматные спирты для коррекции аромата столовых, крепких, десертных вин; использовать по мере необходимости накопленный, очищенный углекислый газ при переработке винограда, при хранении и перемещении виноматериалов и вин с целью их предотвращения от окисления и снижения потерь, возникающих за счет разбавления их при передавливании водой; держать освободившиеся от виноматериалов и вин технологические трубопроводы заполненными углекислым газом, тем самым создавая антисептические условия и предотвращая развитие микроорганизмов.
Формула изобретения
1. Способ переработки винограда, характеризующийся тем, что дробят виноград с гребнеотделением, прессуют мезгу с получением сусла, охлаждают сусло, отстаивают, отделяют гущевые осадки, охлаждают сусло, вносят в него чистую культуру винных дрожжей, сбраживают в бродильном резервуаре, хранят виноматериал в винохранилище, улавливают во время активного брожения образовавшиеся винные пары и углекислый газ, отводят их из резервуара, охлаждают с получением углекислого газа и сконденсировавшейся водно-спиртовой смеси, углекислый газ подвергают двустадийному компрессированию до давления 10-12 бар с охлаждением и фильтруют углекислый газ в три стадии, на первой из которых удаляют остатки паров воды и спирта с помощью глубинного фильтра с размером пор 1 мкм, на второй – сорбируют запахи, а на третьей – очищают через мембраны с размером пор не менее 0,2 мкм, очищенный углекислый газ направляют в сусло при отстаивании, в мезгу при прессовании, на сжижение его, в винохранилище для хранения в среде углекислого газа и на перекачку виноматериала из винохранилища, сконденсировавшуюся водно-спиртовую смесь разделяют на части, одну из которых накапливают и отбирают в качестве ароматного спирта, другую часть используют для частичной конденсации паров и снижения пенообразования на поверхности бродящей среды путем возврата и разбрызгивания в надбродящем пространстве резервуара, а третью возвращают на охлаждение винных паров и углекислого газа путем распыления до туманообразного состояния.
2. Линия для переработки винограда, содержащая соединенные системой трубопроводов с насосами приемный бункер, дробилку-гребнеотделитель, пневмопресс со сборником, поточный охладитель, отстойник, охладитель, бродильные резервуары, распылитель конденсата и конденсатор паров, сообщенный с верхней частью бродильных резервуаров, аккумулирующий бак, углекислотный компрессор, промежуточный и конечный холодильники, фильтр углекислого газа, ресивер, соединенный с отстойником и пневмопрессом, резервуар-накопитель ароматного спирта, сообщенный с конденсатором паров, распределительную гребенку, распределительный и приемный узлы устройства передавливания виноматериала.
РИСУНКИ
|
|