|
|
(21), (22) Заявка: 2008106338/09, 18.02.2008
(24) Дата начала отсчета срока действия патента:
18.02.2008
(43) Дата публикации заявки: 27.08.2009
(46) Опубликовано: 27.12.2009
(56) Список документов, цитированных в отчете о поиске:
RU 2171009 C1, 20.07.2001. RU 2190924 С1, 10.10.2002. SU 1144186 A1, 07.03.1985. JP 55128913 A, 06.10.1980.
Адрес для переписки:
644009, г.Омск-9, ул. Масленникова, 231, ФГУП ОНИИП
|
(72) Автор(ы):
Половнёв Александр Вячеславович (RU), Насонова Лилия Владиславовна (RU), Ясинский Игорь Михайлович (RU), Яковлев Андрей Николаевич (RU)
(73) Патентообладатель(и):
ФЕДЕРАЛЬНОЕ ГОСУДАРСТВЕННОЕ УНИТАРНОЕ ПРЕДПРИЯТИЕ Омский научно-исследовательский институт приборостроения (RU)
|
(54) МНОГОПОЛОСНЫЙ АКТИВНЫЙ ПЬЕЗОЭЛЕКТРИЧЕСКИЙ ФИЛЬТР
(57) Реферат:
Использование: в области радиоэлектроники. Технический результат заключается в обеспечении качественной работы фильтра при упрощении схемной реализации. Многополосный активный пьезоэлектрический фильтр содержит первый и второй инвертирующие операционные усилители, каждый из которых имеет резистивную отрицательную обратную связь, первую группу, состоящую из N пьезоэлектрических резонаторов, первые выводы которых соединены с входной потенциальной клеммой устройства, а вторые выводы через N резисторов подключены ко входу первого операционного усилителя, вторую группу, состоящую из N пьезоэлектрических резонаторов, первые выводы которых соединены с входной потенциальной клеммой устройства, а вторые выводы через N резисторов соединены со входом второго операционного усилителя, выход второго операционного усилителя через резистор подключен ко входу первого операционного усилителя, а выход первого операционного усилителя подключен к выходной потенциальной клемме устройства. 1 ил.
Предлагаемое изобретение относится к радиоэлектронике и может быть использовано в радиоприемных устройствах при обработке многочастотных сигналов, а также в измерительной технике.
В качестве прототипа выбран известный [1] активный пьезоэлектрический фильтр, который является наиболее близким аналогом к заявляемому устройству и содержит алгебраический сумматор, выполненный на дифференциальном операционном усилителе, выход которого является выходом устройства. Кроме того, фильтр содержит две группы резонаторов, первые выводы которых соединены с входной потенциальной клеммой устройства, ко вторым выводам подключены резисторы, вторые выводы которых частично подключены ко входу первого и частично ко входу второго операционного усилителя, выходы первого и второго операционного усилителя подключены соответственно к прямому и инвертирующему входам алгебраического сумматора.
Данный фильтр позволяет реализовать амплитудно-частотную характеристику, имеющую несколько полос пропускания, при этом максимальная ширина полосы пропускания каждого лепестка равна двойному частотному промежутку используемых пьезорезонаторов, то есть реализуется максимально широкая полоса пропускания фильтров данного класса. Кроме того, устройство обеспечивает достаточно высокий динамический диапазон (более 120 дБмкВ в диапазоне частот до 500 кГц). При этом схема удобна в производстве.
Цель изобретения – упростить данную схему, сохранив качество реализуемых показателей.
Поставленная задача решается тем, что в фильтре, содержащем первый и второй инвертирующие операционные усилители с резистивными отрицательными обратными связями, первую группу, состоящую из N пьезорезонаторов, первые выводы которых соединены с входной потенциальной клеммой устройства, а вторые через N резисторов соединены со входом первого операционного усилителя, вторую группу, состоящую из N пьезорезонаторов, первые выводы которых соединены с входной потенциальной клеммой устройства, а вторые выводы через N резисторов соединены со входом второго операционного усилителя, вводится резистор, соединяющий выход второго операционного усилителя со входом первого операционного усилителя, а выход первого операционного усилителя подключен к выходной потенциальной клемме устройства.
Сопоставительный анализ показывает, что заявляемое техническое решение отличается от прототипа тем, что в устройство введен резистор, соединяющий выход второго операционного усилителя со входом первого операционного усилителя, а выход первого операционного усилителя соединен с выходной потенциальной клеммой устройства.
При сравнении заявляемого технического решения не только с прототипом, но и с другими известными техническими решениями в науке и технике не обнаружены технические решения, обладающие сходными признаками.
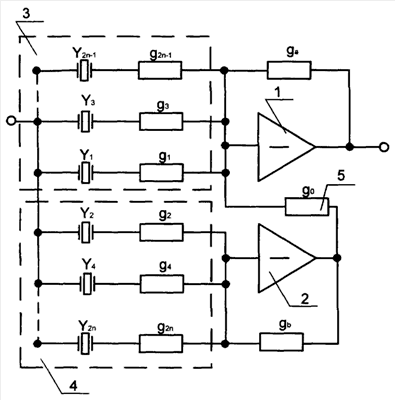
На чертеже приведена электрическая схема предлагаемого устройства. Устройство состоит из первого 1 и второго 2 инвертирующих операционных усилителей с отрицательными обратными связями, первой группы 3, состоящей из N пьезорезонаторов, первые выводы которых подключены к входной потенциальной клемме устройства, а вторые выводы соединены через N резисторов со входом первого операционного усилителя, второй группы 4, состоящей из N пьезорезонаторов, первые выводы которых соединены с входной потенциальной клеммой устройства, а вторые выводы через N резисторов со входом второго операционного усилителя, дополнительного резистора 5, соединяющего выход второго операционного усилителя со входом первого операционного усилителя, выход которого является выходом устройства.
Устройство работает следующим образом.
Если в схеме, приведенной на чертеже, все проводимости gi выбрать равными g0, тогда передаточная функция устройства может быть записана в следующем виде:
.
То есть каждая пара пьезорезонаторов с проводимостями Yi и Yi+1 формирует лепесток амплитудно-частотной характеристики с полюсами передаточной функции, определяемой уравнениями Yi+g0=0, Yi+1+g0=0, соответствующий выбор статических емкостей этих резонаторов (при примерно равных значениях их динамических индуктивностей) позволяет так сбалансировать схему, чтобы каждая из таких пар резонаторов образовала полюс бесконечного затухания на нужной частоте, что следует из уравнения Yi+1-Yi=0 при w=w I , здесь w I – частота бесконечного затухания амплитудно-частотной характеристики.
Таким образом, выбирая частоты пьезорезонаторов первой и второй группы с отстройкой f/2, где f – ширина теоретической полосы пропускания одной из полос пропускания многополосового фильтра, и подбирая
,
где Lg – динамическая индуктивность, получим многополосный фильтр, эквивалентный по своим параметрам выбранному прототипу. Число используемых операционных усилителей при этом уменьшено.
Источник информации
1. Патент 2171009, 7 Н03Н 9/54, 7/01 от 20.07.2001. Авторы: Насонова Л.В., Яковлев А.Н., Ясинский И.М.
Формула изобретения
Многополосный активный пьезоэлектрический фильтр, содержащий первый и второй инвертирующие операционные усилители, каждый из которых имеет резистивную отрицательную обратную связь, первую группу, состоящую из N пьезоэлектрических резонаторов, первые выводы которых соединены с входной потенциальной клеммой устройства, а вторые выводы через N резисторов подключены ко входу первого операционного усилителя, вторую группу, состоящую из N пьезоэлектрических резонаторов, первые выводы которых соединены с входной потенциальной клеммой устройства, а вторые выводы через N резисторов соединены со входом второго операционного усилителя, отличающийся тем, что выход второго операционного усилителя через резистор подключен ко входу первого операционного усилителя, а выход первого операционного усилителя подключен к выходной потенциальной клемме устройства.
РИСУНКИ
|
|