|
(21), (22) Заявка: 2008118901/09, 13.05.2008
(24) Дата начала отсчета срока действия патента:
13.05.2008
(46) Опубликовано: 27.12.2009
(56) Список документов, цитированных в отчете о поиске:
RU 2282934 C1, 27.08.2006. RU 2280313 A1, 20.07.2006. RU 2273087 C1, 27.03.2006. SU 1436227 A1, 07.11.1988. GB 2051432 A, 14.01.1981. US 5317497 A, 21.05.1994. FR 2707055 A1, 30.12.1994. JP 5219754 A, 27.08.1993. EP 0187282 B1, 17.03.1993. WO 0143267 A1, 14.06.2001.
Адрес для переписки:
180000, г.Псков, а/я 134, ООО “АТС-КОНВЕРС”
|
(72) Автор(ы):
Иванов Юрий Евгеньевич (RU), Грунин Сергей Федорович (RU)
(73) Патентообладатель(и):
Общество с ограниченной ответственностью “АТС-КОНВЕРС” (RU)
|
(54) МОСТОВОЙ ИНВЕРТОР С ПРЕДОТВРАЩЕНИЕМ ОДНОСТОРОННЕГО НАСЫЩЕНИЯ ВЫХОДНОГО ТРАНСФОРМАТОРА
(57) Реферат:
Изобретение относится к области электротехники и может быть использовано в преобразователях постоянного напряжения в переменное. Техническим результатом является улучшение массогабаритных показателей инвертора и уменьшение количества мощных силовых полупроводниковых ключей за счет исключения отдельного ключа короткого замыкания обмотки трансформатора в паузах между формируемыми полупериодами. Мостовой инвертор – преобразователь постоянного напряжения в переменное с мостовым коммутатором, с защитой трансформатора от одностороннего насыщения содержит средство формирования напряжения первого полупериода с заданной величиной напряжения первого полупериода, средство вычисления среднего значения напряжения первого полупериода и запоминания результата, средство формирования второго полупериода выходного напряжения со средним значением напряжения, равным запомненному среднему значению напряжения первого полупериода, средство измерения и запоминания среднего значения напряжения первого полупериода, ключ короткого замыкания первичной обмотки трансформатора в паузах между формируемыми импульсами первого и второго полупериодов, который образован ключами с двусторонней проводимостью в смежных плечах мостового коммутатора, тактовый генератор прямоугольных импульсов с периодом, равным заданному периоду выходного напряжения мостового инвертора, цепи, передающие сигналы управления на управляющие входы ключей мостового коммутатора. Соединение перечисленных элементов осуществлено так, как указано в тексте описания и формуле изобретения. 1 ил. 
Изобретение относится к области электротехники и предназначено для использования в преобразователях постоянного напряжения в переменное.
Известны устройства для преобразования постоянного напряжения в переменное посредством периодического переключения полярности напряжения, подаваемого на первичные обмотки выходного трансформатора, с выхода которого снимают переменное напряжение для подключения нагрузки. Они имеют недостаток – возникновение одностороннего насыщения магнитопровода выходного трансформатора при изменениях входного напряжения, асимметрии нагрузки или элементов схемы.
Известны устройства с устранением этого недостатка путем применения средств обнаружения магнитного насыщения магнитопровода выходного трансформатора с контролем напряжения на выходе дополнительно введенного в схему трансформатора тока. Контроль начала насыщения магнитопровода осуществляется путем контроля напряжения на выходе трансформатора тока и определения второй производной от тока в выходном трансформаторе [1]. При наступающем насыщении принимаются меры защиты. В преобразователе постоянного напряжения в переменное для такого решения необходимы отдельный трансформаторный датчик тока и сложные быстродействующие средства контроля второй производной, что усложняет конструкцию.
Известны схемы защиты от асимметричного насыщения магнитопровода силового трансформатора с компенсацией насыщения противоположно направленным воздействием, с дополнительным питанием обмотки трансформатора током противоположной полярности [2].
Однако это усложняет конструкцию и в мощных инверторах приводит к ухудшению массогабаритных показателей.
Известно также устройство предотвращения насыщения трансформатора в инверторе для работы с емкостной нагрузкой [3]. Инвертор содержит схемы контроля постоянной и переменной составляющих при управлении транзисторными ключами и средства защиты от насыщения трансформатора. Недостатком является неудовлетворительные массогабаритные показатели и сложность конструкции.
Известно также использование двух датчиков насыщения для борьбы с насыщением трансформатора, однако это существенно усложняет конструкцию [4].
Известно также решение для борьбы с насыщением трансформатора по патенту РФ [5].
В этом устройстве выполняется ограничение одностороннего насыщения трансформатора импульсного преобразователя напряжения с использованием средств выявления сигнала, пропорционального току намагничивания трансформатора, средств сравнения его с заданным опорным сигналом, пропорциональным максимальному допустимому току намагничивания, и средств формирования управляющего сигнала, корректирующего режим перемагничивания трансформатора.
Недостаток такого устройства заключается в сложности практической реализации такого решения в конструкции, так как для выполнения измерений и контроля магнитного поля в магнитопроводе, необходима сложная конструкция магнитопровода трансформатора, в котором требуется выделить часть магнитопровода, создать короткозамкнутый виток, охватывающий эту выделенную часть магнитопровода трансформатора, и к нему подключать средства измерения тока, что усложняет конструкцию как самого магнитопровода, так и преобразователя в целом.
Ближайшим известным аналогом является патент РФ [6].
Инвертор [6] содержит средства, обеспечивающие на его выходе стабилизацию действующего значения напряжения в заданном диапазоне допустимых величин. Одностороннее насыщение предотвращается применением средств, которые обеспечивают равенство вольт-секундных площадей в положительный и отрицательный полупериоды формируемого напряжения, и равенство магнитных потоков в магнитопроводе силового трансформатора, выполненного с двумя одинаковыми последовательно соединенными первичными силовыми обмотками, точка соединения которых подключена к одному полюсу источника питания, а концы обмоток через управляемые коммутаторы подсоединены ко второму полюсу источника питания. Кроме того, для устранения остаточного намагничивания магнитопровода трансформатора параллельно первичной обмотке трансформатора подсоединен управляемый ключ для короткого замыкания этой обмотки при одновременно разомкнутых коммутаторах питания обмоток, когда они отключены от источника питания. Использованное в этом патенте комплексное решение обеспечивает надежное предотвращение одностороннего насыщения, а не устранение возникающего или возникшего насыщения, как в других известных предшествующих решениях. Однако такой инвертор имеет неудовлетворительные массогабаритные показатели из-за громоздкого трансформатора с двумя мощными первичными обмотками, что является недостатком, а применение дополнительного ключа для короткого замыкания этой обмотки при одновременно разомкнутых коммутаторах питания обмоток усложняет схемы управления и защиты ключей от сквозных токов.
Задача, на решение которой направлено заявляемое изобретение, заключается в предотвращении одностороннего насыщения выходного трансформатора инвертора с применением обмотки трансформатора без отводов, вместо громоздкой обмотки с отводом от середины по патенту РФ [6]. Предлагаемое решение упрощает конструкцию и приводит к улучшению массогабаритных показателей инвертора.
Для решения поставленной задачи предложено следующее техническое решение.
Мостовой инвертор напряжения содержит средства создания на его выходе требуемого напряжения. При этом одностороннее насыщение предотвращается средствами, обеспечивающими равенство средних значений напряжений, т.е. вольт-секундных площадей в положительный и отрицательный полупериоды формируемого напряжения, и, следовательно, равенство создаваемых магнитных потоков в магнитопроводе выходного трансформатора, а вместо отдельного ключа короткого замыкания первичной обмотки трансформатора использованы ключи, присутствующие в мостовом коммутаторе. Это упрощает схемы защиты силовых ключей от сквозных токов.
Предложенное решение характеризуется следующими признаками.
Мостовой инвертор – преобразователь постоянного напряжения в переменное, с предотвращением одностороннего насыщения выходного трансформатора, содержит следующие известные технические решения.
Мостовой коммутатор для преобразования постоянного напряжения источника питания в переменное, выполненный в виде четырехплечего моста с управляемыми ключами в плечах,
в котором вершины первой диагонали подсоединены к выводам для источника питания,
а к вершинам второй диагонали моста подсоединена первичная обмотка выходного трансформатора.
Средство формирования первого полупериода выходного напряжения с заданными параметрами,
выход которого связан с цепями управления коммутацией ключей первой пары противолежащих плеч моста.
Средство выявления и запоминания среднего значения напряжения, сформированного в первый полупериод, и хранения запомненного напряжения до завершения формирования второго полупериода.
Средство формирования второго полупериода выходного напряжения со средним значением напряжения, равным запомненному среднему значению напряжения, сформированного в первый полупериод, вход которого подсоединен к выходу средства выявления и запоминания среднего значения напряжения, сформированного в первый полупериод,
а выход связан с цепями управления коммутацией ключей второй пары противолежащих плеч моста.
Тактовый генератор прямоугольных импульсов с периодом, равным периоду выходного напряжения мостового инвертора, подсоединенный выходами к цепям управления периодичностью работы средств формирования первого и второго полупериодов.
Средство короткого замыкания первичной обмотки трансформатора в паузах между формируемыми импульсами первого и второго полупериодов.
Признаки, отличающие предложенное решение от известных, следующие.
Средство короткого замыкания первичной обмотки выходного трансформатора в паузах между формируемыми импульсами первого и второго полупериодов образовано управляемыми ключами тех двух смежных плеч упомянутого четырехплечего моста, концы которых являются вершинами второй диагонали этого моста с подсоединенной первичной обмоткой выходного трансформатора.
Причем ключи этих смежных плеч имеют двустороннюю проводимость, и входные цепи каждого из этих ключей выполнены в виде двухвходовой схемы ИЛИ.
Первые входы этих схем ИЛИ соединены с входами ключей противолежащих плеч моста и подсоединены к выходам соответствующих формирователей полупериодов.
Вторые входы этих схем ИЛИ соединены между собой и с выходом дополнительной двухвходовой схемы ИЛИ-НЕ, подключенной входами к выходам формирователей полупериодов.
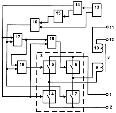
Предложенное решение иллюстрируется на чертеже, где представлена схема мостового инвертора – преобразователя постоянного напряжения в переменное с предотвращением одностороннего насыщения выходного трансформатора и показаны основные функциональные узлы и элементы.
Схема поясняет устройство мостового инвертора и его работу.
На чертеже приняты следующие обозначения.
1, 2 – входные выводы питания;
3 – мостовой коммутатор для преобразования входного постоянного напряжения в переменное;
4 7 – ключи мостового коммутатора;
8 – выходной трансформатор;
9 – первичная обмотка выходного трансформатора;
10 – вторичная обмотка выходного трансформатора;
11, 12 – выходные выводы;
13 – тактовый генератор;
14 – средство формирования напряжения первого полупериода;
15 – средство, запоминающее среднее значение напряжения, сформированного в первый полупериод;
16 – средство формирования напряжения второго полупериода;
17 – логический элемент ИЛИ-НЕ.
18, 19 – логические элементы ИЛИ.
В схеме инвертора (см.чертеж) входные выводы 1, 2 предназначены для подачи на инвертор постоянного напряжения с источника питания. К ним подсоединен мостовой коммутатор 3 для преобразования входного постоянного напряжения в переменное. Мостовой коммутатор 3 содержит управляемые ключи 4 7, причем ключи 5 и 6 имеют двустороннюю проводимость.
Вершины первой диагонали моста (точки соединения ключей 5, 6 и точки соединения ключей 4, 7) подсоединены к выводам 1, 2 для источника питания;
к вершинам второй диагонали моста (точки соединения ключей 4, 5 и точки соединения ключей 6, 7) подключен выходной трансформатор 8 первичной обмоткой 9.
Вторичная обмотка 10 трансформатора 8 соединена с выходными выводами 11, 12 для подключения нагрузки.
В качестве средства короткого замыкания первичной обмотки 9 в паузах между формируемыми импульсами первого и второго полупериодов использованы элементы мостового коммутатора 3 – ключи 5, 6 с двусторонней проводимостью.
Тактовый генератор 13, которым задается период выходного напряжения, выполнен как генератор прямоугольных импульсов с периодом, равным заданному периоду выходного напряжения мостового инвертора. Тактовый генератор 13 имеет два выхода, причем выходные импульсы на втором выходе смещены на половину периода относительно выходных импульсов на первом выходе. Первый и второй выходы тактового генератора 13 предназначены для управления периодичностью формирования первого и второго полупериодов.
Первый выход тактового генератора 13 подсоединен к цепям управления периодичностью работы средства 14 формирования первого полупериода выходного напряжения. Выход формируемого напряжения средства 14 соединен с теми цепями управления мостовым коммутатором 3, которые предназначены для создания в первичной обмотке 9 трансформатора 8 напряжения первого полупериода. К средству 14 формирования первого полупериода также подсоединен вход средства 15 выявления и запоминания среднего значения напряжения, сформированного в первый полупериод.
Второй выход тактового генератора 13 подсоединен к цепям управления периодичностью работы средства 16 формирования второго полупериода выходного напряжения со средним значением напряжения, равным запомненному среднему значению напряжения первого полупериода.
К выходу средства 15 выявления и запоминания среднего значения напряжения, сформированного в первый полупериод, и хранящему запомненное среднее значение сформированного в первый полупериод напряжения, подсоединен вход средства 16 формирования второго полупериода.
Выход формируемого напряжения средства 16 формирования второго полупериода соединен с теми цепями управления мостовым коммутатором 3, которые предназначены для создания в первичной обмотке 9 трансформатора 8 напряжения второго полупериода. Управляющий вход ключа 4 мостового коммутатора 3 подсоединен непосредственно к выходу формируемого напряжения первого полупериода средства 14 формирования первого полупериода. Управляющий вход ключа 6 мостового коммутатора 3 через логический элемент ИЛИ 18 также подсоединен к выходу формируемого напряжения первого полупериода средства 14 формирования первого полупериода.
Управляющий вход ключа 7 мостового коммутатора 3 подсоединен непосредственно к выходу формируемого напряжения второго полупериода средства 16 формирования второго полупериода. Управляющий вход ключа 5 мостового коммутатора 3 через логический элемент ИЛИ 19 также подсоединен к выходу формируемого напряжения второго полупериода средства 16 формирования второго полупериода.
Управляющие входы ключей 5 и 6 для осуществления короткого замыкания первичной обмотки 9 трансформатора 8 в паузах между формируемыми импульсами первого и второго полупериодов подсоединены к выходам обоих средств 14 и 16 формирования первого и второго полупериодов через двухвходовую логическую схему 17 – схему ИЛИ-НЕ, и двухвходовые логические схемы 18, 19 – схемы ИЛИ; в замкнутом состоянии ключи 5 и 6 при этом оказываются только при одновременном отсутствии формируемых импульсов на выходах обоих средств 14 и 16 формирования первого и второго полупериодов.
Инвертор по (см.чертеж) работает следующим образом.
Постоянное напряжение поступает с источника питания на входные выводы 1, 2 и подается на мостовой коммутатор 3, преобразующий постоянное напряжение в переменное.
При периодической коммутации ключей 4, 6 и 5, 7 противолежащих плеч моста постоянное напряжение питания преобразуется в переменное, и при этом создаются соответственно первые и вторые полупериоды выходного переменного напряжения, поступающие в первичную обмотку 9 трансформатора 8. Со вторичной обмотки 10 трансформатора 8, соединенной с выходными выводами 11, 12, на подключенную нагрузку подается переменное напряжение. В паузах между формируемыми импульсами первого и второго полупериодов ключи 5 и 6 в смежных плечах моста замыкаются. Тактовый генератор 13 генерирует прямоугольные импульсы для управления периодом формируемого напряжения; с первого и второго выходов снимаются прямоугольные импульсы с заданным периодом, причем выходные импульсы второго выхода смещены на половину периода относительно выходных импульсов на первом выходе.
Первый выход тактового генератора 13 используется при формировании первого полупериода, а второй выход – при формировании второго полупериода.
Каждое формирование первого полупериода начинается с поступлением импульса с первого выхода тактового генератора 13 на средство 14 формирования напряжения первого полупериода. Формируемое напряжение с выхода средства 14 формирования напряжения первого полупериода поступает на управляющий вход ключа 4 мостового коммутатора 3, а также через логический элемент ИЛИ 18 на управляющий вход ключа 6 мостового коммутатора 3, одновременно замыкаются ключи 4 и 6 моста, и первые полупериоды выходного переменного напряжения поступают в первичную обмотку 9 трансформатора 8.
При достижении требуемого заданного напряжения первого полупериода формирование первого полупериода завершается. Одновременно размыкаются ключи 4, 6 мостового коммутатора 3. После чего на входы логических элементов ИЛИ 18 и 19 с выхода логического элемента ИЛИ-НЕ 17 поступает сигнал, которым замыкаются ключи 5 и 6, и они остаются в замкнутом состоянии в течение всего времени, пока отсутствуют формируемые импульсы на выходах средств 14, 16 формирования первого и второго полупериода. Средство 15, запоминающее среднее значение напряжения, сформированного в первый полупериод, хранит запомненное среднее значение напряжения до завершения формирования второго полупериода, после чего автоматически устанавливается в исходное состояние готовности к очередному запоминанию.
Каждое формирование второго полупериода начинается с поступления импульса со второго выхода тактового генератора 13 на вход средства 16 формирования напряжения второго полупериода. Формируемое напряжение с выхода средства 16 формирования напряжения второго полупериода поступает на мостовой коммутатор 3, одновременно замыкаются ключи 5 и 7 моста, и вторые полупериоды выходного переменного напряжения поступают в первичную обмотку 9 трансформатора 8. При достижении равенства среднего значения формируемого напряжения второго полупериода с запомненным напряжением первого полупериода средство 16 завершает формирование второго полупериода. Одновременно размыкаются ключи 5, 7 мостового коммутатора 3.
После этого, аналогично, как и после первого полупериода, замыкаются ключи 5 и 6, и остаются в замкнутом состоянии в течение всего времени, пока отсутствуют формируемые импульсы на выходах средств 14, 16 формирования первого и второго полупериода.
Для защиты от сквозных токов через ключи моста могут применяться различные известные решения, например, с генерированием тактовым генератором импульсов не вида меандр, а с паузами между каждым полупериодом, или с применением средств задержек и защиты, встроенных в модуль мостового коммутатора.
Далее процессы формирования напряжений первого и второго полупериодов периодически повторяются аналогично изложенному выше.
После завершения измерений и вычислений происходит установка схем в исходное состояние готовности к очередным измерениям и вычислениям известными средствами, например, встроенными средствами автоматического сброса в исходное состояние.
Предложенное решение с раздельным формированием напряжений в первый и второй полупериоды решает различные задачи формирования требуемых напряжений таким образом, что выходное напряжение за период находится в пределах заданных допусков. Для каждой пары импульсов за один период параметры первого импульса соответствуют установленной величине, при которой с приемлемой погрешностью обеспечивается требуемое значение выходного напряжения за первый и второй полупериоды, в пределах требуемых допусков. И при этом предотвращается одностороннее насыщение.
В зависимости от конкретных применений формирование первого полупериода может осуществляться по разным законам, например, с требуемым действующим или средним значением напряжения, или по иным законам, но при формировании второго полупериода всегда на выходе обеспечивается равенство средних значений напряжений первого и второго полупериодов, что предотвращает одностороннее насыщение.
Исключен отдельный ключ короткого замыкания обмотки в паузах, что упрощает решение проблем защит от сквозных токов.
Предложенное решение позволяет упростить конструкцию, оптимизировать размеры и массу магнитопроводов трансформаторов. Данное решение заменяет громоздкие и конструктивно сложные трансформаторы, в которых используются сдвоенные мощные первичные обмотки, на простую обмотку без отводов. Благодаря предложенному решению уменьшаются размеры первичной обмотки и магнитопровода, улучшаются массогабаритные показатели инвертора.
Источники информации
1. Патент США 6617839. Method for detecting current transformer saturation.
2. Патент США 4017786. Transformer saturation control circuit for a high frequency switching power supply.
3. Патент США 5317497. Internally excited, controlled transformer saturation, inverter circuitry.
4. Патент РФ 2027297, МПК Н02М 7/539. Преобразователь постоянного напряжения в переменное заданной формы.
5. Патент РФ 2035833, МПК Н02М 7/538. Способ ограничения одностороннего насыщения трансформатора импульсного преобразователя напряжения.
6. Патент РФ 2282934, МПК Н02М 7/42. Инвертор напряжения с защитой трансформатора от одностороннего насыщения.
Формула изобретения
Мостовой инвертор – преобразователь постоянного напряжения в переменное с предотвращением одностороннего насыщения выходного трансформатора, содержащий мостовой коммутатор для преобразования постоянного напряжения источника питания в переменное, выполненный в виде четырехплечевого моста с управляемыми ключами в плечах, в котором вершины первой диагонали подсоединены к выводам для источника питания, а к вершинам второй диагонали моста подсоединена первичная обмотка выходного трансформатора, средство формирования первого полупериода выходного напряжения с заданными параметрами, выход которого связан с цепями управления коммутацией ключей первой пары противолежащих плеч моста, средство выявления и запоминания среднего значения напряжения, сформированного в первый полупериод, и хранения запомненного напряжения до завершения формирования второго полупериода, средство формирования второго полупериода выходного напряжения со средним значением напряжения, равным запомненному среднему значению напряжения, сформированного в первый полупериод, вход которого подсоединен к выходу средства выявления и запоминания среднего значения напряжения, сформированного в первый полупериод, а выход связан с цепями управления коммутацией ключей второй пары противолежащих плеч моста, тактовый генератор прямоугольных импульсов с периодом, равным периоду выходного напряжения мостового инвертора, подсоединенный выходами к цепям управления периодичностью работы средств формирования первого и второго полупериодов, средство короткого замыкания первичной обмотки трансформатора в паузах между формируемыми импульсами первого и второго полупериодов, отличающийся тем, что средство короткого замыкания первичной обмотки выходного трансформатора в паузах между формируемыми импульсами первого и второго полупериодов образовано управляемыми ключами тех двух смежных плеч четырехплечего моста, концы которых являются вершинами второй диагонали этого моста с подсоединенной первичной обмоткой выходного трансформатора, причем ключи этих смежных плеч имеют двустороннюю проводимость, входные цепи каждого из этих ключей выполнены в виде двухвходовой схемы ИЛИ, и первые входы этих схем ИЛИ соединены с входами ключей противолежащих плеч моста и подсоединены к выходам соответствующих формирователей полупериодов, а вторые входы этих схем ИЛИ соединены между собой и с выходом дополнительной двухвходовой схемы ИЛИ-НЕ, подключенной входами к выходам формирователей полупериодов.
РИСУНКИ
|