|
|
(21), (22) Заявка: 2008140288/09, 13.10.2008
(24) Дата начала отсчета срока действия патента:
13.10.2008
(46) Опубликовано: 27.12.2009
(56) Список документов, цитированных в отчете о поиске:
SU 1394246 A1, 07.05.1988. SU 1341686 A1, 30.09.1987. SU 1089636 A1, 30.04.1984. US 6538412 В1, 25.03.2003.
Адрес для переписки:
111250, Москва, ул. Красноказарменная, 12, ФГУП ВЭИ, патентно-лицензионный отдел, Е.Н. Лифановой
|
(72) Автор(ы):
Валуйских Антон Олегович (RU), Мордкович Анатолий Григорьевич (RU), Цфасман Григорий Матвеевич (RU)
(73) Патентообладатель(и):
Федеральное государственное унитарное предприятие “Всероссийский электротехнический институт им. В.И. Ленина” (RU)
|
(54) УСТРОЙСТВО УПРАВЛЕНИЯ СИСТЕМОЙ ОХЛАЖДЕНИЯ МОЩНОГО ТРАНСФОРМАТОРА
(57) Реферат:
Изобретение относится к области электроэнергетики. Техническим результатом является повышение точности определения экономически оптимального числа включенных охладителей в системе охлаждения мощного маслонаполненного трансформаторного оборудования электрических станций и подстанций. В соответствии с изобретением поставленная цель достигается периодическим расчетом теплового состояния трансформатора и соответствующих ему суммарных потерь мощности при трех значениях числа включенных охладителей – текущем, на единицу большем и на единицу меньшем и выбором для следующего интервала времени того из этих трех значений числа включенных охладителей, при котором суммарные потери меньше, и при этом температура масла и обмотки не превышает заданных предельных значений. Для осуществления этого принципа предлагается два варианта схемы управления системой охлаждения с несколькими охладителями. В первом варианте указанные расчеты осуществляются функциональным преобразователем, а во втором – расчеты и выбор числа включенных охладителей осуществляются программно цифровым вычислительным устройством микроконтроллером. 2 н.п. ф-лы, 5 ил.
Изобретение относится к области электроэнергетики, а именно к проблеме охлаждения мощного маслонаполненного трансформаторного оборудования электрических станций и подстанций.
Обычно мощные маслонаполненные трансформаторы с принудительным воздушным охлаждением масла содержат несколько охладителей, в каждом из которых имеются вентиляторы и, для систем с принудительной циркуляцией масла, маслонасос. Как правило, чем больше нагрузка трансформатора, тем большее количество охладителей включается в работу. При большем количестве включенных охладителей температура обмотки трансформатора снижается, и за счет снижения зависящего от температуры обмотки ее сопротивления уменьшаются потери мощности в обмотке при данном токе нагрузки. С другой стороны, растут затраты мощности на привод электродвигателей маслонасосов и вентиляторов охладителей. В результате для каждого конкретного режима нагрузки трансформатора имеется некоторое оптимальное количество включенных охладителей, при котором суммарные потери мощности в активной части трансформатора и в его системе охлаждения будут минимальными.
Известны технические решения, позволяющие минимизировать суммарные потери мощности в трансформаторе надлежащим управлением числом включенных охладителей. Например:
1. Авторское свидетельство SU 1089636 A, H01F 27/08,
2. Авторское свидетельство SU 1341686 A1, H01F 27/08,
3. Авторское свидетельство SU 1394246 Al, H01F 27/08.
Наиболее близким к настоящему изобретению является решение, реализованное в устройстве по авторскому свидетельству SU 1394246 A1, H01F 27/08 (прототип).
В этом устройстве имеются датчик температуры масла, датчик температуры окружающей среды (воздуха), датчик тока нагрузки трансформатора, сумматор, функциональный преобразователь и компаратор. Сумматор, к двум входам которого подключены датчики температуры масла и воздуха, формирует сигнал, отражающий перепад температуры между маслом и воздухом. Функциональный преобразователь, ко входу которого подключен датчик тока нагрузки трансформатора, путем кусочно-линейной аппроксимации формирует сигнал, пропорциональный экономически выгодному перепаду температуры между маслом и воздухом, в зависимости от тока нагрузки трансформатора. Компаратор сравнивает фактический перепад температуры между маслом и воздухом с его экономически выгодным значением и выдает сигнал на срабатывание выходного реле управления охладителями, если фактический перепад температуры больше экономически выгодного.
Недостатком этого устройства является его невысокая точность в силу сложной нелинейной зависимости оптимального перепада температуры между маслом и воздухом (и связанного с ним оптимального числа включенных охладителей или относительной скважности времени включения всех охладителей) от нагрузки трансформатора. Кроме того, в устройстве не учитывается зависимость этих параметров от температуры окружающей среды, с которой связана температура обмотки при данной нагрузке трансформатора и, следовательно, потери в обмотке (см., например, статью Валуйских А.О., Дулькина И.Н., Филиппова А.А., Цфасмана Г.М. «Моделирование теплового режима трансформатора в системах управления, мониторинга и диагностики», Электро, 2008, 1, с.15-19).
Целью настоящего изобретения является повышение точности определения экономически оптимального числа включенных охладителей. Поставленная цель может быть достигнута периодическим расчетом теплового состояния трансформатора и соответствующих ему суммарных потерь мощности при трех значениях числа включенных охладителей – текущем, на единицу большем и на единицу меньшем и выбором для следующего интервала времени того из этих трех значений числа включенных охладителей, при которых суммарные потери меньше, и при этом температура масла и обмотки не превышает заданных предельных значений.
Потери мощности в активной части трансформатора Ра в реальном режиме с учетом зависимости сопротивления обмотки от ее температуры определяются соотношением

где k – коэффициент нагрузки (отношение текущего значения тока нагрузки к его номинальному значению),
Рх – потери холостого хода,
Рkr – нагрузочные потери в номинальном режиме трансформатора (при k=1),
– коэффициент изменения удельного сопротивления меди с температурой ( =0,00425 1/°C),
h, hr – превышение температуры обмотки над температурой масла и его значение в номинальном режиме,
o, or – превышение температуры верхних слоев масла над температурой окружающего воздуха и ее значение в номинальном режиме,
a, ar – текущее и номинальное значения температуры окружающего воздуха. Температуру верхних слоев масла в реальном режиме можно найти по соотношению

где pri – коэффициент снижения эффективности i-го охладителя вследствие загрязнения (pri 1),
b – коэффициент теплоотдачи бака трансформатора, отнесенный к номинальной теплоотдаче одного охладителя,
n – количество включенных охладителей,
GTc – номинальная тепловая проводимость одного охладителя от масла к воздуху, которую можно, в свою очередь, определить по параметрам номинального режима:

Перегрев обмотки относительно масла в соответствии с рекомендациями ГОСТ 14209-97 и публикацией МЭК 60076-7:2005 выразим через его значение в номинальном режиме как

где y – «показатель степени для обмотки» – параметр, указываемый изготовителем трансформатора.
Обозначив как Рохл суммарную мощность электродвигателей одного охладителя и подставляя выражения (2) (4) в соотношение (1), получим выражение для определения суммарной мощности, теряемой в трансформаторе и его системе охлаждения, в виде:
 
где 

Приняв для простоты коэффициенты загрязнения одинаковыми (pri=pr), найдем из (5) производную P по числу включенных охладителей:

Приравняв эту производную нулю, найдем оптимальное с точки зрения минимума суммарных потерь число включенных охладителей:

Как видно из приведенных соотношений, оптимальное число включенных охладителей зависит в общем случае как от температуры окружающей среды (через параметр А), так и от степени загрязнения охладителей. В прототипе эта зависимость не учитывается.
Для примера на фиг.1 показана рассчитанная по соотношениям (5) (7) зависимость от числа включенных охладителей суммарных потерь в преобразовательном трансформаторе ОДЦТНП-135000/330/110 мощностью 135 МВА Выборгской преобразовательной подстанции, имеющем 8 охладителей, при температуре окружающего воздуха 25°C и при Pr=0,95. Суммарная мощность электродвигателей маслонасоса и двух вентиляторов одного охладителя Рохл=7,3 кВт, номинальные потери холостого хода Px=122,3 кВт, номинальные нагрузочные потери Pkr=527,5 кВт. Из диаграммы видно, что оптимальное число включенных охладителей при коэффициентах нагрузки 1,0, 0,9 и 0,8 составляет соответственно 6, 5 и 4.
На фиг.2 показана зависимость оптимального с точки зрения минимума суммарных потерь числа включенных охладителей от коэффициента нагрузки трансформатора при значениях температуры окружающей среды минус 40°C, 0°C и +40°C. Из диаграммы видно, что без учета температуры окружающей среды требуемое по минимуму потерь число включенных охладителей может быть определено неправильно, особенно при больших нагрузках.
На фиг.3 показана зависимость температуры верхних слоев масла от коэффициента нагрузки при температуре окружающего воздуха +40°С, 0 и -40°C и при условии включения для каждого значения коэффициента нагрузки оптимального числа охладителей. Из чертежа очевидно, что подключение дополнительных охладителей и отключение избыточных происходят при существенно разных значениях температуры масла, что особенно заметно при небольшой нагрузке трансформатора. Отсюда также следует, что управление включением охладителей согласно прототипу не может давать правильный результат во всем диапазоне нагрузок.
Для достижения поставленной цели предлагаются два варианта устройства. По первому варианту предлагается в устройстве управления системой охлаждения мощного трансформатора с несколькими охладителями, содержащем блок управления, включающий в себя функциональный преобразователь и подключенный к его выходу компаратор, и датчики температуры окружающей среды и тока нагрузки трансформатора, подключенные к соответствующим входам блока управления, ввести в блок управления второй компаратор, узел задания числа включенных охладителей и дешифратор. При этом функциональный преобразователь, осуществляющий расчет суммарных потерь мощности в трансформаторе при текущем числе включенных охладителей, на единицу большем и на единицу меньшем числах включенных охладителей, выполнен с тремя входами и тремя выходами. Два входа функционального преобразователя, являющиеся входами блока управления, подключены соответственно к выходам указанных датчиков, а третий подключен к выходу узла задания числа включенных охладителей. Первый выход функционального преобразователя подключен к первому входу первого компаратора, второй – к первому входу второго компаратора, а третий – ко вторым входам обоих компараторов. Выходы компараторов подключены к соответствующим входам узла задания числа включенных охладителей, а выход последнего подключен к входу дешифратора, выходы которого являются выходами блока управления.
По второму варианту в устройстве управления системой охлаждения мощного трансформатора с несколькими охладителями, содержащем блок управления и датчики температуры окружающей среды и тока нагрузки трансформатора, блок управления выполнен в виде цифрового вычислительного устройства – микроконтроллера, программно осуществляющего периодически в заданные моменты времени расчет суммарных потерь мощности в трансформаторе при текущем числе включенных охладителей, на единицу большем и на единицу меньшем числа включенных охладителей, и включении на следующий промежуток времени числа охладителей, при котором потери наименьшие.
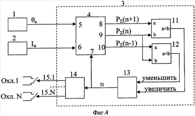
На фиг.4 показана блок-схема устройства по первому варианту;
на фиг.5 показан вариант реализации устройства, в котором блок управления выполнен в виде микроконтроллера с аналого-цифровыми преобразователями на входах.
Устройство содержит датчик температуры окружающей среды 1, датчик тока нагрузки 2 и блок управления 3. В блок управления по первому варианту схемы (фиг.4) входят функциональный преобразователь 4 с тремя входами 5, 6 и 7 и тремя выходами 8, 9, 10, первый и второй компараторы 11 и 12 с двумя входами и одним выходом каждый, узел задания числа включенных охладителей 13 с двумя входами «уменьшить» и «увеличить» и одним выходом, на котором формируется сигнал «n» задания числа включенных охладителей, и дешифратор 14, формирующий команды 15.1 15.N на включение коммутационных аппаратов охладителей (по числу последних). Первые два входа (5 и 6) функционального преобразователя 4 подключены соответственно к выходам датчика температуры окружающей среды 1 и датчика тока нагрузки трансформатора 2, третий вход 7 функционального преобразователя 4 и вход дешифратора 14 подключены к выходу узла задания числа включенных охладителей 13. На первом, втором и третьем выходах (8, 9, 10) функционального преобразователя 4 формируются сигналы, пропорциональные суммарным потерям в трансформаторе при количествах включенных охладителей n+1, n и n-1 соответственно. Первый вход компаратора 11 подключен к первому выходу 8 функционального преобразователя 4, первый вход компаратора 12 подключен к третьему выходу 10 функционального преобразователя 4, а вторые входы обоих компараторов подключены оба ко второму выходу 9 функционального преобразователя 4. Выход первого компаратора 11 «увеличить» и выход второго компаратора «уменьшить» подключены ко входам узла задания числа включенных охладителей 13.
Устройство работает следующим образом. В функциональном преобразователе 4 по вышеприведенным формулам (5), (6) и (7) с использованием сигналов датчика температуры окружающей среды а, тока нагрузки In и текущего числа включенных охладителей n формируются сигналы, пропорциональные суммарным потерям в трансформаторе при текущем (n), на единицу большем (n+1) и на единицу меньшем (n-1) числах включенных охладителей. Компаратор 11 сравнивает значения потерь при числах n+1 и n, и если первое из них меньше второго, формирует на выходе команду «увеличить». Компаратор 12 сравнивает значения потерь при числах n-1 и n, и если первое из них меньше второго, формирует на выходе команду «уменьшить». Узел задания числа включенных охладителей 13, представляющий собой в частном случае реверсивный счетчик, в соответствии с этими сигналами с заданной периодичностью изменяет при необходимости требуемое количество включенных охладителей n, а дешифратор 14 выдает команды на включение коммутационных аппаратов соответствующего числа охладителей. В результате с течением времени устанавливается такое значение n, при котором сигналы команд на выходах обоих компараторов отсутствуют. Это означает, что достигнуто минимально возможное для данного режима значение суммарных потерь.
Функциональное преобразование по формулам (5) (7) может быть выполнено с высокой точностью, если блок управления выполнить с использованием цифрового вычислительного устройства – микроконтроллера. Такой вариант реализации устройства показан на фиг.5. Для ввода в блок управления сигналов с датчиков температуры окружающей среды и тока нагрузки на соответствующих входах 5 и 6 блока управления предусмотрены аналого-цифровые преобразователи 16 и 17, цифровые выходы которых подключены ко входам микроконтроллера 18, а выходы 15.1 15.N блока управления являются дискретными выходами микроконтроллера. Все функции преобразования сигналов в соответствии с вышеприведенным описанием выполняются в микроконтроллере программно.
Формула изобретения
1. Устройство управления системой охлаждения мощного трансформатора с несколькими охладителями, содержащее блок управления, включающий в себя функциональный преобразователь и подключенный к его выходу компаратор, а также датчик температуры окружающей среды и датчик тока нагрузки трансформатора, подключенные к соответствующим входам блока управления, отличающееся тем, что в блок управления введены второй компаратор, узел задания числа включенных охладителей, подключенный соответствующими входами к выходам компараторов, и дешифратор, подключенный к выходу узла задания числа включенных охладителей, выходы которого являются выходами блока управления, при этом функциональный преобразователь, осуществляющий расчет суммарных потерь мощности в трансформаторе при текущем числе включенных охладителей, на единицу большем и на единицу меньшем числах включенных охладителей, выполнен с тремя входами и тремя выходами, два входа функционального преобразователя, являющиеся входами блока управления, подключены соответственно к выходу датчика температуры окружающей среды и к выходу датчика тока нагрузки трансформатора, третий вход функционального преобразователя подключен к выходу узла задания числа включенных охладителей, первый выход функционального преобразователя подключен к первому входу первого компаратора, второй выход функционального преобразователя подключен к первому входу второго компаратора, а третий выход функционального преобразователя подключен к вторым входам первого и второго компараторов.
2. Устройство управления системой охлаждения мощного трансформатора с несколькими охладителями, содержащее блок управления, а также датчик температуры окружающей среды и датчик тока нагрузки, подключенные к соответствующим входам блока управления, отличающееся тем, что блок управления выполнен в виде цифрового вычислительного устройства – микроконтроллера, программно осуществляющего периодически в заданные моменты времени расчет суммарных потерь мощности в трансформаторе при текущем числе включенных охладителей, при на единицу большем числе включенных охладителей и при на единицу меньшем числе включенных охладителей, а также включение на последующий промежуток времени числа охладителей, при котором суммарные потери наименьшие, при этом два входа микроконтроллера подключены к входам блока управления через аналого-цифровые преобразователи, а дискретные выходы микроконтроллера являются выходами блока управления.
РИСУНКИ
|
|