|
|
(21), (22) Заявка: 2008112999/09, 07.04.2008
(24) Дата начала отсчета срока действия патента:
07.04.2008
(46) Опубликовано: 27.12.2009
(56) Список документов, цитированных в отчете о поиске:
SU 246595 A1, 01.01.1969. SU 1149277 A1, 07.04.1985. SU 1280387 A1, 30.12.1986. US 5930157 А, 27.07.1999. GB 1318341 A, 31.05.1973.
Адрес для переписки:
111397, Москва, Зеленый пр-кт, 39, корп.4, кв.56, Г.С.Любчикову
|
(72) Автор(ы):
Любчиков Геннадий Сергеевич (RU), Любчиков Сергей Геннадьевич (RU), Любчиков Алексей Геннадьевич (RU)
(73) Патентообладатель(и):
Любчиков Геннадий Сергеевич (RU)
|
(54) СПОСОБ ОБРАБОТКИ СЛОЖНЫХ КВАЗИОПТИМАЛЬНЫХ СИГНАЛОВ И УСТРОЙСТВО ДЛЯ ОСУЩЕСТВЛЕНИЯ СПОСОБА
(57) Реферат:
Изобретение относится к устройствам оптимального приема псевдошумовых сигналов с помощью согласованных фильтров. Техническим результатом изобретения является повышение помехоустойчивости сигналов, упрощение и повышение надежности при декодировании с исправлением ошибок. Способ включает преобразование радиочастотного колебания в дискретизированный сигнал по времени и амплитуде, полученный код записывают в n разрядный регистр сдвига, в каждом i-м звене многозвенного дискретного фильтра, раздельно для входного i-го ПШ кода «1» и для ПШ кода «0», формируют автокорреляционные функции путем снятия постоянной составляющей с результатов суммирования выходных сигналов, сравнивают их с соответствующими порогами, при превышении которого блокируют на время выдачи другой разрешенный сигнал. Устройство обработки сложных квазиоптимальных сигналов включает устройство дискретизации, n ступеней многозвенного дискретного/согласованного фильтра. Каждая ступень включает регистры сдвига прямого и инверсного кодов, первое и второе суммирующие устройства, первое и второе устройство снятия постоянной составляющей, первое и второе пороговые устройства, ключевые схемы «1» и «0», первый и второй таймеры. 2 н.п. ф-лы, 2 ил.
Предложенное техническое решение предназначено для использования в радиотехнике, а именно в устройствах оптимального приема псевдошумовых сигналов с помощью согласованных фильтров. Предпочтительным является использование предложенной группы изобретений в космических командных радиолиниях.
В настоящее время известны шумоподобные сигналы различного вида (коды Баркера, М-последовательности, коды Голда, дополнительные коды и т.п.) с хорошими автокорреляционными и взаимокорреляционными свойствами, широко описанные в технической литературе (Л.Е.Варакин «Теория сложных сигналов», Советское Радио, Москва, 1970; Алексеев А.И. и др., «Теория и применение псевдослучайных сигналов», Наука, Москва, 1969). Подобные сигналы нашли широкое применение в космических командно-измерительных системах с оптимальным корреляционным приемом, требующим значительные временные затраты на обязательный этап вхождения сигнала в синхронизм.
Также широко известны способы формирования шумоподобных сигналов с помощью многотактных линейных фильтров (В.Д.Колесник, Е.Т.Мирончиков, «Декодирование циклических кодов», Связь, Москва, 1968, рис.3.3, стр.64; А.И.Алексеев и др., «Теория и применение псевдослучайных сигналов», Наука, Москва, 1969, §4.3; У.Питернсон, Э.Уэлдон, «Коды, исправляющие ошибки», Мир, Москва, 1976, глава 7).
При использовании шумоподобных сигналов, декодируемых известными способами, в космических командных радиолиниях с обработкой с помощью согласованных фильтров, и учитывая условия работы с большими радиальными скоростями, разработчики наталкиваются на большие трудности, связанные с рассогласованием между принимаемым сигналом и импульсной характеристикой согласованного фильтра. Для уменьшения потерь необходимо расширять функцию неопределенности по оси частот, что приводит к сокращению длительности псевдошумового сигнала и, как следствие, к сокращению значения его базы. Даже при очень точном прогнозе орбиты космического аппарата к необходимости формирования сложных составных квазиоптимальных сигналов приводит минимизация аппаратных средств при сложении сигнала с помощью согласованных фильтров по сравнению с псевдослучайными сигналами. При одинаковых значениях кодового расстояния оптимального и квазиоптимального сигналов, считая что 
где Ni и

аппаратные затраты можно представить как

где i – число ступеней предлагаемого сложного квазиоптимального сигнала, k – коэффициент сложности реализации аппаратных средств. В качестве ближайшего аналога для предложенных технических решений выбраны известный из заявки «Способ обработки псевдошумового сигнала и устройство для его реализации (варианты)» (автор Любчиков Г.С., регистрационный 2006141281, Решение о выдаче патента на изобретение от 21.02.08.
Технический результат, ожидаемый от использования предложенного технического решения, заключается в создании помехоустойчивого сигнала, допускающего оптимальную обработку с помощью согласованных фильтров, для чего предлагается формировать сложный составной квазиоптимальный сигнал, построенный по принципу “один в одном”. Также предложенное техническое решение обеспечит выделение АКФ в дискретном согласованном фильтре не только на этапе обработки сигнальной ступени сложного сигнала, но и на этапе декодирования последующих ступеней, увеличивая тем самым простоту исполнения и, следовательно, надежность относительно обычной операции декодирования с исправлением ошибок. В целом техническое решение обеспечит использование сложных псевдошумовых сигналов для передачи информации в космических радиолиниях, при оптимальной обработке с помощью согласованных фильтров, что позволяет их применять в космических командных радиолиниях как с обратной связью, так с отложенной ОС и без ОС.
Ожидаемый технический результат, достигается тем, что предложены способ и устройство обработки сложных квазиоптимальных сигналов.
Способ обработки сложных квазиоптимальных сигналов, согласно которому радиочастотное колебание преобразуют в сигнал, дискретизированный по времени и амплитуде, полученный код записывают в n-разрядный регистр сдвига дискретного согласованного фильтра, отличающийся тем, что обработку сигнала осуществляют в многозвенном согласованном фильтре, в каждом звене которого запись выполняют для дискретного фильтра, согласованного с прямым и инверсным кодами, раздельно для входного i-го ПШ кода «1» и для ПШ кода «0», формируют автокорреляционные функции этих сигналов путем снятия постоянной составляющей с результатов суммирования выходных сигналов указанных дискретных согласованных фильтров, сравнивают с соответствующими порогами, при превышении которого блокируют на время выдачи другой разрешенный сигнал, в результате на выходе каждого звена формируют код для оптимальной обработки в дискретном согласованном фильтре последующего звена, или выходной сигнал для последней ступени многозвенного согласованного фильтра. Данный способ обработки сложных квазиоптимальных сигналов является универсальным как для построения несинхронной, так и синхронной обработки, что определяется конкретными требованиями и способом формирования тактовых сигналов.
Устройство декодирования сложных квазиоптимальных сигналов включает устройство дискретизации, вход которого соединен с выходом линейной части приемного устройства, а также последовательно расположенные n ступеней оптимальной обработки, каждая из которых включает регистры сдвига прямого и инверсного кодов, первое и второе суммирующие устройства, первое и второе устройство снятия постоянной составляющей, первое и второе пороговые устройства, ключевые схемы «1» и «0», первый и второй таймеры. Входы регистров сдвига прямого и инверсного кодов соединены с импульсными выходами «1» и «0», либо устройства дискретизации, либо предшествующей ступени декодирования, а также с источниками тактовых импульсов с выбранными для каждой ступени декодирования частотами. Первая группа выходов регистров сдвига прямого и инверсного кодов соединена с последовательно соединенными: первым суммирующим устройством, первым устройством снятия постоянной составляющей, первым пороговым устройством и ключевой схемой «1». Вторая группа выходов регистров сдвига прямого и инверсного кодов соединена с последовательно соединенными: вторым суммирующим устройством, вторым устройством снятия постоянной составляющей, вторым пороговым устройством и ключевой схемой «0». Выход ключевой схемы «1» является импульсным выходом «1» ступени многозвенного дискретного оптимального фильтра и при наличии последующих ступеней соединен с информационными входом «1», и одновременно через первый таймер соединен с запретительным управляющим входом ключевой схемы «0». Выход ключевой схемы «0» является импульсным выходом «0» ступени декодирования. При наличии последующих ступеней выход ключевой схемы «0» соединен с информационным входом «0», и одновременно через второй таймер соединен с запретительным управляющим входом ключевой схемы «1».
Предложенное техническое решение поясняется чертежами:
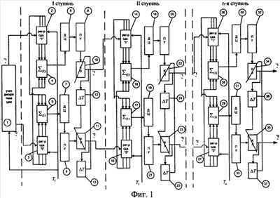
Фиг.1 – Структурная схема устройства обработки сложных квазиоптимальных сигналов;
Фиг.2 – Временная диаграмма работы устройства обработки сложных квазиоптимальных сигналов.
Структурная схема устройства обработки сложных квазиоптимальных сигналов приведена на фиг.1, процесс обработки сложного квазиоптимального сигнала пояснен временной диаграммой, приведенной на фиг.2 и иллюстрирующей вид кодовых комбинаций на входе устройства формирования сигналов, а также на выходе ступеней оптимальной обработки.
Устройство обработки сложных квазиоптимальных сигналов включает устройство дискретизации входного аналогового псевдошумового сигнала 1, на входы которого подаются сложный квазиоптимальный сигнал и тактовые импульсы Т1,. Импульсные выходы «1» и «0» устройства дискретизации 1 соединены с соответствующими им входами регистров сдвига прямого 2 и инверсного 3 кодов первой ступени, на входы которых также подаются тактовые импульсы Т1. Первая группа выходов регистров сдвига прямого 2 и инверсного 3 кодов первой ступени соединена с входами первого суммирующего устройства 4 первой ступени. Вторая группа выходов регистров сдвига 2 и 3 первой ступени соединена с входами второго суммирующего устройства 5 первой ступени. Выход первого суммирующего устройства 4 соединен с последовательно соединенными: первым устройством снятия постоянной составляющей 6, первым пороговым устройством 8 и ключевой схемой «1» 10. Выход ключевой схемы «1» 10 является выходом «1» первой ступени декодирования и одновременно соединен с входом первого таймера 12, выход которого соединен с запрещающим входом ключевой схемы «0» 11. Выход второго суммирующего устройства соединен с последовательно соединенными: вторым устройством снятия постоянной составляющей 7, вторым пороговым устройством 9 и ключевой схемой «0» 11. Выход ключевой схемы «0» 11 является выходом «0» первой ступени декодирования и одновременно соединен с входом второго таймера 13, выход которого соединен с запрещающим входом ключевой схемы «1» 10. Выходные шины «1» и «0» первой ступени декодирования соединены с входами «1» и «0» второй ступени, где соединяются соответственно с входами регистров сдвига прямого 14 и инверсного 15 кодов.
Вторая и последующие ступени устройства декодирования сложных квазиоптимальных сигналов построены по аналогичной схеме. Входы «1» и «0» второй и последующих ступеней соединяются с входами регистров сдвига прямого 14, 26 и инверсного 15, 27 кодов. Первая группа выходов регистров сдвига прямого 14, 26 и инверсного 15, 27 кодов соединена с входами первых суммирующих устройств 16, 28. Вторая группа выходов регистров сдвига 14, 26 и 15, 27 соединена с входами вторых суммирующих устройств 17, 29. Выходы первых суммирующих устройств 16, 28 соединены с последовательно соединенными: первыми устройствами снятия постоянной составляющей 18, 30, первыми пороговыми устройствами 21, 31 и ключевыми схемами «1» 22, 34. Выход ключевых схем «1» 22, 34 является выходом «1» второй и последующей ступеней декодирования и одновременно соединен с входом первых таймеров 24, 36 выходы которых соединены с запрещающими входами ключевых схем «0» 23, 35. Выходы вторых суммирующих устройств соединены с последовательно соединенными: вторыми устройствами снятия постоянной составляющей 19, 31 вторыми пороговыми устройствами 20, 32 и ключевыми схемами «0» 23, 35. Выходы ключевых схем «0» 23, 35 являются выходами «0» второй и последующих ступеней декодирования и одновременно соединены с входами вторых таймеров 25, 37, выходы которых соединены с запрещающими входами ключевых схем «1» 22, 34. Выходные шины «1» и «0» второй и последующих ступеней декодирования соединены с входами «1» и «0» последующих ступеней, где соединяются соответственно с входами регистров сдвига прямого и инверсного кодов. Для последней ступени выходы «1» и «0» являются выходами устройства обработки сигнала. Причем при обработке i-ой ступени Ti соответствуют тактовым импульсам Т(n-i+1) при формировании сложного квазиоптимального сигнала.
При работе устройства обработки сложных квазиоптимальных сигналов радиочастотное колебание преобразуется в дискретизированный по времени и амплитуде сигнал. Составные части сигнала оптимально обрабатываются в последовательно расположенных n ступенях. В первой, второй и последующих ступенях активными «1» и «0» формируется двоичный код. На запись в регистры сдвига прямого 2, 14, 26 и инверсного 3, 15, 27 кодов совместно с тактовыми импульсами T1, Т2, Тn подаются сигналы «1» или «0». При входном коде последующих ступеней декодирования «1» или «0» пик автокорреляционной функции выделяется на первых 4, 16, 28 и вторых 5, 17, 29 сумматорах. Постоянные составляющие сигнала снимаются на первых 6, 18, 30 и вторых 7, 19, 31 устройствах ступеней. На первых 8, 20, 32 и вторых 9, 21, 33 пороговых устройствах ступеней амплитуда сигналов сравнивается с пороговыми значениями, при превышении которых формируются импульсные сигналы «1» или «0». Импульсные сигналы, пройдя ключевые схемы «1» 10, 22, 34 или ключевые схемы «0» 11, 23, 35, являются выходными сигналами. Сигнал с выхода «1» запускает первые таймеры 12, 24, 36 на время действия которого закрываются ключевые схемы «0» 11, 23, 35. Сигнал с выхода «0» запускает вторые таймеры 13, 25, 37 на время действия которого закрываются ключевые схемы «1» 10, 22, 34. Для последней ступени импульсный сигнал «1» или «0», пройдя ключевые схемы, является выходным сигналом информационного кода, запускающим соответствующий таймер, защищая несанкционированную выдачу сигнала противоположного значения. В качестве варианта – в каждой ступени декодирования допустимо использование одного регистра сдвига и с него снимать две группы прямых и инверсных кодов, которые соединяются с входами соответствующих сумматоров.
Таким образом, предложенное техническое решение обеспечивает обработку сложных псевдооптимальных сигналов с помощью дискретных согласованных фильтров и предоставляет возможность их использования для передачи информации в космических радиолиниях как с обратной связью, так и с отложенной ОС, исключая период вхождения в связь по сигналу и повышая, таким образом, помехозащищенность системы в целом.
Формула изобретения
1. Способ обработки сложных квазиоптимальных сигналов, согласно которому радиочастотное колебание преобразуют в сигнал, дискретизированный по времени и амплитуде, полученный код записывают в n-разрядный регистр сдвига дискретного согласованного фильтра, отличающийся тем, что обработку сигнала осуществляют в многозвенном согласованном фильтре, где запись входного сложного квазиоптимального сигнала в устройство дискретизации осуществляют по тактовым импульсам T1, а в каждом i-м звене многозвенного согласованного фильтра запись выполняют по тактовым импульсам соответственно T1, Т2, Тn для дискретного фильтра, согласованного с прямым и инверсным кодами, раздельно для входного i-го ПШ кода «1» и для ПШ кода «0», формируют автокорреляционные функции этих сигналов путем снятия постоянной составляющей с результатов суммирования выходных сигналов указанных дискретных согласованных фильтров, сравнивают с соответствующими порогами, при превышении которого блокируют на время выдачи другой разрешенный сигнал, в результате на выходе каждого звена формируют код для оптимальной обработки в согласованном фильтре последующего звена, или выходной сигнал для последней ступени многозвенного согласованного фильтра.
2. Устройство обработки сложных квазиоптимальных сигналов, включающее устройство дискретизации, вход которого соединен с выходом линейной части приемного устройства, а также последовательно расположенные n-ступеней многозвенного дискретного/согласованного фильтра, каждая из которых включает регистры сдвига прямого и инверсного кодов, первое и второе суммирующие устройства, первое и второе устройство снятия постоянной составляющей, первое и второе пороговые устройства, ключевые схемы «1» и «0», первый и второй таймеры; при этом входы регистров сдвига прямого и инверсного кодов соединены с импульсными выходами «1» и «0», либо устройства дискретизации, либо предшествующей ступени декодирования, а также с источниками тактовых импульсов с выбранными для каждой ступени декодирования частотами; первая группа выходов регистров сдвига прямого и инверсного кодов соединена с последовательно соединенными: первым суммирующим устройством, первым устройством снятия постоянной составляющей, первым пороговым устройством и ключевой схемой «1»; вторая группа выходов регистров сдвига прямого и инверсного кодов соединена с последовательно соединенными: вторым суммирующим устройством, вторым устройством снятия постоянной составляющей, вторым пороговым устройством и ключевой схемой «0»; выход ключевой схемы «1» является импульсным выходом «1» ступени многозвенного дискретного согласованного фильтра и, при наличии последующих ступеней, соединен с информационными входом «1», и одновременно через первый таймер соединен с запретительным управляющим входом ключевой схемы «0»; выход ключевой схемы «0» является импульсным выходом «0» ступени декодирования, и, при наличии последующих ступеней, соединен с информационными входом «0», и одновременно через второй таймер соединен с запретительным управляющим входом ключевой схемы «1».
РИСУНКИ
|
|