|
|
(21), (22) Заявка: 2008114852/09, 18.04.2008
(24) Дата начала отсчета срока действия патента:
18.04.2008
(46) Опубликовано: 27.12.2009
(56) Список документов, цитированных в отчете о поиске:
JP 7-106867 А, 21.04.1995. JP 6-314977 А, 08.11.1994. JP 2006-59057 А, 02.03.2006. US 4417240 А, 22.11.1983. ХОРОВИЦ П. и др. Искусство схемотехники, том 1. – М.: Мир, 1983, с.125, рис.2.48.
Адрес для переписки:
141304, Московская обл., г. Сергиев Посад, ул. Куликова, 15, кв.25, В.В. Коркину
|
(72) Автор(ы):
Коркин Вячеслав Васильевич (RU)
(73) Патентообладатель(и):
Коркин Вячеслав Васильевич (RU)
|
(54) БИПОЛЯРНОЕ ТОКОВОЕ ЗЕРКАЛО С РЕГУЛИРУЕМЫМ КОЭФФИЦИЕНТОМ ПЕРЕДАЧИ
(57) Реферат:
Биполярное токовое зеркало с регулируемым коэффициентом передачи относится к области электроизмерительной техники и автоматики. Технический результат – дополнительное улучшение регулирования коэффициентов передачи источников тока, управляемых током на базе токового зеркала. Для этого включены регулирующие транзисторы, имеющие структуру, противоположную структуре транзисторов токового зеркала, и выполняющие функцию регулируемых источников напряжения, в базовые или эмиттерные цепи не только выходных, но и входного транзисторов токового зеркала. Коэффициент передачи регулируется дифференциальным напряжением, подаваемым на базы регулирующих транзисторов. 4 н.п. ф-лы, 4 ил.
Изобретение относится к электрорадиотехнике и может найти применение в устройствах импульсной, измерительной, усилительной техники и автоматики.
Наиболее распространенный способ электронной регулировки коэффициента передачи источника тока, управляемого током (ИТУТ), на базе токового зеркала заключается в применении в эмиттерной или базовой цепях входных или/и выходных транзисторов управляемых источников напряжения. Управляемые источники напряжения получают при протекании регулируемого тока на постоянном резисторе [1] или за счет разности падения напряжения на прямосмещенных р-n переходах [2].
Целью изобретения является упрощение электронного регулирования коэффициента передачи ИТУТ на базе токового зеркала, а также использование устройства в качестве усилителя сигналов, поступающих на регулирующие входы.
Упрощение электронного регулирования коэффициента передачи токового зеркала, содержащего входной, один или несколько выходных транзисторов, имеющих одну структуру, при этом коллектор входного транзистора является входом, а коллекторы выходных транзисторов являются выходами токового зеркала, базы их соединены и подключены к коллектору входного транзистора, к эмиттерам их подключены резисторы, величина сопротивления которых равна или больше нуля, достигается тем, что к другим концам эмиттерных резисторов подключены эмиттеры регулирующих транзисторов, имеющих структуру, противоположную структуре транзисторов токового зеркала, коллекторы регулирующих транзисторов подключены к шине источника питания, а на их базы подаются регулирующие напряжения.
Упрощение электронного регулирования коэффициента передачи токового зеркала, содержащего входной, управляющий, один или несколько выходных транзисторов, имеющих одну структуру, при этом коллектор входного транзистора является входом, а коллекторы выходных транзисторов являются выходами токового зеркала, базы входного и выходных транзисторов соединены и подключены к эмиттеру управляющего транзистора, база которого соединена с коллектором входного транзистора, а к эмиттерам их подключены резисторы, сопротивление которых больше или равно нулю, достигается тем, что к другим концам эмиттерных резисторов подключены эмиттеры регулирующих транзисторов, имеющих структуру, противоположную структуре транзисторов токового зеркала, коллекторы регулирующих транзисторов подключены к шине источника питания, а на их базы подаются регулирующие напряжения.
Упрощение электронного регулирования коэффициента передачи токового зеркала, содержащего входной, один или несколько выходных транзисторов, имеющих одну структуру, при этом коллектор входного транзистора является входом, а коллекторы выходных транзисторов являются выходами токового зеркала, эмиттеры их соединены и подключены к одной шине источника питания, достигается тем, что к базам входного и выходных транзисторов подключены коллекторы регулирующих транзисторов, имеющих структуру, противоположную структуре транзисторов токового зеркала, к эмиттерам их подключены резисторы, величина сопротивления которых равна или больше нуля, другие концы резисторов соединены и подключены к коллектору входного транзистора, а на базы регулирующих транзисторов подаются регулирующие напряжения.
Упрощение электронного регулирования коэффициента передачи токового зеркала, содержащего входной, управляющий, один или несколько выходных транзисторов, имеющих одну структуру, при этом коллектор входного транзистора является входом, а коллекторы выходных транзисторов являются выходами токового зеркала, эмиттеры их соединены и подключены к одной шине источника питания, база управляющего транзистора подключена к коллектору входного транзистора, достигается тем, что к базам входного и выходных транзисторов подключены коллекторы регулирующих транзисторов, имеющих структуру, противоположную структуре транзисторов токового зеркала, к эмиттерам их подключены резисторы, сопротивление которых больше или равно нулю, другие концы резисторов соединены и подключены к эмиттеру управляющего транзистора, а на базы регулирующих транзисторов подаются регулирующие напряжения.
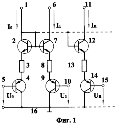
На фиг.1 представлена принципиальная электрическая схема токового зеркала (ТЗ) на транзисторах n-р-n структуры с регулируемым коэффициентом передачи. Токовое зеркало содержит входную клемму 1, входной транзистор 2, эмиттерный резистор 3 входной цепи, регулирующий транзистор 4 входной цепи, клемму 5 регулирующего напряжения входной цепи, выходные клеммы 6 и 11, выходные транзисторы 7, 12, эмиттерные резисторы 8 и 13 выходных цепей, регулирующие транзисторы 9 и 14 выходных цепей, клеммы 10 и 15 регулирующих напряжений выходных цепей, шину 16 источника питания.
На фиг.2 представлена принципиальная электрическая схема токового зеркала на транзисторах n-р-n структуры с регулируемым коэффициентом передачи и управляющим транзистором. Токовое зеркало содержит входную клемму 1, входной транзистор 2, эмиттерный резистор 3 входной цепи, регулирующий транзистор 4 входной цепи, клемму 5 регулирующего напряжения входной цепи, выходные клеммы 6 и 11, выходные транзисторы 7 и 12, эмиттерные резисторы 8 и 13 выходных цепей, регулирующие транзисторы 9 и 14 выходных цепей, клеммы 10 и 15 регулирующих напряжений выходных цепей, эмиттерный повторитель на управляющем транзисторе 16, плюсовую шину 17 и общую шину 18 источника питания.
На фиг.3 представлена принципиальная электрическая схема токового зеркала (ТЗ) на транзисторах n-р-n структуры с регулируемым коэффициентом передачи. Токовое зеркало содержит входную клемму 1, входной транзистор 2, клемму 3 регулирующего напряжения входной цепи, эмиттерный резистор 5 регулирующего транзистора входной цепи, выходные клеммы 6 и 11, выходные транзисторы 7 и 12, эмиттерные резисторы 10 и 15 выходных цепей, регулирующие транзисторы 9 и 14 выходных цепей, клеммы 8 и 13 регулирующих напряжений выходов, шину 16 источника питания.
На фиг.4 представлена принципиальная электрическая схема токового зеркала (ТЗ) на транзисторах n-р-n структуры с регулируемым коэффициентом передачи и управляющим транзистором. Токовое зеркало содержит входную клемму 1, входной транзистор токового зеркала 2, клемму 3 регулирующего напряжения входной цепи, эмиттерный резистор 5 регулирующего транзистора входной цепи, выходные клеммы 6 и 11, выходные транзисторы 7 и 12, эмиттерные резисторы 10 и 15 регулирующих транзисторов выходных цепей, регулирующие транзисторы 9 и 14 выходных цепей, клеммы 8 и 13 регулирующих напряжений выходов, эмиттерный повторитель на регулирующем транзисторе 16, плюсовую шину 17 и общую шину 18 источника питания
Токовые зеркала с регулируемыми коэффициентами передачи, представленные на фиг.1 и фиг.2 транзисторами n-р-n структуры 2, 7 и 12, содержат N выходов и отражают входной ток I0 на произвольный n-й выход с коэффициентом передачи:
kn=In/I0, где In – ток n-го выхода. Регулирующие транзисторы 4 и 9, 14, р-n-р структуры, включенные в эмиттерные цепи транзисторов токового зеркала, выполняют функции регулируемых источников напряжений соответственно входной и выходных цепей. Величина регулирующего напряжения для n-го выхода равна разности напряжений на базах регулирующих транзисторов Un=U0-Un. Резисторы 3, 8, , 13, находящихся между эмиттерами транзисторов, вводятся с целью линеаризации коэффициентов передачи, ограничения температурной зависимости, ограничения чувствительности или задания начальных смещений. Для токового зеркала с регулируемыми коэффициентами передачи (фиг.1) зависимость коэффициента передачи тока n-го выхода от регулирующего напряжения без учета эффекта модуляции толщины базы транзисторов (эффекта Эрли) представляется выражением неявного вида

Токовое зеркало с регулируемыми коэффициентами передачи (фиг.2) содержит управляющий транзистор 16. Управляющий транзистор, являющийся эмиттерным повторителем напряжения на коллекторе входного транзистора, ограничивает ответвление входного тока в цепи регулирования, повышая точность отражения тока. Зависимость коэффициента передачи тока n-го выхода от регулирующего напряжения для схемы фиг.2 без учета эффекта Эрли определяется неявным выражением относительно коэффициента передачи kn:

где т– температурный потенциал; – статический коэффициент передачи тока транзисторов токового зеркала при условии их идентичности и без учета зависимости от тока коллектора; R0=RE2+RE4+R3+RB2/ +RB4/ ; R1=RE7+RE9+R8+RB7/ +RB9/ ; Rn=RE12+RE14+Rl3+RB12/ +RB14/ ; RE2, RE4, , RE7, RE9, , RE12, RE14, – объемные сопротивления эмиттеров транзисторов 2,4, , 7,9, , 12, 14 ; RB2, RB4, , RB7, RB9, , RB12, RB14, – сопротивления баз транзисторов 2,4, , 7,9, , 12, 14 ; R3, R8, , R13, – сопротивления подключаемых эмиттерных резисторов. С учетом принятых допущений приведенные формулы отражают характер зависимости коэффициентов передачи kn источников токов, управляемых током I0 от регулирующих напряжений Un. Взаимное влияние выходных токов отражено в формулах соответствующими членами.
Относительно сигнала Un при условии I0=const устройства фиг.1 и фиг.2 являются источниками тока, управляемыми напряжением (ИТУН), и могут использоваться в качестве усилителей дифференциального сигнала U. При равных эмиттерных сопротивлениях, без учета взаимного влияния выходных токов и при значении коэффициента передачи kn<2 передаточная функция ИТУН по n-му выходу приводится к выражению

По приведенной зависимости можно оценить усилительные свойства устройств и уровень нелинейных искажений.
Токовые зеркала с регулируемыми коэффициентами передачи, представленные на фиг.3 и фиг.4 транзисторами n-р-n структуры 2, 7 и 12, содержат N выходов и отражают входной ток I0 на произвольный n-й выход с коэффициентом передачи: kn=In/I0, где In – ток n-го выхода. Регулирующие транзисторы 4 и 9, 14, р-n-р структуры включены в базовые цепи транзисторов токового зеркала и выполняют роль регулируемых источников напряжений соответственно входной и выходных цепей. Величина регулирующего напряжения для n-го выхода равна разности напряжений на базах регулирующих транзисторов Un=U0-Un. Резисторы 5, 10, , 15, , подключенные к эмиттерам регулирующих транзисторов, вводятся с целью линеаризации коэффициентов передачи, ограничения температурной зависимости, ограничения чувствительности или задания начальных смещений. Для токового зеркала с регулируемыми коэффициентами передачи (фиг.3) зависимость коэффициента передачи тока n-го выхода от регулирующего напряжения без учета эффекта модуляции толщины базы транзисторов (эффекта Эрли) определяется выражением неявного вида

Токовое зеркало с регулируемыми коэффициентами передачи (фиг.4) содержит управляющий транзистор 16. Управляющий транзистор, являющийся эмиттерным повторителем напряжения на коллекторе входного транзистора, ограничивает ответвление входного тока в цепи регулирования, повышая точность отражения тока. Зависимость коэффициента передачи тока n-го выхода от регулирующего напряжения для схемы фиг.4 без учета эффекта Эрли определяется выражением неявного вида

где т – температурный потенциал; – статический коэффициент передачи тока транзисторов токового зеркала при условии их идентичности и без учета зависимости от тока коллектора; R0=RE4+RB4/ +R5; R1=RE9+RB9/ +R10; Rn=RE14+RB14/ +R15; RE4, RE9, , RE14, – объемные сопротивления эмиттеров транзисторов 4,9, , 14 ; RB4,
RB9, , RB14, -сопротивления баз регулирующих транзисторов; R5, R10, , R15, – сопротивления резисторов, подключаемых к эмиттерам регулирующих транзисторов. С учетом принятых допущений приведенные формулы отражают характер зависимости коэффициентов передачи kn источников токов, управляемых током от регулирующего напряжения Un. Взаимное влияние выходных токов отражено в формулах соответствующими членами.
Относительно сигнала Un при условии I0=const устройства фиг.3 и фиг.4 являются источниками тока, управляемыми напряжением, и могут использоваться в качестве усилителей дифференциального сигнала U. При равных сопротивлениях в эмиттерных цепях регулирующих транзисторов, без учета взаимного влияния выходных токов и при значении коэффициента передачи kn<2, передаточная функция ИТУН по n-му выходу приводится к выражению

По приведенной зависимости можно оценить усилительные свойства устройств и уровень нелинейных искажений.
ЛИТЕРАТУРА
1. Toumazou С., Lidgey F. J., Haigh D.G. Analogue 1C Design: The Current-mode Approach. Eds. London: Peregrinus, 1990.
1, стр.12-15.
Формула изобретения
1. Токовое зеркало, содержащее входной, один или несколько выходных транзисторов, имеющих одну структуру, при этом коллектор входного транзистора является входом, а коллекторы выходных транзисторов являются выходами токового зеркала, базы их соединены и подключены к коллектору входного транзистора, к эмиттерам их подключены резисторы, сопротивление которых больше или равно нулю, отличающееся тем, что к другим концам эмиттерных резисторов подключены эмиттеры регулирующих транзисторов, имеющих структуру противоположную структуре транзисторов токового зеркала, коллекторы регулирующих транзисторов подключены к шине источника питания, а на их базы подаются регулирующие напряжения.
2. Токовое зеркало, содержащее входной, управляющий, один или несколько выходных транзисторов, имеющих одну структуру, при этом коллектор входного транзистора является входом, а коллекторы выходных транзисторов являются выходами токового зеркала, к эмиттерам их подключены резисторы, сопротивление которых больше или равно нулю, базы входного и выходных транзисторов соединены и подключены к эмиттеру управляющего транзистора, база которого соединена с коллектором входного транзистора, отличающееся тем, что к другим концам эмиттерных резисторов подключены эмиттеры регулирующих транзисторов, имеющих структуру, противоположную структуре транзисторов токового зеркала, коллекторы регулирующих транзисторов подключены к шине источника питания, а на их базы подаются регулирующие напряжения.
3. Токовое зеркало, содержащее входной, один или несколько выходных транзисторов, имеющие одну структуру, при этом коллектор входного транзистора является входом, а коллекторы выходных транзисторов являются выходами токового зеркала, эмиттеры их соединены и подключены к одной шине источника питания, отличающееся тем, что к базам входного и выходных транзисторов подключены коллекторы регулирующих транзисторов, имеющих структуру, противоположную структуре транзисторов токового зеркала, к эмиттерам их подключены резисторы, сопротивление которых больше или равно нулю, другие концы резисторов соединены и подключены к коллектору входного транзистора, а на базы регулирующих транзисторов подаются регулирующие напряжения.
4. Токовое зеркало, содержащее входной, управляющий, один или несколько выходных транзисторов, имеющие одну структуру, при этом коллектор входного транзистора является входом, а коллекторы выходных транзисторов являются выходами токового зеркала, эмиттеры их соединены и подключены к одной шине источника питания, база управляющего транзистора подключена к коллектору входного транзистора, отличающееся тем, что к базам входного и выходных транзисторов подключены коллекторы регулирующих транзисторов, имеющих структуру, противоположную структуре транзисторов токового зеркала, к эмиттерам их подключены резисторы, сопротивление которых больше или равно нулю, другие концы резисторов соединены и подключены к эмиттеру управляющего транзистора, а на базы регулирующих транзисторов подаются регулирующие напряжения.
РИСУНКИ
|
|