|
|
(21), (22) Заявка: 2008103614/09, 29.01.2008
(24) Дата начала отсчета срока действия патента:
29.01.2008
(43) Дата публикации заявки: 10.08.2009
(46) Опубликовано: 27.12.2009
(56) Список документов, цитированных в отчете о поиске:
RU 2304839 С2, 20.08.2007. RU 1688 U1, 20.02.2001. SU 936308 A1, 15.06.1982. US 6339538 B1, 15.01.2002. US 2007279946 A1, 06.12.2007. JP 2007166783 A, 28.06.2007. EP 0756372 A1, 29.01.1997.
Адрес для переписки:
664074, г.Иркутск-74, ул. Чернышевского, 15, ИрГУПС, патентно-лицензионный отдел
|
(72) Автор(ы):
Рябченок Наталья Леонидовна (RU), Астраханцева Надежда Михайловна (RU), Орленко Алексей Иванович (RU), Алексеев Михаил Евгеньевич (RU)
(73) Патентообладатель(и):
Государственное образовательное учреждение высшего профессионального образования Иркутский государственный университет путей сообщения (ИрГУПС) (RU)
|
(54) СПОСОБ РЕГУЛИРОВАНИЯ МОЩНОСТИ И УСТРОЙСТВО ОДНОФАЗНОГО ИНВЕРТОРА
(57) Реферат:
Изобретение относится к области электротехники и может быть использовано на электроподвижном составе железных дорог, в преобразователях возобновляемых источников электрической энергии и других источников энергии постоянного тока для преобразования в энергию переменного тока. Техническим результатом является повышение коэффициента мощности и снижение нелинейных искажений тока и напряжения в сети переменного тока, коэффициента пульсаций тока на входе инвертора. В способе регулирования мощности и устройстве однофазного инвертора в плечах инвертора полупроводниковые приборы запираются с минимальными углами опережения выключения приборов. В зоне регулирования мощности инвертора указанный угол опережения выключения изменяется при увеличении мощности инвертора до минимального угла, а при уменьшении мощности инвертора – увеличивается до 180 градусов. Регулируемая составляющая мощности инвертора суммируется с нерегулируемой составляющей. Выходы плеч инвертора подключены к отпайкам секций вторичной обмотки трансформатора. Анодная группа плеч инвертора собрана на однооперационных приборах, а катодная группа плеч инвертора – на двухоперационных приборах. Параллельно входу инвертора включены накопители электрической энергии большой емкости. Обратный диод катодом соединен с плюсовой шиной, а анодом – с минусовой шиной сети постоянного тока. 2 н.п. ф-лы, 1 ил.
Изобретение относится к электротехнике, в частности к полупроводниковой технике, и может быть использовано на электроподвижном составе железных дорог, в преобразователях возобновляемых источников электрической энергии и других источников энергии постоянного тока для преобразования в энергию переменного тока.
Известны инверторы, ведомые сетью, для преобразования электрической энергии постоянного тока в энергию переменного тока, для параллельной работы с другими источниками энергии. Однако такие инверторы имеют низкий коэффициент мощности, вызывают нелинейные искажения напряжения в электрических сетях переменного тока, создают пульсации тока и напряжения в сети постоянного тока [Бурков А.Т. Электронная техника и преобразователи. – М.: Транспорт, 1999. – 464 с.].
Известен способ управления однофазным инвертором [патент РФ 2201031, кл. Н02М 7/515, 2003], состоящий в том, что для формирования импульсов отпирания вентилей инвертора в следующем полупериоде в зависимости от значения угла коммутации в каждом полупериоде измеряют и запоминают значение амплитуды питающего напряжения, среднее значение тока рекуперации и значение угла коммутации, а также вычисляют значение индуктивного сопротивления контура коммутации. Значение угла коммутации в следующем полупериоде вычисляют в текущем полупериоде на основании измеренных значений тока рекуперации и амплитуды питающего напряжения в предыдущем полупериоде.
Недостатками инвертора с известным способом управления является низкий коэффициент мощности, нелинейные искажения тока и напряжения в сети переменного тока, высокий коэффициент пульсаций тока и напряжения в сети постоянного тока. Неудовлетворительные показатели инвертора обусловлены тем, что на интервале времени трансформатор находится в режиме короткого замыкания, а на интервале времени напряжение источника энергии постоянного тока совпадает по направлению с ЭДС вторичной обмотки трансформатора.
Известен способ управления многозонным преобразователем переменного тока (прототип) [патент РФ 2168839, кл. Н02М 7/155, 2001], который осуществляется однофазными мостами на управляемых вентилях. Способом обеспечивается регулирование мощности преобразователя за счет управления тиристорами выпрямительно-инверторного преобразователя импульсно-фазовым способом. Каждая пара последовательно соединенных управляемых вентилей подключена крайними точками между шинами постоянного тока нагрузки параллельно, а средними точками – к выводам последовательно соединенных секций вторичных обмоток трансформатора. При работе выпрямительно-инверторного преобразователя в режиме инвертора для запирания пары тиристоров, завершающих работу, отпираются тиристоры другой пары с углом опережения включения тиристоров .
Недостатками инвертора с известным способом регулирования мощности является низкий коэффициент мощности, нелинейные искажения тока и напряжения в сети переменного тока, высокий коэффициент пульсаций тока и напряжения в сети постоянного тока из-за того, что на интервале времени выполняется коммутация тиристоров и напряжение источника энергии постоянного тока совпадает по направлению с ЭДС вторичной обмотки трансформатора.
Целью изобретения является повышение коэффициента мощности инвертора, повышение электромагнитной совместимости инвертора с электрическими сетями переменного тока и сетями постоянного тока.
Цель достигается тем, что от источника энергии постоянного тока нерегулируемая составляющая энергии передается в сеть однофазного переменного тока через однофазный инвертор, силовые полупроводниковые приборы которого работают с постоянным минимальным углом опережения выключения приборов. Когда напряжение в сети постоянного тока превышает установленный уровень, то нерегулируемая составляющая рекуперируемой энергии передается в сеть переменного тока неуправляемыми в зоне регулирования плечами инвертора. Регулируемая составляющая энергии передается в сеть переменного тока плечами инвертора, угол опережения, выключения силовых полупроводниковых приборов которых изменяется. Угол опережения выключения полупроводниковых приборов уменьшается до минимального значения по мере повышения напряжения в сети постоянного тока, а при снижении напряжения в сети постоянного тока угол опережения выключения полупроводниковых приборов увеличивается. Управление полупроводниковыми приборами инвертора выполняется фазовым способом. Однофазный инвертор состоит из однофазного трансформатора с первичной и секционированной вторичной обмотками. Секции вторичной обмотки трансформатора соединены между собой последовательно, к отпайкам секционированной обмотки соединены выходы плеч однофазного инвертора, плечи инвертора по входу соединены между собой параллельно. Входы плеч инвертора через реактор соединены к шинам сети постоянного тока.
Данным способом регулирования мощности и устройством обеспечивается плавное изменение мощности однофазного инвертора с бесконтактным переключением секций вторичной обмотки преобразовательного трансформатора.
Таким образом, заявляемый способ регулирования мощности и устройство однофазного инвертора соответствуют критерию изобретения «новизна».
Известные способы регулирования мощности, которыми обеспечивается изменение мощности инверторов фазовым способом, характеризуются низким коэффициентом мощности, нелинейными искажениями тока, напряжения в сети переменного тока и высокими пульсациями тока в сети постоянного тока. Предложенным способом регулирования мощности и устройством однофазного инвертора коэффициент мощности повышается за счет непрерывной передачи электрической энергии от источника постоянного тока в сеть переменного тока. Для этого нерегулируемая составляющая мощности в зоне регулирования обеспечивается приборами тех плеч инвертора, силовые полупроводниковые приборы которых, заканчивая работу в полупериод переменного напряжения сети, запираются с постоянным минимальным углом опережения выключения приборов. Регулируемая составляющая мощности обеспечивается с помощью плеч инвертора, которые соединены с отпайками секционированной обмотки трансформатора, силовые полупроводниковые приборы которых запираются с изменяемым углом опережения выключения приборов в зависимости от уровня напряжения в сети постоянного тока. Нерегулируемая и регулируемая составляющие мощности инвертора суммируются, причем величина нерегулируемой составляющей изменяется бесконтактным переключением секций вторичной обмотки силовыми полупроводниковыми приборами инвертора. Анодная группа плеч инвертора собрана на однооперационных приборах, а катодная группа плеч инвертора собрана на двухоперационных полупроводниковых приборах. Для снижения пульсаций тока на входе инвертора параллельно входу инвертора включен накопитель электрической энергии большой емкости. Энергия реактора используется для зарядки накопителя энергии с помощью обратного диода, который катодом соединен с плюсовой шиной сети постоянного тока, а анодом – с минусовой шиной. Нелинейные искажения тока и напряжения в сети переменного тока и пульсации тока в сети постоянного тока снижаются, так как устраняется возможность согласного включения постоянного напряжения и переменной ЭДС вторичной обмотки трансформатора. Кроме того, при увеличении мощности инвертора и токов, нерегулируемая составляющая мощности инвертора возрастает.
Таким образом, заявляемый способ регулирования мощности и устройство однофазного инвертора соответствуют критерию изобретения «существенные отличия».
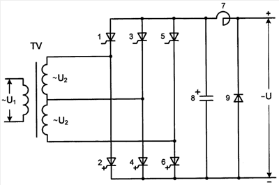
Изобретение поясняется чертежом.
На чертеже дана принципиальная электрическая схема однофазного инвертора, реализующего предложенный способ регулирования мощности, улучшающего коэффициент мощности и электромагнитную совместимость инвертора с сетями переменного тока и с источниками энергии постоянного тока.
Отпайки секционированной последовательно соединенной вторичной обмотки трансформатора TV соединены с анодами тиристоров 1, 3, 5 и с катодами запираемых тиристоров 2, 4, 6. Тиристоры 1 и 2, 3 и 4, 5 и 6 между собой соединены последовательно и образуют плечи инвертора. Аноды тиристоров 1, 3, 5 соединены и через реактор 7 подключены к плюсовой шине сети постоянного тока. Катоды запираемых тиристоров соединены к минусовой шине сети постоянного тока. Параллельно входу инвертора соединен накопитель электрической энергии большой емкости 8 (например, ионистор). Обратный диод 9 катодом соединен к плюсовой шине сети постоянного тока, а анодом – к минусовой шине сети постоянного тока.
Принцип действия инвертора состоит в том, что при выбранном напряжении в сети постоянного тока рекуперация электрической энергии выполняется инвертором на тиристорах 1, 2, 3, 4 с помощью первой секции вторичной обмотки трансформатора. Угол опережения выключения тиристоров поддерживается на минимальном уровне. С увеличением напряжения в сети постоянного тока угол опережения выключения тиристоров 5, 6 уменьшается от 180 градусов до минимального угла, а при снижении напряжения в сети постоянного тока угол опережения выключения тиристоров увеличивается от минимального угла до 180 градусов. Регулируемая составляющая мощности инвертора суммируется с нерегулируемой составляющей мощности. Коэффициент трансформации трансформатора TV изменяется, так как секции вторичной обмотки переключаются бесконтактным способом тиристорами инвертора. Накопитель энергии большой емкости 8 служит для снижения пульсаций тока на входе инвертора, а при появлении переменной составляющей тока в сети постоянного тока накопитель энергии дополнительно заряжается за счет энергии реактора 7 с помощью обратного диода 9.
Для увеличения номинальной мощности инвертора и расширения диапазона регулирования мощности инвертора, для снижения емкости накопителей энергии количество секций вторичных обмоток трансформатора, плеч инвертора и накопителей энергии можно увеличивать и соединять их, так как показано на чертеже. С увеличением мощности инвертора нерегулируемая составляющая мощности возрастает, поэтому энергетические показатели и электромагнитная совместимость инвертора не ухудшаются.
Предлагаемый способ регулирования мощности и устройство однофазного инвертора по сравнению с известными техническими решениями имеет следующие преимущества:
1) коэффициент мощности инвертора повышается на всем диапазоне регулирования мощности;
2) нелинейные искажения напряжения в сети переменного тока и коэффициент пульсаций тока на входе инвертора снижаются, так как исключается согласное включение напряжения источника энергии постоянного тока с ЭДС вторичной обмотки трансформатора. Электромагнитная совместимость инвертора повышается за счет рекуперации нерегулируемой составляющей энергии инвертора, полупроводниковые приборы плеч которого работают с минимальными углами опережения выключения приборов. Пульсации тока на входе инвертора снижаются с помощью накопителя электрической энергии, реактора и обратного диода.
Формула изобретения
1. Способ регулирования мощности однофазного инвертора, обеспечивающий плавное регулирование мощности инвертора в каждой зоне регулирования за счет изменения длительности проводящего состояния полупроводниковых приборов инвертора, отличающийся тем, что регулируемая составляющая мощности инвертора суммируется с нерегулируемой составляющей мощности инвертора, для этого плавное регулирование мощности в пределах каждой зоны регулирования выполняется за счет изменения угла опережения выключения полупроводниковых приборов тех плеч инвертора, которыми обеспечивается регулирование мощности в данной зоне, при переходе в другую зону регулирования мощности полупроводниковые приборы плеч инвертора, которые изменяли мощность инвертора в предыдущей зоне, работают с минимальными углами опережения выключения приборов с увеличением мощности инвертора, а с понижением мощности инвертора угол опережения выключения приборов увеличивается до 180°, пульсации тока на входе инвертора снижаются с помощью накопителей электрической энергии большой емкости, реактора и обратного диода.
2. Устройство однофазного инвертора, состоящего из однофазного трансформатора, вторичная обмотка которого выполнена секционированной с последовательным соединением секций, к отпайкам секций подключены выходы плеч инвертора, отличающееся, тем, что анодная группа плеч инвертора собрана на однооперационных приборах, катодная группа плеч инвертора собрана на двухоперационных приборах, вход инвертора через реактор соединен с шинами сети постоянного тока, параллельно входу инвертора соединены накопители электрической энергии большой емкости, обратный диод соединен катодом к плюсовой шине, а анодом – к минусовой шине сети постоянного тока.
РИСУНКИ
|
|