|
|
(21), (22) Заявка: 2008103616/09, 21.04.2008
(24) Дата начала отсчета срока действия патента:
21.04.2008
(46) Опубликовано: 27.12.2009
(56) Список документов, цитированных в отчете о поиске:
RU 2233535 С2, 27.07.2004. RU 2145726 C1, 20.02.2000. SU 1774445 A1, 07.11.1992. GB 2131210 A, 13.06.1984. US 4739466 A, 19.04.1988. EP 1244203 A2, 25.02.2002. WO 9117600 A1, 14.11.1991.
Адрес для переписки:
664074, г.Иркутск-74, ул. Чернышевского, 15, ИрГУПС, патентно-лицензионный отдел, О.В. Видякиной
|
(72) Автор(ы):
Алексеева Татьяна Леонидовна (RU), Астраханцев Леонид Алексеевич (RU), Тихомиров Владимир Александрович (RU), Рябченок Ксения Павловна (RU)
(73) Патентообладатель(и):
Государственное образовательное учреждение высшего профессионального образования Иркутский государственный университет путей сообщения (ИрГУПС (ИрИИТ)) (RU)
|
(54) СПОСОБ РЕГУЛИРОВАНИЯ МОЩНОСТИ И УСТРОЙСТВО ТРЕХФАЗНОГО ИНВЕРТОРА
(57) Реферат:
Изобретение относится к области электротехники и может быть использовано на тяговых трансформаторных подстанциях железных дорог, городского электрического транспорта, для электропередачи постоянного тока в электроэнергетических системах, на электростанциях с МГД-генераторами, в преобразователях ветроэлектрических установок, солнечных фотоэлектрических преобразователей и других источников энергии постоянного тока для преобразования в энергию переменного тока. Техническим результатом является повышение коэффициента мощности, снижение нелинейных искажений напряжения в трехфазной сети переменного тока и коэффициента пульсаций тока на входе инвертора за счет рекуперации электрической энергии инверторами, у которых силовые полупроводниковые приборы запираются с минимальными углами опережения выключения приборов. Регулирование мощности инвертора выполняется изменением угла опережения выключения силовых полупроводниковых приборов инвертора в зоне регулирования фазовым способом. Нерегулируемая и регулируемая составляющие мощности инвертора суммируются. Выходы трехфазных мостовых инверторов соединены к отпайкам секций вторичных обмоток трансформатора, первичные и вторичные обмотки которого соединены по схеме звезда, инверторы собраны на двухоперационных полупроводниковых приборах, трехфазные мостовые инверторы по входу соединены параллельно и через реактор подключены к шинам сети постоянного тока. 2 н.п. ф-лы, 1 ил.
Изобретение относится к электротехнике, в частности к полупроводниковой технике, и может быть использовано на тяговых трансформаторных подстанциях железных дорог, городского электрического транспорта, для электропередачи постоянного тока в электроэнергетических системах, на электростанциях с МГД-генераторами, в преобразователях ветроэлектрических установок, солнечных фотоэлектрических преобразователей и других источников энергии постоянного тока для преобразования в энергию переменного тока.
Известны инверторы, ведомые сетью, для преобразования электрической энергии постоянного тока в энергию переменного тока, для электропередачи и для параллельной работы с другими источниками энергии в единой энергетической системе. Однако такие инверторы имеют низкий коэффициент мощности, вызывают нелинейные искажения напряжения в электрических сетях переменного тока и уравнительные токи при параллельной работе с другими источниками энергии, создают пульсации напряжения в сети постоянного тока [Полупроводниковые тяговые агрегаты тяговых подстанций /С.Д.Соколов, Ю.М.Бей, Я.Д.Гуральник, О.Г.Чаусов. – М.: Транспорт, 1979. – 254 с.].
Известен способ регулирования мощности инвертора электропередачи постоянного тока [патент РФ 1542566, кл. Н02J 1/00, Н02М 1/08, 2000], известны устройства регулирования мощности инверторов [Бурков А.Т. Электронная техника и преобразователи.- М.: Транспорт, 1999. – 464 с.]. Однако известные способы регулирования мощности и инверторы обеспечивают регулирование мощности инверторов за счет изменения угла опережения включения тиристоров . Инверторы собраны по двухмостовой двенадцатипульсовой схеме последовательного типа на тиристорах. Каждый из тиристорных мостов подключен к вторичным обмоткам трехобмоточных трансформаторов, соединенных по схеме звезда и треугольник.
Недостатками данных способов регулирования мощности инверторов являются низкий коэффициент мощности из-за ввода угла опережения включения тиристоров инвертора, загрузка сети переменного тока высшими гармоническими составляющими тока, в трехфазных обмотках преобразовательного трансформатора, соединенных треугольником, циркулируют токи третьей гармоники и гармоник, кратных трем, высокий коэффициент пульсаций напряжения в сети постоянного тока.
Известен также 12-фазный инвертор напряжения (прототип) [патент РФ 2002115560, кл. Н02М 7/12, 2004]. Инвертор состоит из двух одинаковых 6-фазных инверторов напряжения, на входе которых подключены конденсаторные батареи, трехфазного трехобмоточного трансформатора, две вентильные обмотки которого соединены звездой и треугольником и имеют одинаковые линейные напряжения, и двух формирователей импульсов, выходы которых подключены к управляющим электродам вентилей инверторов. Для выравнивания углов опережения включения вентилей 1 и 2 используется регулятор тока.
Недостатками инвертора с известным способом регулирования мощности является низкий коэффициент мощности, нелинейные искажения тока и напряжения в трехфазной сети переменного тока, высокий коэффициент пульсаций тока и напряжения в сети постоянного тока, в трехфазных обмотках преобразовательного трансформатора, соединенных треугольником, циркулируют токи третьей гармоники и гармоник, кратных трем, высокий коэффициент пульсаций напряжения в сети постоянного тока.
Целью изобретения является повышение коэффициента мощности инвертора, повышение электромагнитной совместимости инвертора с трехфазными сетями переменного тока и с источниками постоянного тока, сокращение элементов инвертора, снижение стоимости и повышение КПД инвертора.
Цель достигается тем, что от источника энергии постоянного тока нерегулируемая составляющая энергии передается в сеть трехфазного переменного тока через трехфазные мостовые инверторы на двухоперационных приборах с постоянным минимальным углом опережения выключения приборов. Когда напряжение в сети постоянного тока превышает установленный уровень, то нерегулируемая составляющая рекуперируемой энергии передается в сеть переменного тока неуправляемыми в зоне регулирования инверторами. Регулируемая составляющая энергии передается в сеть переменного тока трехфазным управляемым мостовым инвертором с максимальными углами опережения выключения силовых полупроводниковых приборов, угол опережения выключения полупроводниковых приборов уменьшается до минимального значения по мере повышения напряжения в сети постоянного тока, а при снижении напряжения в сети постоянного тока угол опережения выключения полупроводниковых приборов увеличивается. Управление полупроводниковыми приборами инвертора выполняется фазовым способом. Трехфазный инвертор состоит из трехфазного трансформатора с первичными и секционированными вторичными обмотками, соединенными по схеме звезда. Секционированные вторичные обмотки трансформатора соединены между собой последовательно, к отпайкам секционированных обмоток соединены выходы трехфазных мостовых инверторов, инверторы по входу соединены между собой параллельно. Входы инверторов через реактор соединены к шинам сети постоянного тока.
Данным способом регулирования мощности и устройством обеспечивается плавное изменение мощности трехфазного инвертора с бесконтактным переключением секций вторичных обмоток преобразовательного трансформатора.
Таким образом, заявляемый способ регулирования мощности и устройство трехфазного инвертора соответствуют критерию изобретения «новизна».
Известные способы регулирования мощности, которыми обеспечивается изменение мощности инверторов фазовым и импульсными способами, характеризуются низким коэффициентом мощности, нелинейными искажениями тока, напряжения в сети трехфазного переменного тока и высокими пульсациями тока в сети постоянного тока. Предложенным способом регулирования мощности и устройством трехфазного инвертора коэффициент мощности повышается за счет непрерывной передачи электрической энергии от источника постоянного тока в трехфазную сеть переменного тока. Для этого нерегулируемая составляющая мощности в зоне регулирования обеспечивается трехфазными мостовыми инверторами, силовые полупроводниковые приборы которых, заканчивая работу в полупериод переменного напряжения сети, запираются с постоянным минимальным углом опережения выключения приборов. Регулируемая составляющая мощности обеспечивается трехфазными мостовыми инверторами, соединенными с отпайками секционированной обмотки трансформатора, силовые полупроводниковые приборы которых запираются с изменяемым углом опережения выключения приборов в зависимости от уровня напряжения в сети постоянного тока. Нерегулируемая и регулируемая составляющие мощности инвертора суммируются, причем величина нерегулируемой составляющей изменяется бесконтактным переключением секций вторичных обмоток трехфазными мостовыми инверторами. Трехфазные мостовые инверторы собраны на двухоперационных полупроводниковых приборах. Нелинейные искажения тока и напряжения в трехфазной сети переменного тока и пульсации тока в сети постоянного тока снижаются, так как устраняется возможность согласного включения постоянного напряжения и переменной ЭДС вторичных обмоток трансформатора. Кроме того, при увеличении мощности инвертора и токов нерегулируемая составляющая возрастает.
Таким образом, заявляемый способ регулирования мощности и устройство трехфазного инвертора соответствуют критерию изобретения «существенные отличия».
Изобретение поясняется чертежом.
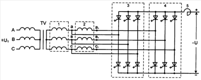
На чертеже дана принципиальная электрическая схема трехфазного инвертора, реализующего предложенный способ регулирования мощности, улучшающего коэффициент мощности и электромагнитную совместимость инвертора с трехфазными сетями переменного тока и с источниками энергии постоянного тока, позволяющего уменьшить количество элементов инвертора и его стоимость, повысить КПД инвертора.
Отпайки секции 1 секционированных, соединенных по схеме звезда, вторичных обмоток трансформатора TV соединены с выходом трехфазного мостового инвертора 3. Отпайки секции 2, последовательно соединенной с первой секцией вторичных обмоток трансформатора, подключены к выходу трехфазного мостового инвертора 4. Трехфазные мостовые инверторы соединены по входу параллельно и через реактор подключены к шинам сети постоянного тока. Инвертор собран на запираемых тиристорах. Управление тиристорами выполняется фазовым способом. Тиристоры инвертора 3 отпираются в начале полупериода переменного напряжения и запираются с минимальным углом опережения выключения тиристоров. При выбранном уровне напряжения в сети постоянного тока рекуперация энергии в трехфазную сеть переменного тока выполняется инвертором 3. С повышением напряжения в сети постоянного тока угол опережения выключения тиристоров изменяется от максимальной до минимальной величины. Тиристоры инвертора 4 отпираются и запираются с изменяемыми углами регулирования и углами опережения выключения тиристоров в зоне регулирования в зависимости от уровня напряжения в сети постоянного тока. Во время непроводящего состояния тиристоров инвертора 4, электрическая энергия из сети постоянного тока рекуперируется инвертором 3 в трехфазную сеть переменного тока. Входы трехфазных мостовых инверторов через реактор 5 соединены к шинам сети постоянного тока.
Для увеличения номинальной мощности инвертора количество секций вторичных обмоток трансформатора, трехфазных мостовых инверторов можно увеличивать и соединять их так, как показано на чертеже. С увеличением мощности инвертора нерегулируемая составляющая мощности возрастает, поэтому энергетические показатели и электромагнитная совместимость инвертора не ухудшаются.
Предлагаемый способ регулирования мощности и устройство трехфазного инвертора по сравнению с известными техническими решениями имеет следующие преимущества:
1) коэффициент мощности инвертора повышается на всем диапазоне регулирования мощности;
2) нелинейные искажения напряжения в трехфазной сети переменного тока и коэффициент пульсаций тока на входе инвертора снижаются, так как исключается согласное включение напряжения источника энергии постоянного тока с ЭДС вторичных обмоток трансформатора, а также рекуперацией нерегулируемой составляющей энергии инверторами, полупроводниковые приборы которых работают с минимальными углами опережения выключения приборов;
3) сокращается количество элементов инвертора и его стоимость;
4) повышается КПД инвертора.
Формула изобретения
1. Способ регулирования мощности трехфазного инвертора, обеспечивающий плавное регулирование мощности инвертора в каждой зоне регулирования за счет изменения угла регулирования полупроводниковых приборов трехфазных инверторов в зоне регулирования, отличающийся тем, что регулируемые составляющие мощности инвертора суммируются с нерегулируемой составляющей мощности инвертора, для этого плавное регулирование мощности в пределах каждой зоны выполняется за счет изменения угла опережения выключения полупроводниковых приборов инвертора фазовым способом, при переходе в другую зону регулирования мощности полупроводниковые приборы инвертора, изменяющего мощность в предыдущей зоне, работают с минимальными углами опережения выключения приборов при увеличении мощности, а при снижении мощности угол опережения выключения приборов увеличивается от минимального угла опережения выключения приборов до 180° с последующим бесконтактным переключением секций вторичных обмоток трансформатора.
2. Устройство трехфазного инвертора, состоящего из трехфазного преобразовательного трансформатора, первичные и вторичные обмотки которого соединены по схеме звезда, вторичные обмотки выполнены секционированными с последовательным соединением секций, и трехфазных мостовых инверторов, отличающееся тем, что инверторы собраны на двухоперационных полупроводниковых приборах, трехфазные мостовые инверторы по входу соединены параллельно и через реактор подключены к шинам сети постоянного тока, выходы трехфазных мостовых инверторов соединены к отпайкам секций вторичных обмоток трансформатора.
РИСУНКИ
|
|