|
(21), (22) Заявка: 2008127655/28, 07.07.2008
(24) Дата начала отсчета срока действия патента:
07.07.2008
(46) Опубликовано: 27.12.2009
(56) Список документов, цитированных в отчете о поиске:
RU 2170938 C1, 20.07.2001. RU 99112871 A, 27.05.2001. GB 1018681 A, 02.02.1966. JP 1313769 A, 19.12.1989.
Адрес для переписки:
428018, г.Чебоксары, ул. Афанасьева, 13, ООО “НПП Бреслер”
|
(72) Автор(ы):
Ильин Владимир Федорович (RU), Козлов Владимир Николаевич (RU), Петров Михаил Иванович (RU), Соловьев Игорь Валерьевич (RU)
(73) Патентообладатель(и):
Общество с ограниченной ответственностью “НПП Бреслер” (ООО “НПП Бреслер”) (RU), Общество с ограниченной ответственностью научно-производственное предприятие “ЭКРА” (ООО НПП “ЭКРА”) (RU)
|
(54) СПОСОБ ИЗМЕРЕНИЯ ПАРАМЕТРОВ ОТНОСИТЕЛЬНО ЗЕМЛИ В КОМПЕНСИРОВАННЫХ ЭЛЕКТРИЧЕСКИХ СЕТЯХ
(57) Реферат:
Изобретение относится к области электротехники, в частности к способам для измерения параметров контура нулевой последовательности в компенсированных электрических сетях 6-35 кВ, в том числе, и в сетях с комбинированным режимом заземления нейтрали. В контуре нулевой последовательности сети создается кратковременное возмущение, выделяется свободная составляющая переходного процесса и определяются частота и декремент затуханий свободных колебаний в контуре. Параметры сети относительно земли определяются исходя из параметров свободных колебаний и известных параметров цепи заземления нейтрали или емкостной цепи, эквивалентной емкостной проводимости сети относительно земли. Предложенный способ работоспособен при повышенном уровне помех и шумов. Изобретение может применяться в кабельных, воздушных и воздушно-кабельных сетях с любым значением допустимой несимметрии. 2 н. и 10 з.п. ф-лы, 4 ил.
Изобретение относится к области электротехники и может быть использовано для измерения параметров контура нулевой последовательности в компенсированных электрических сетях 6-35 кВ, в том числе, и в сетях с комбинированным режимом заземления нейтрали через дугогасящий реактор и включенный параллельно ему высокоомный резистор.
Известен способ измерения емкости относительно земли в компенсированных электрических сетях, включающий создание на нейтрали искусственного потенциала путем введения в контур нулевой последовательности сети источника непромышленной частоты и измерение напряжения смещения нейтрали и тока дугогасящего реактора. Из этих электрических величин выделяют спектральные составляющие, соответствующие промышленной 50 Гц и непромышленной, в зависимости от используемого источника непромышленной частоты, повышенной 100 Гц или пониженной 25 Гц частот, определяют проводимости, представленные соответствующими соотношениями спектральных составляющих тока и напряжения, а затем по формулам рассчитывают емкость сети относительно земли [1].
В случае использования в качестве источника непромышленной частоты генератора, формирующего две значимые частоты спектра, близкие к промышленной частоте, например 41,67 Гц и 58,33 Гц [2], процесс измерения оказывается менее зависим от изменения нагрузки и может применяться в высокосимметричных кабельных сетях.
Применение в качестве источника непромышленной частоты генератора переменной частоты позволяет путем сканирования рабочей частоты выявить режим резонанса в измеряемом контуре и определять параметры сети, используя данные измерений на резонансной частоте [3]. На резонансной частоте измеряемые сигналы имеют максимальные уровни, что обуславливает повышение точности измерения.
Все рассмотренные технические решения основаны на использовании вспомогательного источника непромышленной частоты и эффективны для измерений в избирательных контурах с повышенной добротностью, когда собственная частота контура нулевой последовательности близка к промышленной. При расхождении собственной частоты измеряемого контура с промышленной частотой величины измеряемых сигналов оказываются соизмеримыми с уровнем помех и погрешность измерений возрастает. В случае измерений в низкодобротном контуре с пониженными избирательными свойствами, каковым является контур нулевой последовательности в сетях с комбинированным режимом заземления, погрешность измерений оказывается недопустимо большой. Другим недостатком является необходимость применения сложного энергоемкого оборудования в виде специализированного источника непромышленной частоты.
Известен способ измерения без использования вспомогательного источника, включающий несколько измерительных процедур: первое измерение фазного напряжения, напряжения смещения нейтрали и тока дугогасящего реактора и второе измерение этих же величин с временно подключенной между одной из фаз сети и земли эталонной емкостной цепью. Затем по данным измерений и известным параметрам дугогасящего реактора определяют параметры сети относительно земли.
Измерения с эталонной емкостной цепи позволяют более строго определить параметры сети и повысить точность измерений. Однако данный способ эффективен лишь в настроенных сетях, когда напряжение и ток в цепи нейтрали имеют наибольшие значения и заметно превышают уровни шумов. При измерении в сетях с глубокой расстройкой, а также в высокосимметричных кабельных сетях требуются технические мероприятия по созданию перекоса фаз, с целью повышения уровня измеряемых сигналов.
В сетях с комбинированным режимом заземления данный способ практически неработоспособен. К тому же, данный способ требует обработки большого объема данных, получаемых по разным каналам измерения, что обуславливает повышенные требования к погрешности измерительной аппаратуры. Эти недостатки ограничивают область применения данного способа.
В основе всех рассмотренных способов лежит принцип частотного анализа информационных сигналов: все измерения производятся в стационарном режиме работы оборудования и связаны с выделением действующих значений гармонических составляющих. Это обусловливает использование вспомогательного энергетического оборудования с повышенной установленной мощностью. Область применения этих методов ограничена чувствительностью измерительных органов. Они малоэффективны для измерений при большой глубине расстройки сети и практически неработоспособны в сетях с комбинированным режимом заземления нейтрали.
Целью предлагаемого способа является повышение точности измерения параметров сети относительно земли, снижение установленной мощности электрооборудования и расширение области применения.
Сущность предлагаемого технического решения заключается в том, что в способе измерения параметров относительно земли в компенсированных электрических сетях, включающем создание на нейтрали искусственного потенциала и измерение напряжения смещения нейтрали, искусственный потенциал создают кратковременным возмущением в контуре нулевой последовательности сети, выделяют из фиксируемого напряжения свободную составляющую переходного процесса, определяют частоту и декремент затухания свободных колебаний и по известным параметрам одного из участков цепи контура нулевой последовательности определяют параметры сети относительно земли.
Во втором варианте технического решения упомянутое возмущение создают кратковременным подключением вспомогательного источника к цепи дугогасящего реактора, а параметры сети определяют по измеренным параметрам свободных колебаний в контуре нулевой последовательности и известным параметрам дугогасящего реактора.
В третьем варианте технического решения упомянутое возмущение создают кратковременным подключением емкостной цепи по крайней мере к одной из фаз сети относительно земли.
В четвертом варианте технического решения, включающем первое измерение напряжения в контуре нулевой последовательности сети и второе измерение с временно подключенной эталонной емкостной цепью, в измеряемом контуре создают кратковременное возмущение, выделяют из фиксируемого напряжения свободную составляющую переходного процесса, определяют частоту и декремент затухания свободных колебаний и по соотношению параметров свободных колебаний в контуре нулевой последовательности с эталонной емкостной цепью и без нее и известным параметрам эталонной емкостной цепи определяют параметры сети относительно земли.
В пятом варианте технического решения второе измерение выполняют в искусственном контуре, образованном подключением эталонной емкостной цепи к цепи дугогасящего реактора, временно отключенной от электрической сети.
В шестом варианте технического решения в качестве эталонной емкостной цепи используют магазин эталонных конденсаторов и резисторов и путем их подбора определяют параметры сети по соответствию свободных колебаний в искусственном контуре и контуре нулевой последовательности сети.
В седьмом варианте технического решения упомянутое возмущение в искусственном контуре создают подключением предварительно заряженной эталонной емкостной цепи.
В восьмом варианте технического решения упомянутое возмущение в измеряемых контурах создают кратковременным подключением вспомогательного источника к цепи дугогасящего реактора.
В девятом варианте технического решения свободную составляющую переходного процесса определяют в виде разностного сигнала, полученного путем наложения двух участков осциллограммы напряжения, зафиксированных до и после кратковременного возмущения.
В десятом варианте технического решения свободную составляющую переходного процесса определяют в виде разностного сигнала, полученного путем наложения двух участков осциллограммы напряжения, зафиксированных после кратковременного возмущения до окончания апериодического переходного процесса и после его окончания.
Суть предложенного технического решения заключается в определении переходной характеристики контура нулевой последовательности сети, несущей полную информацию о собственной частоте и параметрах контура. В основу его положен принцип анализа информационных сигналов во временной области. Это принципиальное отличие заявляемого способа от известных технических решениях.
Чтобы вызвать в измеряемом контуре переходной процесс, достаточно создать в нем кратковременное возмущение. Свободная составляющая переходного процесса может быть выделена из одного информационного сигнала, например, из осциллограммы напряжения, снимаемого с секционного трансформатора напряжения или с одной из обмоток дугогасящего реактора, либо осциллограммы напряжения, снимаемого с токового шунта в цепи основной обмотки дугогасящего реактора. В предложенном техническом решении свободная составляющая выделяется в виде разностного сигнала, получаемого путем наложения двух фрагментов осциллограммы напряжения, фиксирующих стационарный и апериодический переходной процессы. При таком подходе точность определения свободных колебаний практически не зависит от уровня шумов и погрешности измерительного канала и точность определения параметров сети существенно выше, чем в аналогах.
Данный способ имеет более широкую область применения: он может эффективно применяться в сетях с малым уровнем полезного сигнала, где известные способы либо оказываются неработоспособными, либо дают очень большую погрешность измерения.
В предложенном способе возмущение в измеряемом контуре создается импульсным источником, который может быть подключен к основной или сигнальной обмотке дугогасящего реактора. Длительность импульса составляет доли секунд, чтобы исключить срабатывание устройств релейной защиты. Поскольку вспомогательный источник работает в экономичном импульсном режиме с большой скважностью, то его установленная мощность оказывается много меньшей, чем в аналогах.
Необходимое возмущающее действие может быть создано коммутацией емкостной цепи с одним или тремя конденсаторами, подключаемой к фазам сети относительно земли. Вариант с тремя конденсаторами исключает несимметричный режим сети.
Способ, включающий измерение в искусственном контуре, образованном кратковременным подключением реальной цепи заземления к эталонной емкостной цепи, позволяет произвести измерения параметров сети с учетом паразитных параметров установленного оборудования. Данному варианту нет аналогов среди известных технических решений.
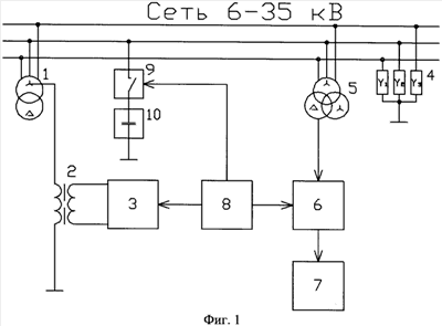
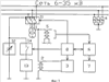
На фиг.1 приведена одна из возможных функциональных схем, реализующая способ с измерением напряжения с помощью секционного трансформатора; на фиг.2 – схема, реализующая способ с дополнительным измерением в искусственном контуре; на фиг.3 – экспериментальная осциллограмма напряжения смещения нейтрали, фиксирующая стационарный и переходной процессы в контуре нулевой последовательности на одной из секций подстанции 6,3 кВ; на фиг.4 – осциллограмма, фиксирующая переходной процесс в искусственном контуре, образованном переключением цепи заземления этой же секции на эталонную емкостную цепь.
Функциональная схема на фиг.1 содержит: электрическую сеть 6-35 кВ, подключенный к сети через подземляющий трансформатор 1 дугогасящий реактор 2, сигнальная обмотка которого подключена к источнику импульсного тока 3, проводимости фаз сети 4 относительно земли и измерительный трансформатор напряжения 5, с обмотки «разомкнутый треугольник» которого снимается напряжение смещения нейтрали. Это контрольное напряжение фиксируется в блоке регистратора 6. В блоке вычислений 7 производится цифровая обработка данного сигнала, определение частоты и декремента затуханий свободных колебаний, а затем по известным параметрам дугогасящего реактора определение проводимости фаз 4 относительно земли. Блок управления 8 обеспечивает согласованный по времени режим работы регистратора 5 и источника тока 3.
В том случае, когда искусственное возмущение создается коммутацией в одной из фаз сети конденсатора 10, блок управления 8 обеспечивает согласование по времени работы блока регистратора 6 с выключателем 9. При этом импульсный источник питания 3 не используется, а в блок вычислений 7 вводится функция расчета проводимости сети 4 по известным параметрам емкостной цепи.
В схеме на фиг.2 контрольное напряжение снимается с силовой обмотки дугогасящего реактора 2 с помощью однофазного измерительного трансформатора напряжения 5. Если применяется дугогасящий реактор 2 с несколькими обмотками, то контрольное напряжение может сниматься с одной из его обмоток, при этом измерительный трансформатор 5 не используется.
С помощью высоковольтного коммутатора 11 цепь заземления, состоящая из последовательно включенных подземляющего трансформатора 1 и дугогасящего реактора 2, кратковременно переключается на эталонную емкостную цепь 12. Возмущение в созданном таким образом искусственном контуре может производиться либо тем же импульсным источником питания 3, подключенным к одной из обмоток реактора 2, либо источником тока 13, кратковременно подключаемым с помощью коммутатора 14 непосредственно к емкостной цепи 12. В случае переключения цепи заземления на предварительно заряженную емкостную цепь 12, переходной процесс в искусственном контуре регистрируется с момента коммутации коммутатора 14. Согласование режимов работы коммутаторов 11 и 14 с блоком регистратора 6 осуществляется блоком управления 8.
Устройство на фиг.1 работает следующим образом. В нормальном режиме работы сети в контрольной обмотке дугогасящего реактора формируется с помощью источника 3 короткий импульс тока и одновременно с ним запускается блок регистратора 6. В блоке регистратора 6 производится запись осциллограммы напряжения смещения нейтрали, охватывающей короткий временной интервал до момента воздействия импульса тока и весь временной интервал переходного процесса, обусловленного импульсным воздействием. В вычислительном блоке 7 производится выделение двух фрагментов осциллограммы, в одном из которых присутствует свободная составляющая переходного процесса, а в другом она отсутствует. Из этих двух фрагментов выделяется разностный сигнал в виде осциллограммы свободных колебаний, которая представляет свободную составляющую переходного процесса, затем определяются частота и декремент затухания свободных колебаний и по известной проводимости дугогасящего реактора находится проводимость сети 4.
При применении в цепи заземления плавно регулируемого реактора возможна на время измерения установка плунжера в одно из крайних положений с определенным значением максимальной или минимальной индуктивности. В этом случае в блоке 7 параметры сети определяются с учетом индуктивности реактора, соответствующей положению плунжера. При этом точность измерения параметров сети зависит от соответствия расчетных данных на дугогасящий реактор установленному положению плунжера.
Вариант с кратковременным подключением к фазе сети относительно земли конденсатора 10 с известными параметрами позволяет выполнить необходимые замеры при неопределенных параметрах цепи заземления. В этом случае требуется больший объем данных измерений, поскольку необходима регистрация блоком 6 стационарных и переходных процессов, создаваемых в контуре нулевой последовательности сети при подключении и отключении конденсатора 10. По этим двум замерам в вычислительном блоке 7 определяются параметры свободных колебаний в измерительном контуре с конденсатором и без него. Затем, по известным параметрам конденсатора 10, обуславливающим расхождение свободных колебаний в измеряемых контурах, определяется проводимость сети относительно земли.
Рассмотренный вариант технического решения дает более точный результат, поскольку исключает погрешность, обусловленную неучтенной ранее индуктивностью рассеяния подземляющего трансформатора 1 в цепи заземления. К тому же конденсатор, параметры которого используются при вычислениях, обладает более стабильными характеристиками, чем менее технологичные силовые реакторы.
В устройстве на фиг.2 высокая точность достигается за счет использования в искусственном контуре эталонной емкостной цепи 12, которая может быть собрана из недорогих конденсаторов и резисторов с низкими рабочими напряжениями, а также с малым разбросом и повышенной стабильностью параметров. Это обусловлено тем, что искусственный контур не связан с высоковольтной сетью и допускает работу при пониженных рабочих напряжениях. Так как в обоих контурах: контуре нулевой последовательности и искусственном контуре используется одна и та же заземляющая цепь, а также одни и те же цепи возбуждения и измерения, то расхождения частоты и декремента затухания свободных колебаний в этих контурах могут быть обусловлены только различием проводимостей емкостных цепей. В данном устройстве проводимость фаз сети относительно земли определяется в блоке вычисления 7 по соотношению параметров свободных колебаний в контуре нулевой последовательности сети и искусственном контуре и известным параметрам эталонной емкостной цепи.
Если в качестве эталонной емкостной цепи используется магазин эталонных конденсаторов и резисторов, то путем их подбора могут быть созданы условия, при которых затухающие колебания в искусственном контуре совпадут со свободными колебаниями в контуре нулевой последовательности сети. Настроенная таким образом эталонная емкостная цепь представляет по существу натурный эквивалент проводимости фаз 4 контролируемой сети.
Поскольку измерения в искусственном контуре ведутся при пониженном напряжении, то возбуждение свободных колебаний может производиться непосредственным воздействием на емкостную цепь 12. В частности, переходной процесс в искусственном контуре может быть создан с помощью коммутатора 14, подключающего к емкостной цепи 12 источник тока 13, или с помощью того же коммутатора 11, подключающего заземляющую цепь к предварительно заряженной емкостной цепи 12.
Важно отметить, что высокая точность измерения в предложенном техническом решении достигается еще и за счет использования оригинального метода обработки информационного сигнала во временной области. Его применение обусловлено тем, что напряжение смещения нейтрали сильно зашумлено и зависит от самых различных факторов, включая небалансы в сети и режима заземления нейтрали. В естественных условиях для него характерно очень низкое соотношение сигнал/шум. В рассмотренном способе полезным является разностный сигнал, который формируется совмещением выделенных фрагментов аналогового сигнала, снимаемого только с одного измерительного канала. При таком подходе практически полностью исключается влияние на результат измерения естественных шумов в нейтрали, уровень которых может многократно превышать полезный сигнал, а также шумов, вносимых самим измерительным каналом. Снижению шумов способствует и короткий временной интервал регистрируемого сигнала, определяемый длительностью возмущающего действия, переходного процесса и соизмеримого с ним стационарного процесса. Для получения полезного информационного сигнала может использоваться источник импульсов с длительностью, соизмеримой с периодом промышленной частоты.
Эффективность предложенного технического решения подтверждена на практике при измерении в распределительных городских сетях.
Приведенная на фиг.3 одна из экспериментальных осциллограмм напряжения смещения нейтрали 3U0 фиксирует стационарный и переходной процессы в контуре нулевой последовательности при нормальном режиме работы сети, когда все отходящие линии секции находятся в работе. Измеряемая секция заземлена через подземляющий трансформатор типа ТМ400/6 и два параллельно включенных дугогасящих реактора: реактор типа ЗРОМ 300/6У1 с отпайками на токи 24,5 48,6 А, подключенный 1-й ступенью, и плунжерный реактор типа РЗДПОМ 300/6У1 на токи 13,1 65,5 А. Возмущение в контуре нулевой последовательности сети создается источником импульсного тока, подключенным к сигнальной обмотке плунжерного реактора. Приведенная справа на фиг.3 осциллограмма 3U0.cв соответствует свободной составляющей переходного процесса, выделенной из экспериментальной осциллограммы путем наложения участка 2, соответствующего переходному процессу, на участок 1, соответствующий стационарному процессу. Результаты обработки осциллограммы свободной составляющей следующие: собственная частота измеряемого контура составляет 51,5 Гц, что соответствует коэффициенту расстройки сети 6,5%, а его добротность – 7,07, что соответствует общей активной проводимости измеряемого контура – 1,57 мСм. Параметры сети: емкость сети относительно земли – 34,3 мкФ, активная проводимость фаз – 1,247 мСм.
При определении параметров сети использовались параметры цепи заземления, которые были определены при проведении измерений в искусственном контуре (фиг.4).
Используемая в искусственном контуре эталонная емкостная цепь была собрана из двух конденсаторов типа МБГП на рабочее напряжение 400 В. Общая емкость эталонной цепи составляла 36 мкФ, активная проводимость – 0,087 мСм. Возмущение в искусственном контуре производилось через ту же сигнальную обмотку плунжерного реактора. Выделенная свободная составляющая, приведенная справа на фиг.4, указывает на малое затухание свободных колебаний в искусственном контуре. Собственная частота искусственного контура согласно осциллограмме напряжения составляет 50,4 Гц, а добротность – 35,2, что соответствует полной активной проводимости контура 0,323 мСм. Этим данным соответствуют параметры цепи заземления: индуктивность параллельно включенных реакторов – 0,277 Гн, суммарная активная проводимость – 0,236 мСм.
Полученные таким способом данные измерений позволяют учесть вклад паразитных параметров установленного в цепи заземления электрооборудования, в том числе, и подземляющего трансформатора, и наиболее точно определять параметры сети относительно земли.
Таким образом, предложенный способ обладает повышенной точностью измерения и меньшей установленной мощностью вспомогательного оборудования. Он имеет более широкую область применения, чем известные аналоги. Предложенный способ может эффективно использоваться в кабельных, воздушных и воздушно-кабельных сетях с любым значением допустимой несимметрии, а также в сетях с комбинированным режимом заземления, отличающихся пониженной добротностью контура нулевой последовательности сети.
По мнению авторов, данное техническое решение является новым, ранее неизвестным и существенно отличается от аналогов.
Источники информации
1. Черников А.А. Компенсация емкостных токов в сетях с незаземленной нейтралью. М.: Энергия, 1974, с.83-84.
2(43), с.64, рис.11, 12.
3. Патент РФ 2170938 (Россия). Способ измерения емкости сети для автоматической настройки дугогасящих реакторов (варианты)/ А.М.Брянцев и др. (прототип).
4. Патент РФ 2262116 (Россия). Максимов Ю.Я., Локтионов А.П. Способ определения максимального емкостного тока однофазного замыкания на землю в трехфазной кабельной электрической сети с заземляющим дугогасящим плавно регулируемым реактором.
Формула изобретения
1. Способ измерения параметров относительно земли в компенсированных электрических сетях, включающий создание на нейтрали искусственного потенциала и измерение напряжения смещения нейтрали, отличающийся тем, что искусственный потенциал создают кратковременным возмущением в контуре нулевой последовательности сети, выделяют из фиксируемого напряжения свободную составляющую переходного процесса, определяют частоту и декремент затухания свободных колебаний и по известным параметрам одного из участков цепи контура нулевой последовательности определяют параметры сети относительно земли.
2. Способ измерения по п.1, отличающийся тем, что упомянутое возмущение создают кратковременным подключением вспомогательного источника к цепи дугогасящего реактора, а параметры сети определяют по измеренным параметрам свободных колебаний в контуре нулевой последовательности и известным параметрам дугогасящего реактора.
3. Способ измерения по п.1, отличающийся тем, что упомянутое возмущение создают кратковременным подключением емкостной сети по крайней мере к одной из фаз сети.
4. Способ измерения по п.1, отличающийся тем, что свободную составляющую переходного процесса определяют в виде разностного сигнала, полученного путем наложения двух участков осциллограммы напряжения, зафиксированных до и после кратковременного возмущения.
5. Способ измерения по п.1, отличающийся тем, что свободную составляющую переходного процесса определяют в виде разностного сигнала, полученного путем наложения двух участков осциллограммы напряжения, зафиксированных после кратковременного возмущения до окончания апериодического переходного процесса и после его окончания.
6. Способ измерения параметров в компенсированных электрических сетях относительно земли, включающий первое измерение напряжения в контуре нулевой последовательности сети и второе измерение с временно подключенной эталонной емкостной цепью, отличающийся тем, что в измеряемом контуре создают кратковременное возмущение, выделяют из фиксируемого напряжения свободную составляющую переходного процесса, определяют частоту и декремент затухания свободных колебаний и по соотношению параметров свободных колебаний в контуре нулевой последовательности с эталонной емкостной цепью и без нее и известным параметрам эталонной емкостной цепи определяют параметры сети относительно земли.
7. Способ измерения по п.6, отличающийся тем, что второе измерение выполняют в искусственном контуре, образованном подключением эталонной емкостной цепи к цепи дугогасящего реактора, временно отключенной от электрической сети.
8. Способ измерения по п.7, отличающийся тем, что качестве эталонной емкостной цепи используют магазин эталонных конденсаторов и резисторов и путем их подбора определяют параметры сети по соответствию свободных колебаний в искусственном контуре и контуре нулевой последовательности сети.
9. Способ измерения по п.7, отличающийся тем, что упомянутое возмущение в искусственном контуре создают подключением предварительно заряженной эталонной емкостной цепи.
10. Способ измерения по п.6, отличающийся тем, что упомянутое возмущение в измеряемых контурах создают кратковременным подключением вспомогательного источника к цепи дугогасящего реактора.
11. Способ измерения по п.6, отличающийся тем, что свободную составляющую переходного процесса определяют в виде разностного сигнала, полученного путем наложения двух участков осциллограммы напряжения, зафиксированных до и после кратковременного возмущения.
12. Способ измерения по п.6, отличающийся тем, что свободную составляющую переходного процесса определяют в виде разностного сигнала, полученного путем наложения двух участков осциллограммы напряжения, зафиксированных после кратковременного возмущения до окончания апериодического переходного процесса и после его окончания.
РИСУНКИ
|