|
|
(21), (22) Заявка: 2008135164/28, 27.08.2008
(24) Дата начала отсчета срока действия патента:
27.08.2008
(46) Опубликовано: 27.12.2009
(56) Список документов, цитированных в отчете о поиске:
RU 2175138 C1, 20.10.2001. KR 20010067185 A, 07.12.2001. RU 2028634 C1, 09.02.1995. JP 9257847 A, 03.10.1997.
Адрес для переписки:
196128, Санкт-Петербург, ул. Благодатная, 6, Общество с ограниченной ответственностью “Научно-производственный центр “Судовые электротехнические системы” (ООО “НПЦ “СЭС”)
|
(72) Автор(ы):
Александров Валентин Петрович (RU), Забродин Александр Николаевич (RU), Калашников Николай Семенович (RU), Лазаревский Николай Алексеевич (RU), Никифоров Борис Владимирович (RU), Петров Владимир Алексеевич (RU), Смирнов Вадим Андреевич (RU), Хомяк Валентин Алексеевич (RU)
(73) Патентообладатель(и):
Общество с ограниченной ответственностью “Научно-производственный центр “Судовые электротехнические системы” (ООО “НПЦ”СЭС”) (RU)
|
(54) СПОСОБ ИЗМЕРЕНИЯ И КОНТРОЛЯ СОПРОТИВЛЕНИЯ ИЗОЛЯЦИИ ИЗОЛИРОВАННЫХ ОТ ЗЕМЛИ (КОРПУСА) СИЛОВЫХ ЭЛЕКТРИЧЕСКИХ СЕТЕЙ ПЕРЕМЕННОГО ТОКА ПОД РАБОЧИМ НАПРЯЖЕНИЕМ И УСТРОЙСТВО ДЛЯ ЕГО РЕАЛИЗАЦИИ
(57) Реферат:
Изобретение относится к способам измерения и контроля сопротивления изоляции изолированных от земли (корпуса) силовых электрических сетей переменного тока. На силовую сеть накладывают стабилизированное постоянное напряжение путем подключения к контролируемой сети измерительной цепи. Цепь состоит из последовательно соединенных резисторного датчика тока Rдт, источника стабилизированного постоянного напряжения Uст и добавочного резистора Rд с конденсатором фильтра Сф, причем сопротивление добавочного резистора Rд выбирают в k раз большим, чем величина резисторного датчика тока Rдт. Затем измеряют напряжение U1 на резисторном датчике тока, после чего эквивалентное сопротивление изоляции Rиз контролируемой сети вычисляют по формуле Rиз=Rдт[Uст/U1-(k+1)]. Предлагаемый способ позволяет осуществлять постоянно действующий контроль сопротивления изоляции одновременно нескольких отдельных силовых электрических сетей переменного тока. 2 н.п.ф-лы, 1 ил.
Предложение относится к контрольно-измерительной технике для измерения, контроля и сигнализации о снижении сопротивления изоляции сетей переменного тока ниже нормы и используется для измерения и постоянно действующего контроля сопротивления изоляции одновременно n отдельных силовых электрических сетей переменного тока на кораблях, судах, шахтах, метрополитене, нефтепромыслах, т.е. там, где есть разветвленные, отдельные силовые изолированные от земли электрические сети переменного тока. Предлагаемый способ и устройство измерения и контроля сопротивления изоляции силовых электрических сетей относится к технике улучшения условий пожароэлектробезопасности эксплуатации силовых цепей генерирования, преобразования электрической энергии различных электросетей, изолированных от земли.
Известен способ повышения пожароэлектробезопасности систем генерирования и преобразования электроэнергии путем оценки токов утечки в цепях питания переменного тока с заземленной нейтралью. Способ основан на выделении разницы входных и выходных токов нагрузки у щита питания. По разнице этих токов судят об уровне пожаробезопасности, оценивая возможность возникновения электрической дуги между токопроводящими жилами кабеля и землей (корпусом). По токам утечки судят также об элсктробезопасности обслуживающего персонала и обеспечивают защиту при малых токах утечки. Примером могут служить устройства защитного отключения типа УЗО-20, ТУ 16-92 ИЖТШ.65611 1.085 ТУ г. Ставрополь завод «Сигнал». Недостатком данного способа является сравнительно низкая надежность пожаробезопасности и ограниченная область применения, так как исключаются сети постоянного тока.
Известен способ измерения сопротивления изоляции сетей постоянного тока относительно земли (корпуса), заключающийся в том, что применяют дополнительный источник постоянного измерительного напряжения, а для исключения влияния рабочего напряжения контролируемой сети перед измерением компенсируют напряжение сети относительно корпуса введением регулируемого источника постоянного напряжения, после чего включают источник измерительного напряжения и производят отсчет показаний измерительного прибора (авт. свид. СССР 369515, опубл. 08.11.1973. БИ 10).
Недостатком данного способа является необходимость наличия двух источников постоянного тока: компенсирующего и измерительного. В сетях питания транспортных средств довольно часто трудно конструктивно и технологически обеспечить хорошую компенсацию напряжения объекта контроля.
Известен способ измерения сопротивления изоляции электрических сетей со статическими преобразователями и устройство для его реализации. Способ основан на наложении на контролируемую сеть измерительного постоянного напряжения чередующейся полярности и измерении по окончании переходного процесса в контролируемой сети постоянной составляющей тока в цепи измерительного постоянного источника напряжения и вычислении величины сопротивления изоляции. При этом останавливают переходный процесс в контролируемой сети, не дожидаясь его окончания, после чего замеряют постоянную составляющую напряжения на импендансе изоляции и указанный ток, а величину сопротивления изоляции вычисляют по формуле Rиз=k(U2-U1)/(Y1-Y2),
Rиз – эквивалентное сопротивление изоляции;
к – коэффициент пропорциональности, учитывающий рабочие диапазоны измерения величины сопротивления изоляции;
U1 и U2 – величины напряжений между фазой (полюсом) и корпусом контролируемой сети, измеренные в первом и третьем тактах работы устройства соответственно;
YI и Y2 – величины токов измерительной цепи, измеренные во втором и четвертом тактах работы устройства соответственно (патент РФ G01R 27/18 RU 2028634).
Недостатками этого способа и устройства является недостаточная информативность, низкое быстродействие, высокая вероятность методической погрешности, зависимость результата измерения от измерения рабочего напряжения объекта контроля. Это обусловлено тем, что измерение сопротивления изоляции содержит четыре рабочих такта. При этом возможное изменение параметров объекта контроля во время четырехтактного цикла измерения приводит к возможности появления методической ошибки измерения; многотактность процесса измерения не позволяет оперативно учесть изменение параметров объекта контроля, например изменение сетевого рабочего напряжения, а также усложняет конструктивно, удорожает средство измерения, что практически делает невозможным непрерывный постоянный контроль сопротивления изоляции сети, что важно для эксплуатации электроустановок подвижных транспортных средств.
За прототип взяты способ и устройство измерения сопротивления изоляции силовой сети электроустановок транспорта под рабочим напряжением (патент РФ 2175138 C1 KИ. G01R 27/18 B60L 3/00, опубликован 20.10.2001, бюл. 29), в которых способ измерения сопротивления изоляции силовой сети электроустановок транспорта под рабочим напряжением, при котором накладывают на силовую сеть измерительное напряжение постоянного тока, останавливают переходный процесс перезаряда емкостей в контролируемой сети, не дожидаясь его окончания, измеряют напряжение на сопротивлении изоляции, ток измерительного источника напряжения и вычисляют сопротивление изоляции силовой сети относительно земли путем деления измеренного напряжения на измеренный ток. Устройство измерения сопротивления изоляции содержит источник измерительного напряжения, ограничительный резистор, индикатор, формирователь измерительных схем, микропроцессорный блок, два датчика тока, два датчика напряжения.
Недостатком этого способа измерения сопротивления изоляции и реализующего его устройства является то, что для компенсации до нуля напряжения на сопротивлении изоляции неконтролируемого полюса измерительное напряжение необходимо выбирать существенно выше напряжения контролируемой сети, которое прикладывается между контролируемым полюсом и землей через добавочный резистор. Расчеты показывают, что при контроле сопротивления изоляции силовой сети постоянного тока 320 В и при значении сопротивления изоляции в диапазоне от 20 до 100 кОм каждого полюса в отдельности необходимо регулировать напряжение в диапазоне от 320 до 1600 В, а при более широком диапазоне сопротивлений потребуется источник измерительного напряжения до 10 кВ и выше, что существенным образом усложняет устройство и снижает его надежность, а наличие двух датчиков тока и двух датчиков напряжения ведет к увеличению погрешности измерений сопротивлении изоляции.
Недостатком этого способа и устройства является то, что в процессе измерения сопротивления изоляции происходит перезаряд емкостей электрической сети от нуля до полного напряжения сети. В такой сети без применения способа и устройства контроля сопротивления изоляции человек, касаясь одного полюса сети, попадает под напряжение, которое существенно ниже напряжения сети, а при применении этого способа и устройства в аналогичной ситуации человек попадает под нулевое напряжение относительно земли или под полное напряжение сети, где существенно ухудшаются условия электробезопасности при контроле силовой сети.
Предлагаемый способ измерения и контроля сопротивления изоляции изолированных от земли силовых электрических сетей переменного тока под рабочим напряжением и устройство его реализации, блок схема которого представлена на чертеже, – свободны от недостатков, присущих прототипу. Это достигается тем, что предлагаемый способ измерения и контроля сопротивления изоляции силовых электрических сетей переменного тока, изолированных от земли (корпуса), под рабочим напряжением, при котором накладывают на силовую сеть стабилизированное постоянное напряжение путем подключения к контролируемой сети измерительной цепи, состоящей из последовательно соединенных резисторного датчика тока Rдт, источника стабилизированного постоянного напряжения Uст и добавочного резистора Rд с конденсатором фильтра Сф, отличающийся тем, что добавочный резистор Rд выбирают в к раз большим, чем величина резисторного датчика тока Rдт, затем измеряют напряжение U1 на резисторном датчике тока, после чего эквивалентное сопротивление изоляции Rиз контролируемой сети вычисляют по формуле Rиз=Rдт [Uct/Ul-(k+1)], где Rиз – эквивалентное сопротивление изоляции контролируемой силовой сети.
Предлагаемое также устройство для измерения и контроля сопротивления изоляции изолированных от земли силовых электрических сетей переменного тока под рабочим напряжением по предложенному способу содержит источник стабилизированного постоянного напряжения, первый резисторный датчик тока одним выводом соединен с общим проводом, первый добавочный резистор, одним выводом соединенный с первой контролируемой сетью, а вторым выводом соединенный со вторым выводом первого резисторного датчика тока и с первым конденсатором фильтра, блок питания, первое устройство сигнализации с первым и вторым светодиодами, блок индикации с переключателем, отличающееся тем, что первый добавочный резистор выбран в k раз больше по величине, чем величина первого резисторного датчика тока, а источник измерительного стабилизированного постоянного напряжения включен между общим проводом и корпусом (землей), кроме того, в устройство введены n-й добавочный резистор, соединенный одним выводом с n-й контролируемой электрической сетью, а вторым выводом соединенный с первым выводом введенного n-го резисторного датчика тока, который вторым выводом соединен с общим проводом, кроме того, n-й резисторный датчик тока первым выводом соединен с n-м конденсатором фильтра, а n-й добавочный резистор выбран по величине в к раз большим, чем величина n-го резисторного датчика тока, кроме того, в устройство введено n-е устройство сигнализации с первым n-м и вторым n-м светодиодами, причем все светодиоды катодами соединены с общим проводом, также в устройство введен блок внешней световой и звуковой сигнализации с обобщенным светодиодом на выходе и с замыкающими контактами звуковой и световой сигнализации.
Предложенный способ и устройство по сравнению с прототипом обеспечивают существенное повышение надежности и позволяют измерять и контролировать сопротивление изоляции в любом неограниченном диапазоне величин сопротивлений изоляции n отдельных силовых сетей переменного тока при небольшом усложнении схемы.
Выбор величин Rдоб в k раз больше величины резисторного датчика тока позволяет существенно упростить расчет измерительных цепей сигнализации и индикации устройства контроля как для сетей переменного, так и для сетей постоянного тока, а также для сетей двойного рода тока. По сравнению с прототипом предложенный способ и устройство позволяют с помощью всего одного датчика тока контролировать и измерять сопротивление изоляции без введения датчиков напряжений, как это сделано в прототипе, что позволяет повысить не только надежность, но и повысить точность измерения без усложнения устройства.
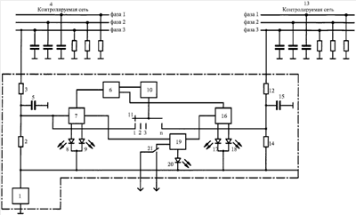
Устройство измерения и контроля сопротивления изоляции изолированных от земли силовых электрических сетей переменного тока под рабочим напряжением содержит источник стабилизированного постоянного напряжения 1, первый резисторный датчик тока 2, одним выводом соединенный с общим проводом, первый добавочный резистор 3, одним выводом соединенный с первой контролируемой сетью 4, а вторым выводом соединен со вторым выводом первого резисторного датчика тока и с первым конденсатором фильтра 5, блок питания 6, первое устройство сигнализации 7 с первым 8 и вторым 9 светодиодами, блок индикации 10 с переключателем 11, первый добавочный резистор 3 выбран в k раз большим по величине, чем величина первого резисторного датчика тока 2, а источник измерительного напряжения 1 постоянного тока включен между общим проводом и корпусом (землей), кроме того, в устройство введен n-й добавочный резистор 12, соединенный одним выводом с n-й контролируемой электрической сетью 13, а вторым выводом соединенный с первым выводом введенного n-го резисторного датчика тока 14, который вторым выводом соединен с общим проводом, кроме того, n-й резисторный датчик тока 14 первым выводом соединен с n-м конденсатором фильтра 15, а n-й добавочный резистор 12 по величине в k раз выбран большим, чем величина n-го резисторного датчика тока 14, кроме того, в устройство введено n-е устройство сигнализации 16 с первым n-м 17 и вторым n-м 18 светодиодами, катодами, соединенными с общим проводом, также в устройство введен блок внешней световой и звуковой сигнализации 19 с обобщенным светодиодом 20 на выходе и с замыкающими контактами 21 световой и звуковой сигнализации, причем блок внешней сигнализации 19 соединен непосредственно с выходом каждого (1 и n-го) устройства сигнализации.
Работа способа и устройства измерения и контроля сопротивления изоляции изолированных от земли n силовых электрических сетей переменного тока под рабочим напряжением происходит следующим образом. Устройство одними выводами добавочных резисторов 3 12 подключается к n контролируемым сетям переменного тока, а сигналы снимаются с датчиков тока 2, 14 и подаются на устройства сигнализации 7(16). Каждое устройство сигнализации имеет две уставки (предупредительную и аварийную) и соответственно два светодиода. Выход каждого устройства сигнализации 7 и 16 подключен непосредственно на блок внешней сигнализации 19 со светодиодом 20 на выходе. Светодиод 20 реагирует на снижение сопротивления изоляции в любой из n контролируемых сетей. Кроме того, с помощью переключателя 11 можно подключить блок индикации 10 для измерения сопротивления изоляции в любой из n контролируемых сетей, т.е. способ и устройство обеспечивают постоянно действующий контроль n силовых электрических сетей, и выборочно измерять с помощью блока индикации и переключателя 11 сопротивление изоляции в любой из n электрических сетей 4 и 13.
Формула изобретения
1. Способ измерения и контроля сопротивления изоляции изолированных от земли (корпуса) силовых электрических сетей переменного тока под рабочим напряжением, при котором накладывают на силовую сеть стабилизированное постоянное напряжение, путем подключения к контролируемой сети измерительной цепи, состоящей из последовательно-соединенных резисторного датчика тока Rдт, источника стабилизированного постоянного напряжения Ucт и добавочного резистора Rд с конденсатором фильтра Сф, отличающийся тем, что добавочный резистор Rд выбирают в k-раз большим, чем величина резисторного датчика тока Rдт, затем измеряют напряжение U1 на резисторном датчике тока, после чего эквивалентное сопротивление изоляции Rиз контролируемой сети вычисляют по формуле: Rиз=Rдт[Uст/U1-(к+1)], где Rиз – эквивалентное сопротивление изоляции силовой электрической сети.
2. Устройство измерения и контроля сопротивления изоляции, изолированной от земли (корпуса) силовой электрической сети переменного тока под рабочим напряжением, содержит источник стабилизированного постоянного напряжения, первый резисторный датчик тока, одним выводом соединенный с общим проводом, первый добавочный резистор, соединенный с первой контролируемой силовой сетью, а вторым выводом соединен со вторым выводом первого резисторного датчика тока и с первым конденсатором фильтра, блок питания, первое устройство сигнализации с первым и вторым светодиодами, блок индикации с переключателем, отличающееся тем, что первый добавочный резистор выбран в k-раз большим по величине, чем величина первого резисторного датчика тока, а источник стабилизированного постоянного напряжения включен между общим проводом и корпусом (землей), кроме того в устройство введены n-й добавочный резистор, соединенный одним выводом с n-й контролируемой электрической сетью, а вторым выводом соединенн с первым выводом n-го резисторного датчика тока, а n-й резисторный датчик тока вторым выводом соединен с общим проводом, кроме того n-й резисторный датчик тока первым выводом соединен с n-м конденсатором фильтра, а n-й добавочный резистор по величине k-раз выбран больше, чем величина n-го резисторного датчика тока, кроме того в устройство введено n-ое устройство сигнализации с первым n-м и вторым n-м светодиодами, причем все светодиоды катодами соединены с общим проводом, также в устройство введен блок внешней световой и звуковой сигнализации с обобщенным светодиодом на выходе и с замыкающими контактами звуковой и световой сигнализацией, причем блок внешней сигнализации световой и звуковой сигнализации соединен непосредственно с выходом каждого устройства сигнализации.
РИСУНКИ
|
|