|
|
(21), (22) Заявка: 2008113946/28, 09.04.2008
(24) Дата начала отсчета срока действия патента:
09.04.2008
(46) Опубликовано: 27.12.2009
(56) Список документов, цитированных в отчете о поиске:
RU 2230332 C2, 10.06.2004. RU 2289142 C1, 10.12.2006. JP 2007298330 A, 15.11.2007.
Адрес для переписки:
141070, Московская обл., г. Королев, ул. Ленина, 4а, ОАО “РКК “Энергия” им. С.П. Королева”, отдел интеллектуальной собственности
|
(72) Автор(ы):
Леденев Геннадий Яковлевич (RU)
(73) Патентообладатель(и):
Открытое акционерное общество “Ракетно-космическая корпорация “Энергия” имени С.П. Королева” (RU)
|
(54) УСТРОЙСТВО ДЛЯ ИЗМЕРЕНИЯ ЭЛЕКТРИЧЕСКОГО СОПРОТИВЛЕНИЯ ИЗОЛЯЦИИ
(57) Реферат:
Изобретение относится к области электроизмерительной техники, в частности к автоматизированным системам контроля электрического сопротивления изоляции двухпроводных сетей, находящихся под напряжением постоянного тока, и может быть использовано при контроле сопротивления изоляции электрических цепей электро- и радиотехнических изделий. Устройство для измерения электрического сопротивления изоляции содержит первый и второй делители напряжения, ключ, резистор и последовательно соединенные мультиплексор, аналого-цифровой преобразователь (АЦП) и блок управления. Выходы первого и второго делителей напряжения соединены с ходами мультиплексора, который подключает свой выходной сигнал к входу АЦП. За счет введения второго делителя напряжения, выход которого связан с корпусом, и измерения напряжения на выходе делителей напряжения относительно нулевой шины питания достигается значительное повышение быстродействия при измерении электрического сопротивления изоляции двухпроводных сетей. 1 ил.
Предлагаемое изобретение относится к области электроизмерительной техники, в частности к автоматизированным системам контроля электрического сопротивления изоляции двухпроводных сетей, находящихся под напряжением постоянного тока, и может быть использовано при контроле сопротивления изоляции электрических цепей электро- и радиотехнических изделий.
Известно устройство для измерения электрического сопротивления изоляции [1], содержащее измерительный мост, цифроуправляемый резистор, источник питания линии, источник компенсационного напряжения, схему сравнения, блок управления, коммутатор, цифровой индикатор.
Недостаток этого устройства состоит в длительном цикле измерения и влиянии на измеряемую цепь подключения измерительных резисторов.
Известно устройство для измерения электрического сопротивления изоляции [2], содержащее узел делителей напряжения, первый и второй мультиплексоры, дифференциальный усилитель, аналоговое запоминающее устройство, аналого-цифровой преобразователь, блок вычисления результатов, измерительные конденсаторы, ключи, блок управления.
Недостаток этого устройства состоит в сложности проводимых измерений (требуется регистрация переходных процессов, проведение сложных вычислений), и, как следствие, это устройство обладает низкой точностью измерений.
Наиболее близким техническим решением к предлагаемому устройству является устройство [3], содержащее шину измерения, выходную шину, первый делитель напряжения, выполненный на первом и втором резисторах, последовательно соединенные ключ и третий резистор, мультиплексор, аналого-цифровой преобразователь и блок управления, при этом первый вход мультиплексора соединен с выходом первого делителя напряжения, подключенного к нулевой и потенциальной шине питания, первый выход блока управления соединен с входом управления мультиплексора, второй выход блока управления соединен с входом управления ключа, сигнальный вход которого подключен к корпусу, третий выход блока управления соединен с входом запуска аналого-цифрового преобразователя, второй вывод третьего резистора соединен с нулевой шиной питания.
Недостаток этого устройства состоит в том, что оно обладает низким быстродействием вследствие заряда емкостей, изменение потенциалов которых определяет значение измеряемого сопротивления изоляции, токами утечки, задаваемыми этими сопротивлениями.
Задача изобретения – повышение быстродействия. Особенно этот параметр имеет решающее значение в системах, содержащих разнообразную аппаратуру, устанавливаемую в отсеках изделия, например, космического аппарата, для которого связь шин источника питания с корпусом недопустима. Поэтому при испытаниях аппаратуры ведется постоянный контроль сопротивления связи (утечки) между корпусом изделия и шинами питания. Непредусмотренная связь между корпусом изделия и шинами питания может возникать кратковременно в каком-нибудь приборе при его функционировании. В этом случае процедура определения сопротивления утечки должна выполняться оперативно и обеспечивать выявление возможных, даже кратковременных, непредусмотренных связей между корпусом изделия и шинами питания.
Решение этой задачи достигается тем, что в устройство для измерения электрического сопротивления изоляции, содержащее шину измерения, выходную шину, первый делитель напряжения, выполненный на первом и втором резисторах, последовательно соединенные ключ и третий резистор, мультиплексор, аналого-цифровой преобразователь и блок управления, при этом первый вход мультиплексора соединен с выходом первого делителя напряжения, подключенного к нулевой и потенциальной шине питания, первый выход блока управления соединен с входом управления мультиплексора, второй выход блока управления соединен с входом управления ключа, сигнальный вход которого подключен к корпусу, третий выход блока управления соединен с входом запуска аналого-цифрового преобразователя, второй вывод третьего резистора соединен с нулевой шиной питания, дополнительно введен второй делитель напряжения, выполненный на четвертом и пятом резисторах, при этом мультиплексор, аналого-цифровой преобразователь и блок управления соединены последовательно, второй вход мультиплексора соединен с корпусом и выходом второго делителя напряжения, подключенного к потенциальной и нулевой шине, соединенной с шиной измерения, информационный выход блока управления подключен к выходной шине.
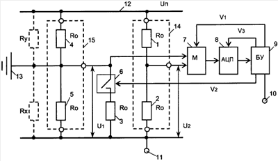
На чертеже приведена блок-схема устройства для измерения электрического сопротивления изоляции. На этой схеме: 1 – первый резистор, 2 – второй резистор, 3 – третий резистор, 4 – четвертый резистор, 5 – пятый резистор, 6 – ключ, 7 – мультиплексор, 8 – аналого-цифровой преобразователь, 9 – блок управления, 10 – выходная шина, 11 – шина измерения (нулевая шина питания), 12 – потенциальная шина питания, 13 – корпус, 14 и 15 – соответственно первый и второй делители напряжения.
Первый делитель напряжения 14, выполненный на первом 1 и втором 2 резисторах, подключен к нулевой 11 и потенциальной 12 шине питания, второй делитель напряжения 15, выполненный на четвертом 4 и пятом 5 резисторах, подключен также к нулевой 11 и потенциальной 12 шине питания. Выход первого делителя напряжения 14 соединен с первым входом мультиплексора 7, выход второго делителя напряжения 15 соединен со вторым входом мультиплексора 7, сигнальным входом ключа 6 и корпусом 13. Ключ 6 и третий резистор 3 соединены последовательно. Второй вывод третьего резистора 3 соединен с нулевой шиной питания 11. Мультиплексор 7, аналого-цифровой преобразователь 8 и блок управления 9 также соединены последовательно. Первый выход блока управления 9 соединен с входом управления мультиплексора 7, второй выход блока управления 9 соединен с входом управления ключа 6, третий выход блока управления 9 соединен с входом запуска аналого-цифрового преобразователя 8. Информационный выход блока управления 9 подключен к выходной шине 10.
Устройство для измерения электрического сопротивления изоляции работает следующим образом. Пусть первый 1, второй 2, третий 3, четвертый 4 и пятый 5 резисторы имеют одинаковое сопротивление R0. Предположим, что между корпусом 13 и нулевой шиной питания 11 существует сопротивление утечки (изоляции) RX, а между корпусом 13 и потенциальной шиной питания 12 – сопротивление утечки (изоляции) Rу. Будем производить измерения U1 между нулевой шиной питания 11 и выходом второго делителя напряжения 15 и измерения U2 между нулевой шиной питания 11 и выходом первого делителя напряжения 14. Будем предполагать также, что при формировании блоком управления 9 первого выходного сигнала V1=0 мультиплексор 7 подключает выход первого делителя напряжения 14 к входу аналого-цифрового преобразователя 8, а при формировании блоком управления 9 первого выходного сигнала V1=1 мультиплексор 7 подключает выход второго делителя напряжения 15 к входу аналого-цифрового преобразователя 8, при формировании блоком управления 9 второго выходного сигнала V2=0 ключ 6 разомкнут, а при формировании блоком управления 9 второго выходного сигнала V2=1 ключ 6 замкнут и он подключает выход второго делителя напряжения 15 к третьему резистору 3, при формировании блоком управления 9 третьего выходного сигнала V3=1 осуществляется запуск аналого-цифрового преобразователя 8, результат преобразования которого фиксируется блоком управления 9.
Пусть блок управления 9 формирует первый выходной сигнал V1=0, а затем третий выходной сигнал V3=1. В этом случае аналого-цифровым преобразователем 8 будет зафиксировано напряжение U2 на выходе первого делителя напряжения 14. Если напряжение источника питания равно UП, то напряжения U2 и UП связаны соотношением (1)

Пусть далее блок управления 9 формирует первый выходной сигнал V1=1, второй выходной сигнал V2=0, а затем третий выходной V3=1. В этом случае аналого-цифровым преобразователем 8 будет зафиксировано напряжение U1 на выходе второго делителя напряжения 15 при разомкнутом ключе 6. Пусть это напряжение равно U11. Напряжения U11 и UП связаны соотношением (2)

Пусть далее блок управления 9 формирует первый выходной сигнал V1=1, второй выходной сигнал V2=1, а затем третий выходной V3=1. В этом случае аналого-цифровым преобразователем 8 будет зафиксировано напряжение U1 на выходе второго делителя напряжения 15 при замкнутом ключе 6. Пусть это напряжение равно U12. Напряжения U12 и UП связаны соотношением (3)

Из соотношений (1), (2) и (3) можно определить сопротивления утечки (изоляции) RX и RУ.


Таким образом, производя измерения напряжения U2 на выходе первого делителя 14, напряжения U11 на выходе второго делителя 15 при разомкнутом ключе 6 и напряжения U12 на выходе второго делителя 15 при замкнутом ключе 6, мы можем определить сопротивление утечки (изоляции) RX между корпусом 13 и нулевой шиной питания 11 и сопротивление утечки (изоляции) RУ между корпусом 13 и потенциальной шиной питания 12.
Определение сопротивления утечки (изоляции) RX и RУ в соответствии с соотношениями (4) и (5) представляет несложную процедуру и выполняется блоком управления 9. Результат определения сопротивления утечки (изоляции) RХ и RУ транслируется на выходную шину 10.
Сравним быстродействие известного [3] и предлагаемого решения. Процедура определения сопротивления утечки (изоляции) RX и RУ в известном устройстве включает в себя три этапа измерений: 1) измерение напряжения UК1 между корпусом и выходом делителя при замыкании эталонного резистора R0 на нулевую шину, 2) измерение напряжения UК2 между корпусом и выходом делителя при замыкании эталонного резистора R0 на потенциальную шину, 3) измерение напряжения UК3 между корпусом и выходом делителя при размыкании эталонного резистора R0. Предположим, что между корпусом и одной из шин питания (например, нулевой шиной) существует емкость С=10 мкФ. В этом случае заряд емкости С на первом этапе измерений происходит с постоянной времени T1

Заряд емкости С на втором этапе измерений происходит также с постоянной времени T1. Заряд емкости С на третьем этапе измерений происходит с постоянной времени Т2

Длительность измерения Т сопротивления утечки (изоляции) RX и RУ (быстродействие) в известном устройстве можно оценить в виде

Если, например, R0=100 кОм, RX=1 МОм, то длительность измерения Т (быстродействие) известного устройства будет равна 7 сек.
В предлагаемом устройстве процедура измерения сопротивления утечки (изоляции) RX и RУ состоит также из трех этапов: 1) измерение напряжения U2 на выходе первого делителя 14, 2) измерение напряжения U11 на выходе второго делителя 15 при разомкнутом ключе 6, 3) измерение напряжения U12 на выходе первого делителя 14 при замкнутом ключе 6. На первом этапе измерение происходит без запаздывания. На втором этапе заряд емкости С происходит с постоянной времени Т3

На третьем этапе заряд емкости С происходит с постоянной времени Т4

Длительность измерения T5 сопротивления утечки (изоляции) RX и RУ в предлагаемом устройстве можно оценить в виде

В тех же условиях длительность измерения (быстродействие) предлагаемого устройства Т5=0, 7 сек.
Таким образом, предлагаемое устройство для измерения электрического сопротивления изоляции обладает значительно большим быстродействием по сравнению с быстродействием известного устройства.
Предлагаемая совокупность признаков в рассмотренных авторами решениях не встречалась для решения поставленной задачи и не следует явным образом из уровня техники, что позволяет сделать вывод о соответствии технического решения критериям “новизна” и “изобретательский уровень”. В качестве элементов для реализации устройства могут быть использованы стандартные ключи, мультиплексоры, резисторы, аналого-цифровые преобразователи.
Литература
1. Авторское свидетельство СССР 744339, 1980 г., бюллетень изобретений 24.
2. Патент Российской Федерации 2230332, фиг.1, фиг.4, Кл. G01R 27/16, 2004 г.
3. Патент Российской Федерации 2230332, фиг.3, фиг.4, Кл. G01R 27/16, 2004 г.
Формула изобретения
Устройство для измерения электрического сопротивления изоляции, содержащее шину измерения (нулевую шину питания), выходную шину, первый делитель напряжения, выполненный на первом и втором резисторах, последовательно соединенные ключ и третий резистор, мультиплексор, аналого-цифровой преобразователь и блок управления, при этом первый вход мультиплексора соединен с выходом первого делителя напряжения, подключенного к нулевой и потенциальной шине питания, первый выход блока управления соединен с входом управления мультиплексора, второй выход блока управления соединен с входом управления ключа, сигнальный вход которого подключен к корпусу, третий выход блока управления соединен с входом запуска аналого-цифрового преобразователя, второй вывод третьего резистора соединен с нулевой шиной питания, отличающееся тем, что в него дополнительно введен второй делитель напряжения, выполненный на четвертом и пятом резисторах, при этом мультиплексор, аналого-цифровой преобразователь и блок управления соединены последовательно, второй вход мультиплексора соединен с корпусом и выходом второго делителя напряжения, подключенного к потенциальной и нулевой шине, соединенной с шиной измерения, информационный выход блока управления подключен к выходной шине.
РИСУНКИ
|
|