|
|
(21), (22) Заявка: 2007148135/28, 26.12.2007
(24) Дата начала отсчета срока действия патента:
26.12.2007
(43) Дата публикации заявки: 10.07.2009
(46) Опубликовано: 27.12.2009
(56) Список документов, цитированных в отчете о поиске:
RU 10464 U1, 16.07.1998. RU 2092825 C1, 10.10.1997. RU 2055354 C1, 27.02.1996. UA 69824 A, 15.09.2004.
Адрес для переписки:
456770, Челябинская обл., г. Снежинск, ул. Васильева, 58, кв.10, А.Б. Сырцову
|
(72) Автор(ы):
Мельников Андрей Вячеславович (RU), Сырцов Александр Борисович (RU), Ульянов Евгений Альбертович (RU)
(73) Патентообладатель(и):
Общество с ограниченной ответственностью Уральский Научно-технический Центр “Прогресс” (RU)
|
(54) УСТРОЙСТВО ДЛЯ ИЗМЕРЕНИЯ ВЛАЖНОСТИ
(57) Реферат:
Устройство для измерения влажности предназначено для проведения экспресс-контроля влагосодержания электроизоляционных масел. Устройство для измерения влажности состоит из дифференциального аналогового преобразователя, индикатора и измерительного емкостного датчика в виде погружной пары электродов, при этом в него дополнительно введены программируемый контроллер и компенсационный емкостной датчик, выполненный также в виде погружной пары электродов с системой электромагнитных катушек с встречным соединением, измерительный емкостной датчик дополнен системой электромагнитных катушек с согласованным соединением, при этом каждая из электромагнитных катушек электрически соединена с соответствующими источниками импульсного тока, управляемыми импульсом, генерируемым тактовым выходом программируемого контроллера, запуск программируемого контроллера осуществляется от схемы запуска, а информационный сигнал, регистрируемый программируемым контроллером, формируется дифференциальным аналоговым преобразователем емкость-напряжение, электрически связанным с измерительным и компенсационным емкостными датчиками, вывод информации в единицах влагосодержания осуществляется с программируемого контроллера на индикатор, обнуление которого осуществляет контроллер. Изобретение обеспечивает повышение точности измерений влагосодержания проб тестируемого объекта, например трансформаторного масла, и упрощение конструкции устройства. 1 з.п. ф-лы, 1 ил.
Изобретение относится к исследованию и анализу материалов путем определения их физических свойств измерением электрической емкости и может быть использовано в экспресс-контроле влагосодержания электроизоляционных масел как в лабораторных условиях, так и непосредственно на объекте измерений (высоковольтные трансформаторы).
Известен электронный влагомер, описанный в патенте РФ 2046332, МПК7 G01N 27/22, содержащий измерительный автогенераторный преобразователь, опорный генератор, блок сравнения частот измерительного автогенераторного преобразователя и опорного генератора и измерительный прибор.
К недостаткам данного устройства относятся:
– недостаточная надежность в эксплуатации, обусловленная низкой степенью интеграции, и
– невысокая точность измерений при определении малых значений влагосодержания.
Наиболее близким и выбранным в качестве прототипа является устройство для измерения влажности по патенту Японии 2-22338, з. 56-73376 от 18.05.81 г., опубликованному в реферативном журнале «Изобретения стран мира», 7, вып.84, 1991 г., стр.98, МПК7 G01N 27/22 под названием “Устройство для измерения влажности”, в котором влажность определяется по изменению электростатической емкости, а в качестве измерительных сигналов используются импульсы. Устройство для измерения влажности состоит из дифференциального аналогового преобразователя, индикатора и измерительного емкостного датчика в виде погружной пары электродов.
Недостатками данного устройства являются:
– малая степень интеграции электронного узла устройства, затрудняющая его настройку и воспроизведение;
– низкая точность, обусловленная влиянием существующей девиации величины собственной диэлектрической проницаемости м тестируемого объекта (трансформаторное масло) и влиянием на контролируемый параметр температуры.
Задачей заявляемого изобретения является создание устройства простого в конструктивном исполнении и надежного в эксплуатации (что значительно упрощает процедуру его тиражирования), обеспечивающего проведение точных измерений влагосодержания проб трансформаторных масел вне зависимости от величины собственной диэлектрической проницаемости м тестируемых объектов.
Технический результат заключается в исключении влияния на выходной сигнал устройства, пропорциональный влагосодержанию, девиации величины м (высокая избирательность устройства) и температуры тестируемого объекта. Упрощение конструкции и повышение надежности прибора достигается минимизацией количества электронных компонентов за счет интегральной микросхемы преобразователя емкость-напряжение, выполняющей функции генератора тестирующих импульсов, интегратора, сумматора и амплитудного детектора. Повышение точности измерений достигается за счет использования дифференциальной схемы измерений при одновременном воздействии на объект измерений импульсного магнитного поля.
Это достигается тем, что в устройство для измерения влажности, состоящее из дифференциального аналогового преобразователя, индикатора и измерительного емкостного датчика в виде погружной пары электродов, дополнительно введены программируемый контроллер и компенсационный емкостной датчик, выполненный также в виде погружной пары электродов с системой электромагнитных катушек с встречным соединением, измерительный емкостной датчик дополнен системой электромагнитных катушек с согласованным соединением, при этом каждая из электромагнитных катушек электрически соединена с соответствующими источниками импульсного тока, управляемыми импульсом, генерируемым тактовым выходом программируемого контроллера, запуск программируемого контроллера осуществляется от схемы запуска, а информационный сигнал, регистрируемый программируемым контроллером, формируется дифференциальным аналоговым преобразователем емкость-напряжение, электрически связанным с измерительным и компенсационным емкостными датчиками, вывод информации в единицах влагосодержания осуществляется с программируемого контроллера на индикатор, обнуление которого осуществляет контроллер.
Кроме того, дифференциальный аналоговый преобразователь выполнен в виде микросхемы.
Наличие в заявляемом изобретении признаков, отличающих его от прототипа, позволяет считать его соответствующим условию «новизна».
Новые признаки (дополнительно введены программируемый контроллер и компенсационный емкостной датчик, выполненный также в виде погружной пары электродов с системой электромагнитных катушек с встречным соединением, измерительный емкостной датчик дополнен системой электромагнитных катушек с согласованным соединением, при этом каждая из электромагнитных катушек электрически соединена с соответствующими источниками импульсного тока, управляемыми импульсом, генерируемым тактовым выходом программируемого контроллера, запуск программируемого контроллера осуществляется от схемы запуска, а информационный сигнал, регистрируемый программируемым контроллером, формируется дифференциальным аналоговым преобразователем емкость-напряжение, электрически связанным с измерительным и компенсационным емкостными датчиками, вывод информации в единицах влагосодержания осуществляется с программируемого контроллера на индикатор, обнуление которого осуществляет контроллер) не выявлены в технических решениях аналогичного назначения. На этом основании можно сделать вывод о соответствии заявляемого изобретения условию «изобретательский уровень».
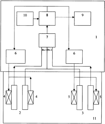
На чертеже представлена схема устройства для измерения влажности.
Устройство размещено в едином корпусе 1, содержащем две пары плоскопараллельных электродов с выступанием за пределы корпуса 1, образующих, соответственно, измерительный емкостной датчик 2 и компенсационный емкостной датчик 3. На тыльных поверхностях электродов размещены электромагнитные катушки с намотанным на них проводом, образующие две системы электромагнитных катушек: измерительную 4 (согласованное соединение) и компенсационную 5 (встречное соединение). Каждая из электромагнитных катушек электрически соединена с соответствующими источниками импульсного тока 6, управляемыми импульсом, генерируемым тактовым выходом программируемого контроллера 8. Запуск контроллера 8 осуществляется от схемы запуска 10, а информационный сигнал, регистрируемый контроллером 8, формируется дифференциальным аналоговым преобразователем емкость-напряжение 7, выполненным в виде единой микросхемы, например, Hemics и электрически связанным с измерительным и компенсационным емкостными датчиками 2 и 3. Вывод информации в единицах влагосодержания осуществляется с контроллера 8 на индикатор 9, размещенный на лицевой стороне корпуса 1 устройства.
Устройство работает следующим образом. Емкостные датчики 2 и 3 (электроды), изготовленные из кислотостойкого и неферромагнитного металла, погружаются в тестируемую жидкость 11, например трансформаторное масло. После этого от схемы запуска 10 осуществляется активация прибора. Контроллер 8 осуществляет “обнуление” индикатора 9, отражающего результат предыдущего измерения. Одновременно с тактового выхода контроллера 8 осуществляется запуск импульсных источников тока 6, запитывающих соответствующие электромагнитные катушки 4 и 5, например, Гельмгольца, за счет чего в межэлектродных пространствах емкостных датчиков 2 и 3 создаются мощные однородные магнитные поля. При этом в межэлектродном пространстве измерительного датчика 2 поле образовано разноименными полюсами (согласованное включение электромагнитных катушек, например, Гельмгольца), в межэлектродном пространстве компенсационного датчика 3 поле образовано одноименными полюсами (встречное включение электромагнитных катушек, например, Гельмгольца). Измерение разницы величин электроемкостей датчиков 2 и 3, пропорциональное величине влагосодержания, непрерывно осуществляет аналоговый дифференциальный преобразователь емкость-напряжение 7, выполняющий функцию амплитудного детектора и выделяющий максимальный сигнал, соответствующий максимальной чувствительности устройства. Далее этот сигнал (уровень напряжения) поступает на вход программируемого контроллера 8, где, в соответствии с ранее заложенной программой, осуществляется перевод уровня напряжения в соответствующее значение величины влагосодержания, которое сохраняется в контроллере 8 до начала следующего измерения и отражается на индикаторе 9.
Проведенные экспериментальные исследования показали, что в магнитном поле, образованном разноименными полюсами (согласованное включение электромагнитных катушек, например, Гельмгольца), повышается диэлектрическая проницаемость смесей полярный компонент (вода) – неполярный компонент (масло). В магнитном поле, образованном одноименными полюсами (встречное включение электромагнитных катушек, например, Гельмгольца), диэлектрическая проницаемость таких смесей уменьшается. Известно, что неполярные диэлектрики нечувствительны к воздействию магнитного поля, поэтому очевидно, что описанное выше явление обусловлено присутствием в смеси полярного компонента (вода).
Поэтому вычитание из результата первого измерения (разноименные полюса) результата второго измерения (одноименные полюса) исключает влияние на итоговый сигнал величины собственной м тестируемого объекта (трансформаторного масла).
Тем самым исключается чувствительность устройства к вариациям м и повышается точность измерений. Одновременное проведение двух подобных измерений с использованием дифференциального метода позволяет исключить влияние изменения температуры тестируемого объекта на итоговый результат.
Таким образом, вышеизложенные сведения свидетельствуют о выполнении при использовании изобретения следующей совокупности условий: устройство для измерения влагосодержания предназначено для экспресс-контроля влагосодержания электроизоляционных масел как в лабораторных условиях, так и непосредственно на объекте измерений (высоковольтные трансформаторы).
Устройство, воплощенное в заявленном изобретении, позволило:
– повысить точность измерений влагосодержания проб тестируемого объекта (например, трансформаторного масла) за счет исключения влияния на выходной сигнал устройства девиации величины собственной диэлектрической проницаемости м;
– обеспечить низкую погрешность измерений за счет снижения влияния температуры тестируемого объекта на результат;
– упростить конструкцию устройства, обеспечив простую процедуру его тиражирования;
Таким образом, устройство для измерения влажности, воплощенное в заявленном изобретении, при его осуществлении способно обеспечить достижение усматриваемого заявителем достигаемого технического результата.
Следовательно, заявленное изобретение соответствует условию «промышленная применимость».
Формула изобретения
1. Устройство для измерения влажности, состоящее из дифференциального аналогового преобразователя, индикатора и измерительного емкостного датчика в виде погружной пары электродов, отличающееся тем, что в него дополнительно введены программируемый контроллер и компенсационный емкостной датчик, выполненный также в виде погружной пары электродов с системой электромагнитных катушек с встречным соединением, измерительный емкостной датчик дополнен системой электромагнитных катушек с согласованным соединением, при этом каждая из электромагнитных катушек электрически соединена с соответствующими источниками импульсного тока, управляемыми импульсом, генерируемым тактовым выходом программируемого контроллера, запуск программируемого контроллера осуществляется от схемы запуска, а информационный сигнал, регистрируемый программируемым контроллером, формируется дифференциальным аналоговым преобразователем емкость-напряжение, электрически связанным с измерительным и компенсационным емкостными датчиками, вывод информации в единицах влагосодержания осуществляется с программируемого контроллера на индикатор, обнуление которого осуществляет контроллер.
2. Устройство по п.1, отличающееся тем, что дифференциальный аналоговый преобразователь выполнен в виде микросхемы.
РИСУНКИ
|
|