|
(21), (22) Заявка: 2008139220/28, 03.10.2008
(24) Дата начала отсчета срока действия патента:
03.10.2008
(46) Опубликовано: 27.12.2009
(56) Список документов, цитированных в отчете о поиске:
RU 2244271 C1, 10.01.2005. RU 2316731 C1, 10.02.2008. JP 2007187494 A, 26.07.2007. WO 2007045664 A1, 26.04.2007. US 6199874 B1, 13.03.2001.
Адрес для переписки:
124498, Москва, Зеленоград, пр-д 4806, 5, МИЭТ, патентно-лицензионный отдел
|
(72) Автор(ы):
Тимошенков Сергей Петрович (RU), Лапенко Вадим Николаевич (RU), Кик Михаил Андреевич (RU), Кик Дмитрий Андреевич (RU), Пасютин Антон Викторович (RU)
(73) Патентообладатель(и):
Государственное образовательное учреждение высшего профессионального образования Московский государственный институт электронной техники (технический университет) (RU)
|
(54) СПОСОБ ИЗМЕРЕНИЯ АМПЛИТУДНО-ЧАСТОТНЫХ ХАРАКТЕРИСТИК ПОДВИЖНЫХ ЭЛЕМЕНТОВ МИКРОМЕХАНИЧЕСКИХ СИСТЕМ
(57) Реферат:
Изобретение относится к микромеханике и предназначено для измерения частотных характеристик подвижных элементов микромеханических устройств. Способ включает формирование на неподвижных обкладках конденсатора гармонических сигналов с постоянной составляющей при установке на подвижной обкладке постоянного смещения, равного нулю. При этом выделяется вторая гармоника суммы зарядов, протекающих через конденсаторы, образованные подвижной и неподвижной обкладками чувствительного элемента. Амплитудно-частотная характеристика микромеханического устройства определяется отношением второй гармоники полученной суммы зарядов к первой гармонике сигнала, сформированного на обкладках конденсатора. Изобретение позволяет расширить функциональные возможности и повысить точность измерения амплитудно-частотных характеристик. 1 з.п. ф-лы, 3 ил.
Изобретение относится к микромеханике и предназначено для измерения частотных характеристик (АЧХ) подвижных элементов микромеханических устройств (ММУ), таких как акселерометры, датчики давления, микрогироскопы, микрозеркала, имеющие емкостной съем сигнала.
Известны лазерный виброметр для измерения вибраций [1], способ измерения динамических характеристик компенсационного акселерометра [2] и способ контроля качества изготовления микромеханических устройств [3]. Размеры частей ММУ колеблются от сотен до долей микрон. В частности, толщина торсионов составляет порядка 8-10 мкм. Визуальный контроль затруднителен и часто единственным способом обеспечения параметров микромеханических устройств является косвенный метод контроля, а именно измерение АЧХ подвижных (чувствительных) элементов, которые характеризуют обобщенный критерий качества изготовления ММУ. Недостатками устройства [1] являются высокая стоимость, трудоемкость процесса измерения и необходимость визуального доступа к подвижному элементу ММУ. Способ [2] предназначен для измерений характеристик акселерометров компенсационного типа, содержащих датчик силы и датчик смещения, что не позволяет использовать его для микромеханических устройств прямого преобразования, содержащих только две неподвижные и одну подвижную обкладки дифференциальной емкости.
Известный способ [3] является наиболее близким по технической сущности к заявляемому изобретению и предназначен для контроля качества изготовления микромеханических устройств, которые состоят из задатчика силы и датчика перемещения. Задатчик силы электростатического типа выполнен в виде дифференциальной емкости. Датчик перемещения выполнен в виде дифференциальной емкости, подключенной к преобразователю емкость – напряжение (микросхема MS3110 в устройстве, реализующем способ [3]). Эквивалентная функциональная схема подобного датчика – четыре конденсатора, выводы одной из обкладок каждого из четырех конденсаторов электрически соединены друг с другом. Два из четырех конденсаторов попарно образуют дифференциальную емкость, то есть при перемещении ЧЭ одна из емкостей увеличивается, а другая уменьшается. Таким образом, способ [3] также предназначен для контроля ММУ компенсационного типа (например, компенсационных микромеханических акселерометров). Невозможность применения способов [2, 3] к ММУ прямого преобразования ограничивает их функциональные возможности и снижает точность проводимых измерений.
Способ [3] заключается в подаче гармонического сигнала (амплитудой порядка 50 В) на вход электростатического задатчика силы и измерении гармонического сигнала на датчике перемещения подвижного элемента. Общий вывод дифференциальной емкости подключается к входу преобразователя емкость – напряжение. На входе преобразователя для обеспечения его нормальной работы никаких других сигналов, кроме как сформированных самой микросхемой и подаваемых на электроды датчика перемещения, не должно быть. В устройстве, предложенном для реализации прототипа [3], на вход преобразователя подается гармонический сигнал, что приводит к появлению дополнительных помех в измерениях. Подвижный электрод под воздействием электростатической силы начинает перемещаться, вследствие чего одна электроемкость увеличивается, другая уменьшается. Чем больше амплитуда колебаний подвижного элемента, тем больше переменная асимметрия емкостей и тем больше помеха для преобразователя емкость – напряжение. Создаваемые помехи могут быть относительно небольшими в том случае, когда обе емкости задатчика силы равны и не меняются в процессе измерения. Однако данное условие может быть достигнуто в отсутствие сигнала на задатчике силы. Следует отметить, что существует вероятность вывода из строя микросхемы за счет пробоя входного каскада. Других преобразователей, в которых отсутствовал бы данный недостаток, в прототипе не приведено.
Задачей предлагаемого способа является расширение функциональных возможностей и повышение точности.
Для достижения поставленной задачи на обкладках конденсатора дифференциальной переменной емкости, состоящего из подвижного элемента и двух неподвижных, на неподвижные подаются в противофазе гармонические сигналы одинаковой частоты и амплитуды с постоянной составляющей. На подвижной обкладке поддерживается постоянное, равное нулю напряжение и выделяется вторая гармоника суммы заряда, протекающего через конденсаторы, образованные подвижной и неподвижной обкладками чувствительного элемента, при этом АЧХ ММУ вычисляется отношением полученной второй гармоники заряда к первой гармонике сигнала, сформированного на обкладках конденсатора.
Поставленная задача достигается более эффективно, если сумму зарядов, протекающих через подвижный электрод, преобразовать в выходное напряжение, при этом амплитудно-частотная характеристика микромеханического устройства равна отношению второй гармоники выходного напряжения к первой гармонике сигнала, сформированного на обкладках конденсатора.
Таким образом, для измерения АЧХ проложенным способом достаточно всего одной пары неподвижных обкладок и одной подвижной обкладки, образующих дифференциальный конденсатор переменной емкости, без обязательного наличия дополнительных обкладок (как в прототипе), реализующих задатчик силы подвижного элемента ММУ, чем достигается расширение функциональных возможностей.
К тому же преобразование суммы зарядов, протекающих через подвижный электрод ММУ, в напряжение повышает точность измерений АЧХ подвижных элементов ММУ.
Изобретение иллюстрируется графическими материалами.
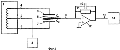
На фиг.1 приведена блок-схема устройства, предназначенного для реализации предложенного способа, где
1 – генератор со средней точкой;
2 – средняя точка генератора;
3 – источник постоянного напряжения;
4, 5 – симметричные выводы генератора;
6, 7 – неподвижные электроды ММУ;
8 – подвижный электрод ММУ;
9 – вход зарядочувствительного усилителя;
10 – резистор;
11 – конденсатор;
12 – операционный усилитель;
13 – выход зарядочувствительного усилителя;
14 – анализатор спектра или селективный микровольтметр.
На фиг.2 приведены эпюры зависимостей от времени параметров устройства и чувствительного элемента ММУ:
а – напряжения, подаваемого на первый неподвижный электрод;
б – напряжения, подаваемого на второй неподвижный электрод;
в – электростатической силы, действующей на подвижный электрод;
г – электрической емкости С1;
д – электрической емкости С2.
На фиг.3 приведена АЧХ ММУ МПСФ-20 (ТУ АЕСН.431269.003ТУ), измеренная с использованием предлагамеого способа.
Устройство для реализации предлагаемого способа, структурная схема которого представлена на фиг.1, включает в себя генератор 1 с симметричным выходом и средней точкой. На среднюю точку 2 генератора 1 с источника напряжения 3 подается постоянное напряжение смещения (порядка 70 В), а симметричные выводы генератора 4, 5 подключены к неподвижным электродам 6, 7 ММУ. Подвижный электрод 8 подключен к входу 9 зарядочувствительного усилителя, образованного резистором 10, конденсатором 11, операционным усилителем 12. Первый вывод резистора 10, первый вывод конденсатора 11 и отрицательный вывод операционного усилителя 12 замкнуты и образуют вход 9 зарядочувствительного усилителя. Вторые выводы резистора 10, конденсатора 11 и выход операционного усилителя 12 замкнуты и образуют выход 13 зарядочувствительного усилителя. Отрицательный вход операционного усилителя 12 подключен к нулевому потенциалу. Выход 13 подключен к входу анализатора спектра 14.
Предлагаемый способ измерения АЧХ основан на электростатическом взаимодействии между подвижной (фиг.1, поз.8) и неподвижными обкладками (фиг.1, поз.6, 7) ЧЭ, образующих дифференциальный конденсатор переменной емкости. На неподвижные обкладки этого конденсатора подаются гармонические сигналы U1 и U2 частоты w с постоянной составляющей Uo (фиг.2,А и 2,Б соответственно), а на подвижном электроде поддерживается нулевое напряжение:
U1=Uo+Uг·sin(wt),
U2=Uo-Uг·sin(wt),
где напряжение Uo соответствует напряжению в точке поз.2 фиг.1;
напряжение U1 соответствует напряжению в точке поз.4 фиг.1;
напряжение U2 соответствует напряжению в точке поз.5 фиг.1.
Значение постоянной составляющей Uo должно превышать амплитуду Uг гармонической составляющей Uo>Uг, таким образом задается условие U1,U2>0. Переменная составляющая за счет силы кулоновского взаимодействия (фиг.2,в) заставляет колебаться подвижный электрод ЧЭ.
Отклонение подвижной обкладки пропорционально приложенной силе.
В общем случае электрическая емкость конденсаторов С1, С2, образуемых обкладками ЧЭ и общим электродом, выражается следующим образом:
С1=Co·(1+Aмех·sin(wt)),
C2=Co·(l-Aмех·sin(wt)),
электрическая емкость С1 образована обкладками поз.6 и поз.8 фиг.1;
электрическая емкость С2 образована обкладками поз.7 и поз.8 фиг.1;
изменение емкостей С1, С2 представлено на фиг.2,г и 2,д соответственно.
Коэффициент Амех (фиг.2) зависит от амплитуды Uг и амплитуды механических колебаний подвижного элемента ММУ, а Со – электрическая емкость конденсаторов в отсутствие у подаваемого напряжения гармонической составляющей, причем Со=С1=С2.
Коэффициент передачи зарядочувствительного усилителя (образованного резистором поз.10, конденсатором поз.11, операционным усилителем поз.10 фиг.1) для сигнала U1 вычисляется следующим образом

где Uвых – напряжение на выходе зарядочувствительного усилителя.
Значения Roc (омическое сопротивление резистора поз.10 фиг.1) и Соc (электрическая емкость конденсатора поз.11 фиг.1) выбираются таким образом, чтобы Roc в рабочем диапазоне частот было намного больше реактивного сопротивления XСос емкости Сос.
При необходимости в качестве сопротивления Roc может быть использован Т-образный RC-фильтр.
Напряжение U1 создает на выходе зарядочувствительного усилителя сигнал:


в силу симметрии напряжение U2 создает на выходе усилителя сигнал


По принципу суперпозиции:
Uвых=Uвых1+Uвых2=k·(Uo+Uг·sin(wt))·(1+Aмех·sin(wt))+k·(Uo-Uг·sin(wt))·(1-Aмех·sin(wt))=2·k·(Uo+Aмех·Uг·sin2(wt))=2·k·Uo+k·Uг·Aмех·(1-cos(2wt))=2·k·Uo+k·Uг·Aмех-k·Uг·Aмех·cos(2wt)
Напряжение Uвых соответствует напряжению в точке поз.13 фиг.1
Амплитуда второй гармоники выходного сигнала зависит от коэффициентов k, Uг, Aмех. Величины k, Uг постоянные, это означает, что на амплитуду второй гармоники выходного сигнала влияет коэффициент Амех, характеризующий амплитуду механических колебаний подвижного элемента ММУ. Анализ амплитуды второй гармоники с помощью анализатора спектра (поз.14 фиг.1) при изменении частоты на задающем генераторе (поз.1 фиг.1) реализует поставленную задачу – измерение АЧХ подвижного элемента ММУ.
Для проверки данного способа был собран макет устройства (фиг.1). В качестве генератора со средней точкой 1 был взят генератор Г3-109; в качестве источника постоянного напряжения 2 – источник питания Б5-50; в качестве ММУ (с элементами 6, 7, 8) выбрано микрозеркало ММУ типа МПСФ-20 (ТУ АЕСН.431269.003ТУ). В зарядочувствительном усилителе конденсатор 10 выбран номиналом 510пФ, резистор выбран номиналом 470 МОм, операционный усилитель 12 – Analog Devices AD8610. Для поз.14 выбран селективный микровольтметр В6-9, имеющий частотный диапазон измерения в селективном режиме 20 Гц – 100 кГц и диапазон входных напряжений от 1 мкВ до 1 В.
На генераторе Г3-109 устанавливалась частота 20 Гц, амплитуда напряжения 50 В. На источнике Б5-50 устанавливалось напряжение 70 В. Значение, отображаемое на микровольтметре при частоте 20 Гц, принималось равным 0 дБ. При плавном изменении частоты на генераторе и фиксированных остальных параметрах производилась запись показаний микровольтметра для соответствующей частоты. По формуле (где Uвых – показания микровольтметра, – частота в герцах, задаваемая на генераторе) строилась АЧХ, представленная на фиг.3.
Проведено сопоставление полученной АЧХ с АЧХ, измеренной оптическим способом (в котором амплитуда механических колебаний подвижного элемента ММУ определялась амплитудой колебания лазерного луча, отраженного и отклоненного микрозеркалом МПСФ-20). Было получено хорошее совпадение АЧХ, полученных оптическим способом и предложенных в изобретении.
Источники информации
1. Патент US 5883715.
2. Патент SU 1839835.
3. Патент RU 2244271 – прототип.
Формула изобретения
1. Способ измерения амплитудно-частотных характеристик чувствительных элементов микромеханических устройств, содержащих подвижный элемент, являющийся средней обкладкой дифференциального конденсатора переменной емкости, заключающийся в формировании на неподвижных обкладках конденсатора гармонических сигналов с постоянной составляющей при установке на подвижной обкладке постоянного смещения, равного нулю, отличающийся тем, что выделяется вторая гармоника суммы заряда, протекающего через конденсаторы, образованные подвижной и неподвижной обкладками чувствительного элемента, при этом амплитудно-частотная характеристика микромеханического устройства вычисляется отношением полученной второй гармоники заряда к первой гармонике сигнала, сформированного на обкладках конденсатора.
2. Способ по п.1, отличающийся тем, что дополнительно производится преобразование суммы заряда, протекающего через конденсаторы, образованные подвижной и неподвижной обкладками чувствительного элемента, в пропорционально зависимое выходное напряжение, при этом амплитудно-частотная характеристика микромеханического устройства вычисляется отношением второй гармоники выходного напряжения к первой гармонике сигнала, сформированного на обкладках конденсатора.
РИСУНКИ
|