|
|
(21), (22) Заявка: 2008122354/06, 04.11.2005
(24) Дата начала отсчета срока действия патента:
04.11.2005
(46) Опубликовано: 27.12.2009
(56) Список документов, цитированных в отчете о поиске:
ЕР 0485146 A1, 13.05.1992. RU 2199705 C2, 27.02.2003. SU 961432 A1, 15.02.1994. US 5103650 A, 14.04.1992. US 5220806 A, 22.06.1993.
(85) Дата перевода заявки PCT на национальную фазу:
04.06.2008
(86) Заявка PCT:
US 2005/040047 20051104
(87) Публикация PCT:
WO 2007/053149 20070510
Адрес для переписки:
129090, Москва, ул. Б.Спасская, 25, стр.3, ООО “Юридическая фирма Городисский и Партнеры”, пат.пов. А.В.Мицу, рег. 364
|
(72) Автор(ы):
ГУПТЕ Нилкант С. (US)
(73) Патентообладатель(и):
КЭРРИЕР КОРПОРЕЙШН (US)
|
(54) КОНТУР ОХЛАЖДЕНИЯ С ДВУМЯ ТЕМПЕРАТУРАМИ
(57) Реферат:
Комбинированный контур (2) охлаждения со средней и низкой температурой предназначен для циркуляции хладагента в заданном направлении потока и содержит в направлении потока отбирающий тепло теплообменник (4), потребитель (6) охлаждения со средней температурой, сепаратор (8) пара среднего давления, имеющий паровой участок (10) и жидкостной участок (12), соединенный с потребителем (6) охлаждения со средней температурой, потребитель (14) охлаждения с низкой температурой, модуль (16) компрессора, входное отверстие которого соединено с паровым участком (10) сепаратора (8) пара среднего давления и потребителем (14) охлаждения с низкой температурой, расширительное устройство (70) среднего давления и сепаратор (72) пара промежуточного давления. Расширительное устройство (70) среднего давления соединено с жидкостным участком (12) сепаратора (8) пара среднего давления. Жидкостной участок (76) сепаратора (72) пара промежуточного давления соединен с потребителем (14) охлаждения с низкой температурой, а паровой участок (74) сепаратора (72) пара промежуточного давления соединен с модулем (16) компрессора. Техническим результатом изобретения является повышение эффективности. 3 н. и 15 з.п. ф-лы, 2 ил.
Настоящее изобретение относится к комбинированной среде и контуру охлаждения с низкой температурой и, в частности, к соответствующему контуру СO2 охлаждения и соответствующему способу.
Известны такие контуры охлаждения с двумя температурами, в которых хладагент циркулирует в заданном направлении потока через отбирающий тепло теплообменник, потребитель охлаждения со средней температурой, потребитель охлаждения с низкой температурой и модуль компрессора, который возвращает давление хладагента до высокого давления, присутствующего в отбирающем тепло теплообменнике. Обычно среда и потребители охлаждения с низкой температурой расположены параллельно в контуре, то есть хладагент, выходящий из отбирающего тепло теплообменника, разветвляется таким образом, чтобы его часть протекала через потребитель охлаждения со средней температурой и остальная часть протекала через потребитель охлаждения с низкой температурой. Модуль компрессора обычно представляет собой двухкаскадный модуль с набором компрессора низкого давления и набором компрессора среднего давления, причем набор компрессора низкого давления соединен с выходом потребителя охлаждения с низкой температурой и сжимает хладагент, выходящий из него, до уровня давления, который соответствует уровню давления, соответствующему выходному отверстию потребителя охлаждения со средней температурой. Оба хладагента – хладагент, поступающий из выходного отверстия потребителя охлаждения со средней температурой, а также хладагент, поступающий из выходного отверстия компрессора низкого давления, направляют ко входному отверстию компрессора среднего давления, который сжимает хладагент до требуемого высокого давления, которое присутствует в отбирающем тепло теплообменнике. В то время как такие контуры охлаждения с двумя температурами удовлетворяют потребности в охлаждении, все еще сохраняется требование повышения эффективности.
В соответствии с этим цель настоящего изобретения состоит в создании контура охлаждения с двумя температурами и соответствующего способа, который удовлетворял бы требованиям охлаждения и который был бы относительно простым и не дорогостоящим, но обладал бы высокой эффективностью.
В соответствии с настоящим изобретением эта задача решается с использованием комбинированного контура охлаждения со средней и низкой температурой, в котором циркулирует хладагент в заданном направлении потока, содержащего в направлении потока
(a) отбирающий тепло теплообменник;
(b) потребитель охлаждения со средней температурой;
(c) сепаратор пара среднего давления, имеющий паровой участок и жидкостной участок, соединенный с модулем потребителя охлаждения со средней температурой;
(d) потребитель охлаждения с низкой температурой, соединенный с жидкостным участком сепаратора пара среднего давления; и
(e) модуль компрессора, входное отверстие которого соединено с паровым участком сепаратора пара среднего давления и потребителем охлаждения с низкой температурой.
По сравнению с контурами охлаждения с двумя температурами предшествующего уровня техники потребители охлаждения со средней и низкой температурой расположены в линию, в связи с чем хладагент первоначально используется у потребителя охлаждения со средней температурой, и впоследствии оставшаяся жидкая часть хладагента используется у потребителя охлаждения с низкой температурой. Потребитель охлаждения со средней температурой может быть установлен и/или может работать таким образом, чтобы выходящий хладагент представлял собой хладагент, состоящий из двух фаз, часть которого представляет собой жидкость, а остальное представляет собой газообразный хладагент. Такой хладагент, состоящий из двух фаз, разделяют в сепараторе пара среднего давления на его газообразную часть, которую сжимают и возвращают в отбирающий тепло теплообменник, и его жидкую часть, используемую для потребителя охлаждения с низкой температурой.
По сравнению с обычной параллельной компоновкой потребителей охлаждения со средней и низкой температурой последовательная компоновка направляет, по существу, более холодный жидкий хладагент, но с пониженным давлением, в направлении потребителя охлаждения с низкой температурой. Хладагент, выходящий из потребителя охлаждения с низкой температурой, сжимают в модуле компрессора либо непосредственно до уровня давления, требуемого для отбирающего тепло теплообменника, или на первом этапе вплоть до промежуточного уровня давления, например уровня давления хладагента с давлением газообразной среды, и на втором этапе до уровня давления, присутствующего в отбирающем тепло теплообменнике. В соответствии с этим модуль компрессора может содержать множество отдельных компрессоров, он также может содержать один или два набора компрессоров, например набор компрессора низкого давления и набор компрессора среднего давления. Каждый из наборов компрессора низкого и среднего давления также может содержать один или множество отдельных компрессоров.
Следует отметить, что из-за более низкой температуры и более низкого давления, присутствующих в последовательно соединенном потребителе охлаждения с низкой температурой, по сравнению с параллельной компоновкой, становится возможным, по существу, уменьшить размеры потребителя охлаждения с низкой температурой, то есть пониженное давление, например, требует использования намного меньшей толщины стенок и т.д.
Контур охлаждения может дополнительно содержать сепаратор пара высокого давления, имеющий паровой участок и жидкостной участок, которые расположены между отбирающим тепло теплообменником и потребителем охлаждения со средней температурой, причем его паровой участок соединен с входным отверстием модуля компрессора, а его жидкостной участок соединен с потребителем охлаждения со средней температурой.
Сепаратор пара высокого давления также позволяет заранее понизить температуру и давление до потребителя охлаждения со средней температурой. Это повышает эффективность потребителя охлаждения со средней температурой и позволяет выполнить его с меньшими размерами.
Контур охлаждения может дополнительно содержать устройство промежуточного расширения между отбирающим тепло теплообменником и сепаратором пара с высокой температурой. С помощью устройства промежуточного расширения может быть сгенерирован хладагент с двумя фазами, даже если хладагент, выходящий из отбирающего тепло теплообменника, будет чисто газообразным. Устройство расширения может представлять собой управляемое устройство расширения для управления условиями сепаратора пара высокого давления, такими как температура, давление, отношение жидкого к газообразному хладагенту и т.д.
Контур охлаждения может дополнительно содержать клапан с регулируемым давлением, включенный в линию между паровым участком сепаратора пара высокого давления и модулем компрессора. Например, соотношением между газообразным и жидким хладагентом в сепараторе пара высокого давления можно управлять с помощью такого клапана с регулируемым давлением. Другой тип управляемого клапана также может быть предоставлен с этой целью. Можно подсоединить такой управляемый клапан, а также любой другой управляемый элемент к контуру для индивидуального управления или, в качестве альтернативы, централизованного управления контуром.
Потребитель охлаждения может содержать, по меньшей мере, одно расширительное устройство и, по меньшей мере, один испаритель. Расширительное устройство может представлять собой управляемое расширительное устройство, предназначенное для управления состоянием испарителя и, в частности, состоянием хладагента на выходе испарителя. Путем управления расширительным устройством скоростью потока хладагента через испаритель можно управлять таким образом, что хладагент в выходном отверстии может иметь любое состояние между двухфазным хладагентом и перегретым хладагентом. Кроме того, таким образом можно непосредственно управлять характеристиками охлаждения и соответственно температурой после потребителя охлаждения.
Модуль компрессора может содержать набор компрессора низкого давления, набор компрессора среднего давления и компрессор пара высокого давления. Набор компрессора низкого давления может быть соединен с потребителем охлаждения с низкой температурой, набор компрессора среднего давления может быть соединен с жидкостным участком сепаратора пара среднего давления, а компрессор пара высокого давления может быть соединен с паровым участком сепаратора пара высокого давления. Набор компрессора низкого давления и набор компрессора среднего давления могут формировать двухкаскадный компрессор, в котором выходное отверстие набора компрессора низкого давления соединено с входным отверстием набора компрессора высокого давления. Хотя набор компрессора высокого давления сжимает газообразный хладагент от среднего давления до высокого давления, которое присутствует в отбирающем тепло теплообменнике, перепад давления на компрессоре пара высокого давления обычно составляет существенно меньшую величину. Может использоваться один или множество компрессоров пара высокого давления. Обычно достаточно использовать один компрессор пара высокого давления. Компрессор пара высокого давления может представлять собой управляемый компрессор.
Контур охлаждения может дополнительно содержать расширительное устройство среднего давления и сепаратор пара промежуточного давления, в котором расширительное устройство среднего давления соединено с жидкостным участком сепаратора пара среднего давления, жидкостной участок сепаратора пара промежуточного давления соединен с потребителем охлаждения с низкой температурой, а паровой участок сепаратора пара промежуточного давления соединен с модулем компрессора. Такое дополнительное расширительное устройство среднего давления и объединенный сепаратор пара промежуточного давления могут дополнительно понижать температуру и давление в хладагенте перед тем, как он окончательно будет направлен потребителю охлаждения с низкой температурой, и размеры потребителя охлаждения с низкой температурой могут быть дополнительно уменьшены. Следует отметить, что вместе с уменьшением размера соответствующего потребителя охлаждения уменьшение температуры и давления, обеспечиваемое при разделении пара – жидкости, также позволяет использовать существенно меньшие размеры трубопроводов, ведущих к соответствующему потребителю охлаждения.
Модуль компрессора может дополнительно содержать промежуточный компрессор между паровым участком сепаратора пара промежуточного давления и набором компрессора среднего давления. Аналогично компрессору пара высокого давления промежуточный компрессор обеспечивает сжатие только с ограниченным перепадом давления по сравнению с набором компрессора низкого давления. В частности, это относится к случаю, когда компрессор работает только между промежуточным уровнем давления и средним уровнем давления. И снова может быть предусмотрено множество промежуточных компрессоров. При этом можно использовать управляемый промежуточный компрессор.
Контур охлаждения может дополнительно содержать клапан с регулируемым давлением между паровым участком сепаратора пара промежуточного давления и модулем компрессора и промежуточным компрессором соответственно.
Контур охлаждения может дополнительно содержать датчик перегрева, объединенный с выходом потребителя охлаждения с низкой температурой и соединенный с блоком управления для обеспечения перегрева хладагента. Блок управления может представлять собой блок управления локальным перегревом, который управляет расширительным клапаном потребителя охлаждения и т.д., но который также может представлять собой блок управления контуром охлаждения в целом.
В контуре охлаждения может использоваться хладагент, который работает также в сверхкритических условиях, например СO2.
Другой вариант воплощения изобретения относится к устройству охлаждения, содержащему контур охлаждения в соответствии с вариантом воплощения настоящего изобретения. Устройство охлаждения может представлять собой систему охлаждения для супермаркета, промышленную систему охлаждения и т.д. В случае системы охлаждения для супермаркета потребитель (потребители) охлаждения со средней температурой могут представлять собой витрины и тому подобное, например для молочных продуктов, мяса, овощей и фруктов, со средним уровнем охлаждения меньше чем 10°С и до приблизительно 0°С. Потребитель (потребители) охлаждения с низкой температурой могут представлять собой морозильные камеры с уровнем охлаждения -20°С и ниже.
Еще один вариант воплощения настоящего изобретения относится к способу работы комбинированной среды и контура охлаждения с низкой температурой, предназначенного для циркуляции хладагента в заданном направлении потока, причем контур охлаждения содержит в направлении потока отбирающий тепло теплообменник, потребитель охлаждения со средней температурой, потребитель охлаждения с низкой температурой и модуль компрессора, каждый из которых имеет входное отверстие и выходное отверстие соответственно, в котором способ содержит следующие этапы:
(a) отделяют жидкий хладагент среднего давления, поступающий из выходного отверстия потребителя охлаждения с низкой температурой, от газообразного хладагента, поступающего из того же выходного отверстия;
(b) направляют газообразный хладагент среднего давления в направлении входного отверстия модуля компрессора; и
(c) направляют жидкий хладагент среднего давления в направлении входного отверстия потребителя охлаждения с низкой температурой.
Способ может дополнительно содержать следующие этапы, на которых:
(d) отделяют жидкий хладагент высокого давления, поступающий из выходного отверстия отбирающего тепло теплообменника, от газообразного хладагента, поступающего из того же выходного отверстия;
(e) направляют газообразный хладагент высокого давления в направлении входного отверстия модуля компрессора; и
(f) направляют жидкий хладагент высокого давления в направлении входного отверстия потребителя охлаждения с низкой температурой.
Способ может дополнительно содержать перед этапом (d) этап расширения хладагента высокого давления, поступающего из отбирающего тепло теплообменника, и предпочтительно этап регулирования давления газообразного хладагента высокого давления.
Способ может дополнительно содержать следующие этапы, на которых:
(g) расширяют жидкий хладагент среднего давления до промежуточного давления;
(h) отделяют жидкий хладагент промежуточного давления от газообразного хладагента промежуточного давления;
(i) направляют газообразный хладагент промежуточного давления в направлении входного отверстия модуля компрессора; и
(j) направляют жидкий газообразный хладагент промежуточного давления в направлении потребителя охлаждения с низкой температурой и предпочтительно регулируют давление газообразного хладагента промежуточного давления; и предпочтительно
(k) управляют перегревом газообразного хладагента низкого давления, поступающего во входное отверстие модуля компрессора.
Варианты воплощения настоящего изобретения более подробно описаны ниже со ссылкой на чертежи, на которых:
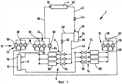
на фиг.1 показан комбинированный контур охлаждения со средней и с низкой температурой в соответствии с первым вариантом воплощения настоящего изобретения;
на фиг.2 показан комбинированный контур охлаждения со средней и с низкой температурой в соответствии со вторым вариантом воплощения.
На фиг.1 показан комбинированный контур 2 охлаждения со средней и низкой температурой, предназначенный для циркуляции хладагента в заданном направлении потока, которое обозначено стрелками, содержащий в направлении потока отбирающий тепло теплообменник 4, множество потребителей 6 охлаждения со средней температурой, сепаратор 8 пара среднего давления, имеющий паровой участок 10 и жидкостной участок 12, множество потребителей 14 охлаждения с низкой температурой, а также модуль 16 компрессора. Модуль 16 компрессора содержит множество отдельных компрессоров 18, некоторые из которых сгруппированы вместе с наборами компрессора, такими как 2-каскадный набор компрессора низкого давления, содержащий набор 20 компрессора низкого давления первого каскада и набор 22 компрессора низкого давления второго каскада. Имеется также набор 24 компрессора среднего давления, входное отверстие 26 которого соединено с паровым участком 10 сепаратора 8 пара среднего давления. Компрессоры и наборы компрессоров все могут быть установлены в одном и том же месте, но также могут быть расположены в разных местах в пределах контура 2. Выходные отверстия 28 и 30 набора 22 компрессора низкого давления второго каскада и набора 24 компрессора среднего давления соединены с входным отверстием 32 отбирающего тепло теплообменника 4. Отбирающий тепло теплообменник 4 может быть построен на основе обычного конденсатора в случае обычного хладагента и может представлять собой охладители газа в случае хладагента, который, по меньшей мере, частично работает в сверхкритических условиях.
Сепаратор 34 пара высокого давления, имеющий паровой участок 36 и жидкостной участок 38, предусмотрен между отбирающим тепло теплообменником 4 и потребителями 6 охлаждения со средней температурой. В частности, паровой участок 36 сепаратора 34 пара высокого давления соединен с выходным отверстием 40 отбирающего тепло теплообменника 4 через выходную линию 42 теплообменника. Расширительное устройство 44 расположено в выходной линии 42 теплообменника. Жидкостной участок 38 сепаратора 34 пара высокого давления соединен с потребителями 6 охлаждения со средней температурой с помощью линии 46 жидкости под высоким давлением. Паровой участок 36 сепаратора 34 пара высокого давления соединен с использованием линии 48 пара высокого давления с компрессором 50 пара высокого давления. Клапан 52 с регулируемым давлением расположен в линии 58 пара высокого давления. Каждый из потребителей 6 и 14 охлаждения со средней и низкой температурой соответственно могут содержать, по меньшей мере, одно устройство 54 и 56 расширения соответственно и, по меньшей мере, один испаритель 58 и 60 соответственно. Конечно, они могут представлять как одиночного потребителя, так и множество потребителей охлаждения со средней и низкой температурой соответственно.
Как отмечено выше, модуль 16 компрессора содержит множество наборов 20, 22 и 24 компрессора, а также отдельные компрессоры 18, 50. Модуль 16 компрессора содержит множество входных отверстий с различными уровнями давления, при этом входные отверстия 62 набора 20 компрессора первого каскада набора 20, 22 компрессора низкого давления имеют самый низкий уровень давления, входное отверстие 26 набора 24 компрессора среднего давления имеет более высокий уровень среднего давления и входное отверстие 64 компрессора 50 пара высокого давления имеет по сравнению с остальными самый высокий уровень давления.
Ниже будет описана работа контура охлаждения в соответствии с фиг.1, со ссылкой на контур 2 охлаждения СО2. Во время работы давление хладагента в отбирающем тепло теплообменнике 4 может составлять до 120 бар и обычно составляет приблизительно 85 бар в “летнем режиме” и приблизительно 45 бар в “зимнем режиме”. Хладагент, протекающий через выходную линию 42 теплообменника, расширяется в расширительном клапане 44, который понижает давление до уровня приблизительно 30-40 бар и предпочтительно 36 бар, причем такое давление обычно не зависит от “зимнего режима” и “летнего режима”.
Приемник высокого давления или сепаратор 34 пара высокого давления собирает и отделяет жидкий и газообразный хладагент в жидкий и паровой участки 38 и 36 соответственно. Линия 46 жидкости высокого давления направляет жидкий хладагент из жидкой части 38 в расширительное устройство 54 потребителей 6 охлаждения со средней температурой.
Потребители 6 охлаждения со средней температурой охлаждаются приблизительно до уровня от 1 до 10°С. Они могут быть скомпонованы или ими можно управлять таким образом, что хладагент, состоящий их двух фаз, будет присутствовать в их выходном отверстии. Такой состоящий из двух фаз хладагент, подают в сепаратор 8 пара среднего давления, где его собирают и отделяют в паровой участок 10 и жидкостной участок 12 соответственно. Газообразный хладагент из парового участка 10 направляют во входное отверстие 26 компрессора 24 среднего давления. Входное давление обычно составляет от 20 до 30 бар и приблизительно равно 26 бар, в результате получают температуру хладагента приблизительно -10°С у потребителей 6 охлаждения со средней температурой. Линия 66 высокого давления возвращает сжатый, горячий, газообразный хладагент в отбирающей тепло теплообменник 4. Аналогично газообразный хладагент из парового участка 36 сепаратора 34 пара высокого давления направляют через линию 48 пара высокого давления и клапан 52 с регулируемым давлением во входное отверстие 64 компрессора 50 пара высокого давления и возвращают в линию 66 высокого давления к отбирающему тепло теплообменнику 4.
Жидкий хладагент из жидкостного участка 12 сепаратора 8 пара средней температуры направляют к потребителям 14 охлаждения с низкой температурой и через них. Потребители 14 охлаждения с низкой температурой скомпонованы или ими управляют таким образом, чтобы получать перегретый газообразный хладагент только во входном отверстии 68 первого каскада набора 20 компрессора низкой температуры. Датчик перегрева (не показан) может быть соединен с выходом потребителей 14 охлаждения с низкой температурой или с входным отверстием 68 набора 20 компрессора низкой температуры первого каскада для того, чтобы обеспечить отсутствие жидкого хладагента, поступающего в набор 20 компрессора низкой температуры первого каскада. В соответствии с этим и/или в качестве альтернативы внутренний теплообменник (не показан) может быть предусмотрен между потребителями 14 охлаждения с низкой температурой и входным отверстием 68.
Давление во входном отверстии 68 обычно составляет от 8 до 20 бар и предпочтительно равно приблизительно 12 бар, в результате чего получают температуру хладагента приблизительно -37°С у потребителей 14 охлаждения с низкой температурой.
И снова газообразный хладагент возвращают через компрессор 26 и 22 низкого давления соответственно и линию 66 высокого давления к отбирающему тепло теплообменнику 4.
Вариант воплощения по фиг.2 соответствует, по существу, варианту воплощения, представленному на фиг.1. В связи с этим соответствующие элементы обозначены соответствующими номерами ссылочных позиций. Основное отличие между двумя вариантами воплощения связано с разным направлением жидкого хладагента, отводимого от жидкостного участка 12 сепаратора 8 пара средней температуры по сравнению с фиг.1. В частности, расширительное устройство 70 среднего давления и сепаратор 72 пара промежуточного давления, имеющий паровой участок 74 и жидкостной участок 76, дополнительно расположены последовательно за сепаратором 8 пара средней температуры. Кроме того, промежуточный клапан 78 с регулируемым давлением так же, как и промежуточный компрессор 80, соединяет паровой участок 74 сепаратора 72 пара промежуточного давления с уровнем промежуточного давления между набором 20 компрессора низкого давления первого каскада и набором 22 компрессора низкого давления второго каскада. И снова промежуточный компрессор 80 может представлять собой один компрессор или множество компрессоров и может дополнительно представлять собой управляемый компрессор. Перепад давлений на промежуточном компрессоре 80, по существу, меньше, чем разность давления на наборе 20 компрессора низкого давления первого каскада. Значения давления и температуры, по существу, находятся на том же уровне, что и в первом варианте воплощения по фиг.1, и для промежуточного сепаратора 72 пара температура насыщения приблизительно равна половине между низкой температурой и упомянутыми средними температурами испарителя.
Клапаны 52 и 78 с регулируемым давлением обеспечивают возможность удержания или управления подачей обратного давления в расширительные клапаны для средней и низкой температуры.
Формула изобретения
1. Комбинированный контур (2) охлаждения со средней и низкой температурой, предназначенный для циркуляции хладагента в заданном направлении потока, содержащий в направлении потока (a) отбирающий тепло теплообменник (4); (b) потребитель (6) охлаждения со средней температурой; (c) сепаратор (8) пара среднего давления, имеющий паровой участок (10) и жидкостной участок (12), соединенный с потребителем (6) охлаждения со средней температурой; (d) потребитель (14) охлаждения с низкой температурой; и (e) модуль (16) компрессора, входное отверстие которого соединено с паровым участком (10) сепаратора (8) пара среднего давления и потребителем (14) охлаждения с низкой температурой; дополнительно содержащий расширительное устройство (70) среднего давления и сепаратор (72) пара промежуточного давления, причем расширительное устройство (70) среднего давления соединено с жидкостным участком (12) сепаратора (8) пара среднего давления, жидкостной участок (76) сепаратора (72) пара промежуточного давления соединен с потребителем (14) охлаждения с низкой температурой, а паровой участок (74) сепаратора (72) пара промежуточного давления соединен с модулем (16) компрессора.
2. Контур (2) охлаждения по п.1, дополнительно содержащий сепаратор (34) пара высокого давления, имеющий паровой участок (36) и жидкостной участок (38) между отбирающим тепло теплообменником (4) и потребителем (6) охлаждения со средней температурой, паровой участок (36) которого соединен с входным отверстием модуля (16) компрессора, а жидкостной участок (38) которого соединен с потребителем (6) охлаждения со средней температурой.
3. Контур (2) охлаждения по п.2, дополнительно содержащий расширительное устройство (44) между отбирающим тепло теплообменником (4) и сепаратором (34) пара высокой температуры.
4. Контур (2) охлаждения по п.2 или 3, дополнительно содержащий клапан (52) с регулируемым давлением, установленный в линию (48) между паровым участком (36) сепаратора (34) пара высокого давления и модулем (16) компрессора.
5. Контур (2) охлаждения по п.1, в котором потребитель (6; 14) охлаждения содержит, по меньшей мере, одно расширительное устройство (54; 56) и, по меньшей мере, один испаритель (58; 60).
6. Контур (2) охлаждения по п.1, в котором модуль (16) компрессора содержит набор (20, 22) компрессора низкого давления, набор (24) компрессора среднего давления и компрессор (50) пара высокого давления, причем набор компрессора низкого давления соединен с потребителем (14) охлаждения с низкой температурой, набор (24) компрессора среднего давления соединен с паровым участком сепаратора (8) пара среднего давления, а компрессор (50) пара высокого давления соединен с паровым участком (36) сепаратора (34) пара высокого давления.
7. Контур (2) охлаждения по п.1, в котором модуль (16) компрессора дополнительно содержит промежуточный компрессор (80) между паровым участком (36) сепаратора (72) пара промежуточного давления и набором (24) компрессора среднего давления.
8. Контур (2) охлаждения по п.1, дополнительно содержащий клапан (78) с регулируемым давлением между частью (74) пара сепаратора (72) пара промежуточного давления и модулем (16) компрессора.
9. Контур (2) охлаждения по п.1, дополнительно содержащий датчик перегрева, соединенный с выходом потребителя (14) охлаждения с низкой температурой и соединенный с управлением для обеспечения перегрева хладагента.
10. Контур (2) охлаждения по п.1, в котором хладагент представляет собой СO2.
11. Устройство охлаждения, содержащее контур (2) охлаждения по любому из пп.1-10.
12. Способ работы комбинированного контура (2) охлаждения со средней и низкой температурой, предназначенного для циркуляции хладагента в заданном направлении потока, причем контур (2) охлаждения содержит в направлении потока отбирающий тепло теплообменник (4), потребитель (6) охлаждения со средней температурой, потребитель (14) охлаждения с низкой температурой и модуль (16) компрессора, каждый из которых имеет входное отверстие и выходное отверстие соответственно, в котором способ содержит следующие этапы, на которых: (a) отделяют жидкий хладагент среднего давления, поступающий из выходного отверстия потребителя (6) охлаждения со средней температурой, от газообразного хладагента, поступающего из того же выходного отверстия; (b) направляют газообразный хладагент среднего давления в направлении входного отверстия модуля (16) компрессора; (c) расширяют жидкий хладагент среднего давления до промежуточного давления; (d) отделяют жидкий хладагент промежуточного давления от газообразного хладагента промежуточного давления; (e) направляют газообразный хладагент промежуточного давления в направлении входного отверстия модуля (16) компрессора; и (f) направляют жидкий газообразный хладагент промежуточного давления в направлении потребителя (14) охлаждения с низкой температурой.
13. Способ по п.12, дополнительно содержащий следующие этапы, на которых: b ) отделяют жидкий хладагент высокого давления, поступающий из выходного отверстия отбирающего тепло теплообменника (4), от газообразного хладагента, поступающего из того же выходного отверстия; b ) направляют газообразный хладагент высокого давления в направлении входного отверстия модуля (16) компрессора; и b  ) направляют жидкий хладагент высокого давления в направлении входного отверстия потребителя (6) охлаждения со средней температурой.
14. Способ по п.13, дополнительно содержащий перед этапом (b ) этап расширения хладагента высокого давления, поступающего из отбирающего тепло теплообменника (4).
15. Способ по п.13 или 14, дополнительно содержащий этап регулирования давления газообразного хладагента высокого давления.
16. Способ по п.12, дополнительно содержащий этап регулирования давления газообразного хладагента промежуточного давления.
17. Способ по п.12, дополнительно содержащий этап, на котором: (g) управляют перегревом газообразного хладагента низкого давления, поступающего во входное отверстие модуля (16) компрессора.
18. Способ по п.12, в котором модуль (16) компрессора содержит набор (20, 22) компрессора низкого давления, набор (24) компрессора среднего давления, компрессор (50) пара высокого давления и компрессор (80) промежуточного давления, и в котором газообразный хладагент, поступающий от потребителя (14) охлаждения с низкой температурой, направляют в набор (20, 22) компрессора низкого давления, газообразный хладагент среднего давления направляют в набор (24) компрессора среднего давления, газообразный хладагент высокого давления направляют в компрессор (50) пара высокого давления, и газообразный хладагент промежуточного давления направляют в компрессор (80) промежуточного давления.
РИСУНКИ
|
|