|
(21), (22) Заявка: 2005102765/06, 31.01.2005
(24) Дата начала отсчета срока действия патента:
31.01.2005
(30) Конвенционный приоритет:
12.02.2004 EP 04425093.4
(43) Дата публикации заявки: 10.07.2006
(46) Опубликовано: 27.12.2009
(56) Список документов, цитированных в отчете о поиске:
US 2002192085 A1, 19.12.2002. SU 1809253 A1, 15.04.1993. SU 1809252 A1, 15.04.1993. DE 3508049 A1, 11.09.1986. US 2003178966 A1, 25.09.2003.
Адрес для переписки:
190068, Санкт-Петербург, ул. Садовая, 51, офис 303, ООО “ПАТЕНТИКА”, пат.пов. М.А.Можайскому, рег. 488
|
(72) Автор(ы):
МАРИОНИ Элио (IT)
(73) Патентообладатель(и):
Аскол Холдинг С.р.л. (IT)
|
(54) ЦИРКУЛЯЦИОННЫЙ НАСОС ДЛЯ СИСТЕМ ОТОПЛЕНИЯ И/ИЛИ КОНДИЦИОНИРОВАНИЯ, СПОСОБ ОПРЕДЕЛЕНИЯ ПАРАМЕТРА, ХАРАКТЕРНОГО ДЛЯ ТАКОЙ СИСТЕМЫ, И САМА СИСТЕМА
(57) Реферат:
Система 1 отопления и/или кондиционирования содержит главный гидравлический контур 6 и дополнительный гидравлический контур 9 и имеет по меньшей мере один циркуляционный насос 2 для рабочей жидкости, приводимый в действие электродвигателем и управляемый электронным управляющим устройством 10. Способ определения параметра, характерного для такой системы 1, включает начальное измерение расхода циркулирующей рабочей жидкости, которое проводят непосредственно за насосом 2 при отсутствии ее подачи. Последующее измерение расхода циркулирующей рабочей жидкости проводят только в дополнительном гидравлическом контуре 9, причем указанные первое и второе измерение проводят с помощью средств, связанных с управляющим устройством 10 насоса 2, с обеспечением создания выходного сигнала, соответствующего процентному содержанию незамерзающей примеси в циркулирующей рабочей жидкости или изменению теплопроизводительности системы. Группа изобретений направлена на обеспечение возможности получения информации о состоянии системы и регулирования режима работы системы, например, в зависимости от процентного содержания незамерзающей примеси в рабочей жидкости системы. 3 н. и 8 з.п. ф-лы, 1 табл., 4 ил.
Область применения изобретения
Настоящее изобретение в целом относится к циркуляционному насосу для рабочей жидкости, например к насосу, устанавливаемому в системе отопления и/или кондиционирования.
Изобретение также относится к способу измерения параметра, который является характерным для этой системы, при этом последующее описание относится к указанной области применения и призвано упростить объяснение сущности изобретения.
Уровень техники
Специалистам в данной области техники хорошо известно, что в циркуляционных насосах для рабочей жидкости, устанавливаемых в системах отопления и/или кондиционирования и обычно называемых циркуляторами, как правило, используются электродвигатели асинхронного типа с обмоткой и фазовой подстройкой.
Скорость таких насосов регулируют с помощью блока управления на основе мгновенных значений, которые принимают переменные, измеряемые во всей системе установленными в ней датчиками, в частности датчиками расхода, температуры и давления циркулирующей жидкости.
Например, для асинхронных двигателей, обычно используемых при изготовлении циркуляторов, необходимо наличие соответствующей силовой электронной схемы для приведения в действие двигателя и регулирования режимов его работы, а также сигнальной электронной схемы для определения, например, скорости вращения двигателя или его фазы.
Несмотря на то, что циркуляторы, в которых используются асинхронные электродвигатели, имеют различные преимущества, им также свойственны известные недостатки, основные из которых перечислены ниже:
– недостаточная точность при изменении скорости из-за наличия обмотки и фазовой подстройки, и это создает вибрацию, вызывающую как акустические, так и электрические шумы;
– невысокий уровень надежности работы циркулятора, так как он зависит от корректной работы расположенных в системе датчиков.
Только в последние годы циркуляторы с установленными в них синхронными электродвигателями, имеющими ротор с постоянными магнитами, начали завоевывать успех на рынке.
Синхронные двигатели имеют преимущества, заключающиеся в простоте конструкции и сборки, а также в умеренной стоимости.
Использование синхронных двигателей подразумевает решение некоторых проблем, связанных с приведением их в действие и вызванных тем, что для соответствующего регулирования скорости и изменений направления вращения двигателя магнитный поток возбуждения, являющийся постоянным благодаря постоянным магнитам, требует относительно высокого токопоглощения обмоткой статора.
Кроме того, для ограничения тока в одном витке с обеспечением предотвращения риска размагничивания необходимо дальнейшее деление полюсов статора.
Эти особенности синхронного двигателя требуют при его управлении применения некоторых приемов, в особенности в тех случаях, когда может произойти внезапное или постепенное изменение нагрузки.
Это свойственно, например, системе отопления и/или кондиционирования, выполненной с замкнутым гидравлическим контуром, в котором протекает жидкость, содержащая незамерзающие примеси, которые могут присутствовать в существенном количестве. Это часто бывает, когда система должна работать в условиях сильных холодов, например в северных странах.
В связи с этим существует потребность в периодической проверке хорошей работы системы, чтобы в случае необходимости можно было добавить незамерзающие примеси или отрегулировать расход рабочей жидкости в соответствии с потребностью в тепле, которая является функцией от внутренней и/или внешней температуры.
В US 2002/0192085 раскрыта система жидкостной циркуляции, содержащая первый и второй гидравлические контуры. Циркуляционный насос в этой системе подает рабочую жидкость и дозированные примеси. Однако этот насос не имеет привода от синхронного электродвигателя с электронным управлением. Насос для дозированной подачи примесей (определенного количества жидкости), имеющий привод от синхронного электродвигателя, известен из US 4702674. Однако в этом документе не раскрывается порядок определения состояния рабочей системы и соответствующего регулирования ее работы.
В основе настоящего изобретения лежит техническая проблема, заключающаяся в создании циркуляционного насоса для рабочей жидкости, устанавливаемого в системе отопления и/или кондиционирования и имеющего такие конструкцию и рабочие характеристики, которые позволяют предоставлять информацию о состоянии этой системы путем определения например, процентного содержания примеси в рабочей жидкости системы и тем самым позволяют регулировать режим работы системы.
Сущность изобретения
Решение поставленной проблемы в соответствии с изобретением обеспечено путем создания циркуляционного насоса для рабочей жидкости описанного выше типа и отличающегося тем, что он содержит выход сигнала из управляющей электронной схемы для получения величины, соответствующей процентному содержанию примеси в рабочей жидкости системы.
Изобретение также относится к способу измерения параметра, который является характерным для системы отопления, как указано в пункте 4 формулы изобретения.
Дополнительные характеристики и преимущества предложенных циркуляционного насоса и способа измерения вытекают из нижеследующего описания варианта выполнения изобретения, приведенного со ссылками на приложенные чертежи и являющегося иллюстративным примером, не ограничивающим объема изобретения.
Краткое описание чертежей
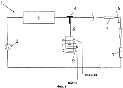
Фиг.1 изображает схему системы отопления, в которой установлен циркуляционный насос, выполненный в соответствии с изобретением;
фиг.2 схематично изображает синхронный электродвигатель для приведения в действие насоса, который показан на фиг.1 и который в соответствии с изобретением содержит средства определения процентного содержания примеси в рабочей жидкости системы;
фиг.3 изображает блок-схему электронного управляющего устройства для управления работой насоса; и
фиг.4 схематично изображает предложенный насос с электронным управляющим устройством.
Подробное описание предпочтительного варианта выполнения
На чертежах в целом представлена система 1 отопления и/или кондиционирования, которая имеет циркуляционный насос 2 для рабочей жидкости, выполненный в соответствии с настоящим изобретением.
Преимущественно насос 2 является синхронным, то есть он приводится во вращение синхронным электродвигателем 12, содержащим ротор 14 с постоянными магнитами. Внутренняя конструкция электродвигателя 12 для приведения в действие насоса, представленная на фиг.2, описана ниже.
Система 1 содержит замкнутый гидравлический контур 6, который ниже называется главным и который включает нагревательные элементы 7.
Контур 6 последовательно содержит синхронный насос 2, главный теплообменник 3, а именно бойлер, и нагревательные элементы 7.
Параллельно части контура, где расположены нагревательные элементы 7, расположен дополнительный теплообменник 5, который подает тепло в сантехнический контур 9, например в контур подачи горячей воды для бытовых нужд. Теплообменник 5 является частью дополнительного замкнутого гидравлического контура 8.
В соединительном узле, который расположен между главным 6 и дополнительным 8 контурами и от которого ответвляются участки трубопровода, параллельные участку контура, в котором расположены элементы 7, расположен трехходовой клапан 4 с сервоприводом.
В соответствии с изобретением процентное содержание незамерзающих примесей можно определять преимущественно на основе определения гидродинамических параметров жидкости, проходящей через насос 2.
Другими словами, насос 2 обеспечивает возможность создания электрических сигналов, соответствующих процентному содержанию примесей в системе.
В частности, на фиг.3 показано электронное управляющее устройство 10, выполненное в соответствии с настоящим изобретением, предназначенное для определения процентного содержания незамерзающих примесей в рабочей жидкости системы 1.
Устройство 10 также выполнено с возможностью определения расхода рабочего тела в насосе 2, приводимом в действие синхронным электродвигателем 12. Показанный на фиг.3 электродвигатель 12 содержит ротор 14 с постоянным магнитом, приводимый во вращение электромагнитным полем, создаваемым статором 16, имеющим полюсные башмаки 18 с соответствующими обмотками.
Устройство 10 содержит датчик 20 магнитного потока ротора 14, например датчик Холла, расположенный на статоре 16 вблизи ротора 14. Датчик 20 соединен с процессорным блоком 22, выполненным, например, в виде контроллера или центрального процессора и выводящим величину расхода в насосе.
В соответствии с настоящим изобретением для определения расхода Q в насосе, приводимом в действие электродвигателем 12, используется блок 22 устройства 10, с которым связано запоминающее устройство для хранения экспериментальных данных о соотношении между величинами расхода и соответствующими значениями рабочей переменной электродвигателя насоса, например угла нагрузки.
На практике в соответствии с изобретением можно определять расход Q потока жидкости, циркулирующей в насосе 2, приводимом в действие электродвигателем 12, во время его работы в установившемся режиме, измеряя рабочую переменную насоса, в частности измеряя угол нагрузки или задержку.
Хорошо известно, что угол нагрузки представляет собой фазовый сдвиг между напряжением, подаваемым на концы электродвигателя 12, и противодействующей электродвижущей силой, вызываемой суммой влияния магнитного потока статора 16 и магнитного потока, вызываемого вращением постоянного магнита двигателя 14.
При изменении нагрузки, приложенной к оси насоса, соединенного с электродвигателем 12, также изменяется момент сопротивления, приложенный к ротору 14 электродвигателя 12. Тем самым изменяется угол сдвига между противодействующей электродвижущей силой и напряжением в сети, который и является углом нагрузки.
Увеличение угла нагрузки пропорционально увеличению расхода Q в насосе, и эта пропорциональность на некоторых интервалах является прямой. Например, при линеаризации этого соотношения увеличение расхода предполагает пропорциональное увеличение угла нагрузки, и наоборот, уменьшение расхода соответствует уменьшению угла нагрузки.
В соответствии с изобретением соотношение между величинами расхода и соответствующими величинами угла нагрузки задается, то есть это соотношение может определяться экспериментальным путем, а также путем теоретического моделирования или компьютерного моделирования, предпочтительно в ходе калибровки, как правило, выполняемой при изготовлении насоса.
Более подробно, как показано на фиг.3, блок 22, помимо того, что он соединен с датчиком 20, получает также сигнал 24 синхронности сети и сигнал, пропорциональный действующей величине напряжения 26 в сети.
Если датчик 20 является датчиком Холла, измеряют пик магнитного потока ротора 14. Принимая во внимание, что этот пик отстает от противодействующей электродвижущей силы на 90°, точно определяют угол нагрузки как фазовый сдвиг между напряжением, прикладываемым к концам электродвигателя 12 и известным благодаря сигналу 24, и противодействующей электродвижущей силой, вызываемой суммарным влиянием магнитного потока статора 16 и магнитного потока, созданного вращением постоянного магнита ротора 14.
Таким образом, в блоке 22 определяют фазовый сдвиг , принимая в качестве опорного сигнала сигнал 24, который является сигналом прямоугольной формы и в котором восходящие и нисходящие ветви совпадают с прохождением напряжения в сети через нулевые значения.
Следует отметить, что цифровой датчик 20 Холла выдает сигнал прямоугольной формы, в котором нарастающий фронт и задний фронт совпадают с переменой полярности постоянного магнита ротора 14 во время вращения.
Время, проходящее между фронтом сигнала 24 и фронтом сигнала датчика 20, который является сигналом положения ротора 14, пропорционально углу нагрузки.
Однако это время изменяется в соответствии с расходом, напряжением питания электродвигателя 12 и рабочей температурой магнита ротора 14.
В этом случае следует уточнить, что зависимость угла от расхода связана с электрофизическими характеристиками насоса. Вне зависимости от конструктивных аспектов (таких как гидравлика, обмотка статора и механические части), которые в хорошо зарекомендовавших себя изделиях влияют на угол главным образом в пределах производственных допусков, то есть небольших и относительно постоянных величин, имеются другие важные параметры, непосредственно влияющие на изменение угла нагрузки, а именно напряжение в сети и температура магнита ротора 14. Для насоса с синхронным электродвигателем 12, ротор 14 которого погружен в рабочую жидкость, температура магнита соответствует температуре этой рабочей жидкости.
Если напряжение в сети уменьшается, также уменьшается интенсивность магнитного потока, создаваемого статором 16, следствием чего является недовозбуждение электродвигателя 12.
Недовозбуждение электродвигателя 12 затрудняет поддержание в нем состояния синхроннности и воспринимается как увеличение рабочей нагрузки. Прямым следствием этого является увеличение угла нагрузки.
И наоборот, увеличение напряжения в сети предполагает перевозбуждение электродвигателя 12 и таким образом уменьшение угла нагрузки.
Таким образом, гидравлический расход Q циркулирующей рабочей жидкости получают исходя из рабочих условий синхронного электродвигателя, предназначенного для приведения в действие насоса 2.
Температуру рабочей жидкости также можно определять исходя из рабочих условий синхронного электродвигателя, предназначенного для приведения в действие насоса 2.
Зависимость от температуры рабочей жидкости обусловлена тем, что ферромагнитный материал, из которого изготовлен ротор 14, имеет остаточную магнитную индукцию BR, которая изменяется в соответствии с температурой.
Повышение рабочей температуры магнита ротора 14 способствует уменьшению остаточной магнитной индукции ВR, что, в свою очередь, снижает интенсивность связанного с ней магнитного потока, вследствие чего электродвигатель 12 приходит в состояние, аналогичное состоянию, имеющему место при уменьшении напряжения питания.
Таким образом, увеличение температуры вызывает увеличение угла нагрузки и наоборот.
Чтобы определить, чем обусловлено изменение угла нагрузки, напряжением питания или изменением расхода в насосе, используют сигнал, пропорциональный действующему значению напряжения 26 в сети.
Этот сигнал 26 может быть, например, получен из сигнала 30 напряжения в сети с помощью преобразующего блока 28, например схемы преобразования напряжения. Благодаря сигналу 26 блок 22 может вернуться к величине, обеспечивающей эффективную подачу. Таким образом, блок 22 способен выдавать сигнал, пропорциональный гидравлическому расходу и совершенно не зависящий от напряжения питания.
Далее, чтобы определить, чем обусловлено изменение угла нагрузки, тепловым дрейфом или изменением расхода в насосе, необходимо использовать аналоговый датчик 20А Холла.
Этот датчик не только обеспечивает возможность слежения за сменой полярности магнита ротора 14, но и может выдавать синусоидальный сигнал, ширина которого пропорциональна остаточной индукции BR ферромагнитного материала, из которого изготовлен ротор 14.
Поскольку указанная остаточная индукция BR постоянного магнита напрямую зависит от рабочей температуры, благодаря синусоидальному сигналу, выдаваемому аналоговым датчиком 20А, блок 22 может также отличить изменение угла нагрузки в результате изменения расхода от изменения угла нагрузки в результате изменения температуры.
В сущности выходной сигнал 34, соответствующий расходу Q, выдается пропорционально данным измерителя 32 угла , встроенного в блок 22, и таким образом пропорционально гидравлическому расходу, на основе обработки по таблице, заданной экспериментально определенными величинами.
По сути благодаря блоку 22 устройства 10 можно получать следующие данные и выполнять следующую обработку электрических сигналов:
– получение текущих значений угла нагрузки, напряжения в сети и температуры магнита ротора 14;
– сравнение текущей величины указанного угла с величинами, хранящимися в заранее заданной таблице корреляции с величинами расхода;
– возможную поправку величин расхода в соответствии со значениями напряжения в сети и/или температуры магнита ротора и определение текущей величины расхода.
В соответствии с настоящим изобретением можно также определять процентное содержание примеси в рабочей жидкости, циркулирующей в системе 1. Это процентное содержание определяют косвенным путем, начиная с мгновенных рабочих условий электродвигателя 12, предназначенного для приведения в действие насоса 2.
Таким образом, блок 22 может создавать дополнительный выходной сигнал 35, например как показано на фиг.4, для получения величины, соответствующей процентному содержанию примеси в рабочей жидкости.
Как указано выше, процентное содержание примеси является особенно важной информацией, так как незамерзающие примеси, как правило, вводят в существенном объеме, например до 40%.
Более того, эффективность системы зависит как от теплообменников 3 и 5 контуров 6 и 9, так и от процентного содержания незамерзающих примесей. Фактически, добавление незамерзающих примесей может увеличить вязкость рабочей жидкости на 20%, что явно влияет на энергетическую эффективность системы.
Это также означает, что известному процентному содержанию примеси также соответствует заданный энергетический КПД системы 1. Следовательно, зная процентное содержание примеси, можно также с помощью дополнительных средств получать информацию о КПД системы 1.
Например, ниже приведена таблица, в которой представлена связь между удельной теплоемкостью жидкости при нескольких значениях рабочей температуры и процентным содержанием примеси, в качестве которой используется этиленгликоль.
Таблица
| Темп. F (°С) |
Процентное содержание этиленгликоля |
 |
0% |
10% |
20% |
30% |
40% |
| 40 (4,4) |
1,004 |
0,943 |
0,903 |
0,861 |
0,812 |
| 60 (15,6) |
1 |
0,947 |
0,909 |
0,868 |
0,825 |
| 80 (26,7) |
0,998 |
0,952 |
0,915 |
0,876 |
0,834 |
Вязкость циркулирующей рабочей жидкости влияет на потребление электроэнергии синхронным электродвигателем в соответствии с известным соотношением, которое зависит от гидродинамических характеристик насоса 2. Например, можно использовать следующую формулу
m· (1/d)·( 2/2)=Р,
где m – массовый расход,
– коэффициент трения,
1 – приведенная длина гидравлического контура,
d – приведенный диаметр гидравлического контура,
– скорость электродвигателя циркулятора,
Р – потребляемая мощность.
Коэффициент трения, зависящий от числа (Re) Рейнольдса, получают экспериментальным путем в гидравлическом контуре. Число Re зависит, в свою очередь, от вязкости µ жидкости в соответствии с соотношением
Re=1·d· /µ.
Кроме того, вязкость µ циркулирующей рабочей жидкости влияет на коэффициенты теплообмена и, таким образом, на теплопроизводительность теплообменников. Так что изменение этой величины относительно известных начальных условий служит показателем вязкости жидкости.
Для определения величины теплопроизводительности системы 1 при базовых начальных условиях можно использовать начальное измерение, выполненное при закрытой задвижке непосредственно за насосом 2, т.е. при отсутствии подачи рабочей жидкости.
Затем можно выполнять следующее измерение путем обеспечения циркуляции рабочей жидкости только в дополнительной теплообменнике 5 санитарного контура 9.
Для этого можно регулировать клапан 4 с обеспечением запитывания только теплообменника 5. При этом насос 2 работает только для запитывания контура 9.
Теплопроизводительность теплообменника 5 зависит от гидродинамических характеристик самого теплообменника и от вязкости жидкости, при этом можно использовать, например, следующую формулу
q= A t,
где – результирующий коэффициент конвективного теплообмена,
А – приведенная поверхность теплообмена,
t – теплоперепад между впуском и выпуском теплообменника.
Как известно, коэффициент зависит от числа (Nu) Нуссельта в соответствии со следующим отношением
=(Nu· )/d,
где – теплопроводность,
d – приведенный гидравлический диаметр.
Далее
Nu=С·Rem·Рrn,
где С, m и n – экспериментальные коэффициенты,
Re – число Рейнольдса, и Рr – число Прандтля, которые зависят от рабочих характеристик жидкости, таких как вязкость, удельная теплоемкость и теплопроводность.
Зная тип используемой примеси, вязкость жидкости и температуру Т, можно получить из экспериментальных таблиц, где приведено соотношение с мощностью, потребляемой насосом при известных условиях работы контура, а именно при закрытой подаче насоса или, например, при циркуляции, ограниченной только дополнительным контуром теплообменника 5.
Предложенный способ можно также осуществлять с помощью насоса, приводимого в действие асинхронным электродвигателем, имеющим датчики для определения расхода Q рабочей жидкости. Кроме того, в этом случае можно было бы исходя из величины расхода получать сигнал, соответствующий процентному содержанию примеси, с помощью первого измерения при закрытом впуске и последующего измерения в дополнительном гидравлическом контуре.
В сущности предложенный способ позволяет получить информацию о процентном содержании примеси путем использования только насоса в системе 1. Очевидно, что использование синхронного насоса имеет дополнительное преимущество, заключающееся в возможности выполнения измерения без датчиков.
Главное преимущество, обеспечиваемое предложенным циркуляционным насосом для жидкости, состоит в реальной возможности получения выходного сигнала, соответствующего величине процентного содержания примеси в рабочей жидкости системы.
И наоборот, значение выходного сигнала, полученного из управляющей схемы для управления насосом, позволяет получать информацию о состоянии КПД системы 1, если известны другие гидродинамические параметры, такие как расход, рабочая температура и процентное содержание примеси.
Очевидно, что специалист может произвести некоторые модификации описанного выше циркуляционного насоса, соответствующие конкретным потребностям, в пределах объема правовой охраны настоящего изобретения, ограниченного прилагаемой формулой изобретения.
Формула изобретения
1. Циркуляционный насос (2) для рабочей жидкости, в особенности предназначенный для системы (1) отопления и/или кондиционирования, имеющей главный гидравлический контур (6) и дополнительный гидравлический контур (9), приводимый в действие синхронным электродвигателем (12) и управляемый электронным управляющим устройством (10), отличающийся тем, что указанное управляющее устройство (10) содержит процессорный блок (22), на вход которого поступает первый сигнал (24), поступающий от датчика (20) магнитного потока ротора (14), и второй сигнал (24) синхронности сети, а также оснащен запоминающим устройством, предназначенным для хранения экспериментальных данных о соотношении между величинами гидравлического расхода (Q) и рабочей переменной электродвигателя насоса, или связан с этим устройством так, что вырабатывается выходной сигнал, соответствующий процентному содержанию незамерзающей примеси в циркулирующей рабочей жидкости.
2. Насос по п.1, отличающийся тем, что указанная переменная является углом нагрузки, а указанный датчик (20) является цифровым датчиком Холла.
3. Насос по п.1, отличающийся тем, что указанная переменная является углом нагрузки, а указанный датчик (20А) является аналоговым датчиком Холла.
4. Способ измерения параметра, характерного для системы (1) отопления и/или кондиционирования, которая содержит главный гидравлический контур (6) и дополнительный гидравлический контур (9) и которая имеет по меньшей мере один циркуляционный насос (2) для рабочей жидкости, приводимый в действие электродвигателем и управляемый электронным управляющим устройством (10), отличающийся тем, что он включает: начальное измерение расхода циркулирующей рабочей жидкости, которое проводят непосредственно за насосом при отсутствии ее подачи, последующее измерение расхода циркулирующей рабочей жидкости только в дополнительном гидравлическом контуре (9), причем указанные первое и второе измерения проводят с помощью средств, связанных с управляющим устройством (10) насоса (2), с обеспечением создания выходного электрического сигнала, соответствующего процентному содержанию примеси в циркулирующей рабочей жидкости или изменению теплопроизводительности системы.
5. Способ по п.4, отличающийся тем, что насос (2) приводят в действие синхронным электродвигателем (12), имеющим ротор (14) с постоянным магнитом, а указанные первое и второе измерения проводят путем: получения по меньшей мере одной рабочей переменной насоса, сравнения величины этой переменной с заданной таблицей соотношения со значениями гидравлического расхода и определения соответствующего значения расхода.
6. Способ по п.5, отличающийся тем, что в качестве указанной по меньшей мере одной рабочей переменной насоса используют угол нагрузки или задержку, то есть угол фазового сдвига между напряжением в сети, прикладываемым к концам электродвигателя (12), и противодействующей электродвижущей силой, вызываемой суммарным влиянием магнитного потока статора и магнитного потока, создаваемого вращением постоянного магнита ротора (14).
7. Способ по п.6, отличающийся тем, что получают дополнительную рабочую переменную насоса, например температуру магнита ротора.
8. Способ по п.7, отличающийся тем, что определяют сигнал, пропорциональный остаточной индукции ВR ферромагнитного материала ротора (14) и зависящий от рабочей температуры, с помощью датчика (20А) Холла аналогового типа.
9. Способ по п.5, отличающийся тем, что указанную по меньшей мере одну рабочую переменную насоса, в качестве которой используют угол нагрузки или задержку, определяют с помощью цифрового датчика (20) Холла.
10. Способ по п.5, отличающийся тем, что указанную по меньшей мере одну рабочую переменную насоса, в качестве которой используют угол нагрузки или задержку, определяют с помощью аналогового датчика (20А) Холла.
11. Система отопления и/или кондиционирования, содержащая главный гидравлический контур (6) и дополнительный гидравлический контур (9), отличающаяся тем, что она содержит по меньшей мере один циркуляционный насос (2) для рабочей жидкости по п.1.
РИСУНКИ
|