Патент на изобретение №2377378

Published by on




РОССИЙСКАЯ ФЕДЕРАЦИЯ



ФЕДЕРАЛЬНАЯ СЛУЖБА
ПО ИНТЕЛЛЕКТУАЛЬНОЙ СОБСТВЕННОСТИ,
ПАТЕНТАМ И ТОВАРНЫМ ЗНАКАМ
(19) RU (11) 2377378 (13) C1
(51) МПК

E05B65/10 (2006.01)

(12) ОПИСАНИЕ ИЗОБРЕТЕНИЯ К ПАТЕНТУ

Статус: по данным на 17.09.2010 – действует

(21), (22) Заявка: 2008125947/12, 26.06.2008

(24) Дата начала отсчета срока действия патента:

26.06.2008

(46) Опубликовано: 27.12.2009

(56) Список документов, цитированных в отчете о
поиске:
RU 2266384 C1, 20.12.2005. DE 102006038610 A1, 21.02.2008. DE 102006057788 A1, 07.02.2008. DE 19951866 A1, 10.05.2001. EP 1574644 A2, 14.09.2005. EP 1353028 A1, 15.10.2003. CN 201059110 Y, 14.05.2008.

Адрес для переписки:

109044, Москва, 3-й Крутицкий пер., 11, кв.79, М.Ю. Рылееву

(72) Автор(ы):

Рылеев Михаил Юрьевич (RU)

(73) Патентообладатель(и):

Рылеев Михаил Юрьевич (RU)

(54) ЗАМОК МНОГОФУНКЦИОНАЛЬНЫЙ АКРОБАТ

(57) Реферат:

Изобретение относится к скобяным изделиям и касается замка. Замок содержит установленные в корпусе защелку, механизм секретности, взаимодействующий с цугальтой и ригелем, и средства привода защелки. В корпусе с возможностью вращения установлены соосно и отдельно один от другого два поводка, имеющих возможность независимого поворота один относительно другого. Средства привода защелки выполнены в виде рычага, установленного на неподвижной оси корпуса, и рычага, установленного на ригеле. Поводки имеют возможность такого поворота, что или входят в зацепление, или расцепляются с рычагом, закрепленным на неподвижной оси корпуса, и рычагом, расположенным на оси ригеля. Изобретение позволяет создать многофункциональный замок повышенной надежности, позволяющий работать во всех дверях с любых сторон. 20 ил.

Изобретение относится к скобяным изделиям и касается замка, применяемого в любых дверях – металлических дверях, деревянных, правых или левых и т.п., позволяющего работать не только в режиме защелки и замка, но и обеспечивающего выполнение функции «антипаника», что соответствует требованиям и нормам противопожарной безопасности.

Известен замок по патенту РФ 2100553, 1997, содержащий подвижные детали в виде приводной пластины и ригелей, смонтированных на двери с возможностью взаимодействия с приводной пластиной и перемещения вдоль своей оси, по меньшей мере один закрепленный на одной из подвижных деталей упор и запирающий элемент в виде полосы, шарнирно установленной на двери с возможностью взаимодействия со средством фиксации двери в закрытом положении и с упором. Полоса смонтирована с возможностью изменения ее положения относительно первоначального положения оси шарнира и зафиксирована посредством взаимодействующего с ней съемного упора. В случае пожара или другой чрезвычайной ситуации упор вытаскивается и замок разблокируется. Однако недостаток этого замка заключается в том, что не каждый знает, что необходимо сделать, и в состоянии паники не сможет открыть замок, тем более, что съемный упор должен быть замаскирован. К тому же этот замок не может работать в режиме защелки.

Известен замок по патенту РФ 2174176, 2001, принятый в качестве ближайшего аналога и содержащий установленную в корпусе ригельную планку с ригелями, механизм привода ригельной планки, включающий по меньшей мере одну сувальду, зубчатые рейки на ригельной планке и сувальде, подпружиненной перпендикулярно ригельной планке, и направляющий штифт, два дополнительных ригеля, расположенных соответственно на двух дополнительных параллельных ригельных планках, установленных в плоскости, параллельной первой ригельной планке, и с возможностью перемещения перпендикулярно первой ригельной планке, и средство их привода, включающее подпружиненную поворотную ось со смонтированным на ней рычагом, причем механизм привода и средство привода кинематически не связаны один с другим. Однако и у этого замка проявляются обозначенные выше недостатки, не позволяющие повысить пожарную безопасность помещений.

Техническим результатом использования предлагаемого изобретения является повышение противопожарной безопасности людей, находящихся в помещениях, оборудованных замочными средствами.

Другая техническая задача данного изобретения состоит в том, чтобы замок в режиме «антипаника» имел повышенную надежность для защиты материальных ценностей, то есть, чтобы замок обеспечивал хорошую устойчивость по отношению к попыткам снаружи взлома оборудованной таким замком двери, т.к. известные замки, работающие в режиме «антипаника», когда дверь должна открываться изнутри без ключа, легко взломать снаружи.

Еще одной задачей данного изобретения является создание многофункционального замка, позволяющего работать на всех дверях, с любых сторон, а также в режимах «защелка», «замок» и «антипаника левая» и «антипаника правая»».

Этот технический результат достигается тем, что замок содержит установленные в корпусе защелку, механизм секретности, взаимодействующий с цугальтой и ригелем, и средства привода защелки, при этом в корпусе с возможностью вращения установлены соосно и отдельно один от другого два поводка, имеющих возможность независимого поворота один относительно другого, а средства привода защелки выполнены в виде рычага, установленного на неподвижной оси корпуса и рычага, установленного на ригеле, при этом поводки имеют возможность такого поворота, что или входят в зацепление, или расцепляются с рычагом, закрепленным на неподвижной оси корпуса, и рычагом, расположенным на оси ригеля.

Изобретение поясняется следующими чертежами:

фиг.1 – замок, вид в изометрии, в сборе;

фиг.2- замок, вид в изометрии, в сборе без крышки;

фиг.3 – общий вид замка;

фиг.4 – крышка корпуса;

фиг.5 – цугальта;

фиг.6 – рычаг, установленный на неподвижной оси корпуса;

фиг.7 – ригель;

фиг.8 – рычаг, установленный на оси ригеля;

фиг.9 – защелка;

фиг.10 – упор защелки;

фиг.11 – пластина защелки;

фиг.12 – два поводка;

фиг.13 – проставка поводков;

фиг.14 – планка замка;

фиг.15 – шток квадратного сечения, разделенный на 2 части;

фиг.16 – пружина защелки;

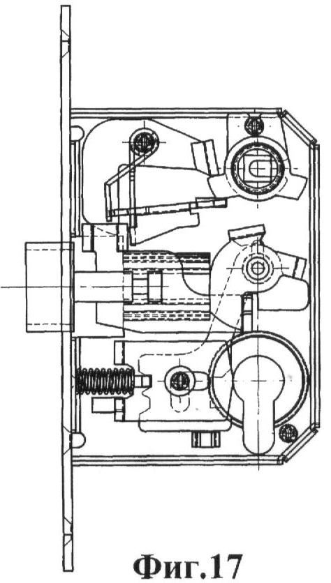
фиг.17 – замок в режиме «защелка»;

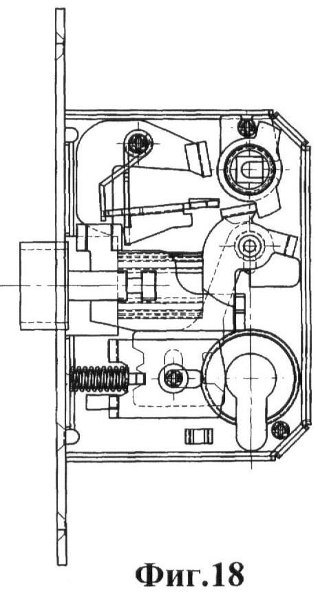
фиг.18 – замок в режиме «замок»;

фиг.19, 20 – замок в режиме «антипаника» для левой/правой дверей.

Замок имеет отверстия 1 для штока квадратного сечения с обеих своих сторон. В данном замке применяются ручки, которые должны иметь свои пружины, так как поводки (фиг.12) не подпружинены, как это обычно существует во всех замках. Корпус замка с одной из сторон имеет паз 2 для расположения в нем выступа упора 10 с фиксирующей частью для перевода упора в одно из положений. В замке также имеются отверстия 3 под установку секретного механизма, например цилиндрового. Корпус замка может быть выполнен из двух симметричных крышек 4.

Цилиндровый механизм взаимодействует с подпружиненной цугальтой 5. В корпусе замка на неподвижной оси установлен двуплечий рычаг 6. С цилиндровым механизмом взаимодействует ригель 7, имеющий возможность перемещения и несущий ось, на которой смонтирован трехплечий рычаг 8. В технологических отверстиях корпуса расположена защелка 9, перестановка которой на левую или правую сторону осуществляется перемещением упора 10 защелки, выступ которой расположен в пазу 2. Защелка 9 установлена в пластине защелки 11, имеющей выступы для взаимодействия с упором 10 и рычагом 8 и пружиной 16.

В отверстиях 1 установлена пара поводков 12. Эти поводки не связаны между собой и между ними расположена проставка 13, не имеющая возможности вращения, совместно с поводками 12.

Корпус замка крепится к двери при помощи стандартной планки 14, а защелка 9 подпружинена пружиной 16, установленной на оси рычага 6.

Для перенастройки замка с одного режима на другой используется шток квадратного сечения 15.

Работа замка в различных режимах

Режим «Защелка левая или правая»

Для настройки замка с функцией «Защелка» необходимо подпружиненный пружиной 16 упор 10 защелки 9 направить по пазу 2 корпуса замка в верхнее положение. Для этого выступ упора перемещают по пазу 2.

Нажав на защелку 9 утопить ее внутрь корпуса замка и повернуть в левое или правое необходимое положение. Для этого в корпусе выполнены соответствующие отверстия, позволяющие повернуть защелку. Далее подпружиненная защелка, выскочив из замка, займет свое рабочее положение.

Оба поводка 12 установить в положение зацепления с рычагом 6 на неподвижной оси корпуса. Для этого необходимо вставить кончик штока квадратного сечения 15 в квадратное отверстие одного поводка 12 и сделать соответствующий поворот в ту или иную сторону до упора. Такой же поворот необходимо сделать с другим поводком 12, установив его в положение зацепления с рычагом 6.

Подпружиненный упор 10 защелки 9 направить по пазу 2 в корпусе замка обратно в нижнее положение.

Таким образом, защелка замка будет работать только от поводков 12 и не будет зависеть от работы, например, цилиндрового механизма (не показан). Оба поводка 12 имеют возможность воздействовать на рычаг 6, а рычаг 8 находится вне зацепления. Цилиндровый механизм в данном случае не используется.

Режим «Замок»

Для настройки замка с функцией «Замок» необходимо подпружиненный упор 10 защелки 9 направить по пазу 2 в корпусе замка в верхнее положение.

Нажав на защелку 9 утопить ее внутрь корпуса замка и повернуть в левое или правое необходимое положение. Для этого в корпусе выполнены соответствующие отверстия, позволяющие повернуть защелку. Далее подпружиненная защелка, выскочив из замка, займет свое рабочее положение.

Оба поводка 12 установить в положение зацепления с рычагом 8, установленным на оси ригеля 7. Для этого необходимо вставить кончик штока 15 квадратного сечения в квадратное отверстие 1 поводка 12 и сделать соответствующий поворот в ту или иную сторону до упора. Такой же поворот необходимо сделать с другим поводком 12, установив его в положение зацепления с рычагом 8.

Подпружиненный упор 10 защелки 9 направить по пазу 2 в корпусе замка обратно в нижнее положение.

Таким образом, защелка замка будет работать от поводков 12 в случае, если замок открывают посредством цилиндрового механизма (не показан). Оба поводка 12 воздействуют только на рычаг 8. Рычаг 6 находится вне зацепления.

Режим «замок-антипаника» (левая или правая)

Для настройки замка с функцией «Замок-Антипаника» необходимо

подпружиненный упор 10 защелки 9 направить по пазу 2 в корпусе замка в верхнее положение.

Нажав на защелку 9 утопить ее внутрь корпуса замка и повернуть в левое или правое необходимое положение. Для этого в корпусе выполнены соответствующие отверстия, позволяющие повернуть защелку. Далее подпружиненная защелка, выскочив из замка, займет свое рабочее положение.

Один поводок 12 установить в положение зацепления с рычагом 6 на неподвижной оси. Этот поводок будет находиться с внутренней стороны двери.

Второй поводок 12 установить в положение зацепления с рычагом 8, расположенным на оси ригеля 7. Этот поводок будет находиться с наружной стороны двери.

Для этого необходимо вставить кончик штока 15 квадратного сечения в квадратное отверстие 1 поводка 12 и сделать соответствующий поворот в ту или иную сторону до упора. Такой же поворот необходимо сделать с другим поводком.

Подпружиненный упор 10 защелки 9 направить по пазу 2 в корпусе замка обратно в нижнее положение.

Таким образом, с внутренней стороны замок будет открываться всегда, а с наружной стороны только после открытия замка ключом. При этом замок можно закрывать ключом с любой стороны всегда после захлопывания двери на защелку.

Формула изобретения

Замок, содержащий установленные в корпусе защелку, механизм секретности, взаимодействующий с цугальтой и ригелем, и средства привода защелки, отличающийся тем, что в корпусе с возможностью вращения установлены соосно и отдельно один от другого два поводка, имеющих возможность независимого поворота один относительно другого, а средства привода защелки выполнены в виде рычага, установленного на неподвижной оси корпуса и рычага, установленного на ригеле, при этом поводки имеют возможность такого поворота, что или входят в зацепление, или расцепляются с рычагом, закрепленным на неподвижной оси корпуса, и рычагом, расположенным на оси ригеля.

РИСУНКИ


QB4A – Регистрация лицензионного договора на использование изобретения

Лицензиар(ы): Индивидуальный предприниматель Рылеев Михаил Юрьевич

Вид лицензии*: ИЛ

Лицензиат(ы): Общество с ограниченной ответственностью “КРИТ”

Договор № РД0064105 зарегистрирован 05.05.2010

Извещение опубликовано: 20.06.2010 БИ: 17/2010

* ИЛ – исключительная лицензия НИЛ – неисключительная лицензия


Categories: BD_2377000-2377999