|
|
(21), (22) Заявка: 2008124390/09, 09.06.2008
(24) Дата начала отсчета срока действия патента:
09.06.2008
(46) Опубликовано: 20.12.2009
(56) Список документов, цитированных в отчете о поиске:
RU 2316867 C1, 10.02.2008. RU 2235397 C2, 27.08.2004. RU 41201 U1, 10.10.2004. SU 982499 A1, 07.08.1991. WO 20040651 A1, 05.08.2004.
Адрес для переписки:
194223, Санкт-Петербург, ул. Курчатова, 1, лит.А, ОАО “НИИПТ”, научно-технический отдел
|
(72) Автор(ы):
Гуревич Мария Копельевна (RU), Репин Алексей Викторович (RU), Шершнев Юрий Александрович (RU)
(73) Патентообладатель(и):
Открытое акционерное общество “Научно-исследовательский институт по передаче электроэнергии постоянным током высокого напряжения” (ОАО “НИИПТ”) (RU)
|
(54) КОМБИНИРОВАННАЯ УСТАНОВКА ДЛЯ ПЛАВКИ ГОЛОЛЕДА И КОМПЕНСАЦИИ РЕАКТИВНОЙ МОЩНОСТИ
(57) Реферат:
Изобретение относится к области электротехники и может быть использовано на энергетических подстанциях. Техническим результатом является снижение коммутаций силового оборудования при переводе из режима плавки в режим компенсации и повышение быстродействия в режиме компенсации. Комбинированная установка для плавки гололеда и компенсации реактивной мощности содержит питающий трансформатор, первый высоковольтный разъединитель и первый трехфазный реактор, последовательно с которым включен второй трехфазный реактор, зашунтированный вторым высоковольтным разъединителем, и высоковольтный мостовой преобразователь, выполненный на полностью управляемых приборах с параллельно включенными обратными диодами. На выходе постоянного тока высоковольтного мостового преобразователя подключена конденсаторная батарея, к выходу каждого из полюсов которой подключено по однофазному разъединителю. Система управления установкой синхронизируется с сетью через отдельный резонансный трансформатор, первый и второй выходы системы управления подключены к первому и второму разъединителям соответственно. Третий выход системы управления подключен к высоковольтному мостовому преобразователю. Система управления выполнена с возможностью изменять частоту и коэффициент модуляции ШИМ работы полностью управляемых приборов высоковольтного мостового преобразователя. 1 ил.
Область техники
Изобретение относится к области электротехники и может быть использовано на энергетических подстанциях, где необходимо обеспечить плавку гололеда на проводах или изолированных от опор грозозащитных тросах воздушных линий (ВЛ) электропередач, а также обеспечивать уровень необходимого напряжения в узлах нагрузки и управление перетоками реактивной мощности.
Уровень техники
В настоящее время широко распространены диодные установки плавки гололеда на ВЛ постоянным током [1]. Несмотря на кажущуюся простоту, при эксплуатации неуправляемых (диодных) установок возникает ряд трудностей: броски тока при включении, которые могут приводить к аварии; невозможность изменения тока плавки, что не позволяет использовать одну и ту же установку для плавки на линиях различных параметров или на тросах; невозможность применения различных схем плавки («змейкой», «два провода – провод» и т.д.) на одной и той же линии и т.д.
Известны также тиристорные установки для плавки гололеда [2], лишенные вышеуказанных недостатков. Однако как установки [1], так и [2] имеют существенный общий недостаток: они используются весьма ограниченное время в течение года. Могут быть длительные периоды, когда установки не включаются вовсе.
Известно предложение по комбинированной установке для плавки гололеда и компенсации реактивной мощности [3], для реализации которого необходимо доукомплектовать статический компенсатор реактивной мощности (СТК) семью трехфазными высоковольтными (на полное напряжение линии) разъединителями. Кроме того, ВЛ, на которой предполагается плавить гололед, и ВЛ, к которой предполагается подключать СТК, как правило, – не одна и та же ВЛ. Поэтому на подстанции требуется установить дополнительное силовое оборудование для физической реализации схем по [3]. В результате стоимость оборудования по [3] и суммарная стоимость отдельно СТК и отдельно тиристорной установкой для плавки гололеда соизмеримы, так что экономический эффект практически не достигается. Отметим дополнительно, что СТК как агрегат компенсации реактивной мощности с современной точки зрения имеет ряд недостатков: он не компактен, характеризуется низким быстродействием, не может быть использован ни как фазоповоротное устройство, ни как фликкер-корректор, ни как активный фильтр.
Известна также комбинированная установка для плавки гололеда на проводах и тросах воздушных линий электропередач с функцией компенсации реактивной мощности, содержащая питающий трансформатор с первым высоковольтным разъединителем на выходе, последовательно с которым включен первый трехфазный реактор и высоковольтный мостовой преобразователь с конденсаторной батареей постоянного тока, к выходу каждого из полюсов которой подключены по однофазному разъединителю, и систему управления, один из выходов которой соединен с высоковольтным мостовым преобразователем [4]. Эта комбинированная установка принята нами за прототип. Она более мобильна в эксплуатации, чем устройство по [3], но также не отличается высоким быстродействием в режиме компенсации реактивной мощности.
Сущность изобретения
Задача изобретения – создание высоковольтной установки для плавки гололеда на проводах и тросах воздушных линий (ВЛ) электропередач с функцией компенсации реактивной мощности, в которой перевод из режима плавки в режим компенсации осуществляется без значительных коммутаций силового оборудования, а в режиме компенсации обеспечивается высокое быстродействие. Решение этой задачи дает экономию капитальных затрат за счет сокращения общего объема оборудования, установленного на подстанции, обеспечивает повышение уровня готовности оборудования и расширение его функций.
Сущность изобретения заключается в том, что комбинированная установка для плавки гололеда и компенсации реактивной мощности содержит питающий трансформатор с первым высоковольтным разъединителем на выходе, последовательно с которым включен первый трехфазный реактор и высоковольтный мостовой преобразователь с конденсаторной батареей постоянного тока, к выходу каждого из полюсов которой подключено по однофазному разъединителю, и систему управления, один из выходов которой соединен с высоковольтным мостовым преобразователем, который выполнен на сборках из полностью управляемых приборов с параллельно включенными обратными диодами; последовательно с первым трехфазным реактором включен второй трехфазный реактор, параллельно которому включен второй высоковольтный разъединитель, система управления синхронизируется с сетью от отдельного резонансного трансформатора, а два других выхода системы управления подключены к первому и второму высоковольтным разъединителям, причем система управления выполнена с возможностью изменять частоту и коэффициент модуляции ШИМ работы полностью управляемых приборов высоковольтного мостового преобразователя.
Эта совокупность признаков позволяет решить задачу изобретения.
Осуществление изобретения
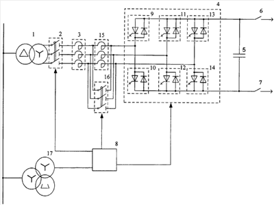
Сущность изобретения поясняет схема комбинированной установки для плавки гололеда и компенсации реактивной мощности, изображенная на чертеже.
Установка содержит питающий трансформатор 1 с первым высоковольтным разъединителем 2 на выходе, последовательно с которым включен первый трехфазный реактор 3 и высоковольтный мостовой преобразователь 4 с конденсаторной батареей постоянного тока 5, к выходу каждого из полюсов которой подключено по однофазному разъединителю 6 и 7, и систему управления 8, один из выходов которой соединен с высоковольтным мостовым преобразователем 4, который выполнен на сборках 9-14 из полностью управляемых приборов с параллельно включенными обратными диодами; последовательно с первым трехфазным реактором 3 включен второй трехфазный реактор 15, параллельно которому включен второй высоковольтный разъединитель 16, система управления 8 синхронизирована с сетью через отдельный резонансный трансформатор 17, а два других выхода системы управления 8 подключены к первому 3 и второму 16 высоковольтным разъединителям, причем система управления 8 выполнена с возможностью изменять частоту и коэффициент модуляции ШИМ работы полностью управляемых приборов из сборок 9-14 высоковольтного мостового преобразователя 4.
Схема комбинированной установки переводится в режим плавки постоянным током гололеда на проводах или тросах ВЛ при замыкании однофазных разъединителей 6 и 7 и закороченном за счет замыкания второго высоковольтного разъединителя 16 втором трехфазном реакторе 15. При этом ВЛ, на которой необходимо растопить гололед, подключена на выходе высоковольтного преобразовательного моста 4 и является нагрузкой. Управляемость преобразователя достигается за счет подключения тех или иных полностью управляемых приборов из сборок 9-14. Например, при прохождении тока в нагрузку через диоды сборок 13 и 10 полностью управляемый прибор из сборки 9 или из сборки 14 подключается в режиме ШИМ. При этом кратковременно образуется контур двухфазного короткого замыкания 9-10 или 13-14, нагрузка шунтируется, тем самым ток в ней регулируется. Второй трехфазный реактор 15 закорочен, чтобы не ограничивать максимальный ток в нагрузке при прохождении тока только через диоды. В то же время при прохождении тока по контуру короткого замыкания в отсутствии второго трехфазного реактора 15 скорость нарастания тока в полностью управляемом приборе велика, и необходимо оборвать этот ток ранее, чем он достигнет опасного для полностью управляемого прибора значения, что достигается за счет соответствующего выбора частоты и коэффициента модуляции ШИМ, параметры которого заранее заложены в систему управления 8. В этом случае система управления 8 выдает импульс на запирание полностью управляемого прибора через время, меньшее, чем это требуется в режиме компенсации реактивной мощности, когда оба трехфазных реактора – и 3, и 15 – включены в цепь. Конденсаторная батарея постоянного тока 5 имеет значительную емкость и сглаживает пульсации тока в нагрузке.
Схема установки для работы в режиме компенсации реактивной мощности формируется по сигналу от системы управления 8 путем размыкания ключей 16, 6 и 7. При этом к сети через питающий трансформатор 1 и оба трехфазных реактора 3 и 15 подключается высоковольтный мостовой преобразователь 4 на сборках из полностью управляемых приборов с параллельно включенными обратными диодами и конденсаторной батареей постоянного тока 5 на выходе. Наличие значительной индуктивности, добавленной за счет введения реактора 15, совместно с высоковольтным мостовым преобразователем 4 формирует быстродействующий компенсатор реактивной мощности, по схеме и функциям близкий к СТАТКОМ [5] и обладающий всеми его преимуществами: высоким быстродействием, многофункциональностью, компактностью. В системе управления 8 при работе устройства в качестве компенсатора применяют известные для СТАТКОМ алгоритмы [5], так что устройство может работать как в режиме потребления, так выдачи реактивной мощности.
Как видно, перевод установки из режима плавки гололеда в режим компенсации реактивной мощности достигается коммутацией всего трех разъединителей.
Таким образом, поставленная цель – создание высоковольтной установки для плавки гололеда на проводах и тросах воздушных линий электропередач с функцией компенсации реактивной мощности, в которой перевод из режима плавки в режим компенсации осуществляется без значительных коммутаций силового оборудования, – достигнута.
Источники информации
1. Левченко В.И., Засыпкин А.С., Аллилуев А.А., Сацук Е.И. Диагностика, реконструкция и эксплуатация воздушных линий электропередачи в гололедных районах. – М.: Изд-во МЭИ, 2007 г.
2. Патент РФ 2207746, кл. Н05К 7/10, G12В 15/02. Преобразовательная установка контейнерного типа / Л.Л.Балыбердин, М.К.Гуревич, М.А.Козлова, Ю.А.Шершнев. Опубл. БИ 27.06.2003.
3. Патент РФ 2316867, кл. H02G 7/16, Н02J 3/18. Комбинированная установка для плавки гололеда и компенсации реактивной мощности / Р.А.Дайновский, Н.Г.Лозинова, М.И.Мазуров. Опубл. БИ 4 от 10.02.2008.
4. Colin Davidson. AREVA T&D (INNOVATION & PRACTICES), #2 December 2007, p.3438.
5. Кочкин В.И., Нечаев О.П. Применение статических компенсаторов реактивной мощности в электрических сетях энергосистем и предприятий. М.: Изд-во «НЦ ЭНАС», 2000 г.
Формула изобретения
Комбинированная установка для плавки гололеда и компенсации реактивной мощности, содержащая питающий трансформатор с первым высоковольтным разъединителем на выходе, последовательно с которым включен первый трехфазный реактор и высоковольтный мостовой преобразователь с конденсаторной батареей постоянного тока, к выходу каждого из полюсов которой подключено по однофазному разъединителю, и систему управления, один из выходов которой соединен с высоковольтным мостовым преобразователем, отличающаяся тем, что высоковольтный мостовой преобразователь выполнен на сборках из полностью управляемых приборов с параллельно включенными обратными диодами, последовательно с первым трехфазным реактором включен второй трехфазный реактор, параллельно которому включен второй высоковольтный разъединитель, система управления синхронизируется с сетью от отдельного резонансного трансформатора, а два других выхода системы управления подключены к первому и второму высоковольтным разъединителям, причем система управления выполнена с возможностью изменять частоту и коэффициент модуляции ШИМ работы полностью управляемых приборов высоковольтного мостового преобразователя.
РИСУНКИ
|
|