|
|
(21), (22) Заявка: 2007141806/11, 12.11.2007
(24) Дата начала отсчета срока действия патента:
12.11.2007
(43) Дата публикации заявки: 20.05.2009
(46) Опубликовано: 20.12.2009
(56) Список документов, цитированных в отчете о поиске:
RU 2255273 С1, 27.06.2005. SU 1270249 A1, 15.11.1986. KR 20040006715 А, 24.01.2004. GB 137425 А, 15.01.1920. WO 2007000042 А1, 04.01.2007. СА 2418482 А1, 08.08.2003. СА 2100280 А1, 14.01.1994. JP 53032456 А, 27.03.1978. US 4397157 А, 09.08.1983.
Адрес для переписки:
454091, г.Челябинск, ул. Труда, 157, оф.28-5, Челябинский ЦНТИ, Т.Ф. Костик
|
(72) Автор(ы):
Киселев Александр Владиславович (RU)
(73) Патентообладатель(и):
Киселев Александр Владиславович (RU)
|
(54) ХОЛОДИЛЬНИК МНОГОФУНКЦИОНАЛЬНЫЙ (ДВА ВАРИАНТА) И СПОСОБ ОХЛАЖДЕНИЯ В КАМЕРЕ ХОЛОДИЛЬНИКА МНОГОФУНКЦИОНАЛЬНОГО (ЧЕТЫРЕ ВАРИАНТА)
(57) Реферат:
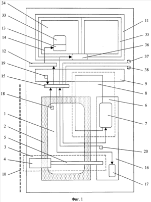
Изобретение относится к области охлаждения и поддержания необходимой температуры среды в объеме камеры холодильника и в объеме помещения при определенной температуре наружной среды. Холодильник многофункциональный установлен в стене здания на границе между наружным воздухом и воздухом помещения, содержащий первую камеру 1 для хранения продуктов в теплоизолированном корпусе 2, с системой 3 использования природного холода наружного воздуха, состоящей из модуля 4 передачи тепла и рабочего блока 5, охлаждающую систему 6, связанную с первой камерой 1 для хранения продуктов, содержащую первый холодильный агрегат 7 с первым охлаждающим элементом 8. Холодильник многофункциональный содержит блок 9 кондиционирования, связанный с охлаждающей системой 6, ограждающее устройство 10, пропускающее наружный воздух, охватывающее и предохраняющее устройства с наружной стороны здания, оконный блок 11, перекрывающий часть единого проема стены, в котором установлена первая камера 1 для хранения продуктов, информационный блок 12 с видеомодулем 13, связанные кабелем 14 связи, систему 15 управления, связанную с первой камерой 1 для хранения продуктов, блоком 9 кондиционирования, охлаждающей системой 6, оконным блоком 11 и информационным блоком 12. Охлаждающая система 6 содержит первое агрегатное отделение 16 с размещенным внутри него первым холодильным агрегатом 7 и модуль 17 регулирования потока среды, охлаждающей первый холодильный агрегат 7. Технический результат заключается в расширении функциональных возможностей, повышении эксплуатационных свойств и удобства использования холодильника многофункционального. 6 н. и 61 з.п. ф-лы, 45 ил.
Текст описания приведен в факсимильном виде.                                                                                                                
Формула изобретения
1. Холодильник многофункциональный, установленный в стене здания на границе между наружным воздухом и воздухом помещения, содержащий первую камеру для хранения продуктов в теплоизолированном корпусе, с системой использования природного холода наружного воздуха, состоящей из модуля передачи тепла и рабочего блока, охлаждающую систему, связанную с первой камерой для хранения продуктов, содержащую, по крайней мере, один первый холодильный агрегат, по крайней мере, с одним первым охлаждающим элементом, отличающийся тем, что холодильник многофункциональный содержит блок кондиционирования, связанный с охлаждающей системой, ограждающее устройство, пропускающее наружный воздух, охватывающее и предохраняющее устройства холодильника многофункционального с наружной стороны здания, оконный блок, перекрывающий часть единого проема стены, в котором установлена первая камера для хранения продуктов, информационный блок с видеомодулем, связанные кабелем связи, систему управления, связанную с первой камерой для хранения продуктов, блоком кондиционирования, охлаждающей системой, оконным блоком и информационным блоком, а охлаждающая система содержит дополнительно, по крайней мере, одно первое агрегатное отделение, с размещенным внутри него, по крайней мере, одним первым холодильным агрегатом, и модуль регулирования потока среды, охлаждающей, по крайней мере, один первый холодильный агрегат.
2. Холодильник многофункциональный, по п.1, отличающийся тем, что охлаждающая система включает дополнительно второй охлаждающий элемент.
3. Холодильник многофункциональный по п.2, отличающийся тем, что охлаждающая система имеет один первый холодильный агрегат, содержащий распределительный блок, и два, связанных с ним, охлаждающих элемента, первый охлаждающий элемент размещен в первой камере, второй охлаждающий элемент – в блоке кондиционирования.
4. Холодильник многофункциональный по п.2, отличающийся тем, что охлаждающая система дополнительно включает второе агрегатное отделение с размещенным в нем вторым холодильным агрегатом, первый холодильный агрегат содержит первый охлаждающий элемент, размещенный в первой камере для хранения продуктов, второй холодильный агрегат содержит второй охлаждающий элемент, размещенный в блоке кондиционирования.
5. Холодильник многофункциональный по п.1, отличающийся тем, что охлаждающая система выполнена с первым отсеком охлаждения и, по крайней мере, с одним первым устройством принудительной циркуляции.
6. Холодильник многофункциональный по п.5, отличающийся тем, что охлаждающая система имеет первый отсек охлаждения, первое устройство принудительной циркуляции воздуха между первой камерой для хранения продуктов и первым отсеком охлаждения, первый холодильный агрегат, содержащий распределительный блок, и два, связанных с ним, охлаждающих элемента, первый охлаждающий элемент размещен в первом отсеке охлаждения, а второй охлаждающий элемент – в блоке кондиционирования.
7. Холодильник многофункциональный по п.5, отличающийся тем, что охлаждающая система имеет первый отсек охлаждения, первое устройство принудительной циркуляции воздуха между блоком кондиционирования и первым отсеком охлаждения, первый холодильный агрегат, содержащий распределительный блок, и два, связанных с ним, охлаждающих элемента, первый охлаждающий элемент размещен в первой камере для хранения продуктов, а второй охлаждающий элемент – в первом отсеке охлаждения.
8. Холодильник многофункциональный по п.5, отличающийся тем, что охлаждающая система имеет первый отсек охлаждения, первое устройство принудительной циркуляции воздуха между первой камерой для хранения продуктов и первым отсеком охлаждения, второе устройство принудительной циркуляции воздуха между блоком кондиционирования и первым отсеком охлаждения, и первый холодильный агрегат, содержащий первый охлаждающий элемент, размещенный в первом отсеке охлаждения.
9. Холодильник многофункциональный по п.5, отличающийся тем, что охлаждающая система имеет первый отсек охлаждения, первое устройство принудительной циркуляции воздуха, между первой камерой для хранения продуктов и первым отсеком охлаждения, первое агрегатное отделение с первым холодильным агрегатом, содержащим первый охлаждающий элемент, размещенный в первом отсеке охлаждения, и второе агрегатное отделение со вторым холодильным агрегатом, содержащим второй охлаждающий элемент, размещенный в блоке кондиционирования.
10. Холодильник многофункциональный по п.5, отличающийся тем, что охлаждающая система имеет первый отсек охлаждения, первое устройство принудительной циркуляции воздуха между блоком кондиционирования и первым отсеком охлаждения, первое агрегатное отделение с первым холодильным агрегатом, содержащим первый охлаждающий элемент, размещенный в первой камере для хранения продуктов, второе агрегатное отделение со вторым холодильным агрегатом, содержащим второй охлаждающий элемент, размещенный в первом отсеке охлаждения.
11. Холодильник многофункциональный по п.1, отличающийся тем, что охлаждающая система выполнена с дополнительным вторым охлаждающим элементом, с двумя отсеками охлаждения, и с двумя устройствами принудительной циркуляции.
12. Холодильник многофункциональный по п.11, отличающийся тем, что охлаждающая система имеет первый отсек охлаждения, первое устройство принудительной циркуляции воздуха между первой камерой для хранения продуктов и первым отсеком охлаждения, второй отсек охлаждения, второе устройство принудительной циркуляции воздуха между блоком кондиционирования и вторым отсеком охлаждения, первый холодильный агрегат, содержащий распределительный блок, и два, связанных с ним, охлаждающих элемента, первый охлаждающий элемент размещен в первом отсеке охлаждения, а второй охлаждающий элемент – во втором отсеке охлаждения.
13. Холодильник многофункциональный по п.11, отличающийся тем, что охлаждающая система имеет первый отсек охлаждения, первое устройство принудительной циркуляции воздуха между первой камерой для хранения продуктов и первым отсеком охлаждения, второй отсек охлаждения, второе устройство принудительной циркуляции воздуха между блоком кондиционирования и вторым отсеком охлаждения, первое агрегатное отделение с первым холодильным агрегатом, содержащим первый охлаждающий элемент, размещенный в первом отсеке охлаждения, и второе агрегатное отделение со вторым холодильным агрегатом, содержащим второй охлаждающий элемент, размещенный во втором отсеке охлаждения.
14. Холодильник многофункциональный по п.1, отличающийся тем, что видеомодуль имеет плоский экран, расположенный на стеклянной поверхности стеклопакета элементов оконного блока.
15. Холодильник многофункциональный по п.1, отличающийся тем, что оконный блок выполнен с подвижными створками, имеющими электропривод.
16. Холодильник многофункциональный по п.1, отличающийся тем, что в качестве модуля передачи тепла первой камеры для хранения продуктов используется тепловая труба, представляющая собой герметизированную конструкцию, частично заполненную жидким теплоносителем, герметично установленная в теплоизолированном корпусе первой камеры для хранения продуктов таким образом, что первая часть тепловой трубы контактирует с воздухом первой камеры для хранения продуктов, вторая часть – с наружным воздухом, обеспечивающая при работе необходимый теплообмен между воздухом в первой камере для хранения продуктов и наружным воздухом, включаемая и отключаемая регулирующим устройством с помощью исполнительного устройства по сигналу задатчика, входящих в рабочий блок системы использования природного холода наружного воздуха.
17. Холодильник многофункциональный по п.1, отличающийся тем, что модуль передачи тепла первой камеры для хранения продуктов выполнен в виде закрытой полости, заполненной газообразной средой с низкой теплопроводностью с двумя противоположными подвижными тонкими стенками из теплопроводного материала, и герметично установлен в теплоизолированном корпусе первой камеры для хранения продуктов таким образом, что стенки из теплопроводного материала контактируют одна с наружным воздухом, другая с воздухом первой камеры для хранения продуктов и сводятся и разводятся друг от друга на определенное расстояние регулирующим устройством с помощью исполнительного устройства по сигналу задатчика, входящих в рабочий блок системы использования природного холода наружного воздуха, обеспечивая необходимый естественный теплообмен между воздухом в первой камере для хранения продуктов и наружным воздухом через стенки модуля передачи тепла.
18. Холодильник многофункциональный по п.1, отличающийся тем, что модуль передачи тепла первой камеры для хранения продуктов выполнен в виде открывающейся полости, одна из сторон которой представляет из себя сплошную стенку из теплопроводного материала, а другая открывающиеся шторки из теплоизоляционных материалов, и герметично установлен в теплоизолированном корпусе первой камеры для хранения продуктов таким образом, что одна его сторона контактирует с наружным воздухом, а другая с воздухом первой камеры для хранения продуктов, шторки открываются или закрываются на определенную величину регулирующим устройством с помощью исполнительного устройства по сигналу задатчика, входящих в, рабочий блок системы использования природного холода наружного воздуха, обеспечивая необходимый естественный теплообмен между воздухом в первой камере для хранения продуктов и наружным воздухом через сплошную стенку из теплопроводного материала.
19. Холодильник многофункциональный по п.1, отличающийся тем, что модуль передачи тепла первой камеры для хранения продуктов выполнен в виде закрытой емкости с отверстием, пропускающим в нее воздух первой камеры для хранения продуктов, или наружный воздух, или воздух помещения, заполняемой и опорожняемой жидкой незамерзающей средой из сосуда через трубчатый канал, герметично установленной в теплоизолированном корпусе первой камеры для хранения продуктов таким образом, что одна сторона закрытой емкости контактирует с уличным воздухом, а другая с воздухом первой камеры для хранения продуктов, регулирующее устройство по сигналу задатчика с помощью исполнительного устройства рабочего блока системы использования природного холода наружного воздуха обеспечивает подачу из сосуда и поддержание определенного количества жидкой незамерзающей среды в полости закрытой емкости, обеспечивая необходимый естественный теплообмен между воздухом в первой камере для хранения продуктов и наружным воздухом через стенки закрытой емкости и жидкую незамерзающую среду.
20. Холодильник многофункциональный, установленный в стене здания на границе между наружным воздухом и воздухом помещения, содержащий первую камеру для хранения продуктов в теплоизолированном корпусе, с системой использования природного холода наружного воздуха, состоящей из модуля передачи тепла и рабочего блока, охлаждающую систему, связанную с первой камерой для хранения продуктов, содержащую, по крайней мере, один первый холодильный агрегат, по крайней мере, с одним первым охлаждающим элементом, отличающийся тем, что холодильник многофункциональный содержит вторую камеру для хранения продуктов в теплоизолированном корпусе, связанную с охлаждающей системой, блок кондиционирования, связанный с охлаждающей системой, ограждающее устройство, пропускающее наружный воздух, охватывающее, и предохраняющее устройства холодильника многофункционального с наружной стороны здания, оконный блок, перекрывающий часть единого проема стены, в котором установлены первая и вторая камеры для хранения продуктов, информационный блок с видеомодулем, связанные кабелем связи, систему управления, связанную с первой и второй камерами для хранения продуктов, блоком кондиционирования, охлаждающей системой, оконным блоком и информационным блоком, а охлаждающая система содержит дополнительно, по крайней мере, одно первое агрегатное отделение, с размещенным внутри него, по крайней мере, одним первым холодильным агрегатом, и модуль регулирования потока среды, охлаждающей, по крайней мере, один первый холодильный агрегат.
21. Холодильник многофункциональный по п.20, отличающийся тем, что охлаждающая система включает дополнительно второй и третий охлаждающие элементы.
22. Холодильник многофункциональный по п.21, отличающийся тем, что охлаждающая система имеет один первый холодильный агрегат, содержащий распределительный блок, и три, связанных с ним, охлаждающих элемента, первый охлаждающий элемент размещен в первой камере для хранения продуктов, второй охлаждающий элемент – во второй камере для хранения продуктов, а третий охлаждающий элемент – в блоке кондиционирования.
23. Холодильник многофункциональный по п.21, отличающийся тем, что охлаждающая система имеет первый холодильный агрегат, содержащий первый охлаждающий элемент, размещенный в первой камере для хранения продуктов, и второй холодильный агрегат, содержащий распределительный блок, и два, связанных с ним, охлаждающих элемента, второй охлаждающий элемент размещен во второй камере для хранения продуктов, а третий охлаждающий элемент – в блоке кондиционирования.
24. Холодильник многофункциональный по п.21, отличающийся тем, что охлаждающая система имеет первый холодильный агрегат, содержащий распределительный блок, и два, связанных с ним, охлаждающих элемента, первый охлаждающий элемент размещен в первой камере для хранения продуктов, а второй охлаждающий элемент – в блоке кондиционирования, и второй холодильный агрегат, имеющий третий охлаждающий элемент, размещенный во второй камере для хранения продуктов.
25. Холодильник многофункциональный по п.21, отличающийся тем, что охлаждающая система имеет первое агрегатное отделение с первым холодильным агрегатом, содержащим распределительный блок, и два, связанных с ним, охлаждающих элемента, первый охлаждающий элемент размещен в первой камере для хранения продуктов, а второй охлаждающий элемент – во второй камере для хранения продуктов, и второе агрегатное отделение со вторым холодильным агрегатом, содержащим третий охлаждающий элемент, размещенный в блоке кондиционирования.
26. Холодильник многофункциональный по п.21, отличающийся тем, что охлаждающая система имеет первое агрегатное отделение с первым и вторым холодильными агрегатами, первый холодильный агрегат содержит первый охлаждающий элемент, размещенный в первой камере для хранения продуктов, второй холодильный агрегат содержит второй охлаждающий элемент, размещенный во второй камере для хранения продуктов, второе агрегатное отделение с третьим холодильным агрегатом, содержащим третий охлаждающий элемент, размещенный в блоке кондиционирования.
27. Холодильник многофункциональный по п.20, отличающийся тем, что охлаждающая система включает дополнительно второй охлаждающий элемент и первое устройство принудительной циркуляции.
28. Холодильник многофункциональный по п.27, отличающийся тем, что охлаждающая система имеет первое устройство принудительной циркуляции воздуха между первой и второй камерами для хранения продуктов, один первый холодильный агрегат, содержащий распределительный блок, и два, связанных с ним, охлаждающих элемента, первый охлаждающий элемент размещен во второй камере для хранения продуктов, а второй охлаждающий элемент – в блоке кондиционирования.
29. Холодильник многофункциональный по п.27, отличающийся тем, что охлаждающая система имеет первое устройство принудительной циркуляции воздуха между первой камерой и второй камерой для хранения продуктов, первое агрегатное отделение с первым холодильным агрегатом, содержащим первый охлаждающий элемент, размещенный во второй камере для хранения продуктов, и второе агрегатное отделение со вторым холодильным агрегатом, содержащим второй охлаждающий элемент, размещенный в блоке кондиционирования.
30. Холодильник многофункциональный по п.20, отличающийся тем, что охлаждающая система включает дополнительно второе агрегатное отделение, второй и третий охлаждающие элементы, первый отсек охлаждения и первое устройство принудительной циркуляции.
31. Холодильник многофункциональный по п.30, отличающийся тем, что охлаждающая система имеет первый, отсек охлаждения, первое устройство принудительной циркуляции воздуха между первой камерой для хранения продуктов и первым отсеком охлаждения, первое агрегатное отделение с первым холодильным агрегатом, содержащим распределительный блок, и два, связанных с ним, охлаждающих элемента, первый охлаждающий элемент размещен в первом отсеке охлаждения, второй охлаждающий элемент размещен во второй камере для хранения продуктов, и второе агрегатное отделение со вторым холодильным агрегатом, содержащим третий охлаждающий элемент, размещенный в блоке кондиционирования.
32. Холодильник многофункциональный по п.30, отличающийся тем, что охлаждающая система имеет первый отсек охлаждения, первое устройство принудительной циркуляции воздуха между второй камерой для хранения продуктов и первым отсеком охлаждения, первое агрегатное отделение с первым холодильным агрегатом, содержащим распределительный блок, и два, связанных с ним, охлаждающих элемента, первый охлаждающий элемент размещен в первой камере для хранения продуктов, второй охлаждающий элемент размещен в первом отсеке охлаждения, и второе агрегатное отделение со вторым холодильным агрегатом, содержащим третий охлаждающий элемент, размещенный в блоке кондиционирования.
33. Холодильник многофункциональный по п.30, отличающийся тем, что охлаждающая система имеет первый отсек охлаждения, первое устройство принудительной циркуляции воздуха между первой камерой для хранения продуктов и первым отсеком охлаждения, первое агрегатное отделение с первым холодильным агрегатом, содержащим первый охлаждающий элемент, размещенный в первом отсеке охлаждения, и вторым холодильным агрегатом, содержащим второй охлаждающий элемент, размещенный во второй камере для хранения продуктов, и второе агрегатное отделение с третьим холодильным агрегатом, содержащим третий охлаждающий элемент, размещенный в блоке кондиционирования.
34. Холодильник многофункциональный по п.30, отличающийся тем, что охлаждающая система имеет первый отсек охлаждения, первое устройство принудительной циркуляции воздуха между второй камерой для хранения продуктов и первым отсеком охлаждения, первое агрегатное отделение с первым холодильным агрегатом, содержащим первый охлаждающий элемент, размещенный в первой камере для хранения продуктов, и вторым холодильным агрегатом, содержащим второй охлаждающий элемент, размещенный в первом отсеке охлаждения, и второе агрегатное отделение с третьим холодильным агрегатом, содержащим третий охлаждающий элемент, размещенный в блоке кондиционирования.
35. Холодильник многофункциональный по п.30, отличающийся тем, что охлаждающая система имеет первый отсек охлаждения, первое устройство принудительной циркуляции воздуха между блоком кондиционирования и первым отсеком охлаждения, первое агрегатное отделение с первым холодильным агрегатом, содержащим первый охлаждающий элемент, размещенный в первой камере для хранения продуктов, и вторым холодильным агрегатом, содержащим второй охлаждающий элемент, размещенный во второй камере для хранения продуктов, второе агрегатное отделение с третьим холодильным агрегатом, содержащим третий охлаждающий элемент, размещенный в первом отсеке охлаждения.
36. Холодильник многофункциональный по п.20, отличающийся тем, что охлаждающая система включает дополнительно первый отсек охлаждения и, по крайней мере, первое и второе устройства принудительной циркуляции.
37. Холодильник многофункциональный по п.36, отличающийся тем, что охлаждающая система имеет первый отсек охлаждения, первое устройство принудительной циркуляции воздуха между первой камерой для хранения продуктов и первым отсеком охлаждения, второе устройство принудительной циркуляции воздуха между второй камерой для хранения продуктов и первым отсеком охлаждения, первый холодильный агрегат, содержащий распределительный блок, и два, связанных с ним, охлаждающих элемента, первый охлаждающий элемент размещен в первом отсеке охлаждения, а второй охлаждающий элемент – в блоке кондиционирования.
38. Холодильник многофункциональный по п.36, отличающийся тем, что охлаждающая система имеет первый отсек охлаждения, первое устройство принудительной циркуляции воздуха между первой камерой для хранения продуктов и первым отсеком охлаждения, второе устройство принудительной циркуляции воздуха между второй камерой для хранения продуктов и первым отсеком охлаждения, третье устройство принудительной циркуляции воздуха между блоком кондиционирования и первым отсеком охлаждения, и первый холодильный агрегат, имеющий первый охлаждающий элемент, размещенный в первом отсеке охлаждения.
39. Холодильник многофункциональный по п.36, отличающийся тем, что охлаждающая система имеет первый отсек охлаждения, первое устройство принудительной циркуляции воздуха между первой камерой для хранения продуктов и первым отсеком охлаждения, второе устройство принудительной циркуляции воздуха между блоком кондиционирования и первым отсеком охлаждения, первый холодильный агрегат, содержащий распределительный блок, и два, связанных с ним, охлаждающих элемента, первый охлаждающий элемент размещен в первом отсеке охлаждения, а второй охлаждающий элемент – во второй камере для хранения продуктов.
40. Холодильник многофункциональный по п.36, отличающийся тем, что охлаждающая система имеет первый отсек охлаждения, первое устройство принудительной циркуляции воздуха между второй камерой для хранения продуктов и первым отсеком охлаждения, второе устройство принудительной циркуляции воздуха между блоком кондиционирования и первым отсеком охлаждения, первый холодильный агрегат, содержащий распределительный блок, и два, связанных с ним, охлаждающих элемента, первый охлаждающий элемент размещен в первой камере для хранения продуктов, а второй охлаждающий элемент – в первом отсеке охлаждения.
41. Холодильник многофункциональный по п.36, отличающийся тем, что охлаждающая система имеет первый отсек охлаждения, первое устройство принудительной циркуляции воздуха между первой камерой для хранения продуктов и первым отсеком охлаждения, второе устройство принудительной циркуляции воздуха между второй камерой для хранения продуктов и первым отсеком охлаждения, первое агрегатное отделение с первым холодильным агрегатом, содержащим первый охлаждающий элемент, размещенный в первом отсеке охлаждения, и второе агрегатное отделение со вторым холодильным агрегатом, содержащим второй охлаждающий элемент, размещенный в блоке кондиционирования.
42. Холодильник многофункциональный по п.36, отличающийся тем, что охлаждающая система имеет первый отсек охлаждения, первое устройство принудительной циркуляции воздуха между первой камерой для хранения продуктов и первым отсеком охлаждения, второе устройство принудительной циркуляции воздуха между блоком кондиционирования и первым отсеком охлаждения, первый холодильный агрегат, содержащий первый охлаждающий элемент, размещенный в первом отсеке охлаждения, и второй холодильный агрегат, содержащий второй охлаждающий элемент, размещенный во второй камере для хранения продуктов.
43. Холодильник многофункциональный по п.36, отличающийся тем, что охлаждающая система имеет первый отсек охлаждения, первое устройство принудительной циркуляции воздуха между второй камерой для хранения продуктов и первым отсеком охлаждения, второе устройство принудительной циркуляции воздуха между блоком кондиционирования и первым отсеком охлаждения, первый холодильный агрегат, содержащий первый охлаждающий элемент, размещенный в первой камере для хранения продуктов, и второй холодильный агрегат, содержащий второй охлаждающий элемент, размещенный в первом отсеке охлаждения.
44. Холодильник многофункциональный по п.20, отличающийся тем, что охлаждающая система включает дополнительно второй охлаждающий элемент, первый и второй отсеки охлаждения, первое, второе и третье устройства принудительной циркуляции.
45. Холодильник многофункциональный по п.44, отличающийся тем, что охлаждающая система имеет первый отсек охлаждения, первое устройство принудительной циркуляции воздуха между первой камерой для хранения продуктов и первым отсеком охлаждения, второе устройство принудительной циркуляции воздуха между второй камерой для хранения продуктов и первым отсеком охлаждения, второй отсек охлаждения, третье устройство принудительной циркуляции воздуха между блоком кондиционирования и вторым отсеком охлаждения, первый холодильный агрегат, содержащий распределительный блок, и два, связанных с ним, охлаждающих элемента, первый охлаждающий элемент размещен в первом отсеке охлаждения, а второй охлаждающий элемент – во втором отсеке охлаждения.
46. Холодильник многофункциональный по п.44, отличающийся тем, что охлаждающая система имеет первый отсек охлаждения, первое устройство принудительной циркуляции воздуха между первой камерой для хранения продуктов и первым отсеком охлаждения, второе устройство принудительной циркуляции воздуха между второй камерой для хранения продуктов и первым отсеком охлаждения, второй отсек охлаждения, третье устройство принудительной циркуляции воздуха между блоком кондиционирования и вторым отсеком охлаждения, первое агрегатное отделение с первым холодильным агрегатом, содержащим первый охлаждающий элемент, размещенный в первом отсеке охлаждения, и второе агрегатное отделение со. вторым холодильным агрегатом, содержащим второй охлаждающий элемент, размещенный во втором отсеке охлаждения.
47. Холодильник многофункциональный по п.20, отличающийся тем, что охлаждающая система включает дополнительно второе агрегатное отделение, второй и третий охлаждающие элементы, первый и второй отсеки охлаждения, первое и второе устройства принудительной циркуляции.
48. Холодильник многофункциональный по п.47, отличающийся тем, что охлаждающая система имеет первый отсек охлаждения, первое устройство принудительной циркуляции воздуха между первой камерой для хранения продуктов и первым отсеком охлаждения, второй отсек охлаждения, второе устройство принудительной циркуляции воздуха между второй камерой для хранения продуктов и вторым отсеком охлаждения, первое агрегатное отделение с первым холодильным агрегатом, содержащим распределительный блок, и два, связанных с ним, охлаждающих элемента, первый охлаждающий элемент размещен в первом отсеке охлаждения, второй охлаждающий элемент – во втором отсеке охлаждения, и второе агрегатное отделение со вторым холодильным агрегатом, содержащим третий охлаждающий элемент, размещенный в блоке кондиционирования.
49. Холодильник многофункциональный по п.47, отличающийся тем, что охлаждающая система имеет первый отсек охлаждения, первое устройство принудительной циркуляции воздуха между первой камерой для хранения продуктов и первым отсеком охлаждения, второй отсек охлаждения, второе устройство принудительной циркуляции воздуха между блоком кондиционирования и вторым отсеком охлаждения, первое агрегатное отделение с первым холодильным агрегатом, содержащим распределительный блок, и два, связанных с ним, охлаждающих элемента, первый охлаждающий элемент размещен в первом отсеке охлаждения, второй охлаждающий элемент – во второй камере для хранения продуктов, и второе агрегатное отделение, со вторым холодильным агрегатом, содержащим третий охлаждающий элемент, размещенный во втором отсеке охлаждения.
50. Холодильник многофункциональный по п.47, отличающийся тем, что охлаждающая система имеет первый отсек охлаждения, первое устройство принудительной циркуляции воздуха между второй камерой для хранения продуктов и первым отсеком охлаждения, второй отсек охлаждения, второе устройство принудительной циркуляции воздуха между блоком кондиционирования и вторым отсеком охлаждения, первое агрегатное отделение с первым холодильным агрегатом, содержащим распределительный блок, и два, связанных с ним, охлаждающих элемента, первый охлаждающий элемент размещен в первой камере для хранения продуктов, второй охлаждающий элемент – в первом отсеке охлаждения, и второе агрегатное отделение со вторым холодильным агрегатом, содержащим третий охлаждающий элемент, размещенный во втором отсеке охлаждения.
51. Холодильник многофункциональный по п.47, отличающийся тем, что охлаждающая система имеет первый отсек охлаждения, первое устройство принудительной циркуляции воздуха между первой камерой для хранения продуктов и первым отсеком охлаждения, второй отсек охлаждения, второе устройство принудительной циркуляции воздуха между второй камерой для хранения продуктов и вторым отсеком охлаждения, первое агрегатное отделение с первым холодильным агрегатом, содержащим первый охлаждающий элемент, размещенный в первом отсеке охлаждения, и вторым холодильным агрегатом, содержащим второй охлаждающий элемент, размещенный во втором отсеке охлаждения, и второе агрегатное отделение с третьим холодильным агрегатом, содержащим третий охлаждающий элемент, размещенный в блоке кондиционирования.
52. Холодильник многофункциональный по п.47, отличающийся тем, что охлаждающая система имеет первый отсек охлаждения, первое устройство принудительной циркуляции воздуха между первой камерой для хранения продуктов и первым отсеком охлаждения, второй отсек охлаждения, второе устройство принудительной циркуляции воздуха между блоком кондиционирования и вторым отсеком охлаждения, первое агрегатное отделение с первым холодильным агрегатом, содержащим первый охлаждающий элемент, размещенный в первом отсеке охлаждения, и вторым холодильным агрегатом, содержащим второй охлаждающий элемент, размещенный во второй камере для хранения продуктов, и второе агрегатное отделение с третьим холодильным агрегатом, содержащим третий охлаждающий элемент, размещенный во втором отсеке охлаждения.
53. Холодильник многофункциональный по п.47, отличающийся тем, что охлаждающая система имеет первый отсек охлаждения, первое устройство принудительной циркуляции воздуха между второй камерой для хранения продуктов и первым отсеком охлаждения, второй отсек охлаждения, второе устройство принудительной циркуляции воздуха между блоком кондиционирования и вторым отсеком охлаждения, первое агрегатное отделение с первым холодильным агрегатом, содержащим первый охлаждающий элемент, размещенный в первой камере для хранения продуктов и вторым холодильным агрегатом, содержащим второй охлаждающий элемент, размещенный в первом отсеке охлаждения, и второе агрегатное отделение с третьим холодильным агрегатом, содержащим третий охлаждающий элемент, размещенный во втором отсеке охлаждения.
54. Холодильник многофункциональный по п.20, отличающийся тем, что охлаждающая система, включает дополнительно второй и третий охлаждающие элементы, первый, второй и третий отсеки охлаждения, первое, второе и третье устройства принудительной циркуляции.
55. Холодильник многофункциональный по п.51, отличающийся тем, что охлаждающая система имеет первый отсек охлаждения, первое устройство принудительной циркуляции воздуха между первой камерой для хранения продуктов и первым отсеком охлаждения, второй отсек охлаждения, второе устройство принудительной циркуляции воздуха между второй камерой для хранения продуктов и вторым отсеком охлаждения, третий отсек охлаждения, третье устройство принудительной циркуляции воздуха между блоком кондиционирования и третьим отсеком охлаждения, первый холодильный агрегат, содержащий, распределительный блок, и три, связанных с ним, охлаждающих элемента, первый охлаждающий элемент размещен в первом отсеке охлаждения, второй охлаждающий элемент – во втором отсеке охлаждения, третий охлаждающий элемент – в третьем отсеке охлаждения.
56. Холодильник многофункциональный по п.51, отличающийся тем, что охлаждающая система имеет первый отсек охлаждения, первое устройство принудительной циркуляции воздуха между первой камерой для хранения продуктов и первым отсеком охлаждения, второй отсек охлаждения, второе устройство принудительной циркуляции воздуха между второй камерой для хранения продуктов и вторым отсеком охлаждения, третий отсек охлаждения, третье устройство принудительной циркуляции воздуха между блоком кондиционирования и третьим отсеком охлаждения, первое агрегатное отделение с первым холодильным агрегатом, содержащим распределительный блок, и два, связанных с ним, охлаждающих элемента, первый охлаждающий элемент размещен в первом отсеке охлаждения, второй охлаждающий элемент – во втором отсеке охлаждения, и второе агрегатное отделение со вторым холодильным агрегатом, содержащим третий охлаждающий элемент, размещенный в третьем отсеке охлаждения.
57. Холодильник многофункциональный по п.51, отличающийся тем, что охлаждающая система имеет первый отсек охлаждения, первое устройство принудительной циркуляции воздуха между первой камерой для хранения продуктов и первым отсеком охлаждения, второй отсек охлаждения, второе устройство принудительной циркуляции воздуха между второй камерой для хранения продуктов и вторым отсеком охлаждения, третий отсек охлаждения, третье устройство принудительной циркуляции воздуха между блоком кондиционирования и третьим отсеком охлаждения, первое агрегатное отделение с первым холодильным агрегатом, содержащим первый охлаждающий элемент, размещенный в первом отсеке охлаждения, и вторым холодильным агрегатом, содержащим второй охлаждающий элемент, размещенный во втором отсеке охлаждения, второе агрегатное отделение с третьим холодильным агрегатом, содержащим третий охлаждающий элемент, размещенный в третьем отсеке охлаждения.
58. Холодильник многофункциональный по п.20, отличающийся тем, что видеомодуль имеет плоский экран, расположенный на стеклянной поверхности стеклопакета элементов оконного блока.
59. Холодильник многофункциональный по п.20, отличающийся тем, что оконный блок выполнен, с подвижными створками, имеющими электропривод.
60. Холодильник многофункциональный, по п.20, отличающийся тем, что в качестве модуля передачи тепла первой камеры для хранения продуктов используется тепловая труба, представляющая собой герметизированную конструкцию, частично заполненную жидким теплоносителем, герметично установленная в теплоизолированном корпусе первой камеры для хранения продуктов таким образом, что первая часть тепловой трубы контактирует с воздухом первой камеры для хранения продуктов, вторая часть – с наружным воздухом, обеспечивающая при работе необходимый теплообмен между воздухом в первой камере для хранения продуктов и наружным воздухом, включаемая и отключаемая регулирующим устройством с помощью исполнительного устройства по сигналу задатчика, входящих в рабочий блок системы использования природного холода наружного воздуха.
61. Холодильник многофункциональный по п.20, отличающийся тем, что модуль передачи тепла первой камеры для хранения продуктов выполнен в виде закрытой полости, заполненной газообразной средой с низкой теплопроводностью с двумя противоположными подвижными тонкими стенками из теплопроводного материала, и герметично установлен в теплоизолированном корпусе первой камеры для хранения продуктов таким образом, что стенки из теплопроводного материала контактируют одна с наружным воздухом, другая с воздухом первой камеры для хранения продуктов и сводятся и разводятся друг от друга на определенное расстояние регулирующим устройством с помощью исполнительного устройства по сигналу задатчика, входящих в рабочий блок системы использования природного холода наружного воздуха, обеспечивая необходимый естественный теплообмен между воздухом в первой камере для хранения продуктов и наружным воздухом через стенки модуля передачи тепла.
62. Холодильник многофункциональный по п.20, отличающийся тем, что модуль передачи тепла первой камеры для хранения продуктов выполнен в виде открывающейся полости, одна из сторон которой представляет из себя сплошную стенку из теплопроводного материала, а другая открывающиеся шторки из теплоизоляционных материалов, и герметично установлен в теплоизолированном корпусе первой камеры для хранения продуктов таким образом, что одна его сторона контактирует с наружным воздухом, а другая с воздухом первой камеры для хранения продуктов, шторки открываются или закрываются на определенную величину регулирующим устройством с помощью исполнительного устройства по сигналу задатчика, входящих в, рабочий блок системы использования природного холода наружного воздуха, обеспечивая необходимый естественный теплообмен между воздухом в первой камере для хранения продуктов и наружным воздухом через сплошную стенку из теплопроводного материала.
63. Холодильник многофункциональный по п.20, отличающийся тем, что модуль передачи тепла первой камеры для хранения продуктов выполнен в виде закрытой емкости с отверстием, пропускающим в нее воздух первой камеры для хранения продуктов, или наружный воздух, или воздух помещения, заполняемой и опорожняемой жидкой незамерзающей средой из сосуда через трубчатый канал, герметично установленной в теплоизолированном корпусе первой камеры для хранения продуктов таким образом, что одна сторона закрытой емкости контактирует с уличным воздухом, а другая с воздухом первой камеры для хранения продуктов, регулирующее устройство по сигналу задатчика с помощью исполнительного устройства рабочего блока системы использования природного холода наружного воздуха обеспечивает подачу из сосуда и поддержание определенного количества жидкой незамерзающей среды в полости закрытой емкости, обеспечивая необходимый естественный теплообмен между воздухом в первой камере для хранения продуктов и наружным воздухом через стенки закрытой емкости и жидкую незамерзающую среду.
64. Способ охлаждения и поддержания температуры воздуха в первой камере холодильника многофункционального по любому из пп.2-13 и 21-57 при помощи природного холода наружного воздуха, отличающийся тем, что охлаждение и поддержание температуры воздуха в первой камере дополнительно осуществляют за счет регулирования теплообменных процессов между наружным воздухом и воздухом в первой камере через модуль передачи тепла первой камеры путем включения или отключения “тепловой трубы”, при работе которой жидкий теплоноситель, испаряясь с поглощением теплоты в первой части тепловой трубы, движется ко второй части тепловой трубы, охлаждаемой наружным воздухом, где конденсируется с выделением теплоты и возвращается к месту испарения, повторяя естественную циркуляцию до отключения тепловой трубы.
65. Способ охлаждения и поддержания температуры воздуха в первой камере холодильника многофункционального по любому из пп.2-13 и 21-57 при помощи природного холода наружного воздуха, отличающийся тем, что охлаждение и поддержание температуры воздуха в первой камере дополнительно осуществляют за счет регулирования теплообменных процессов между наружным воздухом и воздухом в первой камере через модуль передачи тепла первой камеры путем изменения толщины прослойки среды с низкой теплопроводностью, заключенной в полости модуля передачи тепла первой камеры между двумя тонкими подвижными стенками из теплопроводных материалов.
66. Способ охлаждения и поддержания температуры воздуха в первой камере холодильника многофункционального по любому из пп.2-13 и 21-57 при помощи природного холода наружного воздуха, отличающийся тем, что охлаждение и поддержание температуры воздуха в первой камере дополнительно осуществляют за счет регулирования теплообменник процессов между наружным воздухом и воздухом в первой камере через модуль передачи тепла путем перемещения шторок из теплоизоляционных материалов относительно сплошной стенки из теплопроводного материала на определенную величину и соответствующего открытия или перекрытия доступа воздушных масс к сплошной стенке из теплопроводного материала.
67. Способ охлаждения и поддержания температуры воздуха в первой камере холодильника многофункционального по любому из пп.2-13 и 21-57 при помощи природного холода наружного воздуха, отличающийся тем, что охлаждение и поддержание температуры воздуха в первой камере дополнительно осуществляют за счет регулирования теплообменных процессов между наружным воздухом и воздухом в первой камере через модуль передачи тепла путем заполнения емкости модуля передачи тепла жидкой незамерзающей средой и ее заменой на воздух первой камеры, или наружный воздух, или воздух помещения в процессе опорожнения емкости.
РИСУНКИ
|
|