|
(21), (22) Заявка: 2008112783/09, 02.04.2008
(24) Дата начала отсчета срока действия патента:
02.04.2008
(46) Опубликовано: 10.12.2009
(56) Список документов, цитированных в отчете о поиске:
SU 674181 A1, 15.07.1979. RU 2081505 C1, 10.06.1997. RU 2100899 C1, 27.12.1997. SU 1647838 A1, 07.05.1991. WO 0019593 A1, 06.04.2000.
Адрес для переписки:
663690, Красноярский край, г. Зеленогорск, ул. Первая Промышленная, 1, ОАО “ПО ЭХЗ”
|
(72) Автор(ы):
Тарасов Владимир Николаевич (RU), Белов Михаил Михайлович (RU), Сизякин Алексей Вячеславович (RU), Дерябкин Станислав Валентинович (RU), Мочалов Павел Вениаминович (RU), Радиевский Сергей Вячеславович (RU), Красильников Александр Николаевич (RU)
(73) Патентообладатель(и):
Открытое акционерное общество “Производственное объединение “Электрохимический завод” (ОАО “ПО ЭХЗ”) (RU)
|
(54) СПОСОБ ДВУХЗОННОГО АМПЛИТУДНО-ФАЗОВОГО ПЕРЕВОЗБУЖДЕНИЯ СИНХРОННО-ГИСТЕРЕЗИСНЫХ ЭЛЕКТРОДВИГАТЕЛЕЙ
(57) Реферат:
Изобретение относится к области электротехники. Техническим результатом является повышение энергетической эффективности перевозбуждения СГД, снижение колебаний момента и скорости при регулировании и обеспечение устойчивости. Для этого в способе одновременно с увеличением и последующим снижением напряжения питания до начального уровня регулируют фазу результирующего вектора напряжения, предварительно определяют период собственных колебаний двигателей Т0 с инерционной нагрузкой при начальном уровне напряжения, увеличение напряжения от начального уровня производят за время значительно меньшее Т0 (например, 0,01 Т0), а одновременный поворот фазы вектора напряжения против направления вращения ротора двигателя осуществляют на угол  =15÷20 эл. гр. относительно фазы синхронной системы координат, последующее снижение напряжения до начального уровня напряжения производят также за время меньшее Т0 (меньше 0,01 Т0) с одновременным поворотом фазы вектора напряжения по направлению вращения ротора на той же величины угол  . 1 з.п. ф-лы, 4 ил.
Изобретение относится к области электротехники и может найти применение в электроприводе электроверетен, центрифуг, преимущественно – в многодвигательном приводе технологических линий.
Известен способ перевозбуждения и управления синхронно-гистерезисными двигателями (СГД), при котором после входа двигателей в синхронизм повышают напряжение питания на время 1-3 секунды, а затем снижают [Делекторский Б.А., Тарасов В.Н. Управляемый гистерезисный привод. М.: Энергоатомиздат, 1983,
с.78-79]. На этапе нарастания напряжения происходит намагничивание ротора и увеличение ЭДС с уровня E01 до Е02>Е01, а при снижении напряжения уровень ЭДС примерно сохраняется E03 E02, а степень возбуждения ,
где U3 – напряжение питания, увеличивается по сравнению с , т.к. уровень начального напряжения сохраняется U1=U3, a E03>E01. Этот процесс принято называть режимом перевозбуждения СГД.
Такое регулирование дает удовлетворительный результат лишь при работе на холостом ходу СГД и при плавном увеличении и снижении напряжения. В противном случае из-за изменения положения вектора намагниченности ротора относительно тела ротора возникают колебания ротора, которые сопровождаются его размагничиванием и снижением эффективности перевозбуждения.
Наиболее близким техническим решением является способ перевозбуждения и управления синхронно-гистерезисных электродвигателей с инерционной нагрузкой, при котором одновременно с увеличением и последующим снижением напряжения питания до начального уровня регулируют фазу напряжения питания [А.с. СССР 674181, МКИ Н02Р 7/44. Опубл. 15.07.1979. Способ перевозбуждения синхронных гистерезисных электродвигателей / Н.Н.Рудановский и др.]. Это решение принципиально может устранить недостатки изложенного выше способа, если будут согласованы временные интервалы нарастания напряжения и углы поворота фазы результирующего вектора напряжения. Однако указанное техническое решение не определяет эти интервалы, поэтому использование его ограничено и недостаточно эффективно.
Задача изобретения – повышение энергетической эффективности перевозбуждения СГД, снижение колебаний момента и скорости при регулировании и обеспечение устойчивости.
Поставленная цель достигается тем, что в способе двухзонного амплитудно-фазового перевозбуждения синхронных гистерезисных электродвигателей с инерционной нагрузкой, при котором одновременно с увеличением и последующим снижением напряжения питания регулируют фазу результирующего вектора напряжения, дополнительно предварительно определяют период собственных колебаний двигателей Т0 с инерционной нагрузкой при начальном уровне напряжения питания, увеличение напряжения от начального уровня производят за время значительно меньшее Т0 (например, меньше 0,01 Т0), а одновременный поворот фазы вектора напряжения против направления вращения ротора осуществляют на угол  =15÷20 эл. гр. относительно фазы синхронной системы координат, последующее снижение напряжения до начального уровня производят также за время меньшее, чем 0,01 Т0, с одновременным поворотом фазы вектора напряжения по направлению вращения ротора на той же величины угол  . Время увеличения и снижения напряжения при перевозбуждении выбирают из условия исключения влияния собственных колебаний СГД на процесс намагничивания, а также необходимости снижения энергетических затрат. Величина угла  =15÷20 эл. гр. получена расчетным путем с учетом того, что максимальный угол поворота ротора по отношению к синхронно вращающейся системе координат по угловой характеристике не превышает 55÷60 эл. гр.
Дополнительно в способе двухзонного амплитудно-фазового перевозбуждения синхронных гистерезисных электродвигателей после снижения напряжения до начального уровня определяют сверхнормативный запас по моменту и осуществляют последующее плавное снижение напряжения до рабочего уровня за время много большее Т0 (например, больше 10 Т0). Это время выбирают из условия завершения колебательных процессов движения ротора СГД.
Для реализации способа при питании двигателей от статического преобразователя частоты, включающего в себя инвертор напряжения, могут быть использованы различные способы регулирования напряжения:
– широтно-импульсное регулирование напряжения в инверторе по одному из известных способов модуляции;
– применение вольто-добавки переменного тока на выходе инвертора;
– использование вольто-добавки постоянного тока в цепи постоянного тока инвертора.
Для пояснения существа способа наиболее просто рассмотреть регулирование с использованием вольто-добавки постоянного тока.
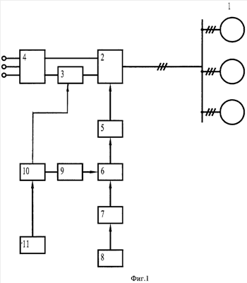
На фиг.1 показана принципиальная схема реализации двухзонного амплитудно-фазового способа перевозбуждения синхронно-гистерезисных электродвигателей.
На фиг.2а приведены переходные процессы изменения положения ротора на угловой характеристике.
На фиг.2б – намагничивание СГД увеличением импульса тока в течение 3-х периодов питания.
На фиг.2в – колебания тока, момента в результате намагничивания.
На фиг.3 – аналогичные зависимости оптимизации процесса намагничивания при намагничивании СГД одним импульсом тока.
На фиг.4 приведены кривые пространственного распределения магнитодвижущей силы статора МДС (F1, Fmax) и изменения уровня индукции ротора (ВР и B1P) при намагничивании: фиг.4а – характеристики при амплитудном регулировании, фиг.4б – при амплитудно-фазовом регулировании.
Устройство для реализации способа (фиг.1) содержит один или группу синхронно-гистерезисных двигателей 1, подключенных к инвертору напряжения 2, вход которого через блок 3 управляемой вольто-добавки подключен к выпрямителю 4. Схема управления частотой содержит распределитель импульсов 5, который управляет ключами инвертора 2, регулятор фазы 6, один вход которого через делитель частоты 7 подключен к задающему генератору 8, а второй управляющий вход через блок управления регулятором 9 фазы  результирующего вектора напряжения соединен с блоком управления 10 режимами перевозбуждения СГД, вход блока управления 10 может быть соединен с программным устройством 11, реализующим либо периодическое подмагничивание, либо подмагничивание в зависимости от степени возбуждения СГД, а другой выход блока управления 10 соединен с блоком 3 управляемой вольто-добавки.
Работа по способу двухзонного амплитудно-фазового перевозбуждения поясняется на примере работы устройства реализации.
Двигатель или группа двигателей 1 пускаются при включении инвертора 2 по одному из следующих законов:
– частотным способом;
– при постоянной частоте и форсированном напряжении;
– при постоянной частоте и номинальном напряжении питания.
Рассмотрим базовый режим, когда пуск двигателя до номинальной частоты fH заканчивается при номинальном напряжении UH, равном пусковому напряжению UП. При этом магнитная система двигателя ненасыщенна, т.е. имеется возможность намагнитить двигатель и достичь режима перевозбуждения путем увеличения напряжения до форсированного уровня UФ.
Дискретное увеличение или снижение напряжения осуществляется путем включения или отключения вольто-добавки, что сопровождается резким изменением электромагнитного момента СГД и появлением качаний. Это снижает эффективность перевозбуждения и приводит к длительному колебательному процессу движения ротора, соответственно момента, тока и мощности в цепях источника питания.
Частота колебаний определяется моментом инерции j ротора двигателя с присоединенной нагрузкой и синхронизирующим моментом , где Мэл – электромагнитный момент, – угол поворота ротора по отношению к синхронно вращающейся системе координат. Мэл=f( ) – характеризует наклон угловой характеристики.
Как правило, для высокооборотных электроверетен, центрифуг период собственных колебаний составляет 0,3÷5 с, а 0=3,3÷0,2 Гц и ниже.
Появление колебаний при дискретном увеличении напряжения связано со смещением вектора намагниченности ротора относительно тела ротора на угол  и изменением наклона угловой характеристики. На фиг.2а показаны соответственно:
– исходная угловая характеристика А – при UH=UП;
– характеристика В – при напряжении намагничивания U=UФ;
– характеристика С – при снижении напряжения вновь до напряжения UH=UП.
Установлено [см. указанный выше аналог, стр.86-90], что процесс намагничивания ротора заканчивается при дискретном регулировании напряжения за десятые доли периода питающего напряжения. Поэтому за время намагничивания инерционный ротор не изменяет своего углового положения в синхронной системе координат, а его движение начинается после намагничивания в соответствии с изменением момента на угловой характеристике. В рассмотренном выше случае – это изменение точки равновесия, когда электромагнитный момент Мэл равен моменту сопротивления Мс, по траектории A1 B1 C1 C2. Точка A1 – исходное положение равновесия, точка С2 – конечная точка равновесия. Смещение угловой характеристики на угол  1 и изменение ее наклона вызывает колебательный процесс движения ротора, что показано на осциллограмме фиг.2в.
Для уменьшения колебательного процесса необходимо процесс увеличения напряжения, создаваемый блоком вольто-добавки 3, сопровождать изменением фазы результирующего вектора напряжения в переходном процессе намагничивания, поворачивая его против направления вращения на угол  =15÷20 эл. гр. Выбор этого угла определен расчетом и экспериментально для большинства СГД с учетом того, что максимальный по угловой характеристике не превышает 55÷60 эл. гр.
В результате смещение угловой характеристики (фиг.3а) будет меньше, чем аналогичное смещение по фиг.2а ( 2< 1), и в идеале может быть обеспечен переходный процесс намагничивания без всяких колебаний или с минимальным возмущением по моменту. На фиг.3б показан процесс импульсного намагничивания, обеспечивший согласование положений угловых характеристик, величин электромагнитного момента и момента сопротивления на фиг.3а, что обеспечивает минимальные колебания ротора (фиг.3в).
На фиг.3б показан переходный процесс импульсного намагничивания, где цифра 1 отражает ток до намагничивания, цифра 2 – ток в импульсе i2, цифра 3 – ток СГД после намагничивания i3. Дополнительно одновременное изменение импульсов тока по всем фазам СГД приводит к требуемому повороту при намагничивании результирующего вектора напряжения.
Обычно достаточно 3-5 периодов питания для достижения требуемой намагниченности. На фиг.2б показан переходный процесс намагничивания в течение 3-х периодов питания, где соответственно цифрами 1, 2, 3 показаны токи до намагничивания i1, во время намагничивания i2 и после намагничивания i3, когда достигается режим перевозбуждения. Дополнительное регулирование фазы результирующего вектора напряжения на угол  в этом случае также минимизирует колебания ротора.
Кроме того, поворот вектора напряжения при намагничивании вносит дополнительный фактор в увеличение уровня намагниченности ротора за счет как увеличения намагниченности всего объема ротора, так и создания вращательного намагничивания, когда вектор магнитодвижущей силы статора изменяется относительно ротора не только по амплитуде, но и по фазе, скользя относительно тела ротора.
Для примера на фиг.4а показан процесс амплитудного намагничивания объема ротора, изображенного в виде развернутого полюсного деления ( P) с разделением на сектора ( P1, Р2 P6). Увеличение МДС статора с уровня F1 до Fmax приводит к намагничиванию ротора (кривая ВР=f( )) с выделением первой гармоники В1Р=f( Р). Объемы ротора P1 и P6 получили незначительное подмагничивание, т.к. находились в начале и конце полуволны МДС.
То же самое увеличение МДС статора с уровня F1 до Fmax и с дополнительным поворотом вектора МДС на угол  (фиг.4б) создает дополнительное подмагничивание и в этих объемах ( P1 и Р6). Результирующая кривая намагничивания ВР=f( Р) приобретает уплощенный вид с увеличением первой гармоники ВР1=f( P) по сравнению с аналогичными зависимостями по фиг.4а.
В результате образуется как бы двухзонное намагничивание за счет увеличения МДС статора и дополнительно за счет поворота вектора МДС. Это приводит к увеличению противо ЭДС двигателя, увеличению электромагнитного момента, коэффициента мощности и КПД двигателя. Ориентировочно приращение намагниченности незначительно и составляет 5÷10%, но при желании достичь предельные энергетические показатели это приращение следует учитывать и реализовать через регулирование фазы вектора напряжения с помощью блока 6.
Таким образом, амплитудно-фазовое намагничивание при изменении фазы и времени намагничивания в установленных диапазонах позволяет решить две задачи – уменьшение качаний ротора и увеличение общей намагниченности ротора, что увеличивает КПД двигателя до уровня 91-93% при оптимизации всех составляющих: параметров двигателя и алгоритмов управления.
Увеличение запаса по моменту при намагничивании может быть дополнительно использовано для увеличения отдаваемой мощности СГД, либо при постоянной мощности нагрузки позволяет дополнительно снизить уровень рабочего напряжения, уменьшая этим самым потери в стали и в конструкции изделия.
Стабилизация энергетических показателей возможна двумя способами:
– контролем за проявлением дестабилизирующих факторов в системе:
сбой по частоте, прерывание питания и т.д. с последующим повторением цикла регулирования возбуждения СГД;
– либо периодическим подмагничиванием с частотой импульсов в 3-5 раз выше частоты собственных качаний ротора, что создается программным блоком 11. При этом дополнительно демпфируются колебания ротора.
Формула изобретения
1. Способ двухзонного амплитудно-фазового перевозбуждения синхронных гистерезисных электродвигателей с инерционной нагрузкой, при котором одновременно с увеличением и последующим снижением напряжения питания регулируют фазу результирующего вектора напряжения, отличающийся тем, что предварительно определяют период собственных колебаний двигателей Т0 с инерционной нагрузкой при начальном уровне напряжения, увеличение напряжения от начального уровня производят за время, значительно меньшее Т0 (например 0,01 Т0), а одновременный поворот фазы вектора напряжения против направления вращения ротора двигателя осуществляют на угол  =15÷20 эл. гр. относительно фазы синхронной системы координат, последующее снижение напряжения до начального уровня напряжения производят также за время меньшее Т0 (меньше 0,01 Т0) с одновременным поворотом фазы вектора напряжения по направлению вращения ротора на той же величины угол  .
2. Способ двухзонного амплитудно-фазового перевозбуждения синхронных гистерезисных электродвигателей по п.1, отличающийся тем, что после снижения напряжения до начального уровня напряжения определяют сверхнормативный запас по моменту и осуществляют последующее плавное снижение напряжения до рабочего уровня, когда исчерпывается сверхнормативный запас по моменту за время, много большее Т0 (больше 10 Т0).
РИСУНКИ
|