|
|
(21), (22) Заявка: 2008119993/09, 20.05.2008
(24) Дата начала отсчета срока действия патента:
20.05.2008
(46) Опубликовано: 10.12.2009
(56) Список документов, цитированных в отчете о поиске:
RU 2079204 C1, 10.05.1997. RU 2234184 C1, 10.08.2004. GB 1338818 A, 28.11.1973. US 4454455 A, 12.06.1984. DE 2254937 A1, 02.05.1974. JP 2001352776 A, 21.12.2001. EP 0223102 A1, 27.05.1987. WO 2006005563 A1, 19.01.2006.
Адрес для переписки:
601903, Владимирская обл., Ковров, ул. Крупской, 55, БПИР, А.Г. Останиной, ОАО “Специальное конструкторское бюро приборостроения и автоматики”
|
(72) Автор(ы):
Орленко Владимир Васильевич (RU), Гаменюк Юрий Юрьевич (RU)
(73) Патентообладатель(и):
Открытое акционерное общество “Специальное конструкторское бюро приборостроения и автоматики” (RU)
|
(54) УСТРОЙСТВО УПРАВЛЕНИЯ ДВИГАТЕЛЕМ ПОСТОЯННОГО ТОКА
(57) Реферат:
Изобретение относится к области электротехники и может быть использовано для управления электродвигателями постоянного тока. Техническим результатом является расширение функциональных возможностей и повышение надежности устройства управления двигателем постоянного тока. Устройство управления двигателем постоянного тока содержит источник питания, фильтр, инвертор, нагрузку собственных нужд, датчик тока, импульсный трансформатор с дополнительно введенными двумя обмотками с двумя одинаковыми частями каждая, четыре силовых ключа, два емкостных накопителя и блок управления нагрузкой. Упомянутые элементы соединены между собой так, как указано в материалах заявки. 5 ил.
Изобретение относится к электротехнике и может быть использовано преимущественно для управления электродвигателями постоянного тока.
Известно устройство управления двигателем постоянного тока, в котором энергия коммутационных потерь при торможении двигателя используется для питания обмотки возбуждения двигателя (патент РФ 2131161).
Наиболее близким по технической сущности к заявляемому устройству является система регулирования тока с противо-ЭДС (патент РФ 2079204), содержащая источник питания, последовательно соединенные фильтр и автономный инвертор, нагрузку собственных нужд, подключенную к дополнительной обмотке импульсного трансформатора, синхронизатор, блок управления, два ключа, соединенные силовыми выводами с выходной обмоткой импульсного трансформатора, два коммутатора, два дополнительных источника питания, датчик тока, нагрузку с противо-ЭДС, генератор импульсов.
Недостатками известного устройства, выбранного в качестве прототипа являются:
1. Включение и выключение инвертора при включении и выключении режима рекуперации происходят без синхронизации с периодом переключения транзисторов инвертора, что может привести к подмагничиванию сердечника трансформатора и соответственно к токовой перегрузке в инверторе и снижению надежности.
2. Если в качестве нагрузки применяется двигатель постоянного тока, то невозможно реверсирование, что ограничивает функциональные возможности устройства.
3. Ключи, коммутирующие нагрузку, работают с частотой в два раза меньшей, чем ключи инвертора, при этом динамические потери пропорциональны напряжению питания и частоте коммутации. В случае применения высоковольтной нагрузки для снижения потерь придется снижать частоту коммутации высоковольтных ключей и соответственно частоту коммутации ключей инвертора, что приведет к увеличению габаритов трансформатора инвертора, а это сужает область применения устройства.
Целью предполагаемого изобретения является расширение функциональных возможностей и повышение надежности устройства управления двигателем постоянного тока.
Поставленная цель достигается тем, что в устройство управления двигателем постоянного тока, содержащее источник питания, фильтр, инвертор, соединенный с первичной обмоткой импульсного трансформатора, другую обмотку импульсного трансформатора, соединенную с нагрузкой собственных нужд, датчик тока согласно изобретению дополнительно введены первая и вторая обмотки импульсного трансформатора, каждая состоящая из двух одинаковых частей, четыре силовых ключа, два емкостных накопителя и блок управления нагрузкой, при этом первые и вторые выводы первой и второй обмоток соединены с первыми силовыми выводами первого, второго, третьего и четвертого ключей, вторые выводы которых соединены между собой и с первым выводом датчика тока, второй вывод которого соединен с первым выводом нагрузки, второй вывод которой соединен с первыми силовыми выводами пятого и шестого ключей, вторые выводы которых соединены со средними выводами первой и второй обмоток импульсного трансформатора, которые также соединены с первыми силовыми выводами первого и второго двухсторонних ключей, вторые выводы которых соединены соответственно с первыми выводами первого и второго емкостных накопителей, вторые выводы которых соединены между собой и первым выводом датчика тока, управляющие выводы первого, второго, третьего, четвертого, пятого и шестого ключей соединены с соответствующими выходами первого драйвера, вход которого соединен с первым выходом блока управления нагрузкой, второй выход которого соединен со входом второго драйвера, выход которого соединен со входом управления инвертора, третий и четвертый выходы блока управления нагрузкой соединены со входами управления первого и второго двухсторонних ключей, первый и второй входы блока управления нагрузкой соединены с первым и вторым выводами датчика тока, третий вход блока управления нагрузкой соединен со вторым выводом нагрузки.
В заявляемом устройстве все признаки, входящие в отличительную часть формулы, используются каждый в отдельности по своему назначению. Однако их совокупность в указанной взаимосвязи обеспечивает достижение нового технического результата – степень надежности устройства и его функциональные возможности, которые неизвестны из уровня техники (устройств аналогичного назначения), а именно:
1) за счет того, что частота коммутации силовых ключей не зависит от рабочей частоты инвертора, следовательно, возможно применение устройства для управления двигателем постоянного тока с высоким рабочим напряжением, что расширяет область его применения;
2) введен режим реверсирования двигателя, что также расширяет функциональные возможности устройства;
3) за счет синхронизации момента переключения силовых ключей и момента коммутации инвертора, при этом обеспечивается полный цикл перемагничивания сердечника трансформатора, исключается связанная с намагничиванием сердечника токовая перегрузка инвертора и повышается надежность;
4) накопленная в емкостных накопителях энергия используется в режимах разгона и реверса, что снижает потери в инверторе, так как в этот момент он выключен. Это снижает общие потери в устройстве, следовательно повышается надежность.
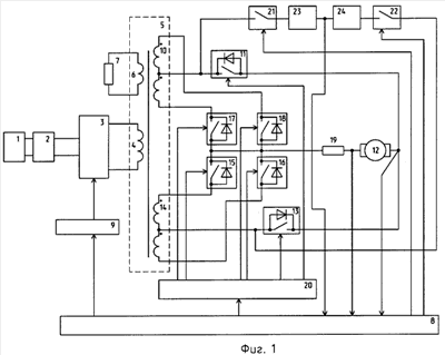
На фиг.1 представлена общая схема заявляемого устройства, на фиг.2 – эквивалентная схема устройства в режиме разгона, на фиг.3 – диаграмма переключения устройства в режиме коммутации,
на фиг.4 – эквивалентная схема устройства в режиме рекуперации, на фиг.5 – эквивалентная схема электродинамического торможения.
Устройство управления двигателем постоянного тока содержит источник питания 1, например аккумуляторную батарею, через конденсаторный фильтр 2 соединенный со входом инвертора 3, который может быть выполнен, например, по мостовой схеме на полевых транзисторах.
Инвертор 3 соединен с первичной обмоткой 4 трансформатора 5, обмотка 6 которого соединена с нагрузкой собственных нужд 7, которая может быть при этом источником питания схемы управления устройством.
Управление инвертором 3 осуществляется блоком управления нагрузкой (БУН) 8 через драйвер 9, который формирует управляющие импульсы для транзисторов инвертора 3.
Обмотка 10 трансформатора 5, состоящая из двух обмоток с одинаковым количеством витков, общим выводом соединена с первым силовым выводом ключа 11 со встроенным обратным диодом, например, биполярным транзистором с изолированным затвором М2ТКИ-200-12.
Второй силовой вывод ключа 11 соединен с первым выводом нагрузки 12, например, двигателем постоянного тока с независимым возбуждением и первым выводом ключа 13, второй вывод которого соединен со средним выводом обмотки 14 трансформатора 5.
Начало и конец обмотки 14 соединены с первыми выводами ключей 15 и 16, вторые выводы которых соединены между собой и с первыми выводами ключей 17 и 18, а также с первым выводом датчика тока 19. Датчик тока может быть выполнен в виде шунта, который вторым выводом соединен со вторым выводом нагрузки. Управляющие выводы ключей 11, 13, 15, 16, 17, 18 соединены с выходами второго драйвера 20, который формирует сигналы управления ключами в соответствии с сигналами, поступающими с БУН. Выводы датчика тока 19 и нагрузки 20 соединены также со входами БУН, в котором происходит обработка сигналов обратной связи по току и по напряжению на нагрузке.
Средние выводы обмоток 10 и 14 также соединены с первыми силовыми выводами двухсторонних ключей 21 и 22 соответственно, выполненных, например, на полупроводниковых реле. Выводы управления двухсторонних ключей 21 и 22 соединены с выходами БУН, вторые силовые выводы которых соединены с выводами емкостных накопителей 23 и 24, выполненных, например, в виде конденсаторных батарей.
Устройство работает следующим образом.
Пусть в начальный момент времени якорь двигателя постоянного тока неподвижен. Рассмотрим режим разгона до установившейся угловой скорости.
При подаче с БУН импульсного сигнала управления на драйвер ключей 20 ключ 11 замыкается с задержкой , которая определяется БУН (фиг.3). Включается инвертор 3, на обмотке 10 импульсного трансформатора появляется напряжение U, которое через диоды разомкнутых ключей 17 и 18 поступает на нагрузку с противо-ЭДС 12, например двигатель постоянного тока с независимым напряжением.
При этом ток двигателя замыкается по цепи: диоды ключей 17, 18, обмотка 10 трансформатора, замкнутый ключ 11, якорь двигателя, датчик тока 19, диоды ключей 17 и 18 (фиг.2).
При достижении током двигателя заданного максимального значения по сигналу с БУН инвертор 3 выключается, при этом момент выключения синхронизируется с периодом коммутации ключей инвертора 3 таким образом, чтобы обеспечить полный цикл перемагничивания сердечника трансформатора.
Ток двигателя замыкается по цепи: обмотка 10 трансформатора 5, диоды ключей 17, 18, замкнутый ключ 11, нагрузка 12, датчик тока 19 (фиг.2), при этом из-за того, что половины обмотки 10 имеют одинаковое количество витков и включены встречно, исключается подмагничивание сердечника трансформатора.
Далее процесс коммутации инвертора 3 продолжается, при этом ключ 11 замкнут постоянно, что значительно снижает динамические потери и повышает надежность устройства.
В этом режиме средний ток двигателя определяется схемой токоограничения, входящей в блок БУН 8, в режиме разгона устройство работает как стабилизатор тока двигателя, после завершения разгона в установившемся режиме угловая скорость двигателя определяется как
W=(U*tи/T-I*R)/Ce,
где U – напряжение на обмотке 10 или 14 в зависимости от заданного направления вращения,
I – ток двигателя,
R – сопротивление якоря двигателя,
Се – конструктивная постоянная двигателя,
Т – период широтно-импульсной
модуляции(ШИМ);
tи – время включения инвертора на периоде Т.
В соответствии с этим, напряжение двигателя, а значит и угловая скорость определяются отношением tи/T, ток двигателя определяется величиной момента сопротивления вращению, при этом в режиме регулирования ключи 11 и 13 работают с частотой ШИМ, которая составляет несколько килогерц, тогда как частота работы инвертора 3 составляет несколько десятков килогерц, что значительно снижает потери в устройстве и повышает надежность, так как потери на ключах пропорциональны частоте коммутации и коммутируемому напряжению.
Режим торможения якоря двигателя осуществляется следующим образом.
В этом режиме инвертор 3 выключен по сигналу с БУН, при этом возможны два способа осуществления торможения двигателя: рекуперативное и электродинамическое в соответствии с сигналами управления с БУН. При рекуперативном торможении ЭДС двигателя замыкается через диод разомкнутого ключа 11, две половины обмотки 10, ключи 17 и 18, датчик тока 19, второй вывод двигателя, при этом ключи 17 и 18 замыкаются и размыкаются в противофазе с частотой коммутации инвертора 3, на обмотке 6 возникает напряжение, которое используется для питания нагрузки собственных нужд 7 (фиг.4).
Время торможения определяется величиной среднего тока двигателя в момент торможения, которая задается БУН в соответствии с сигналом датчика тока 19, при этом время торможения определяет время коммутации ключей 17, 18 и составляет несколько секунд, поэтому потери в ключах 17 и 18 минимальны.
При электродинамическом способе торможения (фиг.5) ключи 11, 15-18 разомкнуты, при этом ЭДС двигателя замыкается через замкнутый ключ 13, две половины обмотки 14, диоды разомкнутых ключей 15 и 16, датчик тока 19, якорь двигателя. Напряжение самоиндукции, возникающей на индуктивности якоря двигателя в момент размыкания ключа 13, замыкается через диод разомкнутого ключа 11, замкнутый ключ 21, емкостный накопитель 23 и датчик тока 19.
Величина тока торможения двигателя, а следовательно время торможения определяется БУН, при этом энергия вращения двигателя аккумулируется в накопителе 23 и определяется как
Wн=((U1)^2-(U0)^2)*C/2,
где U0 – начальное значение напряжения на накопителе до момента начала торможения;
U1 – значение напряжения на накопителе в конце интервала торможения;
С – емкость накопителя.
Аналогично происходит электродинамическое торможение при вращении якоря двигателя в другую сторону, при этом ЭДС замыкается по цепи: датчик тока 19, диоды разомкнутых ключей 17, 18, обмотка 10 трансформатора 5, замкнутый ключ 11, якорь двигателя 12.
При размыкании ключа 11 ток двигателя протекает по цепи: якорь двигателя 12, датчик тока 19, накопитель 24, замкнутый ключ 22, якорь двигателя, при этом происходит заряд накопителя 24.
Энергия, накопленная в накопителях 23 и 24, используется в режиме разгона, при этом по сигналу управления с БУН инвертор 3 выключен, а включаются по сигналу с БУН 8 ключи 21 или 22 в зависимости от заданного направления вращения вала двигателя, при этом напряжение на двигатель поступает с накопителя 23 или 24 соответственно, а мощность от источника 1 не потребляется, что повышает КПД устройства.
Режим реверса двигателя состоит из режима торможения и последующего разгона в соответствии с заданным БУН направлением вращения.
Опытные образцы заявляемого устройства подтвердили достижение указанного в описании технического результата.
Формула изобретения
Устройство управления двигателем постоянного тока, содержащее источник питания, фильтр, инвертор, соединенный с первичной обмоткой импульсного трансформатора, другую обмотку импульсного трансформатора, соединенную с нагрузкой собственных нужд, датчик тока, отличающееся тем, что в него дополнительно введены первая и вторая обмотки импульсного трансформатора, каждая состоящая из двух одинаковых частей, четыре силовых ключа, два емкостных накопителя и блок управления нагрузкой, при этом первые и вторые выводы первой и второй обмоток соединены с первыми силовыми выводами первого, второго, третьего и четвертого ключей, вторые выводы которых соединены между собой и с первым выводом датчика тока, второй вывод которого соединен с первым выводом нагрузки, второй вывод которой соединен с первыми силовыми выводами пятого и шестого ключей, вторые выводы которых соединены со средними выводами первой и второй обмоток импульсного трансформатора, которые также соединены с первыми силовыми выводами первого и второго двухсторонних ключей, вторые выводы которых соединены соответственно с первыми выводами первого и второго емкостных накопителей, вторые выводы которых соединены между собой и первым выводом датчика тока, управляющие выводы первого, второго, третьего, четвертого, пятого и шестого ключей соединены с соответствующими выходами первого драйвера, вход которого соединен с первым выходом блока управления нагрузкой, второй выход которого соединен со входом второго драйвера, выход которого соединен со входом управления инвертора, третий и четвертый выходы блока управления нагрузкой соединены со входами управления первого и второго двухсторонних ключей, первый и второй входы блока управления нагрузкой соединены с первым и вторым выводами датчика тока, третий вход блока управления нагрузкой соединен со вторым выводом нагрузки.
РИСУНКИ
|
|