|
|
(21), (22) Заявка: 2008122675/09, 04.06.2008
(24) Дата начала отсчета срока действия патента:
04.06.2008
(46) Опубликовано: 10.12.2009
(56) Список документов, цитированных в отчете о поиске:
SU 1384170 A1, 23.07.1989. SU 1104630 A1, 23.07.1984. SU 767925 A1, 30.09.1980. EP 1221767 A1, 10.07.2002.
Адрес для переписки:
601903, Владимирская обл., г.Ковров, ул. Крупской, 55, БПИР, ОАО “Специальное конструкторское бюро приборостроения и автоматики”, А.Г. Останиной
|
(72) Автор(ы):
Гаменюк Юрий Юрьевич (RU)
(73) Патентообладатель(и):
Открытое акционерное общество “Специальное конструкторское бюро приборостроения и автоматики” (RU)
|
(54) УСТРОЙСТВО УПРАВЛЕНИЯ ДВИГАТЕЛЕМ ПОСТОЯННОГО ТОКА
(57) Реферат:
Устройство относится к электротехнике и может быть использовано для управления двигателем постоянного тока, преимущественно при питании от низковольтного источника. Технический результат заключается в повышении выходной мощности и максимального момента двигателя, расширении функциональных возможностей и повышении надежности устройства управления двигателем постоянного тока. Для этого устройство содержит источник питания, блок включения, мостовой инвертор, пять датчиков тока, входной фильтр, четыре драйвера, двигатель постоянного тока, два датчика температуры, три низковольтных инвертора, три блока коммутаторов-выпрямителей, блок рекуперации, блок управления коммутацией, высоковольтный фильтр, емкостной накопитель, силовой ключ, датчик напряжения, блок управления мостовым инвертором (БУМИ) и блок управления низковольтными инверторами напряжения (БУНИН). 6 ил.
Изобретение относится к электротехнике и может быть использовано для управления двигателем постоянного тока, преимущественно при питании от низковольтного источника.
Известен цифровой электропривод постоянного тока по а.с. 1399880, в котором в режиме стабилизации скорости уменьшение амплитуды пульсации тока якоря, а значит, и скорости электродвигателя обеспечивается снижением напряжения питания преобразователя при одновременном увеличении скважности.
Для снижения пульсации момента используется регулируемый источник питания, однако не решаются вопросы повышения выходной мощности и максимального момента, а также отсутствует возможность работы устройства от низковольтного источника питания. Наличие регулируемого источника напряжения является недостатком, так как это усложняет устройство и соответственно снижает надежность, при этом в регулируемом источнике обязательно присутствует дроссель, размеры которого определяются максимальным током двигателя, это увеличивает габариты всего устройства и ограничивает область применения
Наиболее близким по технической сущности является электропривод постоянного тока по а.с. 1384170, в котором коэффициент использования силового источника питания повышается за счет переменной частоты коммутации, максимальное значение которой ограничивается. Данное устройство принято за прототип. Электроприводу-прототипу присущи следующие недостатки:
1) энергия торможения и реверса двигателя рекуперируется в источник питания и не используется в режиме разгона и реверса, что приводит к необходимости применения источника, который бы обеспечил необходимую в этих режимах максимальную мощность, что предъявляет повышенные требования к источнику питания, а это ограничивает область применения устройства;
2) с целью снижения пульсаций скорости применяется переменная частота коммутации силовых ключей, при этом максимальная частота определяется параметрами исполнительного двигателя и параметрами силовых ключей, что ограничивает выбор двигателя постоянного тока и предъявляет повышенные требования к параметрам силовых ключей, то есть ограничивает функциональные возможности устройства.
Технической задачей заявляемого изобретения является повышение выходной мощности и максимального момента двигателя, расширение функциональных возможностей и повышение надежности устройства управления двигателем постоянного тока.
Поставленная цель достигается тем, что в устройство управления двигателем постоянного тока, содержащее источник питания, мостовой инвертор, датчик тока, двигатель постоянного тока, согласно изобретению дополнительно введены блок включения, входной фильтр, три низковольтных инвертора напряжения, четыре драйвера, четыре датчика тока, блок управления низковольтными инверторами напряжения, два датчика температуры, три импульсных трансформатора, три блока коммутаторов-выпрямителей, блок рекуперации, блок управления коммутацией, высоковольтный фильтр, емкостный накопитель, силовой ключ, датчик напряжения, блок управления мостовым инвертором, при этом источник питания выводами плюс и минус подключен к двум входам блока включения, первый и второй выходы которого подключены к первому и второму входам входного фильтра, первый выход которого через три датчика тока, соединен с первыми входами трех низковольтных инверторов напряжения, вторые входы которых соединены со вторым выходом входного фильтра, два выхода трех низковольтных инверторов напряжения соединены с первичными обмотками трех импульсных трансформаторов, вторичная обмотка которых состоит из двух частей, при этом третий трансформатор имеет дополнительную обмотку, первый, второй и общий выводы вторичных обмоток трансформаторов соединены с первым, вторым и третьим входами блоков коммутаторов-выпрямителей, два выхода которых соединены между собой, и с выводами плюс и минус высоковольтного фильтра, вывод плюс высоковольтного фильтра также соединен через четвертый датчик тока с общим выводом первого и второго ключей мостового инвертора, вторые выводы которых соединены с первыми выводами третьего и четвертого ключей мостового инвертора, вторые выводы которых соединены вместе и с выводом минус высоковольтного фильтра, общие выводы первого и третьего, а также второго и четвертого ключей мостового инвертора соединены через пятый датчик тока с якорем двигателя постоянного тока, параллельно якорю подключен датчик напряжения, общий вывод первого и второго ключей мостового инвертора подключен также к первому выводу пятого ключа, второй вывод которого подключен к первому выводу емкостного накопителя, второй вывод которого подключен к выводу минус высоковольтного фильтра и первому входу блока рекуперации, второй вход которого подключен к первому выводу пятого ключа, а два выхода блока рекуперации подключены к дополнительной обмотке третьего трансформатора, управляющие выводы четырех ключей мостового инвертора подключены к четырем выходам первого драйвера, на первый вход которого поступает сигнал с выхода четвертого датчика тока, на второй и третий входы первого драйвера поступают сигналы с седьмого и тринадцатого контактов блока управления мостовым инвертором (БУМИ), восьмой контакт которого соединен с управляющим входом пятого ключа, десятый контакт соединен с управляющим входом блока рекуперации, девятый контакт соединен с управляющим входом блока управления коммутацией, три выхода которого соединены с тремя управляющими входами трех блоков коммутаторов-выпрямителей, третий и четвертый контакты блока управления мостовым инвертором соединены соответственно с выходом пятого датчика тока и выходом датчика напряжения, пятый контакт соединен с выходом четвертого датчика тока, шестой контакт соединен с первыми выводами первого и второго ключей мостового инвертора, второй контакт блока управления мостовым инвертором (БУМИ) соединен с клеммой ВХ2 устройства, первый контакт с выходом первого датчика температуры, а двенадцатый контакт с клеммой ВХ1 устройства и четвертым контактом блока управления низковольтными инверторами напряжения (БУНИН), одиннадцатый контакт которого соединен с одиннадцатым контактом блока управления мостовым инвертором (БУМИ), десятый контакт которого также соединен с десятым контактом блока управления низковольтными инверторами напряжения (БУНИН), первый, второй и третий контакты блока управления низковольтными инверторами напряжения (БУНИН) соединены с тремя выходами первого, второго и третьего датчиков тока, пятый контакт блока управления низковольтными инверторами напряжения (БУНИН) соединен с выходом второго датчика температуры, шестой, седьмой и восьмой контакты блока управления низковольтными инверторами напряжения (БУНИН) соединены со входами управления второго третьего и четвертого драйверов, выходы которых соединены со входами управления низковольтных инверторов напряжения (НИН), вторые входы второго, третьего и четвертого драйверов соединены с выходами первого, второго и третьего датчиков тока, девятый контакт блока управления низковольтными инверторами напряжения (БУНИН) соединен со входом управления блока включения.
В заявляемом устройстве
1) за счет применения параллельного соединения низковольтных инверторов, а также переключения обмоток трансформаторов, решается задача повышения выходной мощности и максимального момента устройства, при этом для обеспечения надежности работы вводится режим коммутации низковольтных инверторов и блоков коммутаторов-выпрямителей по заданному алгоритму в соответствии со значением потребляемого тока;
2) введение датчиков тока, включенных в цепь питания инверторов, позволяет контролировать ток потребления каждого низковольтного инвертора, при этом схема защиты обеспечивает отключение “перегруженного” инвертора. Остальные продолжают работу, то есть обеспечивается работоспособность устройства в аварийных режимах, что также повышает надежность устройства;
3) для получения максимальной мощности при разгоне двигателя, а значит уменьшения времени разгона, вводится подключение накопителя к мостовому высоковольтному инвертору в момент выхода из режима стабилизации тока двигателя, при этом также исключается бросок тока в цепи питания, что повышает помехоустойчивость устройства, а следовательно, надежность;
4) для снижения величины пульсации тока двигателя вводится ступенчатое снижение выходного напряжения при малых значениях напряжения управления и ЭДС.
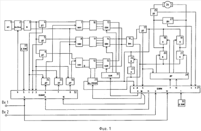
На фиг.1 изображена общая схема устройства, на фиг.2 – схема блока управления низковольтными инверторами напряжения, на фиг.3 – схема блока выпрямителя-коммутатора, на фиг.4 – схема импульсного трансформатора, на фиг.5 – диаграммы переключения низковольтных инверторов напряжения в соответствии со значением тока потребления устройства управления двигателем постоянного тока, на фиг.6 изображена схема блока управления мостовым инвертором.
Устройство (фиг.1) содержит источник питания 1, блок включения 2, входной фильтр 3, датчики тока (ДТ) 4, 5 и 6, стоящие в цепях питания низковольтных инверторов напряжения (НИН) 7, 8 и 9 соответственно. Выходы инверторов соединены с первичными обмотками трансформаторов (фиг.2) 10, 11 и 12 соответственно, вторичные обмотки трансформаторов, состоящие из двух частей, соединены своими выводами со входами блоков коммутаторов-выпрямителей (БКВ) 13, 14 и 15.
Первый и второй выходы БКВ соединены между собой и с двумя входами плюс и минус высоковольтного фильтра 16, выход плюс которого через датчик тока 17 соединен с первыми силовыми выводами ключей 18 и 19, вторые силовые выводы которых соединены с первыми силовыми выводами ключей 20 и 21, вторые силовые выводы которых соединены с минусом высоковольтного фильтра 16, с первым выводом емкостного накопителя 22 и первым входом блока рекуперации 23, второй вход которого соединен с первым выводом ключа 24 и первыми выводами ключей 18 и 19.
К общим выводам ключей 18, 20 и 19, 21 подключена цепь, состоящая из последовательно соединенных датчика тока 25 и якоря двигателя 26. Параллельно якорю двигателя установлен датчик напряжения 27.
Управляющие выводы ключей 18-21 соединены с четырьмя выходами драйвера 28, первый вход которого соединен с выходом датчика тока 17 и контактом (5) блока управления мостовым инвертором (БУМИ) 29. Второй и третий вход блока 28 соединены с контактами (7) и (13) блока 29, контакт (3) которого соединен с выходом датчика тока 25, контакт (4) которого соединен с выходом датчика напряжения 27. Контакт (6) соединен с соединенными вместе выводами ключей 18 и 19, контакт (1) – с выходом датчика температуры 30, контакт (9) блока 29 соединен со входом блока управления коммутацией 31 (фиг.3), три выхода которого соединены с управляющими входами блоков коммутаторов-выпрямителей 13-15, контакт (10) блока 29 соединен с управляющим входом блока рекуперации 23, два выхода которого соединены с выводами дополнительной обмотки трансформатора 12.
Контакт (11) блока 29 соединен с контактом (11) блока управления низковольтных инверторов напряжения (БУНИН) 32 (фиг.5) контакты (1), (2) и (3) которого соединены с выходами датчиков тока 4, 5 и 6. Контакт (5) соединен с выходом датчика температуры 33, контакты (6), (7) и (8) блока 32 соединены с управляющими входами драйверов инверторов 34, 35 и 36, вторые входы которых соединены с выходами датчиков тока 4, 5 и 6 соответственно. Выходы драйверов 34, 35 и 36 соединены с управляющими входами БУНИН 7, 8 и 9 соответственно. Контакт (9) блока 32 соединен с управляющим входом блока включения 2, контакт (10) также соединен с контактом (10) блока 29, контакт (12) которого соединен с клеммой ВХ1 и контактом (4) блока 32, а контакт (2) с клеммой ВХ2.
Блок управления низковольтными инверторами напряжения 32 (фиг.2) содержит сумматор 37, на три входа которого с контактов 1, 2 и 3 блока 32 поступают сигналы с датчиков тока 4, 5 и 6. Эти же сигналы поступают на входы пороговых элементов 38-43, на вторые входы пороговых элементов (ПЭ) 38-40 подается напряжение U1, значение которого определяет порог срабатывания, на вторые входы пороговых элементов 41-43 подается значение U2, сигнал с выходов ПЭ 38-40 подается на входы элемента ИЛИ 44.
С выхода сумматора 37 сигнал подается на входы пороговых элементов 45-47, на вторые входы которых подаются пороговые напряжения U3, U4, U5 соответственно, с выходов ПЭ 45-47 сигналы поступают на три входа элемента ИЛИ 48, выход которого соединен со входом формирователя синхроимпульса 49.
Выходы ПЭ 45-47 соединены также с тремя входами установки сдвигового регистра 50, на четвертый вход которого поступает сигнал записи с выхода формирователя синхроимпульса 49. На пятый вход сдвигового регистра 50 поступают импульсы с выхода генератора 51, три выхода сдвигового регистра 50 соединены со входами элементов задержки на выключение 52-54, выходы которых соединены с первыми входами элементов И 55-57, выходы которых соединены с контактами (6), (7) и (8) блока 32 соответственно. Второй вход элемента И 57 соединен с выходом элемента И-НЕ 58, вход которого соединен с контактом (10) блока 32. Вторые входы элементов 55 и 56 а также третий вход элемента 57 соединены с выходом элемента И-НЕ 59, вход которого соединен с контактом (11) блока 32. Выходы ПЭ 41-43 соединены с входами установки R-S триггеров 60-62 и тремя входами элемента ИЛИ 63. Выход элемента ИЛИ 44 соединен со входом элемента задержки 64, выход которого соединен с первыми входами элементов И 65-67, вторые входы которых соединены с выходами пороговых элементов 38-40, выходы элементов И 65-67 соединены с первыми входами элементов ИЛИ-НЕ 68-70 соответственно, вторые входы которых соединены с выходами R-S триггеров 60-62, выходы элементов 68-70 соединены с третьими входами элементов И 55, 56 и четвертым входом элемента И 57. Выход элемента ИЛИ 63 соединен со входом элемента задержки 71, выход которого соединен с первым входом элемента ИЛИ-НЕ 72, второй вход которого соединен с контактом (4) блока 32, выход элемента ИЛИ-НЕ 72 соединен с первым входом элемента И 73, на второй вход которого поступает сигнал с контакта (5) блока 32, выход элемента 73 соединен с контактом (9) этого блока. Блоки выпрямителей-коммутаторов (БВК) 13-15 (фиг.3) содержат элемент управления НЕ 74 и два ключа переменного тока 75 и 76, а также выпрямитель 77.
Импульсные трансформаторы 10, 11 (фиг.4) содержат первичную обмотку 78 и вторичную, состоящую из двух частей 79 и 80, трансформатор 12 содержит, также дополнительную обмотку 81, при этом количество обмоток определяется необходимой дискретностью выходного напряжения.
На фиг.5 изображена диаграмма переключения низковольтных инверторов напряжения (НИН). Блок управления мостовым инвертором (БУМИ) (фиг.6) содержит блок формирования результирующего сигнала (БФРС) 82, на три входа которого подаются сигналы с внешних контактов (1), (2) и (4). Выход блока соединен со входом широтно-импульсного модулятора 83, выход которого соединен с блоком формирования импульсного сигнала (ФИС) 84, на другой вход которого поступает сигнал с выхода схемы токоограничения (СТО) 85, выход которой, также соединен со входом блока торможения 86. Выход блока торможения 86 соединен с внешним контактом (13) блока 29, выход блока 84 соединен с первым входом схемы И 87, выход которой соединен с контактом (7) блока 29.
Второй вход схемы И 87 подключен к выходу схемы ИЛИ-НЕ 88, на первый вход которой поступает сигнал с выхода порогового элемента 89, на первый вход которого поступает сигнал с контакта (1), на второй вход которого поступает пороговое напряжение Т1. Выход порогового элемента 89 также соединен с первым входом элемента ИЛИ 90, выход которого соединен с контактом (11) блока 29. На первый вход СТО 85 подается пороговое напряжение I1, второй вход соединен с контактом (3) блока 29. С этого же контакта сигнал поступает на четвертый вход блока 82 и на первый вход блока вычисления значения ЭДС 91, на второй вход которого поступает сигнал с контакта (4). С выхода блока 91 сигнал поступает на первый вход вычитателя 92, на второй вход которого поступает сигнал с контакта (2). С этого же контакта сигнал поступает на вход порогового элемента 93, выход которого соединен с первым входом элемента ИЛИ 94, второй вход которого соединен с выходом порогового элемента 95, вход которого соединен с выходом блока 92. Выход схемы ИЛИ 94 соединен с контактом (9) блока 29. Контакт (5) блока соединен со входом блока управления накопителем (БУН) 96 и со входом порогового элемента 97. Выход БУН 96 соединен с первым входом элемента ИЛИ 98, на второй вход которого поступает сигнал с выхода порогового элемента 99, вход которого соединен с контактом (6) блока 29. Третий вход блока 98 соединен с выходом R-S триггера 100, вход установки единицы которого соединен с выходом одновибратора 101, вход которого соединен с контактом (12) блока 29. Выход одновибратора 101 также соединен со входом установки нуля R-S триггера 102, вход установки единицы которого подключен к выходу порогового элемента 97. Выход триггера 102 подключен ко второму входу элемента ИЛИ 90, вход установки нуля триггера 100 подключен к выходу порогового элемента 103, вход которого подключен к контакту (6) блока 29. Этот контакт подключен также ко входу блока управления рекуперацией (БУР) 104, выход которой соединен с контактом (10) блока 29 выход элемента ИЛИ 98 соединен с контактом (8).
Работает устройство следующим образом. При подаче сигнала включения на клемму ВХ1 включается контактор, входящий в блок включения 2. Через входной фильтр 3 питание подается на все элементы, входящие в состав устройства, при этом высокочастотные импульсы подаются на управляющие входы низковольтных инверторов напряжения (НИН) 7, 8 и 9, которые могут быть выполнены по мостовой схеме на полевых транзисторах с обратными диодами, причем количество (НИН) в устройстве определяется значением необходимой выходной мощности и максимальным значением выходного тока. На выходе трансформаторов 10-12 появляются импульсы напряжения, которые выпрямляются в блоках БВК 13-15 и поступают на вход высоковольтного фильтра 16, при этом величина напряжения на выходе фильтра 16 зависит от того, какие обмотки трансформаторов 10-12 (фиг.3) подключены к выпрямителю 77 в блоках 13-15. Напряжение с выхода фильтра 16 через датчик тока 17 поступает на мостовой инвертор (МИН), образованный ключами 18-21, которые могут быть, например, биполярными транзисторами с изолированным затвором – М2ТКИ-250-12. В диагональ моста включена цепь, состоящая из последовательно соединенных датчика тока 25 и якоря двигателя 26. Параллельно якорю подключен датчик напряжения 27. Ключи МИн управляются драйвером 28, который формирует сигналы управления, а также осуществляет функцию защиты ключей в случае перегрузки по току в цепи двигателя или в цепи питания. В цепь питания МИн также включены блок рекуперации 23 и цепь, состоящая из ключа 24 и емкостного накопителя 22.
Блок управления инверторами 32 работает следующим образом. Сигналы с датчиков тока 4-6 поступают на контакты (1-3) блока. В блоке 32 они поступают на входы сумматора 37, на выходе которого формируется сигнал тока потребления всех НИН, при этом в зависимости от его величины на выходе пороговых элементов 45-47 появляется единица, при этом значения порогов переключения U3, U4, U5 соответствуют различным значениям суммарного тока потребления. Сигнал переключения порогового устройства через схему ИЛИ 48 поступает на формирователь стробирующего импульса 49, с выхода которого импульс поступает на вход синхронизации сдвигового регистра 50. Двоичное число, соответствующее включенным или выключенным состояниям пороговых элементов 45-47 записываются в сдвиговый регистр 50, на тактирующий вход которого поступают импульсы с генератора 51, период которого определяет время включенного состояния инверторов. В соответствии с записанным кодом в регистре 50 с выхода регистра сигналы через элементы задержки на выключение 52-54 поступают на входы схемы ИЛИ 55-57, далее на входы драйверов 34-36, при этом единице соответствует включенное состояние инвертора 7, 8 или 9. Элементы задержки на выключение 52-54 обеспечивают равномерное распределение мощности рассеивания на инверторах 7-9 в случае быстрого изменения тока потребления, менее периода генератора 51. Режим переключения низковольтных инверторов обеспечивает равномерное распределение тепла по объему радиатора при малых и средних нагрузках, при этом с целью исключения провала выходного напряжения при переключении НИН вводится время перекрытия (фиг.5).
Пороговые элементы 38-40 блока 32 формируют сигналы запуска для схемы защиты, при этом U1 определяет максимально допустимый кратковременный ток, а порог U2 – ток перегрузки.
Схема защиты работает следующим образом. При превышении током потребления одного из инверторов пороговое значение U1 на выходе схемы ИЛИ 44 появляется сигнал, который поступает на вход схемы задержки 64, которая определяет допустимое время потребления максимального тока, при этом в драйверах 34-36, на входы которых также поступает сигнал с датчиков тока 4-6 включается режим стабилизации тока нагрузки. Через время, определяемое элементом задержки 64, на выходе одного из элементов 65-67 появляется единица. В результате на выходе соответствующего элемента ИЛИ-НЕ 68, 69 или 70 появляется ноль, который блокирует через соответствующий элемент И 55-57 соответствующий инвертор, в цепи питания которого произошло превышение допустимой мощности. При превышении максимально тока в цепи питания инвертора, например при коротком замыкании, срабатывает один из пороговых элементов 41-43, при этом соответствующий R-S триггер 60-62 устанавливается в единицу и через элементы ИЛИ 68-70 и элементы И 55-57 блокирует соответствующий инвертор, при этом остальные инверторы продолжают работу. В случае, если через время задержки определяемое элементом 63 не произошло снижение тока, например, в случае выхода из строя одного из транзисторов инвертора, на выходе элемента ИЛИ-НЕ 72 появляется сигнал, который через схему И 73 поступает на управляющий вход блока включения 2 и отключает источник питания 1 от устройства. Тоже произойдет, если температура радиатора, на который установлены транзисторы низковольтных инверторов напряжения и датчик температуры 33, превысит допустимое значение, при этом сигнал с датчика температуры 33, который настроен на максимально-допустимую температуру, поступает на второй вход схемы ИЛИ-НЕ 72, блока 32, на выходе элемента И 73 появится ноль. В результате блок включения 2 отключает источник питания 1 от цепей питания устройства.
Рассмотрим работу мостового инвертора, входящего в состав устройства управления двигателем постоянного тока.
При подаче сигнала включения на клемму ВХ1 на контакт (12) блока управления мостовым инвертором (БУМИ) 29 приходит сигнал, запускающий одновибратор 101, который устанавливает триггер 100 в единицу, при этом на выходе элементов ИЛИ 98 и элемента ИЛИ-НЕ 88 устанавливаются соответственно единица и ноль. При этом через контакт (8) блока 29 включается ключ 24, начинается заряд емкостного накопителя по цепи плюс фильтра 16, открытый ключ 24, накопитель 22 минус фильтра 16, при этом выход управления БУМИ контакт (7) блокирован нулем на выходе элемента ИЛИ-НЕ 88, поэтому ключи 18-21 выключены. Как только напряжение на накопителе достигнет заданного значения через контакт (6) блока 29 срабатывает пороговый элемент 103, который устанавливает R-S триггер 92 в ноль, при этом ключ 24 выключается, а выход управления контакт (7) блока 29 деблокируется. При подаче напряжения управления на клемму ВХ2, знак и величина которого определяют направление и скорость вращения якоря двигателя, через контакт (2) блока 29 этот сигнал поступает на первый вход блока формирования результирующего сигнала (БФРС) 82, на второй и третий входы которого поступают сигналы обратной связи по напряжению контакт (4) блока 29 и обратной связи по току, контакт (3) блока 29. На четвертый вход блока 82 поступает сигнал с датчика температуры 30 через контакт (1) блока 29. С выхода блока 82 результирующий сигнал поступает на вход широтно-импульсного модулятора (ШИМ) 83, на выходе которого появляется импульсный сигнал, соответствующий величине результирующего сигнала, который поступает на первый вход формирователя импульсного сигнала управления ключами 84, на второй вход которого поступает сигнал с выхода схемы токоограничения (СТО) 85. Таким образом, через элемент И 87 на выходе блока 29 контакт (7) появляются импульсы управления ключами, которые поступают на вход драйвера 28. Блок 84 формирует импульсный сигнал в соответствии с формулой:
Ti=T(0)+K*((U(1)-U(2)-U(3))/U*f; Тр=(1/f-Ti)+µ
где Ti – длительность импульса;
Тр – длительность паузы;
U(1) – напряжение управления;
U(2) – сигнал обратной связи по току;
U(3) – сигнал обратной связи по напряжению;
U – напряжение на выходе фильтра 16;
К – коэффициент усиления;
Т(0) – минимально-допустимое значение импульса включения;
f – частота ШИМ;
µ – “мертвое время” (пауза между моментами включения и выключения ключей).
Рассмотрим основные режимы работы мостового инвертора.
Режим разгона.
Пусть в начальный момент времени якорь двигателя неподвижен, а на вход управления блока 29 контакт (2) подается максимальный сигнал. В результате ключи 18 и 21 (19, 20) отпираются, при этом ток двигателя возрастает по цепи плюс фильтра 16, датчик тока 17, открытые ключи 18 и 21 минус фильтра 16. Как только ток достигает значения порога токоограничения I1, на выходе СТО 85 появляется сигнал, запирающий блок 84. Через элемент И 87 и драйвер 28 запираются ключи 18 и 21. Ток двигателя замыкается по цепи обратные диоды ключей 19, 20, датчик тока 17, фильтр 16. На начальном участке разгона ВИн работает как стабилизатор тока, при этом среднее значение тока определяется значением порога I1 и гистирезисом СТО:
Isr=I1 I/2,
где I1 – порог тока-ограничения;
I – гистерезис схемы тока-ограничения;
При этом ток потребления: Ip= I/2*t(i)/(t(i)+t(p)),
где t(i) – длительность импульса в режиме ТО;
t(p) – длительность паузы в режиме ТО.
Если длительность режима токоограничения превышает заданное значение, срабатывает интегратор, входящий в схему тока-ограничения, средний ток стабилизации уменьшается. Это обеспечивает тепловую защиту двигателя в режиме большой токовой нагрузки. Далее ЭДС двигателя увеличивается в момент, когда она достигает значения:
E=U-I1*R,
где Е – ЭДС двигателя;
R – суммарное сопротивление цепи двигателя;
U – напряжение на выходе фильтра 16
(Значение I1 выбирается из условия получения максимального момента в режиме ТО).
Мостовой инвертор выходит из режима стабилизации тока, при этом ток потребления возрастает до значения I1, соответственно возрастает напряжение на выходе датчика тока 17, которое через контакт (5) блока 29 поступает на вход блока управления накопителем 96, на выходе которого появляется сигнал, который через схему ИЛИ 98 включает ключ 24, при этом накопитель подключается через открытые ключи к цепи двигателя. Таким образом, в момент выхода из режима токоограничения, когда потребляется максимальная мощность, накопитель работает как источник напряжения, что значительно снижает потери в инверторах 7, 8 и 9. При достижении ЭДС двигателя определенного значения на выходе порогового элемента 95, на вход которого поступает сигнал разности между напряжением управления и сигналом, пропорциональным ЭДС двигателя, появляется единица. Далее через элемент ИЛИ 94 сигнал поступает на вход блока коммутации 31. Происходит переключение обмоток трансформаторов 13, 14 и 15, при этом напряжение увеличивается. Так как в этот момент к цепи двигателя подключен накопитель, то броска тока в цепи питания инверторов 7, 8 и 9 нет, что также снижает потери и уровень импульсных помех по цепи питания. При уменьшении тока потребления ниже определенного уровня на выходе БУН 96 появляется ноль, ключ 24 выключается, при этом мощность потребляется с выхода фильтра 16. При достижении максимальной угловой скорости двигателем процесс разгона завершен. При снижении напряжения управления до нуля на выходе блока формирования импульсного сигнала управления 84, на первый вход которого поступает сигнал с блока ШИМ 83, на второй вход поступает сигнал с выхода СТО 85 формируется сигнал, по которому ключи 18 и 19 закрываются, а ключи 20 и 21 открываются. Начинается режим торможения двигателя, при этом ВИн работает как стабилизатор тока. ЭДС самоиндукции, возникающая на индуктивности двигателя, заряжает фильтр 16 до напряжения, при котором через контакт (6) блока 29 срабатывает пороговое устройство 99. Через элемент ИЛИ 98 открывается ключ 24, при этом энергия торможения двигателя аккумулируется в накопителе 22. При достижении напряжением на накопителе значения порога срабатывания блока управления рекуперацией 104, низковольтный инвертор напряжения 9 через контакт (10) блока 32 блокируется, при этом на обмотке 81 трансформатора 12, которая соединена с выходом блока рекуперации 31 появляется переменное напряжение, которое выпрямляется на обратных диодах выключенных транзисторов НИН 9. Таким образом, энергия торможения двигателя рекуперируется в источник питания 1 и входной фильтр 3.
В процессе торможения по сигналу с выхода блока управления режимом торможения 86, который может быть построен на основе счетчика по модулю два, на вход которого поступает сигнал с выхода СТО 85, происходит смена пары ключей, осуществляющих торможение 20 и 21 или 18 и 19 с целью равномерного распределения потерь на силовых ключах в режимах торможения и реверса.
Режим реверса, когда напряжение управления на клемме ВХ2, меняет знак на противоположный, состоит из режима торможения и последующего разгона. При работе в режиме стабилизации угловой скорости двигателя при заданном моменте сопротивления вращению, если напряжение управления меньше порогового значения, установленного в пороговом элементе 93, на его выходе появляется единица, при этом на выходе элемента ИЛИ 94 появляется сигнал, по которому выходное напряжение ступенчато снижается, благодаря этому уменьшается величина пульсации тока двигателя, что повышает точность стабилизации.
При превышении максимально-допустимой температуры по сигналу с датчика температуры 30, на выходе блока 82 уменьшается сигнал управления. Это приводит к снижению выходной мощности и соответственно к снижению температуры устройства, что повышает надежность устройства. При превышении критической температуры, заданной порогом Т1, срабатывает пороговый элемент 89 и через элемент ИЛИ 90 и контакт (11) блока 29 блокируется работа всех низковольтных инверторов напряжения.
Технический результат заявляемого изобретения подтвержден при испытании опытного образца.
Формула изобретения
Устройство управления двигателем постоянного тока, содержащее источник питания, мостовой инвертор, датчик тока, двигатель постоянного тока, отличающееся тем, что в него дополнительно введены блок включения, входной фильтр, три низковольтных инвертора напряжения, четыре драйвера, четыре датчика тока, блок управления низковольтными инверторами напряжения, два датчика температуры, три импульсных трансформатора, три блока коммутаторов-выпрямителей, блок рекуперации, блок управления коммутацией, высоковольтный фильтр, емкостный накопитель, силовой ключ, датчик напряжения, блок управления мостовым инвертором, при этом источник питания выводами плюс и минус подключен к двум входам блока включения, первый и второй выходы которого подключены к первому и второму входам входного фильтра, первый выход которого через три датчика тока соединен с первыми входами трех низковольтных инверторов напряжения, вторые входы которых соединены со вторым выходом входного фильтра, два выхода трех низковольтных инверторов напряжения соединены с первичными обмотками трех импульсных трансформаторов, вторичная обмотка которых состоит из двух частей, при этом третий трансформатор имеет дополнительную обмотку, первый, второй и общий выводы вторичных обмоток трансформаторов соединены с первым, вторым и третьим входами блоков коммутаторов-выпрямителей, два выхода которых соединены между собой, и с выводами плюс и минус высоковольтного фильтра, вывод плюс высоковольтного фильтра также соединен через четвертый датчик тока с общим выводом первого и второго ключей мостового инвертора, вторые выводы которых соединены с первыми выводами третьего и четвертого ключей мостового инвертора, вторые выводы которых соединены вместе и с выводом минус высоковольтного фильтра, общие выводы первого и третьего, а также второго и четвертого ключей мостового инвертора соединены через пятый датчик тока с якорем двигателя постоянного тока, параллельно якорю подключен датчик напряжения, первые выводы первого и второго ключей мостового инвертора подключены также к первому выводу пятого ключа, второй вывод которого подключен к первому выводу емкостного накопителя, второй вывод которого подключен к выводу минус высоковольтного фильтра и первому входу блока рекуперации, второй вход которого подключен к первому выводу пятого ключа, а два выхода блока рекуперации подключены к дополнительной обмотке третьего трансформатора, управляющие выводы четырех ключей мостового инвертора подключены к четырем выходам первого драйвера, на первый вход которого поступает сигнал с выхода четвертого датчика тока, на второй и третий входы первого драйвера поступают сигналы с седьмого и тринадцатого контактов блока управления мостовым инвертором (БУМИ), восьмой контакт которого соединен с управляющим входом пятого ключа, десятый контакт соединен с управляющим входом блока рекуперации, девятый контакт соединен с управляющим входом блока управления коммутацией, три выхода которого соединены с тремя управляющими входами трех блоков коммутаторов-выпрямителей, третий и четвертый контакты блока управления мостовым инвертором соединены соответственно с выходом пятого датчика тока и выходом датчика напряжения, пятый контакт соединен с выходом четвертого датчика тока, шестой контакт соединен с первыми выводами первого и второго ключей мостового инвертора, второй контакт блока управления мостовым инвертором (БУМИ) соединен с клеммой ВХ2 устройства, первый контакт – с выходом первого датчика температуры, а двенадцатый контакт – с клеммой ВХ1 устройства и четвертым контактом блока управления низковольтными инверторами напряжения (БУНИН), одиннадцатый контакт которого соединен с одиннадцатым контактом блока управления мостовым инвертором (БУМИ), десятый контакт которого также соединен с десятым контактом блока управления низковольтными инверторами напряжения (БУНИН), первый, второй и третий контакты блока управления низковольтными инверторами напряжения (БУНИН) соединены с тремя выходами первого, второго и третьего датчиков тока, пятый контакт блока управления низковольтными инверторами напряжения (БУНИН) соединен с выходом второго датчика температуры, шестой, седьмой и восьмой контакты блока управления низковольтными инверторами напряжения (БУНИН) соединены со входами управления второго, третьего и четвертого драйверов, выходы которых соединены со входами управления низковольтных инверторов напряжения (НИН), вторые входы второго, третьего и четвертого драйверов соединены с выходами первого, второго и третьего датчиков тока, девятый контакт блока управления низковольтными инверторами напряжения (БУНИН) соединен со входом управления блока включения.
РИСУНКИ
|
|