|
|
(21), (22) Заявка: 2008100930/09, 09.01.2008
(24) Дата начала отсчета срока действия патента:
09.01.2008
(43) Дата публикации заявки: 20.07.2009
(46) Опубликовано: 10.12.2009
(56) Список документов, цитированных в отчете о поиске:
АНИСИМОВ Я.Ф. и др. Электромагнитная совместимость полупроводниковых преобразователей и судовых электроустановок. – Ленинград: Судостроение, 1990, с.264. RU 2024151 C1, 30.11.1994. SU 792478 A1, 30.12.1980. US 6278622 В1, 21.08.2001.
Адрес для переписки:
690950, Приморский край, г.Владивосток, ГСП, ул. Пушкинская, 10, патентный отдел ДВГТУ
|
(72) Автор(ы):
Кувшинов Геннадий Евграфович (RU), Коршунов Алексей Викторович (RU), Коршунов Виктор Николаевич (RU)
(73) Патентообладатель(и):
Государственное образовательное учреждение высшего профессионального образования Дальневосточный государственный технический университет (ДВПИ им. В.В. Куйбышева) (RU)
|
(54) СУДОВАЯ ЭЛЕКТРОЭНЕРГЕТИЧЕСКАЯ СИСТЕМА
(57) Реферат:
Изобретение относится к области электротехники. Технический результат заключается в упрощении электрической сети, снижении суммарной массы линий электропередачи как переменного, так и постоянного тока; уменьшении потери мощности в электрических сетях; снижении «провалов» напряжения при включении двигателей и преобразователей электроэнергии; уменьшении искажения формы токов и напряжений в судовой электроэнергетической системе, которые возникают при работе управляемых выпрямителей. Для этого устройство содержит судовую электрическую станцию переменного тока, электрическую сеть переменного тока, электрическую сеть постоянного тока и управляемые выпрямители, потребители переменного тока с постоянными значениями напряжения и частоты, силовые трансформаторы, при этом электрическая сеть переменного тока разделена на электрическую сеть переменного тока высокого напряжения и электрическую сеть переменного тока низкого напряжения, кроме того, в качестве управляемых выпрямителей использованы управляемые выпрямители напряжения, которые снабжены входными фильтрами этих выпрямителей и пусковыми устройствами этих выпрямителей, также введены автономные инверторы напряжения, снабженные входными фильтрами этих инверторов и пусковыми устройствами этих инверторов, и импульсные преобразователи постоянного напряжения, снабженные входными фильтрами этих преобразователей и пусковыми устройствами этих преобразователей, а также входящие в сеть постоянного тока сборные шины постоянного тока, и потребители переменного тока со значениями частоты и (или) напряжения, которые отличаются от частоты и (или) напряжения электрической сети переменного тока, потребители постоянного тока, напряжение которых отличаются от напряжения на сборных шинах постоянного тока. 2 з.п. ф-лы, 3 ил.
Изобретение относится к области электротехники, а именно к электроэнергетическим системам питания, распределения и преобразования электрической энергии на судах.
Такие системы содержат судовые электростанции, снабженные генераторами переменного тока, электрическими сетями и электрическими преобразователями. Предлагаемая судовая электроэнергетическая система может быть использована для электроснабжения тех судов и кораблей различного назначения, в которых имеются крупные, соизмеримые по мощности с генераторами, двигатели переменного тока, а также двигатели переменного тока, скорость которых необходимо регулировать.
Известна судовая электроэнергетическая система, содержащая электрическую станцию и электрическую сеть постоянного тока, к которой подключены автономные инверторы для питания крупных электродвигателей переменного тока (для привода гребных винтов и подруливающих устройств) и преобразователи переменного тока в постоянный. К этим преобразователям подключена электрическая сеть переменного тока, предназначенная для электроснабжения остальных потребителей судна [1, рисунок 4]. В этой системе имеется судовая электростанция постоянного тока. В ней каждый синхронный генератор подключен к входу неуправляемого выпрямителя, выход которого связан с электрической сетью постоянного тока. Выходные зажимы первых автономных инверторов подключены к крупным двигателям переменного тока. Такое решение обеспечивает регулирование скорости этих двигателей плавно и в широких пределах.
Во время периодической коммутации тока с вентилей одной фазы неуправляемого выпрямителя на вентили другой фазы происходит кратковременное короткое замыкание между фазными зажимами генераторов. В течение этого процесса, повторяющегося шесть (или 12 – в зависимости от схем статорной обмотки генератора и выпрямителя) раз за период переменных величин генераторов, соответствующие линейные напряжения практически равны нулю. При этом напряжения генераторов существенно отличаются от синусоидальных, их коэффициенты формы и гармоник значительно выходят за пределы, допустимые для остальных потребителей электроэнергии судна. Низкое качество электроэнергии, вырабатываемой генераторами, исключает возможность непосредственного или через трансформаторы подключения остальных потребителей электроэнергии судна к шинам генераторов. Поэтому питание остальных потребителей производится более сложным способом.
Выходные зажимы вторых автономных инверторов подключены к двигателям переменного тока, которые вращают синхронные генераторы, соединенные с сетью переменного тока, от которой получают питание все остальные судовые потребители электроэнергии. Частота и напряжение синхронных генераторов этих электромеханических преобразователей поддерживаются неизменными. Такое отделение электрических цепей остальных потребителей от электрических цепей синхронных генераторов судовой электростанции, позволяет обеспечить необходимое качество электроэнергии для остальных потребителей, получить практически синусоидальную форму подводимых к ним напряжений.
Наличие у системы-аналога двух основных электрических сетей: переменного и постоянного тока – позволяет получить следующие преимущества по сравнению с электроэнергетической системой с одной основной электрической сетью – переменного тока. Во-первых, снижается суммарная масса линий электропередачи. Это преимущество обусловлено следующими факторами. Напряжение в сети постоянного тока принимается значительно большим, чем линейное напряжение в сети переменного тока, что приводит к снижению значений постоянных токов при той же передаваемой мощности. При этом необходимо учитывать, что сеть переменного тока рассчитывается на передачу полной мощности, которая больше активной из-за наличия реактивных токов. Кроме того, расчетная плотность тока в одножильных кабелях постоянного тока выше, чем в трехфазных кабелях переменного тока. Этот фактор также способствует снижению суммарного сечения у кабелей каждой линии электропередачи постоянного тока. Во-вторых, в линиях передачи постоянного тока к потребителям большой мощности меньше потеря напряжения, чем в линиях переменного тока, так как на постоянном токе нет потери напряжения на индуктивном сопротивлении линии.
Недостатки аналога обусловлены использованием указанного сложного способа питания маломощных потребителей, которому сопутствует дополнительное тройное преобразование энергии. Это происходит при преобразовании постоянного тока в переменный в автономных инверторах. Далее электрическая энергия превращается в механическую в двигателях электромеханических преобразователей. Затем, наоборот, механическая энергия преобразуется в электрическую в генераторах этих преобразователей. Дополнительное тройное преобразование энергии приводит к увеличению массы, размеров и стоимости преобразователей электроэнергии, обеспечивающих указанное тройное преобразование электроэнергии, а также к дополнительным потерям энергии на каждом этапе ее преобразования.
От указанного недостатка свободна выбранная в качестве прототипа судовая электроэнергетическая система (бурового судна), содержащая судовую электрическую станцию переменного тока, электрическую сеть переменного тока, к которой подключены потребители переменного тока с постоянными значениями напряжения и частоты, силовые трансформаторы, электрическую сеть постоянного тока и управляемые выпрямители, выходные зажимы которых соединены с электрической сетью постоянного тока. Электрическая сеть переменного тока разделена на электрическую сеть переменного тока высокого напряжения и электрическую сеть переменного тока низкого напряжения. Электрическая сеть переменного тока высокого напряжения подключена к судовой электрической станции переменного тока. К электрической сети переменного тока высокого напряжения подключены входные зажимы управляемых выпрямителей и через силовые трансформаторы электрическая сеть переменного тока низкого напряжения [2, рисунок 1.2, б].
Электрическая сеть переменного тока разделена на две части: с высоким (6500 В) и низким (400 В) напряжениями. Обе части соединены с помощью силовых трансформаторов. Среди потребителей переменного тока есть и те, мощность которых соизмерима с мощностью генераторов переменного тока электрической станции. К ним, в частности, относятся гребные синхронные двигатели и синхронные двигатели подруливающих устройств. Эти потребители получают питание от высоковольтной части электрической сети переменного тока. Остальные потребители подключены к низковольтной части этой сети.
В качестве управляемых выпрямителей применены управляемые выпрямители тока, выполненные на основе тиристоров. Управляемые выпрямители подключены к высоковольтной части электрической сети переменного тока через токоограничивающие реакторы и трансформаторы. Во время периодической коммутации тока с вентилей одной фазы этих преобразователей на вентили другой фазы происходит кратковременное короткое замыкание между фазными зажимами генераторов. Сумма индуктивностей указанных токоограничивающих реакторов и индуктивностей рассеяния обмоток трансформаторов намного больше индуктивного сопротивления генератора. На этой суммарной индуктивности во время процесса коммутации, повторяющегося шесть раз за период переменных величин генераторов, падает большая часть ЭДС генератора. По этому причине его линейные напряжения мало отличаются от одноименных ЭДС. Благодаря этому качество электроэнергии, вырабатываемой генераторами, удовлетворяет требованиям, предъявляемым со стороны остальных потребителей судна. Поэтому удается обойтись без использования электромеханических преобразователей и тем самым устранить недостатки аналога.
Электрическая сеть постоянного тока представляет собой несколько изолированных одна от другой секций шин, переключателей для подключения крупных электродвигателей постоянного тока, входящих в технологический комплекс бурового судна, к этим секциям и электролиний, связывающих указанные управляемые выпрямители с секциями шин, а электродвигатели – с переключателями. Такая особенность электрической сети постоянного тока вызвана тем, что управляемый выпрямитель тока может обеспечивать работу только одного электрического привода.
Ряд недостатков прототипа связан с тем, что главными потребителями электроэнергии являются электроприводами постоянного тока, скорость которых регулируется изменением напряжения якоря двигателя постоянного тока с помощью указанных управляемых выпрямителей тока.
Такому решению присущи следующие три недостатка.
1. Двигатели постоянного тока обладают значительно большей стоимостью, размерами и массой по сравнению с синхронными и асинхронными двигателями переменного тока. У двигателей постоянного тока имеются коллектор и щеточный аппарат. Их наличие обуславливает как пониженную надежность работы этих двигателей, так и необходимость регулярного ухода за ними, более частого, чем за двигателями переменного тока.
2. Тиристорные управляемые выпрямители тока потребляют несинусоидальные токи. Их форма близка к трапецеидальной, а при малых нагрузках, в прерывистом режиме работы преобразователя, потребляемые токи являются импульсными. Высшие гармонические составляющие несинусоидальных токов создают потери мощности не только в генераторах и линиях передачи, но и в других элементах судовой электроэнергетической системы, в частности в асинхронных двигателях. К тому же под действием высших гармоник искажаются механические характеристики этих двигателей.
3. Первая гармоника тока, потребляемого тиристорным управляемым выпрямителем тока, содержит не только активную, но и индуктивную составляющую. Доля реактивной составляющей в потребляемом токе возрастает по мере уменьшения выходного напряжения постоянного тока на выходе преобразователя. Реактивные токи этих преобразователей дополнительно нагружают линии передачи и генераторы, создают в них потери мощности. Наличие этих токов может потребовать увеличения номинальной мощности генераторов и сечения проводников тока линий электропередачи.
Еще два недостатка, четвертый и пятый, обусловлены тем, что в прототипе крупные двигатели переменного тока (например, двигатели гребные, а также подруливающих устройств), пусковые токи которых близки к номинальному току генератора судовой электростанции, подключаются к электрической сети напрямую, без каких-либо преобразователей и устройств, предназначенных для ограничения пусковых токов.
Четвертый недостаток заключается в том, что большие пусковые токи таких двигателей вызывают значительные кратковременные «провалы» напряжения в электрической сети переменного тока. Эти провалы, хотя и находятся в допустимых пределах, но все же ухудшают работу всех судовых потребителей электроэнергии, подключенных к указанной электрической сети: резко уменьшается светоотдача осветительных приборов, тормозятся электродвигатели. Если, как иногда бывает, запуск двигателя прерывается до достижения подсинхронной скорости, то возникает значительный «заброс» напряжения в электрической сети переменного тока. При этом резко возрастают токи всех потребителей, подключенных к сети переменного тока, может выйти из строя часть ламп накаливания и т.д.
Пятый недостаток относится к линиям электропередачи, к которым подключены крупные асинхронные двигатели. Даже при номинальной нагрузке потребляемый этими двигателями реактивный ток превосходит половину потребляемого активного тока. Наличие таких значительных реактивных токов вызывает дополнительные потери мощности в электроэнергетической системе, приводит к необходимости завышения сечения токоведущих жил кабелей и, следовательно, их массы и стоимости.
Задачей, на решение которой направлено предлагаемое изобретение, является улучшение технико-экономических показателей судовой электроэнергетической системы.
Технический результат, который достигается при решении такой задачи, выражается в следующем:
упрощается электрическая сеть постоянного тока: в нее вводятся общие шины, к которым подсоединяются выходы всех выпрямителей и все линии электропередачи постоянного тока к преобразователям, питающим потребители электроэнергии;
снижается суммарная масса линий электропередачи как переменного, так и постоянного тока;
уменьшаются потери мощности в электрических сетях;
снижаются «провалы» напряжения при включении двигателей и преобразователей электроэнергии;
уменьшаются искажения формы токов и напряжений в судовой электроэнергетической системе, которые возникают при работе управляемых выпрямителей.
Поставленная задача достигается тем, что в судовой электроэнергетической системе, содержащей судовую электрическую станцию переменного тока, электрическую сеть переменного тока, к которой подключены потребители переменного тока с постоянными значениями напряжения и частоты, силовые трансформаторы, электрическую сеть постоянного тока и управляемые выпрямители, выходные зажимы которых соединены с электрической сетью постоянного тока, причем электрическая сеть переменного тока разделена на электрическую сеть переменного тока высокого напряжения и электрическую сеть переменного тока низкого напряжения, электрическая сеть переменного тока высокого напряжения подключена к судовой электрической станции переменного тока, к электрической сети переменного тока высокого напряжения подключены входные зажимы управляемых выпрямителей и через силовые трансформаторы электрическая сеть переменного тока низкого напряжения,
в качестве управляемых выпрямителей использованы управляемые выпрямители напряжения, которые снабжены входными фильтрами этих выпрямителей и пусковыми устройствами этих выпрямителей, а в указанную судовую электроэнергетическую систему введены автономные инверторы напряжения, снабженные входными фильтрами этих инверторов и пусковыми устройствами этих инверторов, и импульсные преобразователи постоянного напряжения, снабженные входными фильтрами этих преобразователей и пусковыми устройствами этих преобразователей, а также входящие в сеть постоянного тока сборные шины постоянного тока, к которым через пусковые устройства автономных инверторов напряжения и входные фильтры этих инверторов подключены входные зажимы указанных автономных инверторов напряжения, через пусковые устройства импульсных преобразователей постоянного напряжения и входные фильтры этих преобразователей подключены входные зажимы указанных импульсных преобразователей постоянного напряжения, а также выходные зажимы указанных управляемых выпрямителей напряжения, входные зажимы которых через пусковые устройства этих выпрямителей и входные фильтры этих выпрямителей подключены к сети переменного тока высокого напряжения, причем с выходными зажимами автономных инверторов напряжения соединены потребители переменного тока со значениями частоты и (или) напряжения, которые отличаются от частоты и (или) напряжения электрической сети переменного тока, а с выходными зажимами импульсных преобразователей постоянного напряжения соединены потребители постоянного тока, напряжения которых отличаются от напряжения на сборных шинах постоянного тока.
Кроме того, некоторые из автономных инверторов напряжения снабжены выходными фильтрами указанных инверторов, причем входные зажимы этих фильтров подключены к выходным зажимам указанных инверторов, а к выходным зажимам этих фильтров подключены некоторые из потребителей переменного тока со значениями частоты и (или) напряжения, которые отличаются от частоты и (или) напряжения электрической сети переменного тока.
При этом некоторые из импульсных преобразователей постоянного напряжения снабжены выходными фильтрами указанных преобразователей, причем входные зажимы этих фильтров подключены к выходным зажимам указанных преобразователей, а к выходным зажимам этих фильтров подключены некоторые из потребителей постоянного тока, напряжения которых отличаются от напряжения на сборных шинах постоянного тока.
Сопоставительный анализ признаков заявляемого решения и признаков аналога и прототипа свидетельствует о его соответствии критерию «новизна».
Отличительные признаки предлагаемого решения выполняют следующие функциональные задачи.
Признаки « в качестве управляемых выпрямителей использованы управляемые выпрямители напряжения », а также « введены входящие в сеть постоянного тока сборные шины постоянного тока » позволяют получить форму входных токов управляемых выпрямителей практически синусоидальную с равным единице коэффициентом мощности, что позволяет уменьшить расчетные токи, поперечные сечения проводников тока и массу линий электропередачи от электрической станции до управляемых выпрямителей; а также упростить электрическую сеть постоянного тока, исключив из нее переключатели, с помощью которых в прототипе выходы управляемых выпрямителей соединялись с потребителями постоянного тока.
Признак « управляемые выпрямители напряжения, входные зажимы которых через пусковые устройства этих выпрямителей и входные фильтры этих выпрямителей подключены к сети переменного тока высокого напряжения » позволяет ограничить пусковые токи, потребляемые управляемыми выпрямителями напряжения при их подключении к сети переменного тока, а также улучшить электромагнитную совместимость управляемых выпрямителей напряжения с другими судовыми электроустановками.
Признаки: « введены автономные инверторы напряжения, снабженные входными фильтрами этих инверторов и пусковыми устройствами этих инверторов, », « сборные шины постоянного тока, к которым через пусковые устройства автономных инверторов напряжения и входные фильтры этих инверторов подключены входные зажимы указанных автономных инверторов напряжения, » и « с выходными зажимами автономных инверторов напряжения соединены потребители переменного тока со значениями частоты и (или) напряжения, которые отличаются от частоты и (или) напряжения электрической сети переменного тока, » позволяют получить форму выходных токов автономных инверторов напряжения практически синусоидальную, что дает возможность уменьшить потери мощности от токов высших гармоник в обладающих индуктивностью цепей, подключенных к этим инверторам потребителей переменного тока, например, двигателей переменного тока; кроме того, позволяют ограничить пусковые токи, потребляемые автономными инверторами напряжения при их подключении к сети постоянного тока, и обеспечить при коммутации электронных ключей автономных инверторов напряжения практически мгновенное переключение выходного напряжения этих инверторов с одного крайнего значения на другое, что дает возможность защитить элементы этих инверторов от сверхтоков и расширить диапазон регулирования напряжения первой гармоники выходного напряжения этих инверторов.
Признаки: « введены импульсные преобразователи постоянного напряжения, снабженные входными фильтрами этих преобразователей и пусковыми устройствами этих преобразователей, », « сборные шины постоянного тока, к которым через пусковые устройства импульсных преобразователей постоянного напряжения и входные фильтры этих преобразователей подключены входные зажимы указанных импульсных преобразователей постоянного напряжения, » и « с выходными зажимами импульсных преобразователей постоянного напряжения соединены потребители постоянного тока, напряжения которых отличаются от напряжения на сборных шинах постоянного тока » позволяют практически исключить пульсации выходных токов импульсных преобразователей постоянного напряжения, что дает возможность уменьшить потери мощности от токов высших гармоник в обладающих индуктивностью цепях, подключенных к этим преобразователям потребителей постоянного тока, например двигателей постоянного тока; а также позволяют ограничить пусковые токи, потребляемые импульсными преобразователями постоянного напряжения при их подключении к сети постоянного тока, и обеспечить при коммутации электронных ключей импульсных преобразователей постоянного напряжения практически мгновенное переключение выходного напряжения этих преобразователей с одного крайнего значения на другое, что дает возможность защитить элементы этих преобразователей от сверхтоков и расширить диапазон регулирования напряжения среднего выходного напряжения этих преобразователей.
Признак « некоторые из автономных инверторов напряжения снабжены выходными фильтрами указанных инверторов, причем входные зажимы этих фильтров подключены к выходным зажимам указанных инверторов, а к выходным зажимам этих фильтров подключены некоторые из потребителей переменного тока со значениями частоты и (или) напряжения, которые отличаются от частоты и (или) напряжения электрической сети переменного тока.» позволяет получить практически синусоидальную форму напряжения автономных инверторов и тем самым улучшить электромагнитную совместимость автономных инверторов напряжения с другими судовыми электроустановками.
Признак « некоторые из импульсных преобразователей постоянного напряжения снабжены выходными фильтрами указанных преобразователей, причем входные зажимы этих фильтров подключены к выходным зажимам указанных преобразователей, а к выходным зажимам этих фильтров подключены некоторые из потребителей постоянного тока, напряжения которых отличаются от напряжения на сборных шинах постоянного тока » позволяет получить практически постоянное мгновенное значение выходных напряжений указанных преобразователей и тем самым улучшить электромагнитную совместимость этих преобразователей с другими судовыми электроустановками.
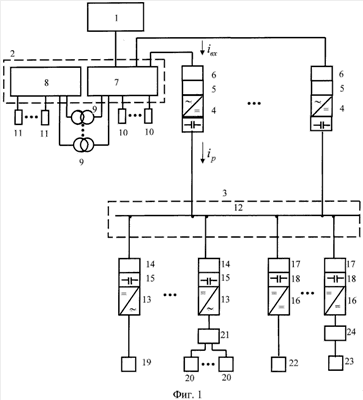
На фиг.1 представлена электрическая структурная схема судовой электроэнергетической системы. На фиг.2 показана принципиальная схема четырехквадрантного импульсного преобразователя, который в зависимости от схемы подключения и направления мощности выполняет функции управляемого выпрямителя напряжения или инвертора напряжения. На фиг.3 изображена принципиальная схема понижающего импульсного преобразователя постоянного напряжения (первого рода), снабженного входным и выходным фильтрами.
Судовая электроэнергетическая система содержит судовую электрическую станцию 1 переменного тока, с которой соединены электрическая сеть 2 переменного тока непосредственно, а электрическая сеть постоянного тока 3 – через управляемые выпрямители напряжения 4, снабженные входными фильтрами 5 и пусковыми устройствами 6 этих выпрямителей. Сеть переменного тока 2 может быть разделена на две части: электрическая сеть 7 переменного тока высокого напряжения и электрическая сеть 8 переменного тока низкого напряжения. Обе эти части соединены силовыми трансформаторами 9. Потребители 10 с постоянными значениями частоты и высокого напряжения подключены к сети 7 переменного тока высокого напряжения. Потребители 11 с постоянными значениями частоты и низкого напряжения подключены к электрической сети 8 переменного тока низкого напряжения. Сеть 3 постоянного тока содержит сборные шины 12 постоянного тока, к которым подключены выходные зажимы всех управляемых выпрямителей 4 напряжения. К сборным шинам 12 подключены входные зажимы автономных инверторов 13 напряжения через пусковые устройства 14 и фильтры 15 этих инверторов, а также входные зажимы импульсных преобразователей 16 постоянного напряжения через пусковые устройства 17 и фильтры 18 этих преобразователей. К выходным зажимам некоторых автономных инверторов 13 подключены, по одному на каждый инвертор, потребители 19 со значениями частоты и (или) напряжения, которые отличаются от частоты и (или) напряжения электрической сети 2 переменного тока. Выходные напряжения таких инверторов, а возможно и частоты, изменяются во время работы этих потребителей. Группы других потребителей 20 с неизменными значениями частоты, которые отличаются от частоты электрической сети 2 переменного тока, подключаются к выходным зажимам другой части автономных инверторов 13 через выходные фильтры 21 этих инверторов. Непосредственно к выходным зажимам некоторых импульсных преобразователей 16 постоянного напряжения подключены, по одному на каждый такой преобразователь, потребители 22 со значениями напряжения, которые отличаются от напряжения электрической сети 3 постоянного тока. Другие потребители 23 со значениями напряжения, которые отличаются от напряжения электрической сети 3 постоянного тока, подключаются к выходным зажимам другой части импульсных преобразователей 16 постоянного напряжения через выходные фильтры 24 этих импульсных преобразователей 16 постоянного напряжения.
Управляемые выпрямители напряжения 4 известны также под названиями: активные выпрямители или четырехквадрантные преобразователи. На фиг.2 показан выполняющий функцию управляемого выпрямителя 4 мостовой управляемый выпрямитель напряжения. У него каждое вентильное плечо может проводить ток в обоих направлениях и представляет собой встречно-параллельное соединение электронного ключа 25 с односторонней проводимостью и диода 26, проводящего ток в обратном, по отношению к электронному ключу, направлению. В качестве указанных ключей преимущественно используют IGBT или MOSFET транзисторы. В анодную группу выпрямителя входят вентильные плечи, у которых аноды диодов соединены с отрицательным выходным зажимом 27 выпрямителя, а в катодную группу – вентильные плечи, у которых катоды диодов соединены с положительным выходным зажимом 28 выпрямителя. К выходным зажимам 27 и 28 такого выпрямителя подключен выходной конденсатор 29, являющийся обязательным элементом управляемого выпрямителя напряжения. Катод диода каждого вентильного плеча анодной группы соединен с анодом диода вентильного плеча одной из катодных групп и с одним из входных зажимов 30 выпрямителя. Эти зажимы через фильтр 5 выпрямителя и пусковое устройство 6 выпрямителя подключены к электрической сети 2 переменного тока. Выходные зажимы 27 и 28 соединены со сборной шиной 12 постоянного тока (см. фиг.1).
Выполняющий функцию преобразователя 16 (см. фиг.1) понижающий импульсный преобразователь 31 постоянного напряжения (первого рода) состоит из электронного ключа 32 и диода 33 (см. фиг.3). К входным зажимам 34 и 35 подключен конденсатор 36, выполняющий функцию входного фильтра преобразователя. Выходные зажимы 37 и 38 преобразователя подключены к входу выходного фильтра 39 преобразователя. Выходной фильтр 39 нижних частот состоит из реактора 40 и конденсатора 41 этого фильтра. Выводы конденсатора подключены к выходным зажимам 42 и 43 выходного фильтра. К этим выводам подключены потребители 23, а входные зажимы 34 и 35 преобразователя через пусковое устройство 17 этого преобразователя соединены со сборной шиной постоянного тока 12 (см. фиг.1).
Судовая электроэнергетическая система работает следующим образом.
После запуска генераторов судовой электростанции 1 и подключения их к шинам главного распределительного щита электростанции 1 на этих шинах и в электрической сети 2 переменного тока появляется напряжение. В электрической сети 7 переменного тока высокого напряжения оно такое же, как и на шинах главного распределительного щита. Для судовых электростанций мощностью свыше 5 МВА используется напряжение, близкое к 10 кВ (у прототипа 6,3 кВ). Для судовых электростанций с меньшей мощностью применяют, как правило, 400 В, 50 Гц или 440 В, 60 Гц. Те потребители 10 переменного тока, которые не требуют регулирования напряжения и частоты, и пусковой ток которых много меньше номинального тока генератора электростанции 1 (например, не более 20% от него), получают питание от сети 7. При включении этих потребителей наибольший провал напряжения на шинах главного распределительного щита не выходит за пределы длительно допустимого отклонения напряжения. (По существующим нормам – это 2,5% от номинального напряжения на них). К таким потребителям относятся, например, стационарные нагревательные приборы, двигатели маломощных насосов и вентиляторов судовых систем и т.п. Через силовые трансформаторы 9 от электрической сети 7 получают питание электрическая сеть 8 переменного тока низкого напряжения (например, 220 В, 50 Гц) и подключенные к ней потребители 11, которые не требуют регулирования напряжения и частоты и пусковой ток которых, приведенный к обмотке высокого напряжения трансформатора 9, много меньше номинального тока генератора электростанции 1. К таким потребителям относятся, например, освещение и бытовое электрооборудование.
После подключения входных зажимов 30 управляемого выпрямителя 4 к напряжению электрической сети 2 переменного тока выходной конденсатор 29 сначала заряжается в неуправляемом режиме через диоды 26. При этом мгновенное значение тока iЗ этих диодов равно мгновенному значению тока iC конденсатора 29. В начальный момент этого заряда, когда напряжение выходного конденсатора uC равно нулю, происходит короткое замыкание входных зажимов 30 через диоды 26. Чтобы избежать разрушения диодов и выводов конденсатора 29 подключение управляемого выпрямителя 4 к электрической сети 2 переменного тока производится через пусковое устройство 6. В неуправляемом режиме пусковые токи управляемого выпрямителя 4 проходят через токоограничивающий элемент пускового устройства 6. В качестве такого элемента используются пусковые резисторы или реакторы. Когда конденсатор 29 зарядится до амплитудного значения напряжения источника, пусковое устройство 6 выводит токоограничивающие элементы из цепи питания управляемого выпрямителя 4 и подключает входы 30 управляемого выпрямителя 4 к электрической сети 2 переменного тока через фильтр 5 управляемого выпрямителя 4. Дальнейший процесс заряда конденсатора 29 происходит в управляемом режиме путем управления моментами включения и отключения электронных ключей 25 с частотой, которая во много раз превосходит частоту напряжения электрической станции 1. При этом обеспечивается близкая к синусоиде форма входного тока выпрямителя, а коэффициент мощности первой гармоники этого тока практически равен единице. Во время включенного состояния электронных ключей 25 имеет место короткое замыкание цепи, в которой последовательно включены ЭДС источника и ЭДС выходного конденсатора. Для ограничения скорости нарастания тока iЗ короткого замыкания в этой цепи должны содержаться индуктивные элементы. Функцию этих элементов выполняют реакторы, которые последовательно включены с входными зажимами 30 и являются элементами фильтра 5 управляемого выпрямителя 4. Эти реакторы вместе с другими реактивными элементами фильтра 5 придают ему свойства фильтра нижних частот. Такой фильтр не пропускает токи высших гармоник, созданные коммутацией электронных ключей 25, в цепи электрической сети 2 переменного тока. При этом отличие от синусоиды формы токов, потребляемых управляемыми выпрямителями 4 от электрической станции 1, становится еще меньше. Тем самым улучшается электромагнитная совместимость импульсных управляемых выпрямителей 4 с другими судовыми электроустановками. Действующее значение входных токов управляемого выпрямителя 4 в управляемом режиме заряда выходного конденсатора 29 равно номинальному значению этих токов. В управляемом режиме конденсатор 29 заряжается до заданного значения напряжения uC (например, 670 В или 750 В). После чего входные токи управляемого выпрямителя 4 и ток конденсатора iC становятся практически равными нулю.
Когда напряжение uC выходного конденсатора 29 достигло заданного значения, выходные зажимы 27 и 28 управляемого выпрямителя 4 подключаются к сборной шине 12 постоянного тока. Управляемый выпрямитель 4 работает параллельно с другими, включенными между электрической сетью 2 переменного тока и общей шиной 12 постоянного тока, управляемыми выпрямителями 4 напряжения. Нагрузкой этих выпрямителей служат входные токи автономных инверторов 13 напряжения и импульсных преобразователей 16 постоянного напряжения. В результате действия этих токов через выходные зажимы 27 и 28 управляемого выпрямителя проходит ток ip. Под действием этого тока конденсатор 29 управляемого выпрямителя 4 начинает разряжаться. Микропроцессорная система автоматического управления выпрямителем 4 измеряет напряжение uC конденсатора 29, входные токи управляемого выпрямителя 4 и его выходной ток ip и управляет включением и выключением шести электронных ключей 25 так, чтобы выполнялись следующие условия:
напряжение конденсатора 29 неизменно, его отличие от заданного значения не выходит за допустимые пределы;
первые гармоники входных токов iвх образуют симметричную трехфазную систему, синфазную с фазными напряжениями судовой электрической сети 2 переменного тока;
действующее значение Iвх входного тока управляемого выпрямителя связано со средним значением Iр выходного тока выпрямителя следующим соотношением:
.
Тем самым достигается единичное значение коэффициента мощности токов, потребляемых управляемым выпрямителем 4 напряжения от электрической сети 2 переменного тока. Следовательно, обеспечивается выбор минимального сечения токоведущих проводников фидера, соединяющего управляемый выпрямитель 4 с электрической сетью 2.
Принципиальная схема импульсного автономного инвертора 13 напряжения идентична показанной на фиг.2 схеме импульсного управляемого выпрямителя 4 напряжения. Только входом инвертора являются зажимы постоянного тока 27 и 28, а выходом – зажимы переменного трехфазного тока 30. В преобразователях частоты, выполненных в виде сочетания расположенных рядом импульсного управляемого выпрямителя напряжения и импульсного автономного инвертора напряжения, используется один общий конденсатор 29. В рассматриваемом случае эти два устройства пространственно разнесены, их связывают фидеры, которыми они подключены к общим шинам 12 постоянного тока. Наличие индуктивности этих электрических линий при наличии конденсатора только на выходе управляемого выпрямителя 4 приведет к затягиванию процесса изменения напряжения на выходных зажимах 30 импульсного автономного инвертора 13 напряжения. При этом снижается максимальное значение первой гармоники линейного напряжения на зажимах 30 и увеличивается уровень высших гармоник в кривой этого напряжения. Для устранения этого недостатка автономный инвертор 13 напряжения снабжен емкостным фильтром 15 в виде конденсатора 29, подключенного к входным зажимам 27 и 28 инвертора 13.
Такое решение приводит к тому, что подключать эти зажимы непосредственно к общим шинам 12 становится невозможным. При подключении незаряженного входного конденсатора 29 инвертора к находящимся под напряжением выходным конденсаторам управляемых выпрямителей происходит короткое замыкание. Ток короткого замыкания из-за малого сопротивления линий электропередачи окажется чрезмерным и может повредить эти линии и конденсаторы. Напряжение на общих шинах 12 практически мгновенно значительно снизится, чем нарушится нормальная работа как управляемых выпрямителей 4, так и других автономных инверторов 13. Для исключения указанных последствий подключение импульсного автономного инвертора 13 напряжения к общим шинам 12 производится через пусковое устройство 14, подключенное к зажимам 27 и 28 инвертора 13. Во время заряда конденсатора 29 емкостного фильтра 15 автономного инвертора 13 ток заряда проходит через токоограничивающий элемент пускового устройства 14. В качестве такого элемента используются пусковой резистор. Когда конденсатор 29 зарядится до напряжения на общих шинах 12, пусковое устройство 14 выводит пусковой резистор из цепи питания автономного инвертора 13 и подключает его входные зажимы 27 и 28 непосредственно к фидеру, соединяющему автономный инвертор 13 с общими шинами 12 постоянного тока.
Трехфазное переменное напряжение на выходных зажимах 30 автономного инвертора 13 напряжения получают, коммутируя электронные ключи 25 с частотой, которая в десятки и сотни раз больше частоты первой гармоники выходного напряжения инвертора 13. Период частоты коммутации обозначим через Т, время включенного состояния электронного ключа – через tИ, а отношение tИ к Т. – через , которое называется коэффициентом регулирования. Линейное напряжение на зажимах 30 представляет собой последовательность прямоугольных импульсов, которые имеют продолжительность tИ и повторяются через Т. Амплитуда импульсов равна напряжению на общих шинах 12 постоянного тока. В автономном инверторе 13 напряжения используется широтно-импульсная модуляция, когда коэффициент регулирования изменяют от импульса к импульсу так, чтобы кроме первой гармоники напряжения необходимой частоты с необходимой амплитудой в последовательности прямоугольных импульсов содержались только высшие гармоники с частотами, кратными частоте коммутации. Линейные напряжения первых гармоник образуют симметричную трехфазную систему прямой или обратной последовательности.
Потребители 19 переменного тока, которые непосредственно и индивидуально подключаются к выходным зажимам 30 автономных инверторов 13 напряжения, делятся на две категории. К первой категории относятся электроприводы большой мощности, которые в рабочем режиме не требуют регулирования скорости. Они предназначены для работы с номинальными значениями частоты (50 Гц или 60 Гц) и напряжения. Если использовать прямой пуск синхронного или асинхронного двигателя от источника с неизменными номинальными значениями частоты и напряжения, то пусковые токи статорной обмотки, в среднем в пять раз превышающие номинальные токи статора, приводят к двум отрицательным последствиям. Во-первых, это значительный «провал» напряжения источника, а во-вторых, большие потери мощности в обмотках двигателя, во много раз превосходящие номинальные потери мощности. В особой мере это обстоятельство сказывается у электроприводов с частыми пусками и реверсами. В этом случае двигатель может перегреться даже при работе вхолостую. В рассматриваемой электроэнергетической системе двигатели подключенные к выходным зажимам 30, автономного инвертора 13 напряжения, запускают, плавно увеличивая частоту и напряжение статора двигателя, пока не будут достигнуты номинальные значения этих величин. При этом первые гармоники линейных напряжений на выходе автономного инвертора 13 образуют прямую последовательность. Во время пуска потребляемые двигателем токи лишь немного превосходят номинальный ток статора, что в несколько раз уменьшает потери мощности в обмотках двигателя по сравнению с прямым пуском от источника с неизменными номинальными значениями частоты и напряжения. В этом заключается первое преимущество предлагаемого решения по сравнению с прототипом. Второе преимущество – это снижение массы и стоимости фидеров, по которым получает питание двигатель. Этот результат объясняется тем, что автономный инвертор 13 располагается в непосредственной близости от потребителя, а общие шины 12 постоянного тока – от главного распределительного щита электрической станции 1. Для одного и того же двигателя масса и стоимость линии электропередачи постоянного тока от общих шин 12 до автономного инвертора 13 меньше, чем трехфазного кабеля той же длины.
Ко второй категории относятся потребители 19, длительно работающие при частоте, отличающейся от частоты судовой электростанции. К ним, в основном, относятся электроприводы, которые требуют плавного регулирования скорости. И в этом случае запуск синхронного или асинхронного двигателя производится при плавном увеличении частоты и напряжение статора двигателя, пока не будет достигнута необходимая скорость. Регулирование скорости двигателя 19, его остановка или реверс также производятся путем плавного изменения частоты и напряжения автономного инвертора 13 как прямой, так и обратной последовательности, что снижает потери мощности в обмотках двигателя. Главное преимущество предлагаемого решения, по сравнению с прототипом, заключается в том, что вместо двигателей постоянного тока в этом случае применяются более надежные, более легкие и менее дорогие асинхронные и синхронные двигатели.
Потребители 20 переменного тока являются маломощными потребителями, которые предназначены для работы с номинальными для них значениями напряжения и частоты. Причем эта частота, как правило, больше частоты судовой электростанции (например, 200 Гц для электроинструментов или 400 Гц для электронавигационного оборудования). Каждая группа потребителей 20 с одинаковыми значениями номинальной частоты и напряжения подключается к отдельному автономному инвертору 13 через выходной фильтр 21 нижних частот. При этом из напряжения на выходе автономного инвертора 21 удаляются высшие гармоники, кратные частоте коммутации электронных ключей, выходное напряжение фильтра 21 является практически синусоидальным. Наличие фильтра 21 позволяет снизить потери мощности у потребителей 20 и улучшить электромагнитную совместимость потребителей 20 с другими судовыми электроустановками.
Импульсные преобразователи 16 постоянного напряжения отличаются большим разнообразием: они могут понижать или повышать напряжение, с непосредственной связью цепей источника и нагрузки и с разделительным высокочастотным трансформатором, с одним, двумя или четырьмя электронными ключами. На фиг.3 приведена принципиальная схема наиболее простого и наиболее пригодного для применения на судах понижающего импульсного преобразователя 31 постоянного напряжения, состоящего из одного диода 33 и одного электронного ключа 31, который включается и выключается с постоянной частотой, которая в десятки и сотни раз больше частоты судовой электростанции. К входным зажимам 34 и 35 импульсного преобразователя 31 подключен конденсатор 36, играющий роль входного емкостного фильтра 18 этого преобразователя. Необходимость наличия такого фильтра показана выше, на примере входной цепи автономного инвертора 13 напряжения. Как и у этого инвертора, входные зажимы 34 и 35 импульсного преобразователя 31 должны подключаться к выходным зажимам пускового устройства 17. Токи заряда конденсатора 36, возникающие при подключении входных зажимов пускового устройства 17 к сборным шинам 12 постоянного тока, ограничиваются, например, пусковыми резисторами. Когда конденсатор 36 зарядится до напряжения на общих шинах 12, пусковое устройство 17 выводит пусковой резистор из цепи питания импульсного преобразователя 16 и подключает его входные зажимы 34 и 35 непосредственно к фидеру, соединяющему этот преобразователь с общими шинами 12 постоянного тока.
В установившихся режимах работы коэффициент регулирования импульсного преобразователя имеет постоянное значение. При этом выходное напряжение на зажимах 37 и 38 имеет вид последовательности одинаковых прямоугольников с одинаковыми промежутками между ними. Такое напряжение имеет постоянную составляющую UП, где UП – напряжение на общих шинах 12 постоянного тока (при пренебрежении небольшим падением напряжения в фидере, соединяющем преобразователь с этими шинами) и напряжения гармоник, кратных частоте коммутации электронного ключа 32. Наибольшая из этих гармоник, первая, имеет наибольшее значение при =0,5.
Некоторые потребители постоянного тока 22, входные цепи которых имеют индуктивность, достаточную для того, чтобы обеспечить заданное минимальное значение отношения пульсаций выходного тока преобразователя к его среднему значению при =0,5, подключаются непосредственно к выходным зажимам 37 и 38. Такими потребителями, например, являются обмотки возбуждения синхронных машин. Регулирование выходного тока импульсного преобразователя 16 постоянного напряжения производится путем изменения коэффициента .
Другие потребители 23 постоянного тока не допускают пульсаций подводимого к ним напряжения. К таким потребителям относятся, например, некоторые аккумуляторные батареи, которые заряжаются от импульсных преобразователей 16 постоянного напряжения. В этом случае к выходу преобразователя подключается выходной фильтр 39 нижних частот. Такой фильтр состоит из реактора 40 и конденсатора 41 фильтра. Реактор ослабляет высокочастотные переменные токи, вызванные пульсациями выходного напряжения преобразователя 31, а конденсатор представляет для них ничтожное сопротивление. В результате всегда возможно достичь подавления пульсаций выходного тока импульсного преобразователя 16 постоянного напряжения до заданного уровня.
Некоторые из потребителей 23 допускают пульсации приложенного к ним напряжения, но индуктивность их входных цепей недостаточна для обеспечения требуемого уровня пульсаций входного тока. К таким потребителям, например, относятся плазмотроны. В этом случае можно не подключать конденсатор 41 фильтра 39, и он становится индуктивным фильтром.
Источники информации
1. Martin Braun, Achim Hollung. Forschungs- und Erprobungs-Schiff (FES) von Thyssen Nordseewerke. Forum ThyssenKrupp, 2/2001, pp.68-73.
2. Анисимов Я.Ф., Васильев Е.П. Электромагнитная совместимость полупроводниковых преобразователей и судовых электроустановок. – Л.: Судостроение. 1990. – 264 с.
Формула изобретения
1. Судовая электроэнергетическая система, содержащая судовую электрическую станцию переменного тока, электрическую сеть переменного тока, к которой подключены потребители переменного тока с постоянными значениями напряжения и частоты, силовые трансформаторы, электрическую сеть постоянного тока и управляемые выпрямители, выходные зажимы которых соединены с электрической сетью постоянного тока, а входные зажимы подключены к электрической сети переменного тока, к которой также подключена судовая электрическая станция переменного тока, причем электрическая сеть переменного тока разделена на электрическую сеть переменного тока высокого напряжения и электрическую сеть переменного тока низкого напряжения, к электрической сети переменного тока высокого напряжения подключены входные зажимы управляемых выпрямителей и через силовые трансформаторы электрическая сеть переменного тока низкого напряжения, отличающаяся тем, что в качестве управляемых выпрямителей использованы управляемые выпрямители напряжения, которые снабжены входными фильтрами этих выпрямителей и пусковыми устройствами этих выпрямителей, а в указанную судовую электроэнергетическую систему введены автономные инверторы напряжения, снабженные входными фильтрами этих инверторов и пусковыми устройствами этих инверторов, и импульсные преобразователи постоянного напряжения, снабженные входными фильтрами этих преобразователей и пусковыми устройствами этих преобразователей, а также входящие в сеть постоянного тока сборные шины постоянного тока, к которым через пусковые устройства автономных инверторов напряжения и входные фильтры этих инверторов подключены входные зажимы указанных автономных инверторов напряжения, через пусковые устройства импульсных преобразователей постоянного напряжения и входные фильтры этих преобразователей подключены входные зажимы указанных импульсных преобразователей постоянного напряжения, а также выходные зажимы указанных управляемых выпрямителей напряжения, входные зажимы которых через пусковые устройства этих выпрямителей и входные фильтры этих выпрямителей подключены к сети переменного тока высокого напряжения, причем с выходными зажимами автономных инверторов напряжения соединены потребители переменного тока со значениями частоты и (или) напряжения, которые отличаются от частоты и (или) напряжения электрической сети переменного тока, а с выходными зажимами импульсных преобразователей постоянного напряжения соединены потребители постоянного тока, напряжения которых отличаются от напряжения на сборных шинах постоянного тока.
2. Судовая электроэнергетическая система по п.1, отличающаяся тем, что некоторые из автономных инверторов напряжения снабжены выходными фильтрами указанных инверторов, причем входные зажимы этих фильтров подключены к выходным зажимам указанных инверторов, а к выходным зажимам этих фильтров подключены некоторые из потребителей переменного тока со значениями частоты и (или) напряжения, которые отличаются от частоты и (или) напряжения электрической сети переменного тока.
3. Судовая электроэнергетическая система по п.1, отличающаяся тем, что некоторые из импульсных преобразователей постоянного напряжения снабжены выходными фильтрами указанных преобразователей, причем входные зажимы этих фильтров подключены к выходным зажимам указанных преобразователей, а к выходным зажимам этих фильтров подключены некоторые из потребителей постоянного тока, напряжения которых отличаются от напряжения на сборных шинах постоянного тока.
РИСУНКИ
|
|