|
|
(21), (22) Заявка: 2008107417/09, 26.02.2008
(24) Дата начала отсчета срока действия патента:
26.02.2008
(46) Опубликовано: 10.12.2009
(56) Список документов, цитированных в отчете о поиске:
US 5631533 A, 20.05,1997. RU 2183887 C1, 20.06.2002. RU 14477 U1, 27.07.2000. FR 2730872 A, 23.08.1996. US 6828758 B2, 07.12.2004.
Адрес для переписки:
350072, г.Краснодар, ул. Солнечная, 6, Открытое акционерное общество “Сатурн”
|
(72) Автор(ы):
Нагайкин Анатолий Семенович (RU)
(73) Патентообладатель(и):
Открытое акционерное общество “Сатурн” (RU)
|
(54) УСТРОЙСТВО ДЛЯ ЗАРЯДНО-РАЗРЯДНОГО ЦИКЛИРОВАНИЯ АККУМУЛЯТОРНОЙ БАТАРЕИ
(57) Реферат:
Изобретение относится к электротехнике, в частности к контрольно-проверочной аппаратуре для зарядно-разрядного циклирования аккумуляторных батарей в процессе проведения испытаний, обслуживания и подготовки к работе никель-водородных аккумуляторных батарей на заводе-изготовителе и в эксплуатирующих организациях. Технический результат – уменьшение погрешности измерения количества электричества, полученного при заряде аккумуляторной батареи (АБ) и отданного при разряде в каждом зарядно-разрядном цикле, возможность разряжать АБ до 0 В и ниже, упрощение практической реализации. Устройство для зарядно-разрядного циклирования содержит источник постоянного тока, блок нагрузки, контроллер, между источником постоянного тока и АБ включены первый и второй управляемые двухполюсные коммутаторы, первые выходные полюсы которых соединены и подключены к плюсу АБ, а вторые выходные полюсы соединены и подключены к минусу АБ, при этом плюс источника постоянного тока соединен с первым входным полюсом первого коммутатора и с входом блока нагрузки, выход которой соединен со вторым входным полюсом второго коммутатора, а минус источника постоянного тока соединен со вторым входным полюсом первого коммутатора и с первым входным полюсом второго коммутатора, а контроллер электрически соединен с выходом АБ и с управляемыми входами коммутаторов и источника постоянного тока. Кроме того, блок нагрузки выполнен на последовательно соединенных диодах, к которым подключены вентиляторы постоянного тока. 1 ил.
Изобретение относится к области электротехники, в частности к контрольно-проверочной аппаратуре для зарядно-разрядного циклирования аккумуляторных батарей, и предназначено для проведения испытаний, обслуживания и подготовки к работе никель-водородных аккумуляторных батарей (НВА) на заводе-изготовителе и в эксплуатирующих организациях.
Известно устройство для зарядно-разрядного циклирования аккумуляторной батареи (АБ) (заявка 2730872, Франция, МКИ6 H02J 7/00, опубл. 23.08.96), содержащее понижающий трансформатор, выпрямительный диод, фильтрующий контур с эталоном, при этом источник постоянного тока и разрядный контур подключены непосредственно к АБ.
Недостатками данного устройства являются использование двух активных источников заряда и разряда, что усложняет практическую реализацию устройства, особенно при больших токах заряда и разряда до 100 А, не позволяет получить высокую точность измерения количества электричества, полученного при заряде и отданного при разряде, а также не позволяет автоматизировать процесс длительного зарядно-разрядного циклирования до нескольких тысяч циклов.
Признаки, общие для данного устройства с признаками предлагаемого, следующие:
– аккумуляторная батарея;
– источник постоянного тока;
– разрядный контур.
Наиболее близким и принятым за прототип является устройство для зарядно-разрядного циклирования аккумуляторной батареи (патент США 5.631.533, опубл. 20.05.97), содержащее зарядный источник, разрядный контур и контроллер, при этом зарядный источник соединяется с аккумуляторной батареей через первый ключ; разрядная нагрузка подключена к аккумуляторной батарее через второй ключ, а контроллер соединен с первым и вторым ключом и с выходом аккумуляторной батареи.
Недостатками прототипа являются:
– большая погрешность измерения количества электричества, полученного при заряде и отданного при разряде в каждом зарядно-разрядном цикле, так как при заряде и разряде не измеряются значения токов заряда и разряда, а только контролируется время включенного состояния ключа заряда и разряда;
– невозможность разряда АБ до 0 В и ниже 0 В (т.е. невозможность производить переполюсовку), так как разрядная цепь жестко соединена с минусом АБ через транзисторный разрядный ключ;
– сложность практической реализации при больших токах заряда и разряда до 100 А и более из-за использования транзисторного ключа.
Признаки прототипа, общие с признаками прелагаемого устройства, следующие:
– устройство содержит источник постоянного тока для заряда аккумуляторной батареи, разрядный контур, контроллер.
Техническим результатом, достигаемым в предлагаемом устройстве, является:
– уменьшение погрешности измерения количества электричества, полученного при заряде АБ и отданного при разряде в каждом зарядно-разрядном цикле;
– возможность разряжать АБ до 0 В и ниже 0 В (т.е. производить переполюсовку);
– упрощение практической реализации.
Достигается вышеуказанный технический результат тем, что в устройстве для зарядно-разрядного циклирования АБ, содержащем источник постоянного тока для заряда аккумуляторной батареи, блок нагрузки, контроллер, между источником постоянного тока и АБ включены первый и второй управляемые двухполюсные коммутаторы, первые выходные полюсы которых соединены и подключены к плюсу АБ, а вторые выходные полюсы соединены и подключены к минусу АБ, при этом плюс источника постоянного тока соединен с первым входным полюсом первого коммутатора и с входом блока нагрузки, выход которой соединен со вторым входным полюсом второго коммутатора, а минус источника постоянного тока соединен со вторым входным полюсом первого коммутатора и с первым входным полюсом второго коммутатора; контроллер электрически соединен с выходом АБ и с управляемыми входами коммутаторов и источника постоянного тока. Кроме того, блок нагрузки выполнен на последовательно соединенных диодах, к которым подключены вентиляторы постоянного тока.
Уменьшение погрешности измерения количества электричества, полученного при заряде АБ и отданного при разряде в каждом зарядно-разрядном цикле, достигается тем, что зарядный и разрядный ток формируется одним и тем же источником тока, близким к идеальному.
Возможность разряда АБ до 0 В и ниже достигается тем, что АБ подключена к источнику тока обратной полярностью.
Упрощение практической реализации достигается тем, что источник постоянного тока может быть промышленного изготовления и для создания зарядно-разрядного устройства достаточно в разрядную цепь включить блок нагрузки.
Отличительные признаки предлагаемого устройства, обеспечивающие его соответствие критерию «новизна», следующие:
– между источником постоянного тока и АБ включены первый и второй управляемые двухполюсные коммутаторы, первые выходные полюсы которых соединены и подключены к плюсу АБ, а вторые выходные полюсы соединены и подключены к минусу АБ, при этом плюс источника постоянного тока соединен с первым входным полюсом первого коммутатора и с входом блока нагрузки, выход которой соединен со вторым входным полюсом второго коммутатора, а минус источника постоянного тока соединен со вторым входным полюсом первого коммутатора и с первым входным полюсом второго коммутатора;
– контроллер электрически соединен с выходом АБ и с управляемыми входами коммутаторов и источника постоянного тока;
– блок нагрузки выполнен на последовательно соединенных диодах, к которым подключены вентиляторы постоянного тока.
Для доказательства соответствия предлагаемого устройства критерию «изобретательский уровень» была проанализирована вся совокупность признаков и отдельно отличительные признаки. Установлено, что применение вышеуказанных отличительных признаков, дающих в совокупности с известными признаками технический результат, заключающийся в уменьшении погрешности измерения количества электричества, полученного при заряде АБ и отданного при разряде в каждом зарядно-разрядном цикле, в возможности разряда АБ до 0 В и ниже и в упрощении практической реализации, в литературных источниках не обнаружено. Таким образом, по мнению автора, предлагаемое устройство соответствует критерию «изобретательский уровень».
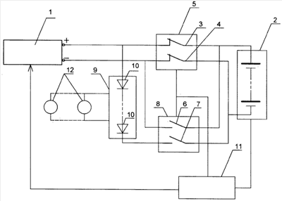
Предлагаемое устройство для зарядно-разрядного циклирования аккумуляторных батарей изображено на чертеже.
Устройство содержит источник постоянного тока 1 для заряда и разряда АБ 2.
Заряд АБ 2 производится через замкнутые ключи 3 и 4 коммутатора 5.
Разряд АБ 2 производится через замкнутые ключи 6 и 7 коммутатора 8, при этом плюс источника постоянного тока 1 через блок нагрузки 9, выполненный на последовательно соединенных диодах 10, подключается через замкнутый ключ 7 к минусу АБ 2, а минус источника постоянного тока 1 через замкнутый ключ 6 к плюсу АБ 2. Контроллер 11 контролирует степень заряженности или разряженности АБ 2, отключает источник тока 1 при аварийных ситуациях и при переключении коммутаторов 5 и 8 из состояния заряд на разряд и наоборот. Значения токов заряда или разряда задаются непосредственно с пульта управления источника постоянного тока 1 или через его управляемые входы от контроллера 11. К диодам 10 блока нагрузки 9 подключены вентиляторы постоянного толка 12, которые снимают часть мощности и выделяемого тепла с блока нагрузки 9.
Пример конкретного выполнения предлагаемой установки
В практической реализации одного из вариантов предлагаемого устройства (см. чертеж) в качестве АБ 2 может быть любая никель-водородная батарея (НВАБ), в том числе и один или несколько никель-водородных аккумуляторов (НВА) напряжением от 0 до 16 В, емкостью от 10 до 300 А·ч и токами заряда и разряда от 0 до 110 А. В качестве источника постоянного тока 1 использован источник модели GEN 30-110 напряжением 30 В и токами 0-110 А фирмы Nemic-Lambda. При использовании других моделей напряжение АБ может быть 0-50 В и токи 0-150 А. В качестве коммутаторов 5 и 8 использован дистанционный переключатель ДП1-50А (ТУ16-526.455-79).
В качестве диодного блока нагрузки 9 использованы диоды 2Д141-100-3 (ТУ16-729.192-81). Контроллер 11 выполнен на промышленных компонентах типа ADAM 5510E, ADAM 5013, ADAM 5017Н, ADAM 5024, ADAM 5055S.
К диодам 10 для съема мощности и выделяемого тепла с блока нагрузки 9 подключены три вентилятора 12 типа РМД1212РМВ3-А (2) GN.
Формула изобретения
Устройство для зарядно-разрядного циклирования аккумуляторной батареи, содержащее источник постоянного тока для заряда аккумуляторной батареи, блок нагрузки, контроллер, отличающееся тем, что между источником постоянного тока и аккумуляторной батареей включены первый и второй управляемые двухполюсные коммутаторы, первые выходные полюсы которых соединены и подключены к плюсу аккумуляторной батареи, а вторые выходные полюсы соединены и подключены к минусу аккумуляторной батареи, причем плюс источника постоянного тока соединен с первым входным полюсом первого коммутатора и с входом блока нагрузки, выход которой соединен со вторым входным полюсом второго коммутатора, а минус источника постоянного тока соединен со вторым входным полюсом первого коммутатора и с первым входным полюсом второго коммутатора, при этом контроллер электрически соединен с выходом аккумуляторной батареи и с управляемыми входами коммутаторов и источника постоянного тока, кроме того, блок нагрузки выполнен на последовательно соединенных диодах, к которым подключены вентиляторы постоянного тока.
РИСУНКИ
|
|