|
|
(21), (22) Заявка: 2006144612/09, 15.12.2006
(24) Дата начала отсчета срока действия патента:
15.12.2006
(43) Дата публикации заявки: 20.06.2008
(46) Опубликовано: 10.12.2009
(56) Список документов, цитированных в отчете о поиске:
SU 1438005 A1, 15.11.1988. RU 2022337 C1, 30.10.1994. SU 1169172 A1, 23.07.1985. SU 1656686 A1, 15.06.1991. GB 2237482 В, 17.11.1993. ЕР 0180100 А2, 07.05.1988.
Адрес для переписки:
54040, Украина, г. Николаев, Крылова, 54, кв.229, Л.П. Петренко
|
(72) Автор(ы):
Петренко Лев Петрович (UA)
(73) Патентообладатель(и):
Петренко Лев Петрович (UA)
|
(54) СПОСОБ ЛОГИЧЕСКОГО ДИФФЕРЕНЦИРОВАНИЯ АНАЛОГОВЫХ СИГНАЛОВ, ЭКВИВАЛЕНТНЫХ ДВОИЧНОМУ КОДУ, И УСТРОЙСТВО ДЛЯ ЕГО РЕАЛИЗАЦИИ
(57) Реферат:
Изобретение относится к вычислительной технике и может быть использовано при построении арифметических устройств и выполнения арифметических операций, в частности процессов суммирования и вычитания, в позиционно-знаковых кодах. Техническим результатом является расширение функциональных возможностей. Способ логического дифференцирования аналоговых сигналов [ni], где i 1,2, q, эквивалентных двоичному коду, включающий формирование в «i» разряде системы условно положительного +mi и условно отрицательных -mi аналоговых сигналов, которые принимают либо условно высокий или активный уровень, либо условно низкий или неактивный уровень, заключается в том, что систему положительного +mi и условно отрицательного -mi аналоговых сигналов в «i» разряде формируют одновременно посредством функций f1(&)-И и f2(&)-И из системы входных аналоговых сигналов ni «i» разряда и ni-1 «i-1» разряда, в которой предварительно при формировании положительного аналогового сигнала +mi изменяют уровень аналогового сигнала ni «i» разряда посредством функции fi(&)-HE, а при формировании условно отрицательного аналогового сигнала -mi изменяют уровень аналогового сигнала ni-1 «i-1» разряда посредством функции f2(&)-HE. 4 н.п. ф-лы, 6 ил.
Текст описания приведен в факсимильном виде.             
Формула изобретения
1. Способ логического дифференцирования аналоговых сигналов [ni], где i 1, 2, q, эквивалентных двоичному коду, включающий формирование в «i» разряде системы условно положительного +mi и условно отрицательного -mi аналоговых сигналов, которые принимают либо условно высокий или активный уровень, либо условно низкий или неактивный уровень, отличающийся тем, что систему положительного +mi и условно отрицательного -mi аналоговых сигналов в «i» разряде формируют одновременно посредством функций f1(&)-И и f2(&)-И из системы входных аналоговых сигналов ni «i» разряда и ni-1 «i-1» разряда, в которой предварительно при формировании положительного аналогового сигнала +mi изменяют уровень аналогового сигнала ni «i» разряда посредством функции f1(&)-HE, а при формировании условно отрицательного аналогового сигнала -mi изменяют уровень аналогового сигнала ni «i-1» разряда посредством функции f2(&)-HE.
2. Способ логического дифференцирования аналоговых сигналов [ni], где i 1, 2, q, эквивалентных двоичному коду, включающий формированием в «i» разряде системы положительного +mi и условно отрицательного -mi аналоговых сигналов, которые принимают либо условно высокий или активный уровень, либо условно низкий или неактивный уровень, отличающийся тем, что систему условно положительного +mi и условно отрицательного -mi аналоговых сигналов в «i» разряде формируют одновременно посредством функций f1(}&)-ИЛИ-HE и f2(}&)-ИЛИ-НЕ из системы входных аналоговых сигналов ni «i» разряда и ni-1 «i-1» разряда, в которой предварительно при формировании условно положительного аналогового сигнала +mi изменяют уровень аналогового сигнала ni-1 «i-1» разряда посредством функции f1(&)-HE, а при формировании условно отрицательного аналогового сигнала -mi изменяют уровень аналогового сигнала ni «i» разряда посредством функции f2(&)-HE.
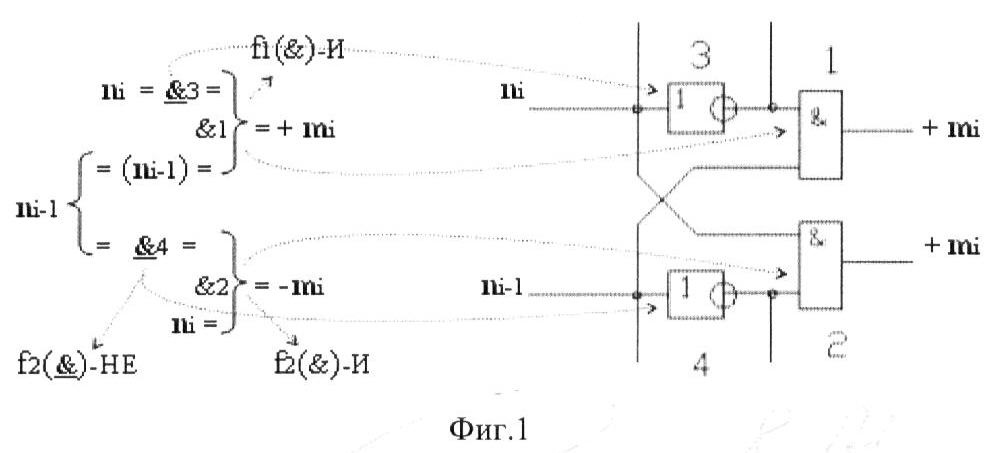
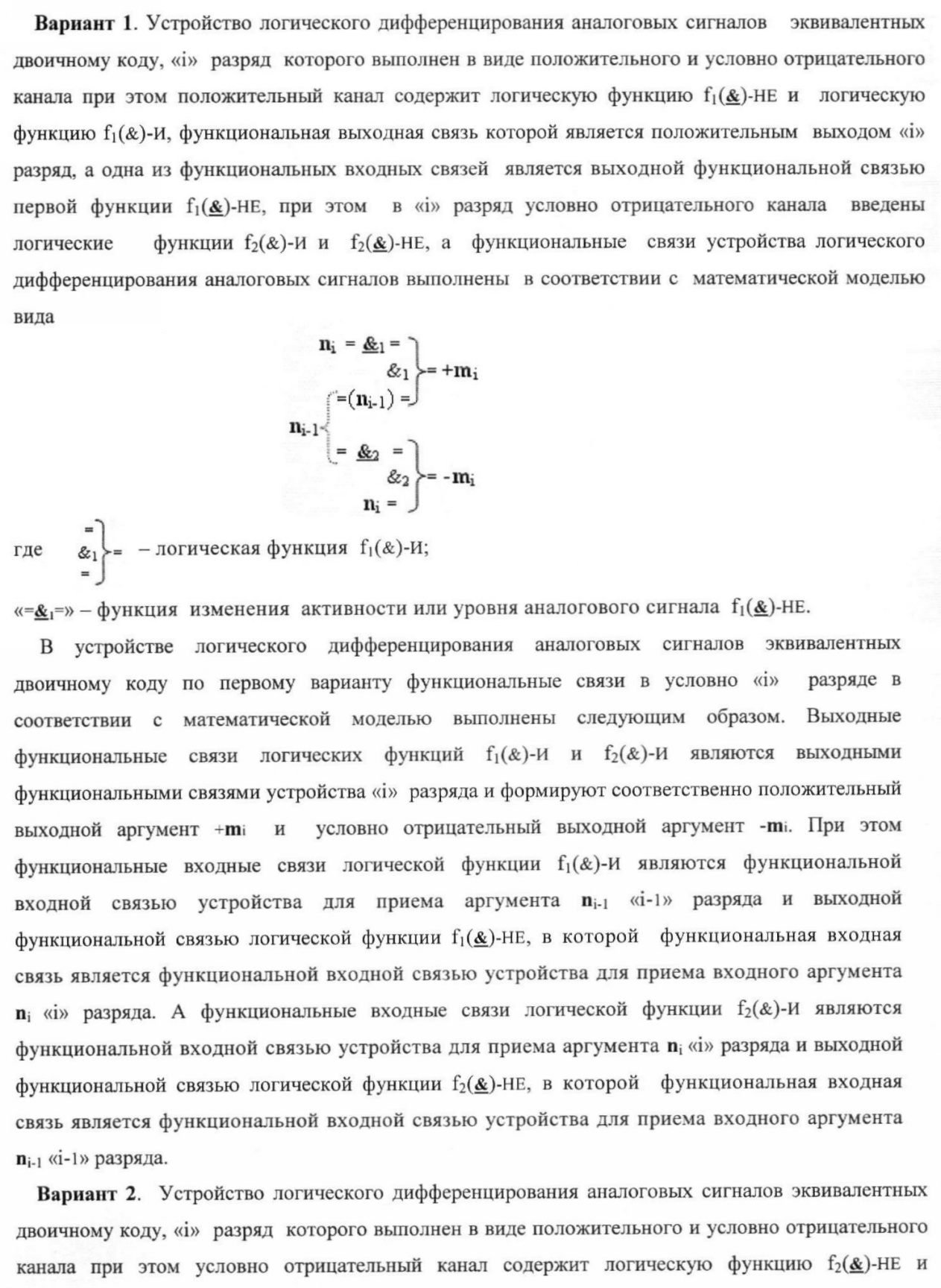
3. Устройство логического дифференцирования аналоговых сигналов, эквивалентных двоичному коду, «i» разряд которого выполнен в виде положительного и условно отрицательного канала, при этом положительный канал содержит логическую функцию f1(&)-HE и логическую функцию f1(&)-И, функциональная выходная связь которой является положительным выходом «i» разряд, а одна из функциональных входных связей является выходной функциональной связью первой функции f1(&)-HE, отличающееся тем, что в «i» разряд условно отрицательного канала введены логические функции f2(&)-И и f2(&)-HE, а функциональные связи устройства логического дифференцирования аналоговых сигналов выполнены в соответствии с математической моделью вида

-логическая функция  «=&1=» – функция изменения активности или уровня аналогового сигнала f1(&)-НЕ.
4. Устройство логического дифференцирования аналоговых сигналов, эквивалентных двоичному коду, «i» разряд которого выполнен в виде положительного и условно отрицательного канала, при этом условно отрицательный канал содержит логическую функцию f2(&)-HE и логическую функцию f2(}&)-ИЛИ-HE, функциональная выходная связь которой является условно отрицательным выходом «i» разряд, а одна из функциональных входных связей является выходной функциональной связью первой функции f2(&)-HE, отличающееся тем, что в «i» разряд положительного канала введены логические функции f1(}&)-ИЛИ-НЕ и f1(&)-HE, а функциональные связи устройства логического дифференцирования аналоговых сигналов выполнены в соответствии с математической моделью вида

-логическая функция 
РИСУНКИ
|
|